

Informazioni sulle spedizioni e consegne saranno disponibili a breve.
Ricambi originali Skil per la sostituzione di parti danneggiate o riparazione della Smerigliatrice Angolare 9145 - F015914501.
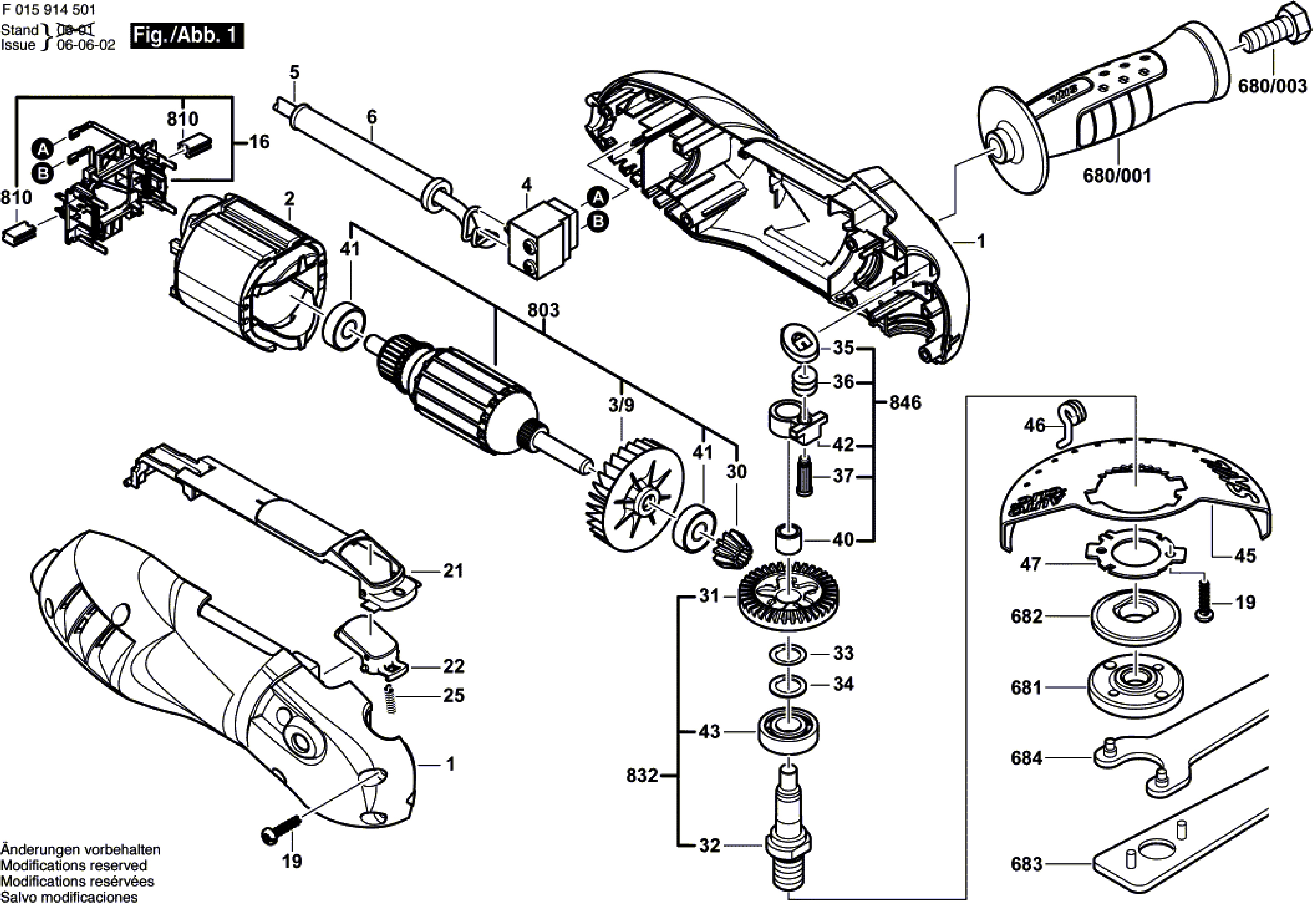
Nella tabella seguente, cercate il modello della Smerigliatrice ed il rispettivo codice del ricambio.![]()
| Smerigliatrice Angolare 9145/F 015 914 501 | ||
| Pos. | Codice | Descrizione |
| 1 | 2609000006 | Guscio Carcassa |
| 2 | 2609000764 | Espansione Polare 220-230V |
| 3/9 | 2609000021 | Ventilatore |
| 4 | 2609000051 | Interruttore |
| 5 | 2609000117 | Linea Di Collegamento 1,75m 2 x 0,75mm H05VV-F |
| 6 | 2600703012 | Beccuccio Ø6,5-Ø6,9x95 MM |
| 16 | 2609000144 | Portaspazola |
| 19 | 2610374919 | Vite Torx A Testa Di Sego T20-8x19 MM |
| 21 | 2609000036 | Nottolino |
| 22 | 2609001153 | Pomello Dell'interruttore |
| 25 | 2609000034 | Molla Di Collegamento |
| 30 | 2609000116 | Pignone |
| 31 | 1606333624 | Ruota Comando Differenz |
| 32 | 1603523110 | Fuso Portamola M14, SW17 |
| 33 | 2609001705 | Rondella Di Compensazione |
| 34 | 2609001706 | Rondella Di Compensazione |
| 35 | 2609000040 | Pulsante |
| 36 | 2609000043 | Molla |
| 37 | 2609000044 | Bullone |
| 40 | 2600917003 | Cuscinetto a rullini Ø8x8 MM |
| 41 | 3130900020 | Cuscinetto Rigido A Sfere 8x22x7 608-2Z/C3 |
| 42 | 2609000041 | Supporto Del Cuscinetto |
| 43 | 2609001630 | Cuscinetto Rigido A Sfere |
| 45 | 2609000047 | Cuffia Di Protezione |
| 46 | 2609000049 | Molla Di Chiusura |
| 47 | 2609000050 | Disco |
| 680/001 | 2609000079 | Appiglio Supplementare |
| 680/003 | 2609000289 | Vite testa esagonale |
| 681 | 1603345043 | Dado Cilindrico M14 |
| 682 | 2610392429 | Flangia Trascinatore |
| 683 | 1607950060 | Giradadi A Due Fori |
| 684 | 2607950511 | Chiave Semplice SW17 |
| 803 | 2609000245 | Indotto 230V |
| 810 | 2609000246 | Serie Spazzole |
| 832 | 2609000248 | Fuso Portamola |
| 846 | 2609000249 | Unita Di Fissaggio |