

Informazioni sulle spedizioni e consegne saranno disponibili a breve.
Ricambi originali Skill per la sostituzione o riparazione della Sega Crircolare 5750 - F015575001.
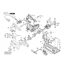
Nella tabella seguente, cercate il modello della Sega Circolare ed il rispettivo codice del ricambio.![]()
| Sega Circolare 5750/F 015 575 001 | ||
| Pos. | Codice | Descrizione |
| 1 | 2610392324 | Kit Di Scatola |
| 2 | 2604220669 | Espansione Polare 230V |
| 3 | 2610388395 | Indotto 230V |
| 4 | 1607200152 | Interruttore |
| 5 | 2610362954 | Linea Di Collegamento EU 2,65m 2 x 1,0mm H05 VV-F - Bosch |
| 6 | 2610360176 | Beccuccio |
| 12 | 2610390528 | Filtro Di Soppressione |
| 13 | 2600905032 | Cuscinetto Rigido A Sfere 7x19x6 |
| 14 | 2610388374 | Cuscinetto Rigido A Sfere |
| 16 | 1604336041 | Sopporto Di Portaspazzola |
| 21 | 2610392325 | Cuffia Di Protezione |
| 22 | 2610392262 | Basamento |
| 23 | 2610388765 | Set Appigli |
| 24 | 2610392249 | Coperchio Oscillante |
| 26 | 1604448000 | Cavo Di Collegamento L=373 MM BIANCO |
| 33 | 2610388344 | Piastra Di Supporto |
| 34 | 2610388345 | Cuscinetto |
| 37 | 2610366402 | Cuscinetto A Sfere |
| 39 | 2609003647 | VITE DI SUPPORTO |
| 40 | 2610388347 | Staffa Cerniera |
| 41 | 2610388348 | Supporto |
| 42 | 1600360004 | Manicotto Di Distanza |
| 43 | 2610390244 | Leva Tenditrice |
| 45 | 2610388349 | Disco |
| 46 | 2610392582 | Molla di trazione |
| 47 | 1605703125 | Flangia Montaggio |
| 49 | 2610391430 | Disco |
| 50 | 1603414007 | Vite cilindrica esagonal M6x14 MM |
| 51 | 2610364015 | CHIAVE A BRUGOLA 5 MM |
| 53 | 2610387875 | Dado Esagonale |
| 55 | 2610374919 | Vite Torx A Testa Di Sego T20-8x19 MM - Bosch |
| 56 | 2610388969 | Vite Ad Alette M6 |
| 57 | 2610374913 | Vite Torx A Testa Di Sego 8x13 |
| 64 | 2610060362 | Disco |
| 650 | 2608005036 | Battuta Parallela |
| 816 | 2610389054 | Spazzola |
| 835 | 2610389055 | Albero Di Trasmissione |
| 859 | 2610392337 | Basamento |
Tutte le informazioni tecniche dei prodotti in questo catalogo si basano su informazioni tratte da fonti ufficiali, tra cui i siti web del produttore Bosch, che riteniamo affidabili. Purtroppo, anche i documenti ufficiali possono contenere errori o errori di stampa - non siamo in grado di confermare che tutti questi dati sono precisi e rappresentino realmente i fatti. La maggior parte dei produttori si riservano il diritto di modificare le caratteristiche dei prodotti o completare le descizioni senza preavviso. Si consiglia vivamente di utilizzare le informazioni pubblicate come informazioni di base soggette alla revisione del marchio Bosch. Si prega di chiarire i parametri importanti con un assistente alla vendita al momento dell'acquisto. Tutti i contenuti inclusi in questo catalogo sono di proprietà intellettuale di www.bricoutensili.com. E' vietata qualsiasi pubblicazione o riproduzione (totale o parziale) senza un riferimento alla pagina di origine.