

Informazioni sulle spedizioni e consegne saranno disponibili a breve.
Skill genuine spare parts for replacing or repairing Circular Saw 5750 - F015575001.
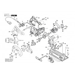
In the following table, look for the model of the Circular Saw and the respective parts of the code.![]()
| Circular Saw 5750/F 015 575 001 | ||
| # | Part Num. | Description |
| 1 | 2610392324 | Housing Set |
| 2 | 2604220669 | Field 230V |
| 3 | 2610388395 | Armature 230V |
| 4 | 1607200152 | Switch |
| 5 | 2610362954 | Power supply cord EU 2,65m 2 x 1,0mm H05 VV-F |
| 6 | 2610360176 | Grommet |
| 12 | 2610390528 | Suppression Filter |
| 13 | 2600905032 | Deep-Groove Ball Bearing 7x19x6 |
| 14 | 2610388374 | Deep-Groove Ball Bearing |
| 16 | 1604336041 | Brush Plate |
| 21 | 2610392325 | Protective Cover |
| 22 | 2610392262 | Base |
| 23 | 2610388765 | Set Of Handles |
| 24 | 2610392249 | Pivoting Blade Guard |
| 26 | 1604448000 | Connecting Cable L=373 MM WHITE |
| 33 | 2610388344 | Pivot Plate |
| 34 | 2610388345 | Bearing |
| 37 | 2610366402 | Ball Bearing |
| 39 | 2609003647 | Carrying Bolt |
| 40 | 2610388347 | Hinge Bar |
| 41 | 2610388348 | Support |
| 42 | 1600360004 | Spacer Tube |
| 43 | 2610390244 | Tensioning Lever |
| 45 | 2610388349 | Washer |
| 46 | 2610392582 | Extension Spring |
| 47 | 1605703125 | Clamping-Flange |
| 49 | 2610391430 | Washer |
| 50 | 1603414007 | Hex Socket Head Cap Screw M6x14 MM |
| 51 | 2610364015 | Hexagon Socket Screw Key 5 MM |
| 53 | 2610387875 | Hex Nut |
| 55 | 2610374919 | Torx Oval-Head Screw T20-8x19 MM |
| 56 | 2610388969 | Wing Screw M6 |
| 57 | 2610374913 | Torx Oval-Head Screw 8x13 |
| 64 | 2610060362 | Washer |
| 650 | 2608005036 | Parallel-Guide |
| 816 | 2610389054 | Brush |
| 835 | 2610389055 | Gear Shaft |
| 859 | 2610392337 | Base |
All product specifications in this catalog are based on information taken from official sources, including the official manufacturer’s Bosch websites, which we consider as reliable. Unfortunately, even the official documents may contain mistakes and printing errors – we are not able to confirm that all of these data are precise and represent the facts. Most of the manufacturers reserve the right to change the product characteristics or complement without notice. We strongly recommend using the published information as a basic information subject to Bosch brand review. Please refine the important parameters by the selling assistant when making a purchase. All content included in this catalog is the intellectual property of www.bricoutensili.com. Any publication or copying (full or partial) without a reference to the source page is prohibited.