

Informazioni sulle spedizioni e consegne saranno disponibili a breve.
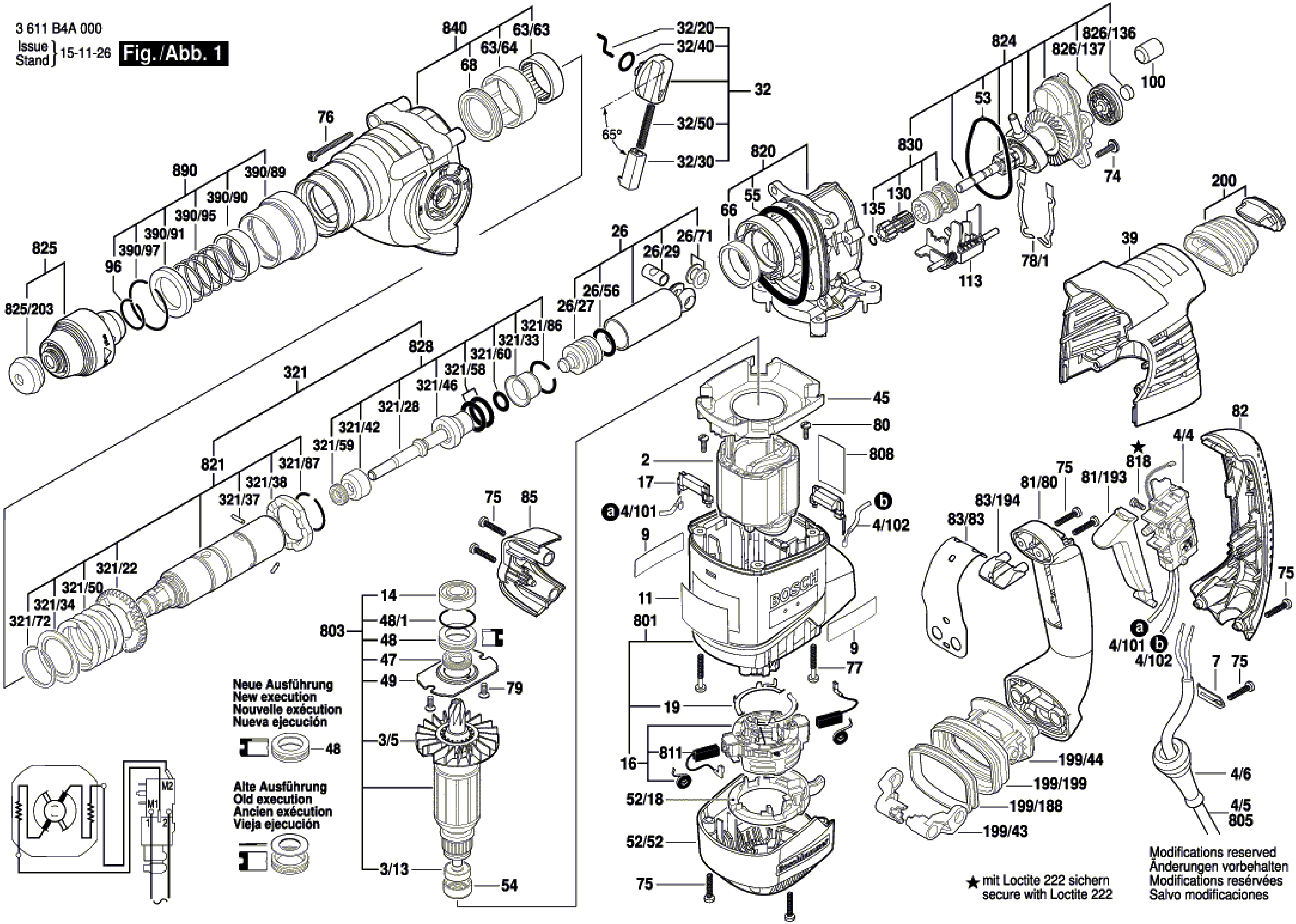
Ricambi originali Bosch al Miglior prezzo per la sostituzione o riparazione di parti danneggiate del Demolitore Bosch Blu GBH 3-28 DFR P Professional - 3611B4A000.
Nella tabella seguente, cercate il modello del Martello Perforatore ed il rispettivo codice del ricambio.
| Martello Demolitore Bosch GBH 3-28 DFR/3 611 B4A 000 | ||
| Pos. | Codice | Descrizione |
| 2 | 1614220117 | Espansione Polare 230V |
| 42493 | 1616610104 | Ventilatore |
| 3/13 | 1610905032 | Cuscinetto Rigido A Sfere 7x19x6 |
| 42464 | 1617200127 | Interruttore |
| 42525 | 1600703034 | Beccuccio Ø7,3-Ø8,6x66 MM |
| 4/101 | 1614490015 | Cavo Di Collegamento |
| 4/102 | 1614490016 | Cavo Di Collegamento |
| 7 | 1601302017 | Fascietta Di Fissagio |
| 9 | 1611110Z42 | Targa di fabbricazione GBH 3-28 DFR |
| 11 | 1611110Z43 | Targhetta Indicatrice |
| 14 | 1610905044 | Cuscinetto Rigido A Sfere |
| 16 | 1614336064 | Sopporto Di Portaspazzola |
| 17 | 1614465011 | Filtro Di Soppressione |
| 19 | 1611329024 | Contatto Di commutazione |
| 26 | 16170006A5 | Pistone Di Martello |
| 26/27 | 1610311019 | Battitore |
| 26/29 | 1613105020 | Spinotto |
| 26/56 | 1610210121 | O-ring 17,0x3,0 MM VERDE |
| 26/71 | 1610100016 | Rosetta Di Guida |
| 32 | 1612026151 | Impugnatura A Traversino NERO |
| 32/20 | 1614690009 | Perno Trascinatore |
| 32/30 | 1612026035 | Pomello Dell'interruttore ROSSO |
| 32/40 | 1610210046 | O-ring 10,5x2,7 MM |
| 32/50 | 1614611006 | Molla Di Compressione |
| 39 | 1615808102 | Coperchio D'ingranaggio BLU |
| 45 | 1610591046 | De Flettore Arua |
| 47 | 1610283047 | Guarnizione Tenuta Radial |
| 48 | 1610290102 | Anello Del Cuscinetto |
| 48/1 | 1610210208 | O-ring 24,0x2,0 MM |
| 49 | 1615700044 | Scudo |
| 52/18 | 1610290098 | Anello Commutatore |
| 52/52 | 1615108154 | Cuffia NERO |
| 53 | 1610210245 | O-ring |
| 54 | 1600502023 | Spessore |
| 55 | 1610210206 | Rondella Di Tenuta 63,0x5,0 MM |
| 63/63 | 1610910063 | Cuscinetto a rullini Ø30xØ37x12 MM |
| 63/64 | 1610390069 | Boccola |
| 66 | 1610202021 | Cuscinetto Radente |
| 68 | 1610283036 | Guarnizione Tenuta Radial |
| 74 | 1613435037 | Vite Con Filetto Scan. |
| 75 | 2603490023 | Vite Torx A Testa Di Sego 4x20 |
| 76 | 2603490027 | Vite Torx A Testa Di Sego 4x40 |
| 77 | 1613490017 | Vite Con Filetto Scan. M4x30 DIN7500-1 T-20 |
| 78/1 | 1610102086 | Rondella Di Compensazione 0,3mm |
| 78/1 | 1610102087 | Rondella Di Compensazione 0,15mm |
| 78/1 | 1610102090 | Rondella Di Compensazione 0,45mm |
| 79 | 1613435023 | Vite Con Filetto Scan. |
| 80 | 1613435038 | Viti A Testa Bombata |
| 81/80 | 1615133033 | Maniglia BLU |
| 81/193 | 1612026126 | Nottolino ROSSO |
| 82 | 16170006AE | Guscio Per Maniglia NERO |
| 83/83 | 1614690008 | Molla A Balestra |
| 83/194 | 1610099013 | PIASTRA PER AVVITAMENTO NERO |
| 85 | 1615500404 | Coperchio |
| 96 | 1614601046 | Anello a scatto elastico |
| 100 | 1610026003 | Gomma Di Ammortizzazione |
| 113 | 1616325002 | Gruppo Di Commutazione |
| 120 | 160202508Y | Appiglio Supplementare |
| 120/120 | 1612025058 | Appiglio Supplementare M8 NERO |
| 120/124 | 1611316021 | Nastro Di Fissaggio Ø50 MM |
| 120/125 | 1613490001 | Vite Con Testa A Martello M8x80 MM |
| 120/802 | 1617000685 | Muffola Di Fissaggio |
| 130 | 1616333049 | BOCCOLA DENTATA |
| 135 | 1614601067 | Anello a scatto elastico |
| 199/43 | 1612099002 | Leva A Bilanciere |
| 199/44 | 1614611025 | piedino bilanciere NERO |
| 199/188 | 1610209008 | Elemento Di Serraggio |
| 199/199 | 1610284002 | Soffietto |
| 200 | 1610284007 | Soffietto |
| 321 | 16170006BV | Portautensile |
| 321/22 | 1616312004 | Ruota Dentata Frontale |
| 321/28 | 1613124097 | Perno A Percussione |
| 321/33 | 1610590020 | Bussola Di Posizione |
| 321/34 | 1610190067 | Rosetta D'appoggio |
| 321/37 | 1613100019 | Spina Cilindrica DIN6325-2,5x12-RIKO |
| 321/38 | 1600A008AG | Rosetta Dentat Esterna |
| 321/42 | 1610102084 | Anello Antifrizone |
| 321/46 | 1610390068 | Boccola Di Guida |
| 321/50 | 1614615008 | Molla Di Compressione |
| 321/58 | 1610210105 | O-ring 18,0x3,5 MM |
| 321/59 | 1610283039 | Guarnizione Tenuta Radial |
| 321/60 | 1610210209 | O-ring 9,5x3,5 MM |
| 321/72 | 1604601027 | Anello a scatto elastico |
| 321/86 | 1614601034 | Anello a scatto elastico |
| 321/87 | 1604601028 | Anello a scatto elastico A22 DIN 7993 |
| 390/89 | 1610499059 | Bussola Impugnatura |
| 390/90 | 1610590016 | Boccola A Colletto |
| 390/91 | 1610200033 | Anello antiestrusione |
| 390/95 | 1614643016 | Molla Di Compressione |
| 390/97 | 1614601047 | Anello a scatto elastico |
| 661 | 1615430010 | Tubetto Di Grasso 30 ML |
| 688 | 1613001009 | Battuta Di Profondita SW 6x210 MM |
| 801 | 1617000689 | Carcassa Del Motore BLU |
| 803 | 1617000690 | Indotto 230V |
| 805 | 1607000392 | Linea Di Collegamento EU 4,15m 2 x 1,0mm H07 RN-F |
| 808 | 1601106035 | Targhetta 26x42 MM |
| 811 | 1617000525 | Serie Spazzole |
| 811 | 1607000485 | Serie Spazzole 10 x 1 617 000 525 |
| 818 | 2603410001 | Vite a Testa Cilindrica M3x6,5-4.8 |
| 820 | 1617000691 | Flangia Intermedia |
| 821 | 16170006BU | ATTACCO UTENSILI |
| 824 | 1617000A38 | Albero Intermedio |
| 825 | 1617000895 | ATTACCO UTENSILI |
| 825/203 | 1610508047 | Cappuccio Di Protezione |
| 826/136 | 1610205014 | Feltrino |
| 826/137 | 1610109019 | Rondella Di Gomma |
| 828 | 16170006A7 | Perno A Percussione |
| 830 | 1617000698 | BOCCOLA DENTATA |
| 840 | 1617000699 | CORPO SISTEMA PERCUSSION NERO |
| 890 | 1617000V41 | Bussola Impugnatura |
| 895 | 1615438426 | Chiusura per 1 615 438 395 |