

Informazioni sulle spedizioni e consegne saranno disponibili a breve.
Ricambi originali Bosch per la sostituzione di pezzi rotti o la riparazione del Seghetto Alternativo GST 75 BE - 0603382704.
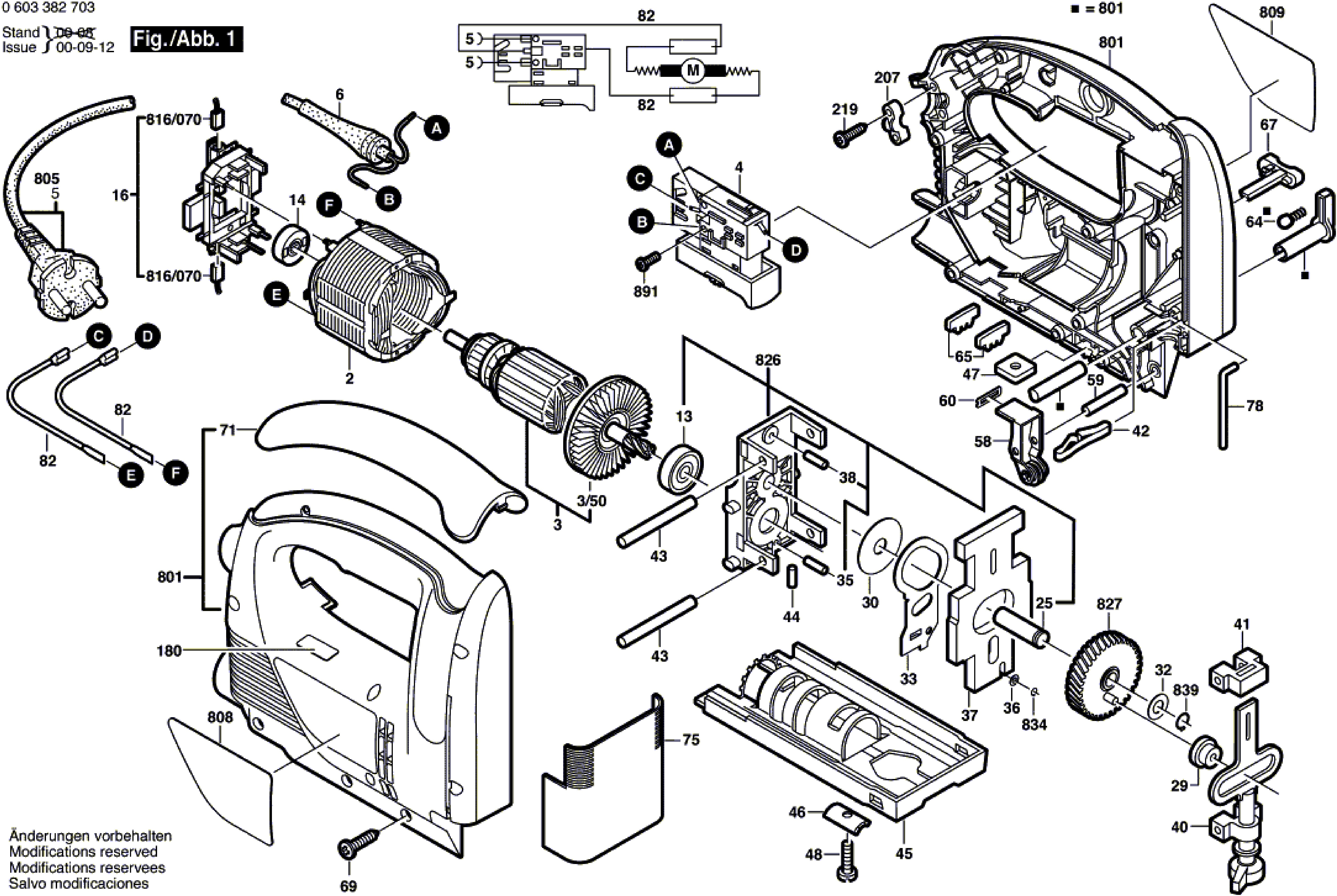
Nella tabella seguente, cercate il modello del Seghetto Alternativo ed il rispettivo codice del ricambio.![]()
| GST 75 BE/0 603 382 704 | ||
| Pos. | Codice | Descrizione |
| 2 | 2604220655 | Espansione Polare 220-240V |
| 3 | 2604011234 | Indotto 220-240V |
| 3/50 | 2606610029 | Ventilatore |
| 4 | 2607200581 | Interrrutore Apre Chiude |
| 6 | 2600703017 | Beccuccio Ø6,4-Ø7,2x76 MM |
| 13 | 2600905021 | Cuscinetto Rigido A Sfere 9x24x7 |
| 14 | 2605805008 | Supporta A Flangia |
| 16 | 2604337085 | Sopporto Di Portaspazzola |
| 25 | 2603105080 | Bullone Di Regolazione |
| 29 | 2600914022 | Cuscinetto a rullini |
| 30 | 2600101048 | Rondella Di Compensazione 0,5 MM |
| 32 | 2600101077 | Rondella Di Compensazione 0,5 MM |
| 33 | 2601923012 | Leva A Intaglio |
| 35 | 2603105091 | Bullone Di Regolazione |
| 36 | 2600100588 | Rondella Di Compensazione 0,5 MM |
| 37 | 2601098060 | Contrappeso |
| 38 | 1903201054 | Rullino 4x15,8 MM |
| 40 | 2600780147 | Asta Di Alzata |
| 41 | 2605801038 | Cuscinetto Radente |
| 42 | 2604613004 | Molla Di Compressione |
| 43 | 2603201089 | Rullino |
| 44 | 2603105084 | Bullone Di Regolazione |
| 45 | ||
| 46 | 2602317037 | Listello Profilato |
| 47 | 2600040003 | Piastra Di Fissaggio |
| 48 | 2603413034 | Vite a Testa Cilindrica |
| 58 | 2601321051 | Leva A Rullo |
| 59 | 2917550101 | Spina Cilindrica DIN 6325-4m6x20 |
| 60 | 2601015077 | PIASTRA DI TENUTA |
| 64 | 2600590006 | Tappo Di Arresto |
| 65 | 2601038111 | Elemento Di Arresto |
| 67 | 2602026096 | Elemento Di Commutazione |
| 69 | 2603490022 | Vite Torx A Testa Di Sego 4x16 |
| 71 | 2608040148 | Guscio Per Maniglia |
| 75 | 2605510169 | Cofano |
| 78 | 2603105088 | Perno Di Sicurezza |
| 82 | 2604448127 | Cavo Di Collegamento L=220 MM BIANCO |
| 219 | 2603490022 | Vite Torx A Testa Di Sego 4x16 |
| 801 | 2605105929 | Guscio Carcassa BLU |
| 805 | 1607000386 | Linea Di Collegamento EU 230V 4,15m 2x1,0mm H05 RN-F |
| 808 | 2601117575 | Targhetta Indicatrice |
| 809 | 2601116649 | Targa di fabbricazione |
| 816/070 | 2604321925 | Serie Spazzole |
| 826 | 2605807936 | Trave Portante |
| 827 | 2606320904 | Ingranaggio D'eccentrico |
| 834 | 2916640001 | Anello Di ritenuta DIN 471-4x0,4-FSt |
| 839 | 2916640005 | Anello Di ritenuta DIN 471-8x0,8 FSt |
| 891 | 2603410046 | Vite Con Intaglio A Croce M3x5 |
| 895 | 2601320027 | Chiusura |