

Informazioni sulle spedizioni e consegne saranno disponibili a breve.
Ripara la tua Sega Circolare PKS 54 - 0603223003, tutti i pezzi di ricambio sono fornibili per una rapida consegna. I nostri ricambi sono ricambi originali e sono dotati di una garanzia completa.
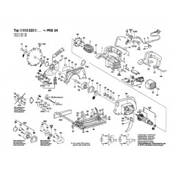
Nella tabella seguente, cercate il modello della Sega Circolare ed il rispettivo codice del ricambio.![]()
| Sega Circolare PKS 54/0 603 223 003 | ||
| Pos. | Codice | Descrizione |
| 1 | 1605108135 | Carcassa Del Motore VERDE |
| 2 | 1604220231 | Espansione Polare 220V |
| 3/50 | 1606610122 | Ventilatore |
| 4 | 1607000231 | Interrrutore Apre Chiude |
| 5/20 | 1900452012 | Terminale Di Conduttore DIN 46 228-A1-6 |
| 6 | 2600703013 | Beccuccio Ø7,6-Ø8,2x95 MM |
| 6 | 2600703012 | Beccuccio Ø6,5-Ø6,9x95 MM |
| 7 | 2601035001 | Portacavo |
| 9 | 2601110601 | Targa di fabbricazione |
| 12 | 1607328028 | Filtro Di Soppressione |
| 12/20 | 2601355007 | Spina Piatta |
| 13 | 2600905032 | Cuscinetto Rigido A Sfere 7x19x6 |
| 14 | 1610905009 | Cuscinetto Rigido A Sfere 9x26x8 |
| 15 | 1604503014 | Box Antiradiodisturbi |
| 16 | 1604336016 | Portaspazola |
| 17 | 1605806418 | Carcassa Cambio |
| 18 | 1605510161 | Cofano |
| 19 | 1608000106 | Piastra Di Base 145x290 MM |
| 20 | 1607000218 | Serie Parti |
| 21 | 1603124114 | Albero di trasmissione M6, Ø12 MM |
| 22 | 1606320079 | Ruota Dentata Frontale Z=35 |
| 23 | 1605703097 | Flangia Montaggio |
| 24 | 1610210013 | O-ring 24,0x1,5 MM |
| 25 | 1605500135 | Coperchio VERDE |
| 26 | 1601099015 | Sbarra Di Copertura VERDE |
| 27 | 1605500137 | Guscio Per Maniglia VERDE |
| 28 | 1600591007 | De Flettore Arua |
| 29 | 1605510169 | Coperchio Oscillante |
| 30 | 1604650010 | Molla di trazione |
| 31 | 1900301007 | Boccola Sinerizzata J6G7x10R6x6DIN1850 |
| 32 | 1600025017 | Coltello Divisore |
| 35 | 1603480018 | Vite Ad Alette M6 |
| 36 | 1601110492 | Targa di fabbricazione |
| 37 | 1603339006 | Dado Ad Alette M6 |
| 38 | 2910281201 | Vite A Testa Tonda Larga DIN 603-M6x20 |
| 39 | 1900905107 | Cuscinetto Rigido A Sfere 6001-ZJ/C3 DIN 625 |
| 40 | 1600132003 | Gola Piatta |
| 41 | 1603414007 | Vite cilindrica esagonal M6x14 MM |
| 42 | 2603410001 | Vite a Testa Cilindrica M3x6,5-4.8 |
| 43 | 2912401019 | Vite Autofilettante DIN7981-ST3,9x16-C-Z |
| 44 | 2910021115 | Vite a Testa Cilindrica DIN 84-AM4x5-8.8 |
| 45 | 2914491409 | Vite Con Filetto Scan. DIN 7500-M 4x12 |
| 46 | 1907950006 | Cacciavite Ad Angolo DIN 911-SW5 NERO |
| 47 | 2910281203 | Vite A Testa Tonda Larga DIN 603-M6x25 |
| 48 | 2916660008 | Anello Di ritenuta DIN 472-24x1,2 MM |
| 49 | 1600328029 | Bussola Stagna |
| 50 | 1600305001 | Parastrappi In Gomma |
| 51 | 1604477005 | Spina Piatta |
| 52 | 1604611028 | Molla Di Compressione |
| 53 | 1603435022 | Vite Con Filetto Scan. TT M5x30 MM |
| 55 | 1600309010 | Boccola Distanziale |
| 56 | 1605703108 | Gola Piatta |
| 57 | 1600502011 | Spessore |
| 58 | 1608190010 | Squadra Zoppa |
| 59 | 2910211017 | Vite Autofilettante DIN 7971-BZ3,9x9,5 |
| 60 | 2910141193 | Vite cilindrica esagonal DIN 912-M6x12-8.8 |
| 61 | 2916011013 | Rondella piana DIN 433-6,4-ST 50 |
| 85 | 1600139008 | Guarnizione |
| 86 | 2916650020 | Anello Di ritenuta DIN 471-40x1,75-FST |
| 650 | 2608005036 | Battuta Parallela |
| 700 | 1600499005 | Raccordo Ø 25x35 MM |
| 701 | 2608640140 | Lama Sega Circolare Ø 16 x Ø 160 MM, Z=20 |
| 705 | 2608640597 | Lama Sega Circolare |
| 800 | 1607014129 | Serie Spazzole |
| 801 | 2604652008 | Molla A Spirale |
| 804 | 1607000231 | Interrrutore Apre Chiude |
| 812 | 1607328028 | Filtro Di Soppressione |
| 820 | 1607000218 | Serie Parti |
| 829 | 1605510170 | Coperchio Oscillante |
| 830 | 1604010314 | Indotto 230V |
| 839 | 1900905107 | Cuscinetto Rigido A Sfere 6001-ZJ/C3 DIN 625 |
| 840 | 1607000219 | Serie Parti |
| 878 | 1607000191 | Serie Parti |
| 878/1 | 1607000192 | Serie Parti |
| 878/2 | 1607000205 | Serie Parti |
| 888 | 1601106032 | Targhetta 26x52 MM |
| 899 | 1605430003 | Tubetto Di Grasso 225 ML |