

Informazioni sulle spedizioni e consegne saranno disponibili a breve.
Fix Your Circular Saw PKS 54 - 0603223003. All Spares are Ready For Quick Delivery. Our Spares are Genuine Parts and Come with a Full Guarantee.
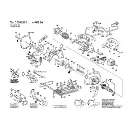
In the following table, look for the model of the Circular Saw and the respective parts of the code.
| Circular Saw PKS 54/0 603 223 003 | ||
| # | Part Num. | Description |
| 1 | 1605108135 | Motor Housing GREEN |
| 2 | 1604220231 | Field 220V |
| 3/50 | 1606610122 | Fan |
| 4 | 1607000231 | On-Off Switch |
| 5/20 | 1900452012 | End Splice DIN 46 228-A1-6 |
| 6 | 2600703013 | Grommet Ø7,6-Ø8,2x95 MM |
| 6 | 2600703012 | Grommet Ø6,5-Ø6,9x95 MM |
| 7 | 2601035001 | Cable Clip |
| 9 | 2601110601 | Manufacturer's nameplate |
| 12 | 1607328028 | Suppression Filter |
| 12/20 | 2601355007 | Blade terminal |
| 13 | 2600905032 | Deep-Groove Ball Bearing 7x19x6 |
| 14 | 1610905009 | Deep-Groove Ball Bearing 9x26x8 |
| 15 | 1604503014 | Suppressor Box |
| 16 | 1604336016 | Brush Holder |
| 17 | 1605806418 | Gear Housing |
| 18 | 1605510161 | Covering hood |
| 19 | 1608000106 | Base Plate 145x290 MM |
| 20 | 1607000218 | Parts Set |
| 21 | 1603124114 | Drive Shaft M6, Ø12 MM |
| 22 | 1606320079 | Cylindrical Gear Z=35 |
| 23 | 1605703097 | Clamping-Flange |
| 24 | 1610210013 | O-Ring 24,0x1,5 MM |
| 25 | 1605500135 | Sealing cap GREEN |
| 26 | 1601099015 | Cover Strip GREEN |
| 27 | 1605500137 | Handle Cover GREEN |
| 28 | 1600591007 | Air-Deflector Ring |
| 29 | 1605510169 | Pivoting Blade Guard |
| 30 | 1604650010 | Extension Spring |
| 31 | 1900301007 | Sintered-Metal Bushing J6G7x10R6x6DIN1850 |
| 32 | 1600025017 | Riving Knife |
| 35 | 1603480018 | Wing Screw M6 |
| 36 | 1601110492 | Manufacturer's nameplate |
| 37 | 1603339006 | Wing Nut M6 |
| 38 | 2910281201 | Round-Head Bolt DIN 603-M6x20 |
| 39 | 1900905107 | Deep-Groove Ball Bearing 6001-ZJ/C3 DIN 625 |
| 40 | 1600132003 | Conical Spring Washer |
| 41 | 1603414007 | Hex Socket Head Cap Screw M6x14 MM |
| 42 | 2603410001 | Socket head cap screw M3x6,5-4.8 |
| 43 | 2912401019 | Tapping Screw DIN7981-ST3,9x16-C-Z |
| 44 | 2910021115 | Socket head cap screw DIN 84-AM4x5-8.8 |
| 45 | 2914491409 | Thread-forming tap. Screw DIN 7500-M 4x12 |
| 46 | 1907950006 | Offset Screwdriver DIN 911-SW5 BLACK |
| 47 | 2910281203 | Round-Head Bolt DIN 603-M6x25 |
| 48 | 2916660008 | Spring retaining ring DIN 472-24x1,2 MM |
| 49 | 1600328029 | Seal Bushing |
| 50 | 1600305001 | Rubber Buffer |
| 51 | 1604477005 | Blade terminal |
| 52 | 1604611028 | Compression Spring |
| 53 | 1603435022 | Thread-forming tap. Screw TT M5x30 MM |
| 55 | 1600309010 | Spacer Bushing |
| 56 | 1605703108 | Conical Spring Washer |
| 57 | 1600502011 | Intermediate Ring |
| 58 | 1608190010 | Miter Square |
| 59 | 2910211017 | Tapping Screw DIN 7971-BZ3,9x9,5 |
| 60 | 2910141193 | Hex Socket Head Cap Screw DIN 912-M6x12-8.8 |
| 61 | 2916011013 | Plain Washer DIN 433-6,4-ST 50 |
| 85 | 1600139008 | Sealing disk |
| 86 | 2916650020 | Spring retaining ring DIN 471-40x1,75-FST |
| 650 | 2608005036 | Parallel-Guide |
| 700 | 1600499005 | Fitting Ø 25x35 MM |
| 701 | 2608640140 | Circular Saw Blade Ø 16 x Ø 160 MM, Z=20 |
| 705 | 2608640597 | Circular Saw Blade |
| 800 | 1607014129 | Carbon-Brush Set |
| 801 | 2604652008 | Spiral Spring |
| 804 | 1607000231 | On-Off Switch |
| 812 | 1607328028 | Suppression Filter |
| 820 | 1607000218 | Parts Set |
| 829 | 1605510170 | Pivoting Blade Guard |
| 830 | 1604010314 | Armature 230V |
| 839 | 1900 905107 | Deep-Groove Ball Bearing 6001-ZJ/C3 DIN 625 |
| 840 | 1607000219 | Parts Set |
| 878 | 1607000191 | Parts Set |
| 878/1 | 1607000192 | Parts Set |
| 878/2 | 1607000205 | Parts Set |
| 888 | 1601106032 | Nameplate 26x52 MM |
| 899 | 1605430003 | Grease Tube 225 ML |