Ricambi originali Bosch per la sostituzione o riparazione di parti danneggiate della Smerigliatrice Angolare GWS 22-230 JH - 3601H82200.
Ricambi originali Bosch per la sostituzione o riparazione di parti danneggiate della Smerigliatrice Angolare GWS 22-230 JH - 3601H82200.
Informazioni sulle spedizioni e consegne saranno disponibili a breve.
Ricambi originali Bosch per la sostituzione o riparazione di parti danneggiate della Smerigliatrice Angolare GWS 22-230 JH - 3601H82200.
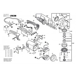
Nella tabella seguente, cercate il modello della Smerigliatrice ed il rispettivo codice del ricambio.![]()
| Smerigliatrice Angolare GWS 22-230 JH/3 601 H82 200 | ||
| Pos. | Codice | Descrizione |
| 1 | 1605108275 | Carcassa Del Motore |
| 2 | 1604220445 | Espansione Polare 230V |
| 6 | 1600703036 | Beccuccio Ø10,5-Ø11,0x100 MM |
| 7 | 1601302018 | Fascietta Di Fissagio |
| 9 | 1601118D11 | Targa di fabbricazione |
| 23 | 1605500206 | Coperchio BLU |
| 24 | 1605132149 | Maniglia BLU |
| 25 | 1603523113 | Fuso Portamola M14, SW17 |
| 28 | 1600210033 | O-ring 79,0x1,78 MM |
| 29 | 1600210045 | O-ring 8,0x1,0 MM |
| 30 | 1600591029 | Distributore Di Aria |
| 31 | 1600591028 | Deflettore Aria |
| 32 | 1600290019 | Anello di guardia |
| 33 | 1600290013 | Guarnizione Tenuta Radial 18,7 MM |
| 34 | 1600190020 | Rondella Di Compensazione 0,15 MM SPESSORE |
| 34 | 1600190021 | Rondella Di Compensazione 0,3 MM SPESSORE |
| 34 | 1600190022 | Rondella Di Compensazione 0,1 MM SPESSORE |
| 34 | 1600190037 | Rondella Di Compensazione 0,2 MM SPESSORE |
| 34 | 1600190038 | Rondella Di Compensazione 0,25 MM SPESSORE |
| 34 | 1600190039 | Rondella Di Compensazione 0,35 MM SPESSORE |
| 34 | 1600190040 | Rondella Di Compensazione 0,4 MM SPESSORE |
| 35 | 1600205034 | Anello Di Feltro |
| 37 | 1600290036 | Rondella Di Tenuta NERO |
| 38 | 1600206020 | Anello Di Gomma 7 MM LARGHEZZA |
| 39 | 1600206030 | Anello Di Gomma |
| 45 | 1603300019 | Dado Esagonale M10, SW14 |
| 51 | 1600200031 | Cuscinetto Radente Ø14 MM |
| 53 | 1605190068 | Corpo Bussola Innesto |
| 54 | 1604503015 | Resistenza A Filo |
| 60 | 1603435023 | Vite Con Filetto Scan. TT M5x18 MM |
| 61 | 2912401038 | Vite Autofilettante DIN 7981-4,8x38-C-Z-ST |
| 62 | 1603435060 | Vite Autofilettante 4,8x55 |
| 63 | 1603410014 | Vite A Testa Piana M4x10 MM |
| 64 | 1603435042 | Vite Maschiante St3,9x12 |
| 65 | 2912401020 | Vite Autofilettante DIN 7981-3,9x19-C-Z-ST |
| 66 | 2910211019 | Vite Autofilettante DIN 7971-ST3,9x16-F |
| 68 | 1601006011 | Piastra Di Tenuta |
| 651 | 1605510407 | Cuffia Di Protezione Ø230 MM |
| 803 | 1604011296 | Indotto 230V |
| 804 | 1607000479 | Interrrutore Apre Chiude |
| 805 | 1607000227 | Linea Di Collegamento EU 4,15m 2 x 1,0mm H07 RN-F |
| 808 | 1601106032 | Targhetta 26x52 MM |
| 810 | 1607014171 | Serie Spazzole |
| 810 | 1607000480 | Serie Spazzole 10 x 1 607 014 171 |
| 813 | 1600905011 | Cuscinetto Rigido A Sfere 8x22x7 |
| 814 | 1600905028 | Cuscinetto Rigido A Sfere |
| 816 | 1604336048 | Portaspazzola |
| 821 | 1607000C03 | Carcassa Cambio |
| 822 | 1607000C22 | Coperchio-Supporto Ø230 MM |
| 822/22/48 | 1600119010 | Anello Di ritenuta |
| 822/22/50 | 1600905026 | Cuscinetto Rigido A Sfere 17x40x12 |
| 826 | 1619P02776 | Set Di Ingranaggi Conici |
| 835 | 1606610142 | Ventilatore |
| 840 | 1607000354 | Pulsante |
| 846 | 1607000342 | Rosetta Di Fermo |
| 851 | 2600910001 | Cuscinetto a rullini Ø14 MM |
| 882 | 1619P06597 | Dispositivo di blocco |
| 890 | 1600210039 | O-ring 20,35x1,78 MM |
| 891 | 1602025022 | Appiglio Supplementare M14 NERO |
| 891/1 | 1602025051 | Appiglio Supplementare M14 NERO |
| 892 | 1607950061 | Giradadi A Due Fori |
| 893 | 2605703014 | Flangia Montaggio Ø22,3xØ42 MM |
| 894 | 1603345043 | Dado Cilindrico M14 |
| 896 | 1603340027 | Dado Di Serraggio Rapido M14, SDS-CLIC |