

Informazioni sulle spedizioni e consegne saranno disponibili a breve.
Siamo Distributori di Ricambi originali ALPINA e centro di assistenza autorizzato. Garantiamo prezzi bassi e un servizio di riparazione professionale in grado di consigliarti l'acquisto del ricambio più adatto a risolvere rapidamente ogni problema di manutenzione e riparazione della Motosega ALPINA AC 42 (2017) 240421600/A17.
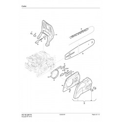
Nella tabella seguente, cercate il modello della Motosega ed il rispettivo codice del ricambio.![]()
| ALPINA AC 42 (2017) 240421600/A17- Pag.1 | ||
| Pos. | Codice | Descrizione |
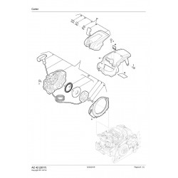
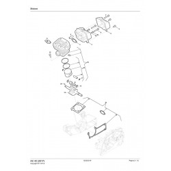
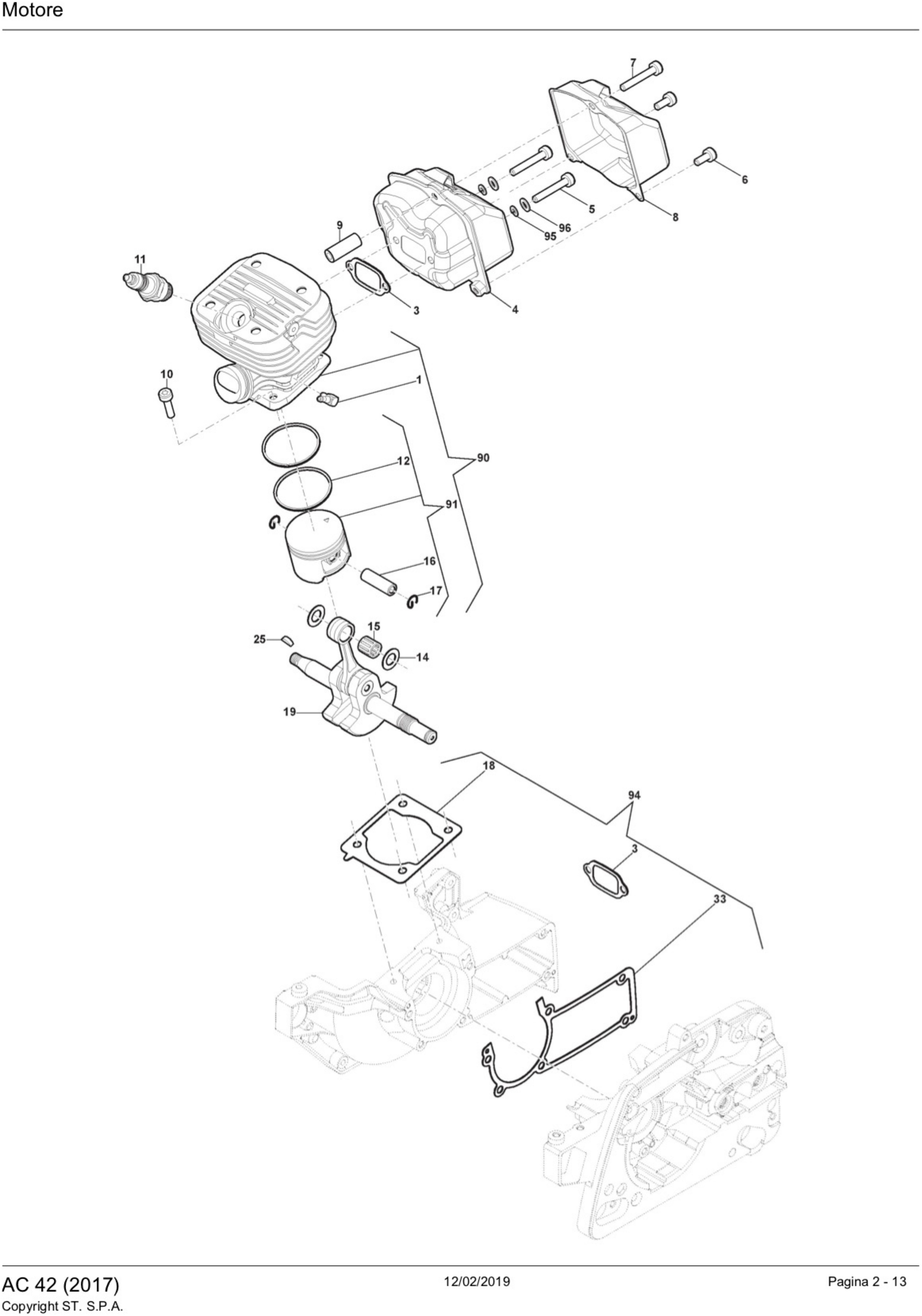
| 1 | 118804382/0 | Ugello |
| 3 | 118804381/0 | Guarnizione Silenziatore |
| 4 | 118804380/0 | Silenziatore To 31-august-2017 |
| 4 | 118804649/0 | Silenziatore (RHS);From 01-september-2017 |
| 5 | 112789008/0 | Vite From 01-september-2017 |
| 5 | 118804379/0 | Vite To 31-august-2017 |
| 6 | 2135180 | Vite |
| 7 | 2135120 | Vite TX M5x40 |
| 8 | 118804378/0 | Coperchio Silenziatore To 31-august-2017 |
| 8 | 118804651/0 | Coperchio Silenziatore From 01-september-2017 |
| 9 | 118804377/0 | Distanziale To 31-august-2017 |
| 9 | 118804904/0 | Distanziale From 01-september-2017 |
| 10 | 2132550 | Vite |
| 11 | 3210024 | Candela |
| 12 | 118804338/0 | Fascia Elastica |
| 14 | 118804375/0 | Guarnizione Cuscinetto |
| 15 | 118804374/0 | Gabbia A Rulli |
| 16 | 118804373/0 | Spinotto Pistone |
| 17 | 118804372/0 | Fermo Spinotto |
| 18 | 118804616/0 | Guarnizione Cilindro |
| 19 | 118804371/0 | Albero Motore To 31-august-2017 |
| 19 | 118804371/1 | Albero Motore From 01-september-2017 |
| 25 | 118800959/0 | Chiavetta |
| 33 | 118804617/0 | Guarnizione Carter |
| 90 | 118804337/0 | Assieme Cilindro - Pistone |
| 91 | 118804336/0 | Assieme Pistone |
| 94 | 118804340/0 | Kit Guarnizioni |
| 95 | 112581500/0 | Grower From 01-september-2017 |
| 96 | 112521320/0 | Rondella From 01-september-2017 |
| ALPINA AC 42 (2017) 240421600/A17- Pag.2 | ||
| 6 | 2135180 | Vite |
| 10 | 2132550 | Vite |
| 20 | 2135040 | Vite |
| 21 | 118804370/0 | Assieme Bobina Elettronica |
| 22 | 118804369/0 | Rondella |
| 23 | 118804367/0 | Interruttore |
| 24 | 123120004/0 | Dado |
| 26 | 118804356/0 | Volano Magnete |
| 30 | 118804366/0 | Heat Insulator |
| 31 | 118804365/0 | Carter Sinistro |
| 32 | 123753000/0 | Rullino |
| 34 | 118804364/0 | Anello Di Tenuta |
| 35 | 118804363/0 | Cuscinetto A Sfere |
| 37 | 118804587/0 | Ugello Mandata Olio |
| 41 | 118801158/0 | Spina |
| 42 | 118804362/0 | Arpione |
| 43 | 323059044/0 | Fermacatena |
| 44 | 118804410/0 | O-Ring |
| 45 | 118804288/0 | Tendicatena |
| 46 | 118804361/0 | Copertura Ingranaggio |
| 47 | 112726389/0 | Vite |
| 48 | 118804289/0 | Vite Tendicatena |
| 49 | 118804359/0 | Tassello Tendicatena |
| 50 | 118804285/0 | Piastrina |
| 118804907/0 | Assieme Tendicatena Completo | |
| 51 | 118804358/0 | Bullone |
| 52 | 118804301/0 | Copertura Pompa Olio |
| 53 | 2135020 | Vite |
| 54 | 118804300/0 | Pompa Olio |
| 55 | 118804299/0 | Mandata Olio |
| 59 | 118804357/0 | Boccola |
| 60 | 118804297/0 | Vite Senza Fine |
| 61 | 118804296/0 | Rondella |
| 62 | 118804295/0 | Frizione |
| 63 | 118804265/0 | Campana Frizione |
| 64 | 118804511/0 | Gabbia A Rulli |
| 65 | 118804290/0 | Rondella |
| 66 | 112000955/0 | Anello Benzing |
| 85 | 118804522/0 | Assieme Cappuccio Candela |
| 86 | 118804523/0 | Assieme Ganci Volano sostituito da 118804356/0 |
| 92 | 118804307/0 | Assieme Tappo Serbatoio |
| 93 | 118804250/0 | Tubo Pescante Olio |
| 95 | 118804339/0 | Assieme Carter Destro |
| ALPINA AC 42 (2017) 240421600/A17- Pag.3 | ||
| 20 | 2135040 | Vite |
| 67 | 118804346/0 | Collettore Aspirazione |
| 68 | 323784016/0 | Supporto Carburatore |
| 69 | 118804273/0 | Guarnizione |
| 70 | 118804354/0 | Fascetta Stringitubo |
| 71 | 118804353/0 | Tubo Carburante To 31-august-2017 |
| 71 | 118804353/1 | Tubo Carburante From 01-september-2017 |
| 72 | 118804352/0 | Tubo |
| 73 | 118804351/0 | Carburatore To 31-august-2017 |
| 73 | 118804351/1 | Carburatore From 01-september-2017 |
| 74 | 118804278/0 | Boccola Choke |
| 75 | 323315115/0 | Manopola Choke |
| 76 | 118804349/0 | Guida |
| 77 | 118804348/0 | Tirante Acceleratore |
| 78 | 118804347/0 | Manopolina |
| 79 | 118804409/0 | Base Per Filtro Aria |
| 80 | 112760471/0 | Vite |
| 81 | 118804345/0 | Filtro Aria |
| 82 | 118804282/0 | Manopolina |
| 83 | 118804344/0 | Blocco Filtro Aria |
| 84 | 112728519/0 | Vite To 31-august-2017 |
| 84 | 112731601/0 | Vite From 01-september-2017 |
| 87 | 118804524/0 | Kit Riparazione Carburatore |
| 88 | 118804525/0 | Kit Guarnizioni Carburatore |
| 89 | 118804908/0 | Assieme Filtro Aria |
| ALPINA AC 42 (2017) 240421600/A17- Pag.4 | ||
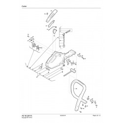
| 1 | 118804558/0 | Assieme Avviatore To S/N 610CA102004 |
| 1 | 118804558/1 | Assieme Avviatore From S/N 707CA106913 |
| 2 | 118804559/0 | Impugnatura Avviamento |
| 3 | 2135040 | Vite |
| 8 | 118804243/0 | Puleggia Avviamento |
| 9 | 112521330/0 | Rondella |
| 10 | 112728519/0 | Vite To 31-august-2017 |
| 10 | 112731601/0 | Vite From 01-september-2017 |
| 11 | 118804333/0 | Convogliatore Aria |
| 36 | 118804406/0 | Spina |
| 40 | 118804214/0 | Flangia |
| 41 | 118804216/0 | Gancio |
| 42 | 118804215/0 | Leva |
| 44 | 323059042/0 | Copricilindro |
| 45 | 118804321/0 | Flangia |
| 46 | 118804304/0 | Paracalore |
| 65 | 118804308/0 | Assieme Molla Avviamento |
| 69 | 118804561/0 | Assieme Coprifiltro Aria |
| ALPINA AC 42 (2017) 240421600/A17- Pag.5 | ||
| 3 | 2135040 | Vite |
| 10 | 112728519/0 | Vite To 31-august-2017 |
| 10 | 112731601/0 | Vite From 01-september-2017 |
| 12 | 118804560/0 | Coperchio Impugnatura |
| 13 | 118804331/0 | Leva Di Sicurezza |
| 14 | 118804330/0 | Molla |
| 15 | 118804329/0 | Leva Acceleratore |
| 16 | 118804328/0 | Molla |
| 17 | 118804327/0 | Tappo Valvola |
| 18 | 118804227/0 | Valvola Sfiato |
| 22 | 118804326/0 | Tubo Ritorno Carburante |
| 24 | 118804325/0 | Tubo Carburante |
| 28 | 118804233/0 | Filtro Carburante To 31-august-2017 |
| 28 | 118804885/0 | Filtro Carburante From 01-september-2017 |
| 29 | 118804231/0 | Primer |
| 30 | 118804323/0 | Tubo Pescante |
| 32 | 323059046/0 | Piastrina |
| 33 | 112728523/0 | Vite |
| 36 | 118804406/0 | Spina |
| 37 | 118804221/0 | Chiave Candela |
| 38 | 323300022/0 | Impugnatura Anteriore |
| 39 | 118804322/0 | Boccola |
| 66 | 118804307/0 | Assieme Tappo Serbatoio |
| 67 | 118804306/0 | Assieme Impugnatura Posteriore |
| 68 | 118804305/0 | Assieme Tubo Carburante |
| 71 | 118804881/0 | Molla |
| ALPINA AC 42 (2017) 240421600/A17- Pag.6 | ||
| 3 | 2135040 | Vite |
| 47 | 118804318/0 | Boccola |
| 48 | 118804317/0 | Sede Molla |
| 49 | 118804316/0 | Molla |
| 50 | 118804315/0 | Sede Fissaggio Molla |
| 51 | 323455013/0 | Paramano |
| 52 | 123753000/0 | Rullino |
| 53 | 118804314/0 | Nastro Freno |
| 54 | 118804313/0 | Leva Sgancio Freno |
| 55 | 118804407/0 | Anello Elastico |
| 56 | 118804312/0 | Molla |
| 57 | 118804311/0 | Guarnizione |
| 58 | 118804310/0 | Coperchio Molla Freno |
| 59 | 9860-0520-16 | Vite |
| 61 | 118804303/0 | Vite |
| 62 | 123900113/0 | Barra Guida 16"-.325"-0,050" |
| 63 | 1519-9124-01 | Catena 16"-.325"-0,050"-66E |
| 70 | 118804562/0 | Coperchio Frizione |