

Informazioni sulle spedizioni e consegne saranno disponibili a breve.
We are ALPINA authorized service center and original spare parts Distributors. We offer low prices and a professional repair service able to advise you for to purchase the most suitable spare part to quickly solve any maintenance and repair issues for Chain Saw AC 42 (2017) 240421600/A17.
In the following table, look for the model of the Chain Saw and the respective parts of the code.![]()
| ALPINA AC 42 (2017) 240421600/A17- Pag.1 | ||
| # | Part Num. | Description |
| 1 | 118804382/0 | Nozzle |
| 3 | 118804381/0 | Muffler gasket |
| 4 | 118804380/0 | Muffler To 31-august-2017 |
| 4 | 118804649/0 | Muffler (RHS); From 01-september-2017 |
| 5 | 112789008/0 | Screw From 01-september-2017 |
| 5 | 118804379/0 | Screw To 31-august-2017 |
| 6 | 2135180 | Screw |
| 7 | 2135120 | Screw |
| 8 | 118804378/0 | Cover Muffler To 31-august-2017 |
| 8 | 118804651/0 | Cover Muffler From 01-september-2017 |
| 9 | 118804377/0 | Spacer To 31-august-2017 |
| 9 | 118804904/0 | Spacer From 01-september-2017 |
| 10 | 2132550 | Screw |
| 11 | 3210024 | Spark Plug |
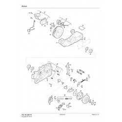
| 12 | 118804338/0 | Piston Ring |
| 14 | 118804375/0 | Bearing Seal |
| 15 | 118804374/0 | Needle Bearing |
| 16 | 118804373/0 | Piston pin |
| 17 | 118804372/0 | Circlip |
| 18 | 118804616/0 | Cylinder gasket |
| 19 | 118804371/0 | Crankshaft To 31-august-2017 |
| 19 | 118804371/1 | Crankshaft From 01-september-2017 |
| 25 | 118800959/0 | Key |
| 33 | 118804617/0 | Cranckcase gasket |
| 90 | 118804337/0 | Cylinder - Piston assembly |
| 91 | 118804336/0 | Piston assembly |
| 94 | 118804340/0 | Gasket kit |
| 95 | 112581500/0 | Grower From 01-september-2017 |
| 96 | 112521320/0 | Washer From 01-september-2017 |
| ALPINA AC 42 (2017) 240421600/A17- Pag.2 | ||
| 6 | 2135180 | Screw |
| 10 | 2132550 | Screw |
| 20 | 2135040 | Screw |
| 21 | 118804370/0 | Electronic coil assembly |
| 22 | 118804369/0 | Washer |
| 23 | 118804367/0 | Switch |
| 24 | 123120004/0 | Nut |
| 26 | 118804356/0 | Flywheel |
| 30 | 118804366/0 | Heat Insulator |
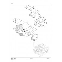
| 31 | 118804365/0 | Left Carter |
| 32 | 123753000/0 | Needle |
| 34 | 118804364/0 | Retainer ring |
| 35 | 118804363/0 | Ball bearing |
| 37 | 118804587/0 | Oil delivery nozzle |
| 41 | 118801158/0 | Plug |
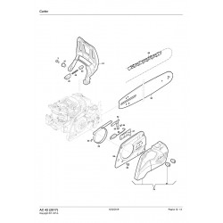
| 42 | 118804362/0 | Spiked Bumper |
| 43 | 323059044/0 | catcher |
| 44 | 118804410/0 | O-Ring |
| 45 | 118804288/0 | Chain Tightener |
| 46 | 118804361/0 | Gear Cover |
| 47 | 112726389/0 | Screw |
| 48 | 118804289/0 | Screw chain Tightener |
| 49 | 118804359/0 | Tightener block |
| 50 | 118804285/0 | plate |
| 118804907/0 | Chain Tensioner Ass'y | |
| 51 | 118804358/0 | Bolt |
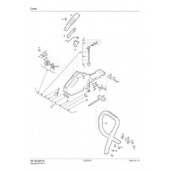
| 52 | 118804301/0 | Oil Pump Cover |
| 53 | 2135020 | Screw |
| 54 | 118804300/0 | Oil pump |
| 55 | 118804299/0 | Oil Spray Nozzle |
| 59 | 118804357/0 | Bushing |
| 60 | 118804297/0 | Worm Screw |
| 61 | 118804296/0 | Washer |
| 62 | 118804295/0 | Clutch Assy |
| 63 | 118804265/0 | Clutch Drum |
| 64 | 118804511/0 | Needle Bearing |
| 65 | 118804290/0 | Anti-Friction Washer |
| 66 | 112000955/0 | Benzing ring |
| 85 | 118804522/0 | Spark Plug Cap Assembly |
| 86 | 118804523/0 | Flywheel Hooks assembly new code 118804356/0 |
| 92 | 118804307/0 | Tank Cap Assembly |
| 93 | 118804250/0 | Oil Intake Hose |
| 95 | 118804339/0 | Carter Right Assembly |
| ALPINA AC 42 (2017) 240421600/A17- Pag.3 | ||
| 20 | 2135040 | Screw |
| 67 | 118804346/0 | Intake Manifold |
| 68 | 323784016/0 | Carburetor Support |
| 69 | 118804273/0 | Gasket |
| 70 | 118804354/0 | Hose clamp |
| 71 | 118804353/0 | Fuel Hose To 31-august-2017 |
| 71 | 118804353/1 | Fuel Hose From 01-september-2017 |
| 72 | 118804352/0 | Tube |
| 73 | 118804351/0 | Carburetor To 31-august-2017 |
| 73 | 118804351/1 | Carburetor From 01-september-2017 |
| 74 | 118804278/0 | Choke bushing |
| 75 | 323315115/0 | Choke knob |
| 76 | 118804349/0 | Guide |
| 77 | 118804348/0 | Throttle tie rod |
| 78 | 118804347/0 | knob |
| 79 | 118804409/0 | Base For Air Filter |
| 80 | 112760471/0 | Screw |
| 81 | 118804345/0 | Air filter |
| 82 | 118804282/0 | knob |
| 83 | 118804344/0 | Air Filter Block |
| 84 | 112728519/0 | Screw To 31-august-2017 |
| 84 | 112731601/0 | Screw From 01-september-2017 |
| 87 | 118804524/0 | Carburetor Repair Kit |
| 88 | 118804525/0 | Carburetor Gasket Kit |
| 89 | 118804908/0 | Air Filter Assembly |
| ALPINA AC 42 (2017) 240421600/A17- Pag.4 | ||
| 1 | 118804558/0 | Starter assembly To S / N 610CA102004 |
| 1 | 118804558/1 | Starter Assembly From S / N 707CA106913 |
| 2 | 118804559/0 | Starter handle |
| 3 | 2135040 | Screw |
| 8 | 118804243/0 | Starter Pulley |
| 9 | 112521330/0 | Washer |
| 10 | 112728519/0 | Screw To 31-august-2017 |
| 10 | 112731601/0 | Screw From 01-september-2017 |
| 11 | 118804333/0 | Air Conveyor |
| 36 | 118804406/0 | Plug |
| 40 | 118804214/0 | Flange |
| 41 | 118804216/0 | Hook |
| 42 | 118804215/0 | Lever |
| 44 | 323059042/0 | cylinder cover |
| 45 | 118804321/0 | Flange |
| 46 | 118804304/0 | Heat shield |
| 65 | 118804308/0 | Starter Spring Assembly |
| 69 | 118804561/0 | Air filter cover assembly |
| ALPINA AC 42 (2017) 240421600/A17- Pag.5 | ||
| 3 | 2135040 | Screw |
| 10 | 112728519/0 | Screw To 31-august-2017 |
| 10 | 112731601/0 | Screw From 01-september-2017 |
| 12 | 118804560/0 | Handle Cover |
| 13 | 118804331/0 | Safety Lever |
| 14 | 118804330/0 | Spring |
| 15 | 118804329/0 | Throttle lever |
| 16 | 118804328/0 | Spring |
| 17 | 118804327/0 | Valve Cap |
| 18 | 118804227/0 | Vent Valve |
| 22 | 118804326/0 | Fuel Return Tube |
| 24 | 118804325/0 | Fuel pipe |
| 28 | 118804233/0 | Fuel Filter To 31-august-2017 |
| 28 | 118804885/0 | Fuel Filter From 01-september-2017 |
| 29 | 118804231/0 | Primer |
| 30 | 118804323/0 | Intake pipe |
| 32 | 323059046/0 | plate |
| 33 | 112728523/0 | Screw |
| 36 | 118804406/0 | Plug |
| 37 | 118804221/0 | Spark Plug Key |
| 38 | 323300022/0 | Front Handle |
| 39 | 118804322/0 | Bushing |
| 66 | 118804307/0 | Tank Cap Assembly |
| 67 | 118804306/0 | Rear Handle Assembly |
| 68 | 118804305/0 | Fuel Line Assembly |
| 71 | 118804881/0 | Spring |
| ALPINA AC 42 (2017) 240421600/A17- Pag.6 | ||
| 3 | 2135040 | Screw |
| 47 | 118804318/0 | Bushing |
| 48 | 118804317/0 | Spring Housing |
| 49 | 118804316/0 | Spring |
| 50 | 118804315/0 | Spring Fixing Seat |
| 51 | 323455013/0 | Handle Guard |
| 52 | 123753000/0 | roll |
| 53 | 118804314/0 | Brake band |
| 54 | 118804313/0 | Brake Release Lever |
| 55 | 118804407/0 | Elastic ring |
| 56 | 118804312/0 | Spring |
| 57 | 118804311/0 | seal |
| 58 | 118804310/0 | Brake Spring Cover |
| 59 | 9860-0520-16 | Screw |
| 61 | 118804303/0 | Screw |
| 62 | 123900113/0 | Guide bar 16 "-. 325" -0.050" |
| 63 | 1519-9124-01 | Chain 16 "-. 325" -0.050 "-66E |
| 70 | 118804562/0 | Clutch cover |