

Informazioni sulle spedizioni e consegne saranno disponibili a breve.
, prezzi bassi e un servizio di Assistenza Tecnica con riparazione professionale in grado di consigliarti l'acquisto di pezzi di ricambio più adatti a risolvere rapidamente ogni problema di manutenzione del Biotrituratore Eelettrico BIO SILENT 2500 - 290001252-14-2018.
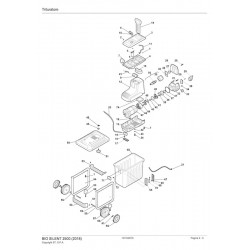
Nella tabella seguente, cercate il modello del Biotrituratore ed il rispettivo codice del ricambio.![]()
| Biotrituratore BIO SILENT 2500/290001252-14-2018 | ||
| Pos. | Codice | Descrizione |
| 1 | 112728099/1 | Vite |
| 2 | 112728099/1 | Vite |
| 3 | 118804623/0 | Coperchio Superiore Giallo |
| 4 | 118804624/0 | Coperchio Inferiore Giallo |
| 6 | 118802170/0 | Condensatore |
| 7 | 118802171/1 | Presa di corrente |
| 8 | 118802172/0 | Scheda Elettronica |
| 9 | 118802173/0 | Interruttore Principale |
| 10 | 118802174/0 | Interruttore Reverse |
| 11 | 118802175/0 | Cavo |
| 12 | 118804625/0 | Carter Superiore Grigio |
| 13 | 118804627/0 | Carter Inferiore Giallo |
| 14 | 118802179/0 | Utensile |
| 15 | 118802180/0 | Collettore Aspirazione |
| 16 | 112728526/0 | Vite |
| 17 | 118802181/0 | Coperchio Interuttore |
| 18 | 118802182/0 | Guarnizione Motore |
| 19 | 118802183/0 | Micro Sicurezza |
| 20 | 118802184/0 | Cavo |
| 21 | 118802185/0 | Cavo |
| 22 | 2312010 | Rondella |
| 23 | 112582100/0 | Grower |
| 24 | 112727791/0 | Vite |
| 25 | 2132180 | Vite |
| 26 | 118802186/0 | Piastra Fulcro |
| 27 | 118802187/0 | Cuscinetto |
| 28 | 118802188/0 | Guarnizione |
| 29 | 118802189/0 | Piastrina |
| 30 | 2125010 | Vite |
| 31 | 2132230 | Vite |
| 32 | 118802190/0 | Carter |
| 33 | 118804628/0 | Manopola Gialla |
| 34 | 112156602/0 | Dado |
| 35 | 118802192/0 | Coltello e Rullo |
| 37 | 118802194/0 | Guarnizione |
| 38 | 118802195/0 | Supporto |
| 39 | 118802196/0 | Perno |
| 40 | 118802197/0 | Ingranaggio |
| 41 | 118802198/0 | Rondella |
| 42 | 118802199/0 | Corona Ingranaggio |
| 43 | 118802200/0 | Supporto |
| 44 | 118802201/0 | Perno |
| 45 | 118802202/0 | Ingranaggio |
| 46 | 118802203/0 | Corona Ingranaggio |
| 47 | 118802204/0 | Motore Elettrico |
| 48 | 112000930/0 | Anello Benzing |
| 49 | 112292100/0 | Dado |
| 50 | 118804630/0 | Coperchio Giallo |
| 51 | 118802207/0 | Manopola |
| 52 | 118804631/0 | Rinforzo Piastra Posteriore, Grigio |
| 53 | 118802209/0 | Piastra Rinforzo |
| 55 | 118804632/0 | Telaio Sinistro Grigio |
| 56 | 118804633/0 | Telaio Destro Grigio |
| 57 | 118802212/0 | Ruota |
| 58 | 118804634/0 | Coprimozzo Grigio |
| 59 | 118802215/0 | Asse Ruote |
| 60 | 118802216/0 | Rondella |
| 61 | 118802217/0 | Coppiglia |
| 62 | 112792425/0 | Vite |
| 63 | 118802218/0 | Gommino |
| 64 | 112292100/0 | Dado |
| 65 | 118804636/0 | Cesto Raccolta Grigio |
| 66 | 118802220/0 | Aggancio Cesto |
| 67 | 123878023/0 | Vite |
| 68 | 112728525/0 | Vite |
| 69 | 118802221/0 | Copertura Aggancio Cesto |
| 70 | 118802222/0 | Fermo |
| 71 | 118804637/0 | Maniglia Gialla |
| 72 | 2125010 | Vite |
| 74 | 118802224/0 | Guaina Cavi |
| 75 | 118805061/0 | Kit coltello e trasmissione |