Informazioni sulle spedizioni e consegne saranno disponibili a breve.
. Garantiamo prezzi bassi e un servizio di Assistenza Tecnica con riparazione professionale in grado di consigliarti l'acquisto del ricambio più adatto a risolvere rapidamente ogni problema di manutenzione del Trapano Avvitatore a Batteria DHP480.
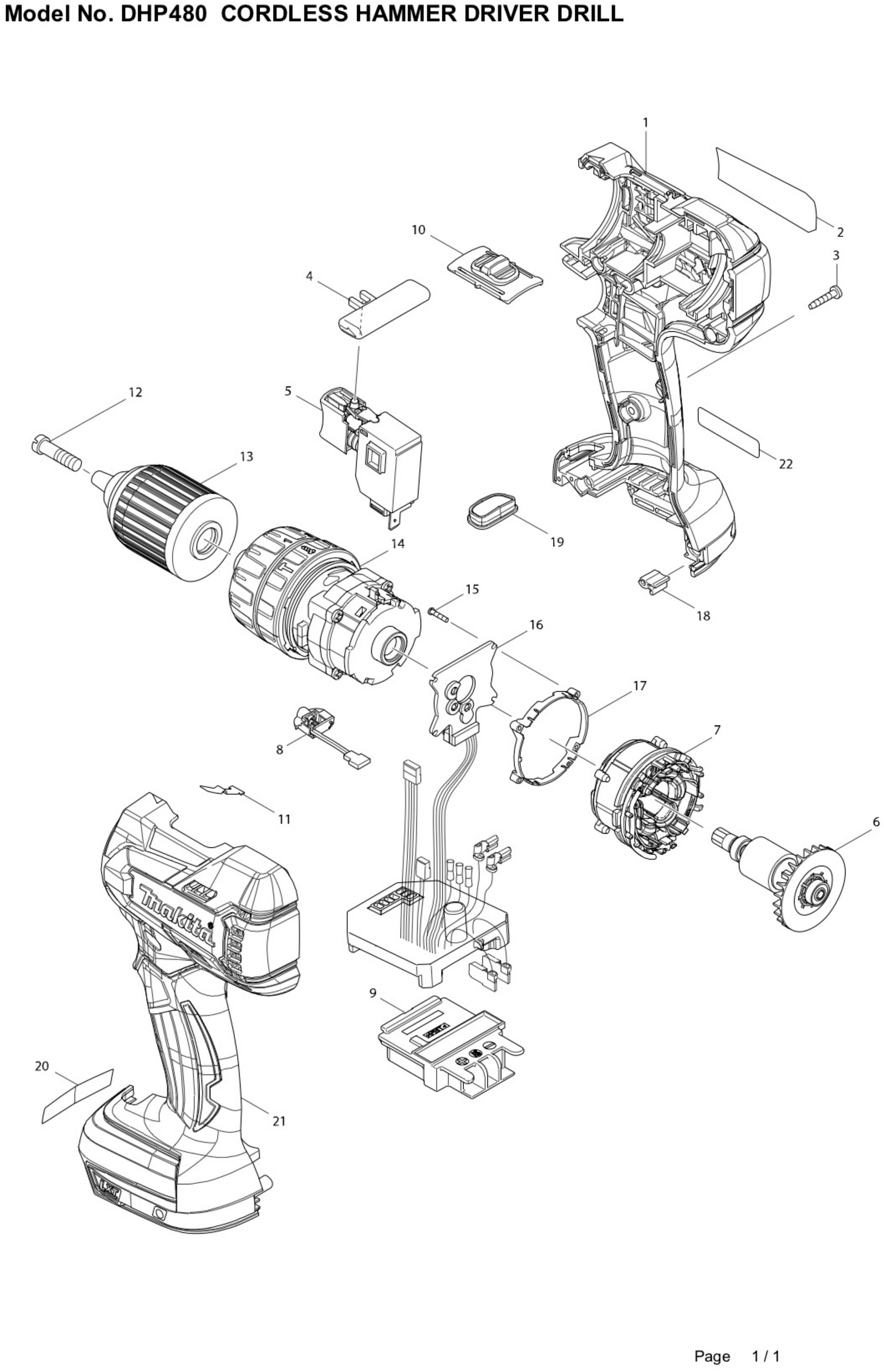
Nella tabella seguente, cercate il modello del Trapano Avvitatore ed il rispettivo codice del ricambio.![]()
| Trapano Avvitatore a Batteria Makita DHP480 |
||
| Pos. | Codice | Descrizione |
| 1 | 187714-9 | CARCASSA DX |
| C10 | 263005-3 | PIN DI GOMMA 6 |
| D10 | INC. 21 | |
| 2 | 814X16-1 | TARGHETTA NOME DHP480 |
| 3 | 266429-2 | VITE 3X16 |
| 4 | 419250-0 | LEVA DI CAMBIO D/ S |
| 5 | 650710-5 | INTERRUTTORE C3JW-4B |
| 6 | 619331-2 | INDOTTO - ROTORE |
| 7 | 629999-6 | STATORE |
| 8 | 620244-2 | CIRCUITO LED |
| 9 | 643860-3 | TERMINALE |
| 10 | 126180-5 | GRUPPO LEVA CAMBIA VELOCITÀ |
| C10 | 233438-6 | MOLLA DI COMPRESSIONE 4 |
| 11 | 232182-2 | MOLLA TASTO VELOCITA' |
| 12 | 251468-5 | VITE A TESTA PIATTA M6X22 |
| 13 | 766008-1 | MANDRINO AUTOSERRANTE 13 |
| 14 | 126353-0 | ASSIEME INGRANAGGI |
| 15 | 266786-8 | VITE 2X10 |
| 16 | 620245-0 | SCHEDA ELETTRONICA CONTROLLER |
| 17 | 687464-1 | SUPPORTO |
| 18 | 424517-3 | GOMMINO AMMORTIZZATORE |
| 19 | 142263-3 | PANNELLO INDICATORE COMPLETO |
| 21 | 187714-9 | CARCASSA SX |
| C10 | 263005-3 | PIN DI GOMMA 6 |
| D10 | 251314-2 | INC. 1 |
| A01 | 346317-0 | VITE M4X12 |
| A02 | 784637-8 | GANCIO |
| A03 | ***DC18RC | + - BIT 2-45 |
| A04A | ***DC18RC | CARICABATTERIA VELOCE DC18RC |
| A04C | ***DC18RC | CARICABATTERIA VELOCE DC18RC |
| A04D | 197599-5 | CARICABATTERIA VELOCE DC18RC |
| A05A | 196399-0 | BATTERIA BL1830 SET |
| A05C | 197599-5 | BATTERIA BL1840 SET |
| A05-1A | 196399-0 | BATTERIA BL1830 SET |
| A05-1C | 197600-6 | BATTERIA BL1840 SET |
| A05-2A | 197265-4 | BATTERIA BL1830B SET |
| A05-2C | 197280-8 | BATTERIA BL1840B SET |
| A05-2D | 450128-8 | BATTERIA BL1850B SET |
| A06A | 450128-8 | COPERCHIO BATTERIA |
| A06C | 450128-8 | COPERCHIO BATTERIA |
| A06D | 158597-4 | COPERCHIO BATTERIA |
| A07A | 324679-6 | CUSTODIA IN PLASTICA COMPLETA |
| C10 | 417724-5 | ALBERO |
| C20 | 419216-0 | CINGHIETTA |
| C30 | 158597-4 | MANIGLIA |
| A07C | 324679-6 | CUSTODIA IN PLASTICA COMPLETA |
| C10 | 417724-5 | ALBERO |
| C20 | 419216-0 | CINGHIETTA |
| C30 | 158597-4 | MANIGLIA |
| A07D | 324679-6 | CUSTODIA IN PLASTICA COMPLETA |
| C10 | 417724-5 | ALBERO |
| C20 | 419216-0 | CINGHIETTA |
| C30 | 419216-0 | MANIGLIA |