

Informazioni sulle spedizioni e consegne saranno disponibili a breve.
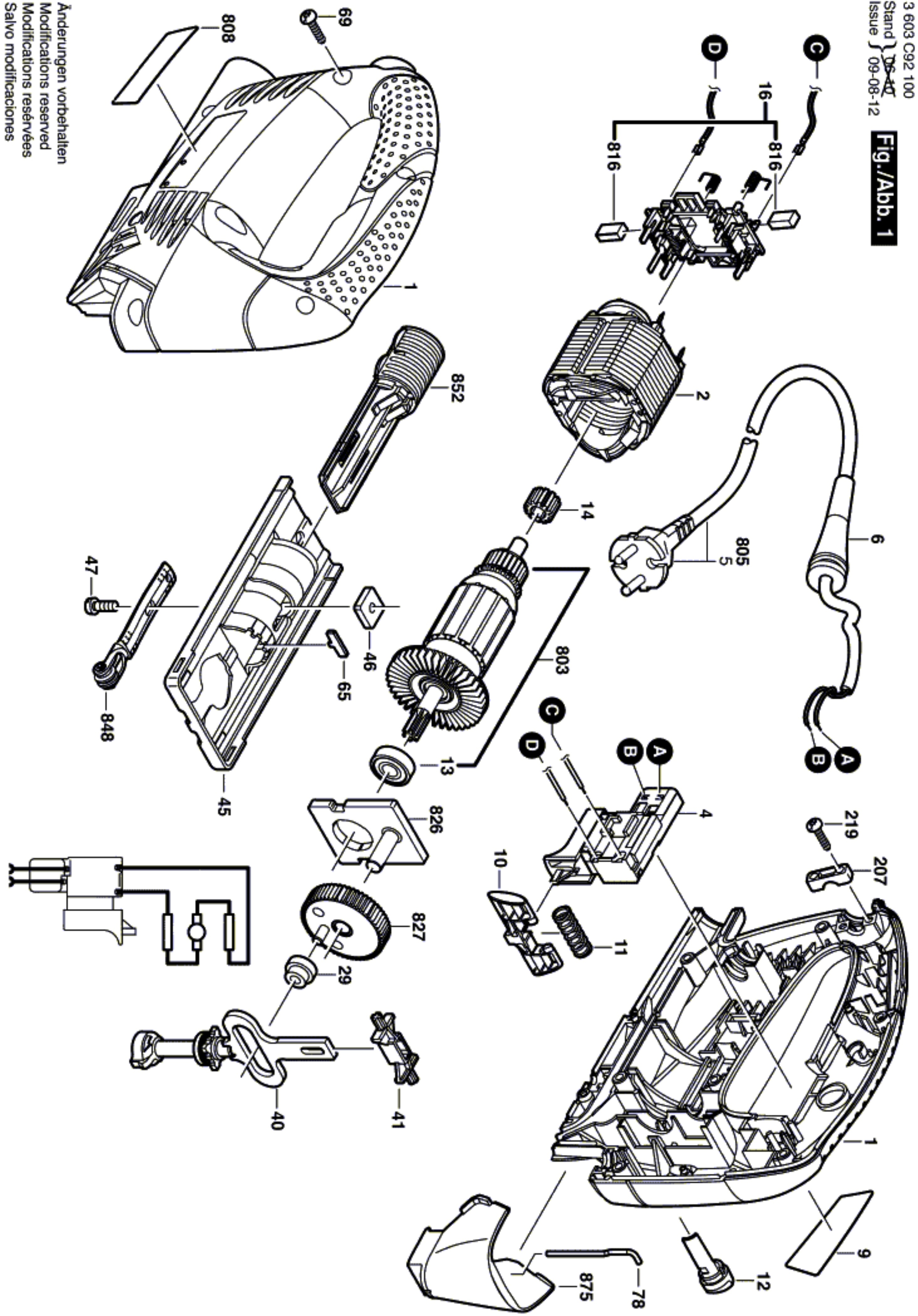
Ricambi originali Bosch e parti di ricambio per la sostituzione o la riparazione di parti danneggiate del Seghetto Alternativo PST 680 E - 3603C92100.
Nella tabella seguente, cercate il modello del Seghetto ed il rispettivo codice del ricambio.![]()
| Seghetto Alternativo PST 680 E/3 603 C92 100 | ||
| Pos. | Codice | Descrizione |
| 1 | 2605105055 | Guscio Carcassa VERDE |
| 2 | 2604220601 | Espansione Polare 220-240V |
| 4 | 2607200609 | Interruttore |
| 6 | 2609002019 | Beccuccio |
| 9 | 2601116680 | Targa di fabbricazione PST 680E |
| 10 | 2609000290 | Leva Di Bloccaggio |
| 11 | 2609000421 | Molla Di Compressione |
| 12 | 2602026132 | Valvola A Manopola ROSSO |
| 13 | 3130900020 | Cuscinetto Rigido A Sfere 8x22x7 608-2Z/C3 |
| 14 | 2600301068 | Boccola Sinerizzata |
| 16 | 2604337102 | Sopporto Di Portaspazzola |
| 29 | 2605801044 | Cuscinetto Radente |
| 40 | 2600780148 | Asta Di Alzata |
| 41 | 2605801053 | CUSCINETTO DI GUIDA |
| 46 | 2600040003 | Piastra Di Fissaggio |
| 47 | 2603413034 | Vite a Testa Cilindrica |
| 65 | 2601030166 | Elemento Scorrevole |
| 69 | 2603490022 | Vite Torx A Testa Di Sego 4x16 |
| 78 | 2603105088 | Perno Di Sicurezza |
| 207 | 2601035001 | Portacavo |
| 219 | 2603490022 | Vite Torx A Testa Di Sego 4x16 |
| 803 | 2609000359 | Indotto 220-240V |
| 805 | 1607000386 | Linea Di Collegamento EU 230V m 2 x 1,0mm |
| 808 | 2609000455 | Targhetta |
| 816 | 2610391290 | Serie Spazzole |
| 826 | 2609000346 | Trave Portante |
| 827 | 2609002094 | Ingranaggio D'eccentrico |
| 848 | 2601321072 | Molletta Di Fissaggio |
| 852 | 2608040231 | Deposito Lame |
| 875 | 2605510219 | Cofano |