

Informazioni sulle spedizioni e consegne saranno disponibili a breve.
Ricambi originali Bosch e parti di ricambio per la sostituzione o la riparazione di parti danneggiate della Scanalatrice GNF 20 CA - 0601612503.
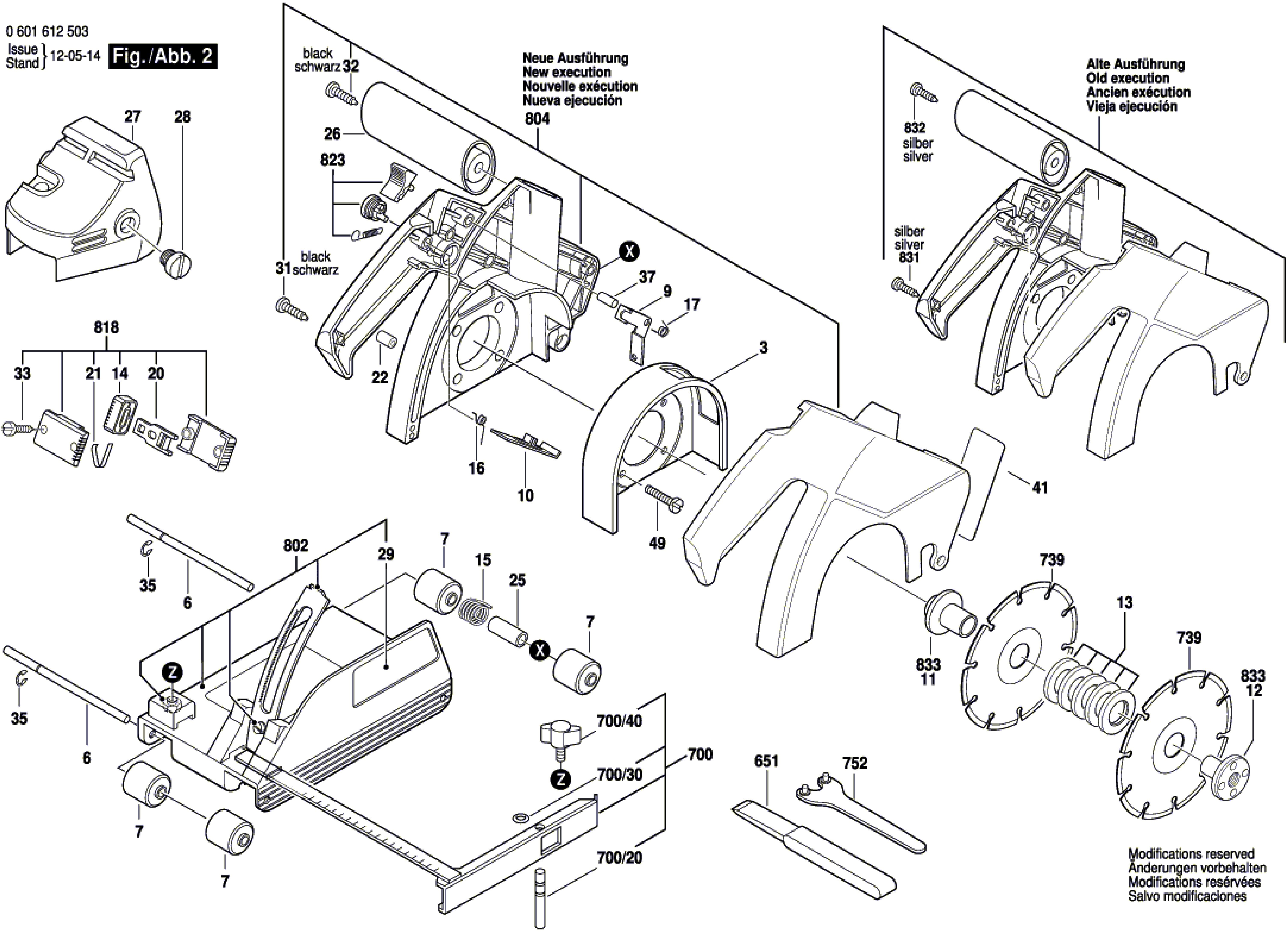
Nella tabella seguente, cercate il modello della Scanalatrice ed il rispettivo codice del ricambio.![]()
| Scanalatrice GNF 20 CA/0 601 612 503 | ||
| Pos. | Codice | Descrizione |
| 3 | 3605500081 | Cuffia Di Protezione |
| 6 | 3603105005 | Asse Di Cuscinetto |
| 7 | 3600309003 | Rotella Portante |
| 9 | 3601902012 | Leva Di Bloccaggio |
| 10 | 3601923001 | Cursore Di Bloccaggio |
| 11 | 3600390023 | Flangia Montaggio |
| 12 | 3603345005 | Dado Cilindrico M14 |
| 13 | 3609202041 | Rondella piana Ø 42X22,2X4 MM |
| 14 | 3602305011 | Pulsante |
| 15 | 3604651004 | Molla Di Torsione |
| 16 | 3604651006 | Molla Di Richiamo |
| 17 | 3604651005 | Molla Di Richiamo |
| 20 | 3601023003 | Nottolino Di Arresto |
| 21 | 3604680002 | Molla Sagomata |
| 22 | 3600300029 | Manicotto Di Distanza |
| 25 | 3600300028 | Distanziale |
| 26 | 3601990002 | Maniglia |
| 27 | 3605500078 | Cappuccio Di Protezione |
| 28 | 3603490015 | Vite A Testa Piana M 10x12 MM |
| 29 | 3601119425 | Targa di fabbricazione |
| 31 | 2603490023 | Vite Torx A Testa Di Sego 4x20 |
| 32 | 2603490027 | Vite Torx A Testa Di Sego 4x40 |
| 33 | 2603490017 | Vite Torx A Testa Di Sego 3x10 |
| 35 | 2916089079 | Rosetta Di Sicurezza |
| 37 | 2917511104 | Spina Cilindrica DIN 7-4MM6x28-C35K-RIKO |
| 41 | 3601119076 | Targhetta Indicatrice |
| 49 | 1613490017 | Vite Con Filetto Scan. M4x30 DIN7500-1 T-20 |
| 201 | 1605108151 | Carcassa Del Motore BLU |
| 202 | 1604220220 | Espansione Polare 220-230V |
| 204 | 1607200086 | Interruttore |
| 204/10 | 2910110048 | Vite A Testa Piana DIN 85-AM3x6-CUZN |
| 206 | 2600703013 | Beccuccio Ø7,6-Ø8,2x95 MM |
| 207 | 1601302017 | Fascietta Di Fissagio |
| 209 | 1601110665 | Targa di fabbricazione |
| 212 | 1607328029 | Filtro Di Soppressione |
| 213 | 2600905032 | Cuscinetto Rigido A Sfere 7x19x6 |
| 214 | 1600905011 | Cuscinetto Rigido A Sfere 8x22x7 |
| 215 | 1606610121 | Ventilatore |
| 216 | 1600A003G4 | Portaspazola |
| 217 | 3601110396 | Targhetta Indicatrice |
| 218 | 1604611026 | Molla Di Compressione |
| 222 | 1602319002 | Cursore Di Regolazione |
| 223 | 1602026057 | Manico D`Interruttore NERO |
| 225 | 1600508010 | Coperchio Carcassa BLU |
| 226 | 1600502020 | Bussola Di Gomma |
| 227 | 1600206025 | Anello Di Gomma |
| 229 | 1601328005 | De Flettore Arua |
| 231 | 2916660013 | Anello Di ritenuta DIN 472-32x1,2 MM |
| 233 | 3600210124 | O-ring 46,0x1,1 MM ROSSO |
| 235 | 1600136012 | Rondella Di Compensazione 0,1 MM SPESSORE |
| 235a | 1600136010 | Rondella Di Compensazione 0,2 MM SPESSORE |
| 235b | 1600136011 | Rondella Di Compensazione 0,3 MM SPESSORE |
| 236 | 1600150011 | Rosetta Elastica |
| 237 | 1600290016 | Guarnizione Tenuta Radiale |
| 238 | 1606333235 | Ruota Comando Differenz Z=35 |
| 239 | 1604652013 | Molla A Spirale |
| 240 | 2916660009 | Anello Di ritenuta DIN 472-25x1,2MM |
| 241 | 1600910018 | Cuscinetto a rullini Ø8xØ12x8 MM |
| 242 | 1600905006 | Cuscinetto Rigido A Sfere 12x32x10 |
| 243 | 1606333234 | Ruota Conica Z=9 |
| 245 | 1603300016 | Dado Esagonale M7, SW10 |
| 247 | 2910211018 | Vite Autofilettante DIN 7971-ST3,9x13-F |
| 248 | 1613435034 | Viti A Testa Bombata 3x10 ST |
| 249 | 1603435026 | Vite Con Filetto Scan. |
| 250 | 2914201508 | Vite Torx A Testa Di Sego |
| 251 | 1607233008 | Regolatore velocità 220-230V |
| 253 | 1604448005 | Cavo Di Collegamento L=95 MM BIANCO |
| 254 | 1604448006 | Cavo Di Collegamento L=40 MM BIANCO |
| 255 | 2914201508 | Vite Torx A Testa Di Sego |
| 304 | 1601008003 | Piastra Isolante |
| 651 | 3607959005 | Utensile Da Spaccatura |
| 700 | 3607000060 | Battuta Parallela |
| 700/20 | 3603101002 | Spina Di Arresto |
| 700/30 | 3600210024 | O-ring 5,94x3,53 MM |
| 700/40 | 2603480003 | Vite Ad Alette M 6x16 MM |
| 739 | 3608640001 | Fresa Per Scanalature Ø 115x22,2x2,2 MM |
| 752 | 1607950043 | Giradadi A Due Fori |
| 802 | 3607031206 | Serie Parti |
| 804 | 3607031656 | Serie Parti |
| 810 | 1607014116 | Serie Spazzole |
| 813 | 1607000253 | Pulsante NERO |
| 818 | 3607031207 | Serie Parti |
| 821 | 1605806480 | Carcassa Cambio |
| 823 | 3607031547 | Pulsante |
| 828 | 1607000936 | Coperchio-Supporto |
| 830 | 1604010248 | Indotto Con Ventilatore 220-230V |
| 831 | 2914201508 | Vite Torx A Testa Di Sego |
| 832 | 2910211093 | Vite Autofilettante DIN 7971-BZ3,9x38 |
| 833 | 3607031208 | Serie Parti |
| 835 | 1607000386 | Linea Di Collegamento EU 230V 4,15m 2 x 1,0mm H05 RN-F |
| 888 | 1601106032 | Targhetta 26x52 MM |