

Informazioni sulle spedizioni e consegne saranno disponibili a breve.
Distribuzione e Vendita di Ricambi Originali BOSCH. Garantiamo prezzi bassi e un servizio di Assistenza Tecnica con riparazione professionale in grado di consigliarti l'acquisto del ricambio più adatto a risolvere rapidamente ogni problema di manutenzione della Levigatrice Orbitale PSS300AE - 3603C40300.
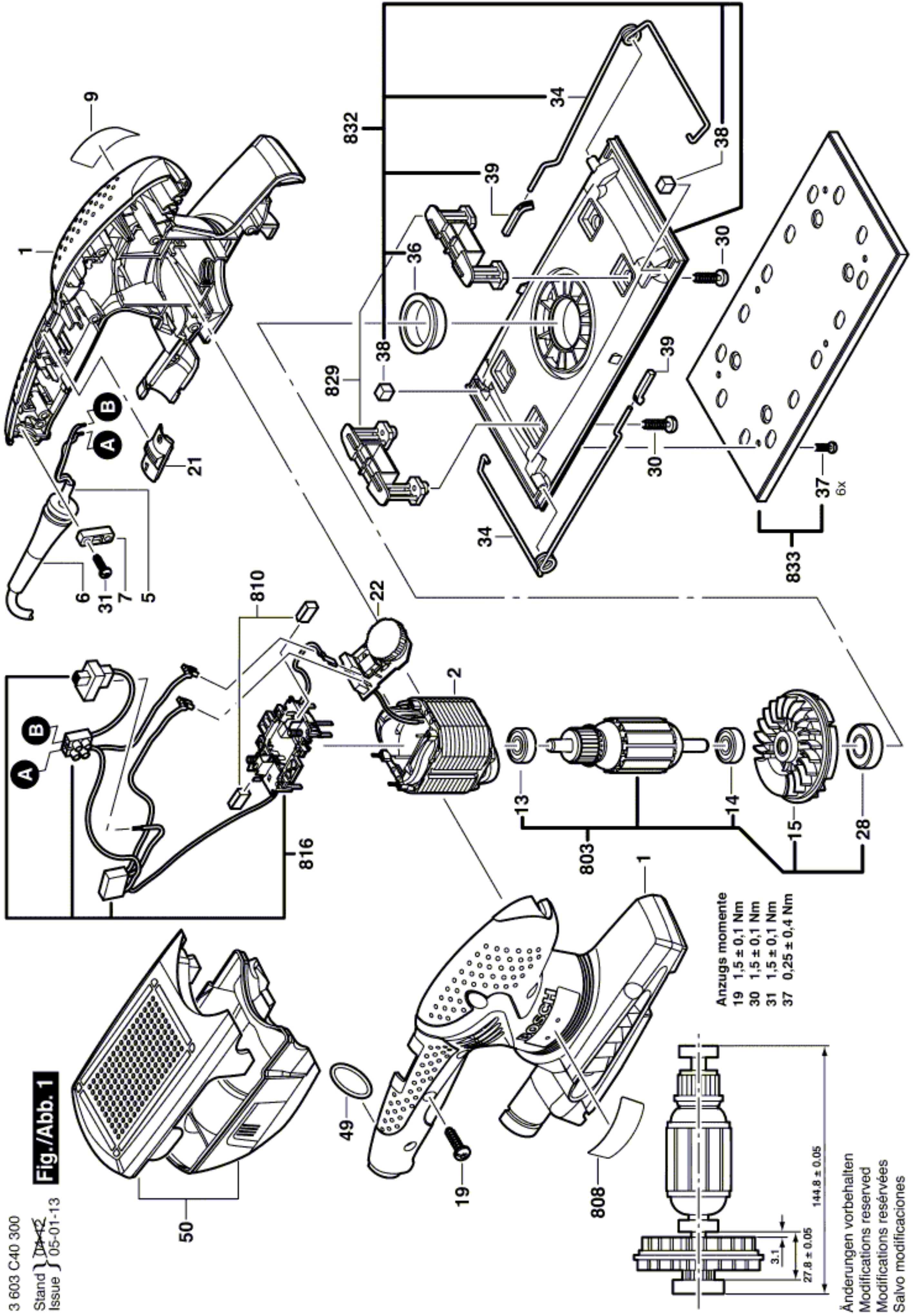
Nella tabella seguente, cercate il modello della Levigatrice ed il rispettivo codice del ricambio.![]()
| Levigatrice PSS 300 AE/3 603 C40 300 | ||
| Pos. | Codice | Descrizione |
| 1 | 2609000354 | Guscio Carcassa VERDE |
| 2 | 2609000623 | Espansione Polare 230V |
| 5 | 2604460260 | Linea Di Collegamento EU 2,7m 2 x 0,75mm |
| 6 | 2609002019 | Beccuccio |
| 7 | 2601035004 | Portacavo |
| 9 | 2609000523 | Targa di fabbricazione PSS 300 AE |
| 2609001860 | Targa di fabbricazione PSS 300 AE | |
| 13 | 2600905078 | Cuscinetto Rigido A Sfere |
| 14 | 2600905052 | Cuscinetto Rigido A Sfere 2rs608/8x22x7 |
| 15 | 2609000361 | Ventilatore |
| 19 | 2603490022 | Vite Torx A Testa Di Sego 4x16 |
| 21 | 2609000362 | Cursore Di Collegamento |
| 22 | 1607233192 | Servoregolatore Num. Giri |
| 28 | 2600905045 | Cuscinetto Rigido A Sfere 12x28x8 |
| 30 | 2603490021 | Vite Torx A Testa Di Sego 4x12 |
| 31 | 2603490022 | Vite Torx A Testa Di Sego 4x16 |
| 34 | 2609000370 | Molletta Di Fermo |
| 35 | 2609003061 | Anello Di Feltro |
| 36 | 2609001588 | Coperchio Isolato |
| 37 | 2603413035 | Vite A Testa Svasata M4x8 |
| 38 | 2609000696 | Inserto In Plastica |
| 39 | 2609000702 | Coperchio |
| 49 | 2609001762 | O-ring |
| 50 | 2609000356 | CONTENITORE POLVERE |
| 803 | 2609000869 | Indotto 230V |
| 808 | 2609000538 | Targhetta |
| 810 | 2610391290 | Serie Spazzole |
| 816 | 2609000873 | Portaspazola |
| 829 | 2609000874 | Gamba Oscillante |
| 832 | 2609000878 | Piastra abrasiva |
| 833 | 2609000942 | Pannello Di Gommapiuma |