

Informazioni sulle spedizioni e consegne saranno disponibili a breve.
Ricambi originali Bosch per la sostituzione o riparazione di Trapano a Percussione GBM 13 - 0601119103.
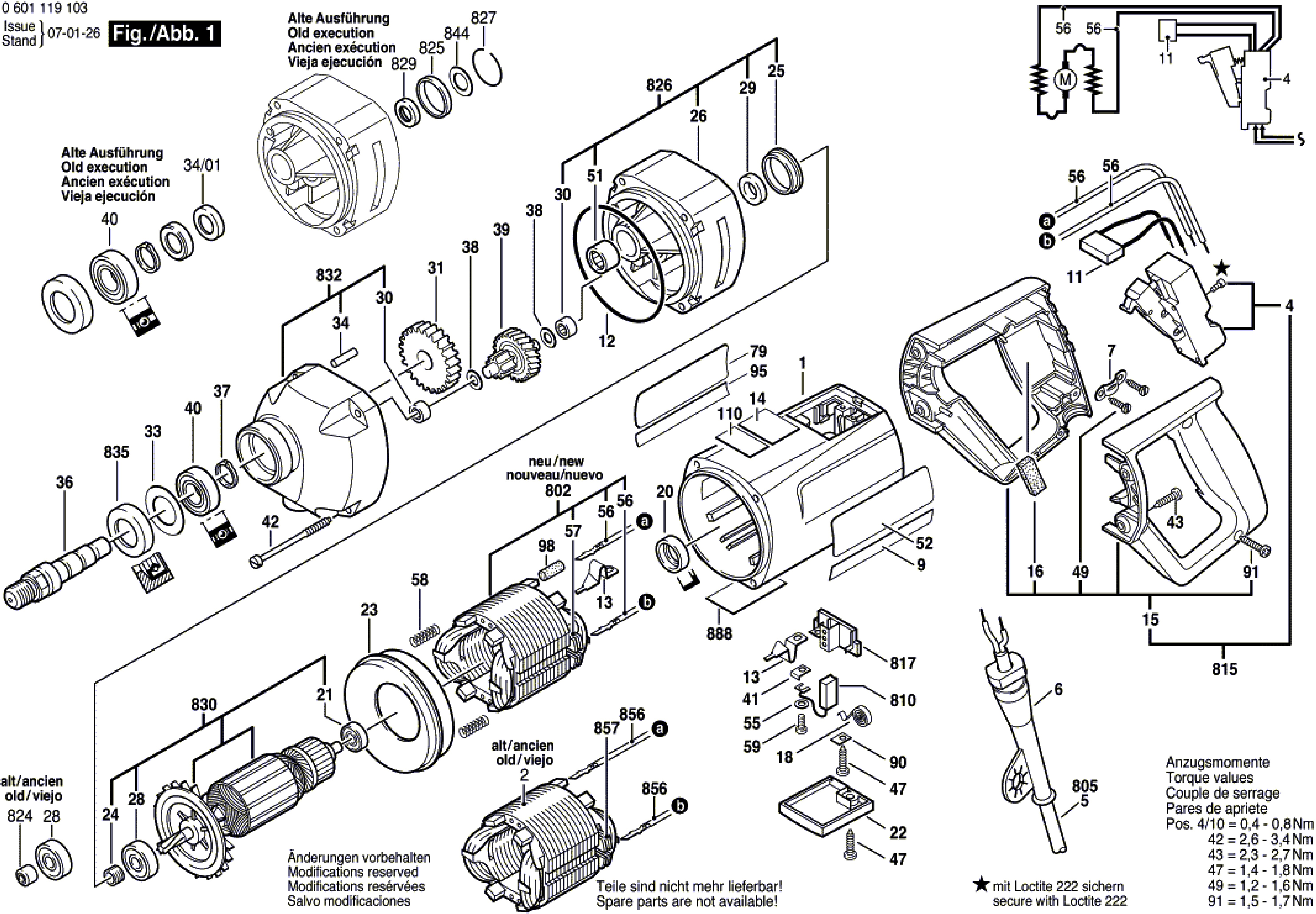
Nella tabella seguente, cercate il modello del Trapano ed il rispettivo codice del ricambio.![]()
| Trapano a Percussione GBM 13/0 601 119 103 | ||
| # | Part Num. | Description |
| 1 | 3605108145 | Carcassa Del Motore BLU |
| 4 | 1607200078 | Interruttore |
| 1607200037 | Interruttore | |
| 6 | 1600703022 | Beccuccio Ø7,9-Ø12,0x120 MM |
| 7 | 1601302014 | Fascietta Di Fissagio |
| 11 | 1607328028 | Filtro Di Soppressione |
| 12 | 1600210005 | O-ring 66,0x3,0 MM |
| 13 | 1604477001 | Spina Piatta |
| 15 | 3605133012 | Maniglia BLU SCURO |
| 16 | 1602381006 | Piastra Isolante 20x20x50 MM |
| 18 | 1604652006 | Molla A Spirale |
| 20 | 1600502011 | Spessore |
| 21 | 2600905032 | Cuscinetto Rigido A Sfere 7x19x6 607 2Z |
| 22 | 3605500063 | Coperchio BLU |
| 23 | 1600502019 | De Flettore Arua |
| 24 | 1600300090 | Spessore |
| 25 | 1600221003 | Spessore |
| 26 | 3607031162 | Carcassa Intermedia |
| 28 | 3600905131 | Cuscinetto Rigido A Sfere 9x26x8 |
| 29 | 1600290016 | Guarnizione Tenuta Radiale |
| 30 | 1600910013 | Cuscinetto a rullini |
| 31 | 1606317078 | Ruota Dentata Frontale Z=50 |
| 33 | 1600102003 | Rondella Di Compensazione 0,5 MM SPESSORE |
| 34 | 2917500121 | Spina Cilindrica 5 H 8x18 DIN 7 |
| 36 | 3603523053 | Mandrino Portapunta |
| 37 | 2916650006 | Anello Di ritenuta DIN 471-15x1-FSt |
| 38 | 1600100631 | Rondella Di Compensazione 0,5 MM SPESSORE |
| 39 | 1606328103 | Albero Con Ruota Dentata Z=9/33 |
| 40 | 1900905162 | Cuscinetto Rigido A Sfere 15x32x9 |
| 42 | 1613435009 | Vite Autofilettante ST-4,8x57,5-TORX,T20 |
| 43 | 1603435010 | Vite Autofilettante B4,8x22 MM |
| 47 | 2910211019 | Vite Autofilettante DIN 7971-ST3,9x16-F |
| 49 | 2910211018 | Vite Autofilettante DIN 7971-ST3,9x13-F |
| 51 | 1600910013 | Cuscinetto a rullini |
| 52 | 3601110359 | Etichetta Autoadesiva |
| 56 | 3604460027 | Cavo Di Collegamento L=360 MM BIANCO |
| 57 | 3601025003 | Passe-Cable |
| 58 | 1604613006 | Molla Di Compressione |
| 59 | 2910021118 | Vite a Testa Cilindrica DIN 84-AM4x8-8.8 |
| 79 | 3601110359 | Etichetta Autoadesiva |
| 90 | 1601030022 | Rosetta Di Sicurezza |
| 91 | 2914201507 | Vite Torx A Testa Di Sego |
| 95 | 3601110072 | Etichetta Autoadesiva |
| 650 | 3602025021 | Appiglio Supplementare Ø43 MM |
| 650/1 | 1602025022 | Appiglio Supplementare M14 NERO |
| 1602025030 | Appiglio Supplementare M14, Ø37x115 MM NERO | |
| 650/2 | 1618040077 | Muffola Di Fissaggio |
| 650/3 | 1613521001 | Tirante Filettato M8 |
| 650/4 | 3601038048 | Nastro Di Fissaggio Ø43 MM |
| 650/5 | 1613100012 | Spina Cilindrica |
| 650/8 | 3602025022 | ASTA IMPUGNATURA |
| 651 | 1608571022 | Portapunta Corona Dentata Ø1,5-13 MM, 1/2" |
| 651/8 | 2607950007 | Chiave Pinza Portapunta SG2 |
| 652 | 1613001008 | Battuta Di Profondita SW 6x330 MM |
| 802 | 3604220109 | Espansione Polare 230-240V |
| 805 | 3607030489 | Linea Di Collegamento |
| 810 | 1607014126 | Serie Spazzole |
| 815 | 3605133025 | Maniglia BLU |
| 817 | 1604336017 | Portaspazola |
| 824 | 1600300089 | Spessore |
| 825 | 1600206026 | Spessore |
| 826 | 3607031162 | Carcassa Intermedia |
| 827 | 2916600016 | Anello a scatto elastico DIN 9045 - Ø 30MM |
| 829 | 1600290012 | Guarnizione Tenuta Radial |
| 830 | 1604010272 | Indotto 230V |
| 832 | 3605806146 | CARCASSA MANDRINO |
| 835 | 3607030355 | Anello di guardia |
| 844 | 1600102680 | Rosetta D'appoggio |
| 856 | 1604438012 | Cavo Di Collegamento L=330 MM BIANCO |
| 857 | 1601025001 | Passe-Cable |
| 888 | 1601106032 | Targhetta 26x52 MM |
Tutte le informazioni tecniche dei prodotti in questo catalogo si basano su informazioni tratte da fonti ufficiali, tra cui i siti web del produttore Bosch, che riteniamo affidabili. Purtroppo, anche i documenti ufficiali possono contenere errori o errori di stampa - non siamo in grado di confermare che tutti questi dati sono precisi e rappresentino realmente i fatti. La maggior parte dei produttori si riservano il diritto di modificare le caratteristiche dei prodotti o completare le descizioni senza preavviso. Si consiglia vivamente di utilizzare le informazioni pubblicate come informazioni di base soggette alla revisione del marchio Bosch. Si prega di chiarire i parametri importanti con un assistente alla vendita al momento dell'acquisto. Tutti i contenuti inclusi in questo catalogo sono di proprietà intellettuale di www.bricoutensili.com. E' vietata qualsiasi pubblicazione o riproduzione (totale o parziale) senza un riferimento alla pagina di origine.