- Solo online


Informazioni sulle spedizioni e consegne saranno disponibili a breve.
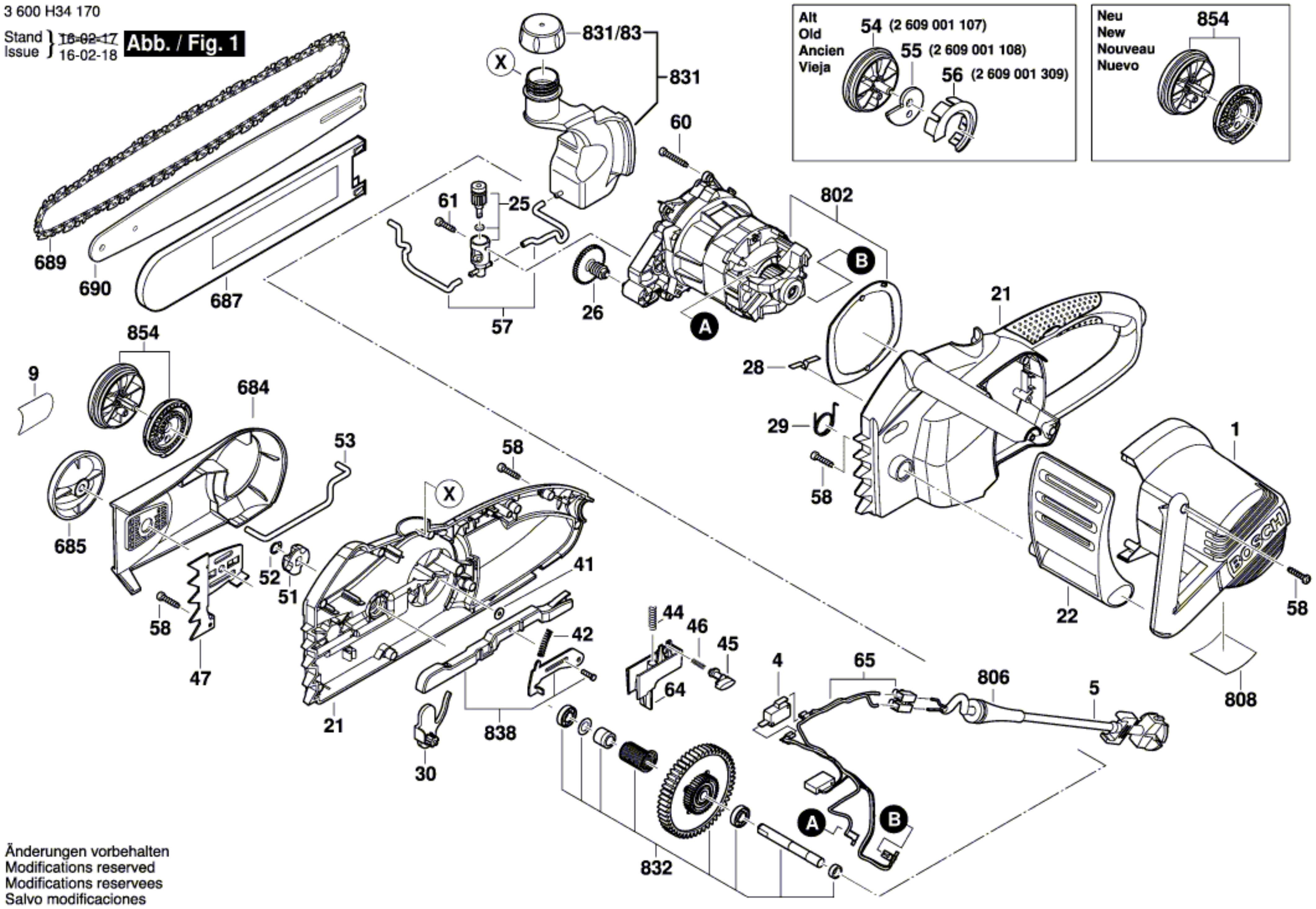
Ricambi originali Bosch e parti di ricambio per la sostituzione o la riparazione di parti danneggiate della Elettrosega AKE 35 S - 3600H34100.
Nella tabella seguente, cercate il modello della Elettrosega a Catena ed il rispettivo codice del ricambio.![]()
| Elettrosega AKE 35 S/3 600 H34 100 | ||
| Pos. | Codice | Descrizione |
| 1 | 2609001023 | Carcassa Del Motore VERDE |
| 4 | 2609001096 | Interruttore |
| 5 | 2604460183 | Linea Di Collegamento EU 0,4m 2 x 1,0mm H07 RN-F |
| 9 | 2609002293 | Targa di fabbricazione AKE 35 |
| 21 | 2609001110 | Carcassa |
| 22 | 2609001024 | Scudo |
| 25 | 1600A009Y6 | Pompa |
| 26 | 2609001043 | Variatore Anticipo Iniez |
| 28 | 2609001047 | Molla |
| 29 | 2609006397 | Molla Di Torsione |
| 30 | 2609001032 | Leva |
| 41 | 2916011892 | Rondella piana DIN 9021-B 4,3-ST |
| 42 | 2609001093 | Molla |
| 44 | 2609001048 | Molla Di Compressione |
| 45 | 2609001031 | Interruttore Di Sicurezza |
| 46 | 2609001090 | Molla Di Compressione |
| 47 | 2609007270 | Lamiera Di Montaggio |
| 51 | 2609001036 | Ruota Per Catene |
| 52 | 2916650001 | Anello Di ritenuta DIN 471-10x1MM-FSt |
| 53 | 2609001109 | Asta |
| 57 | 2609001086 | Tubo |
| 58 | 2603490023 | Vite Torx A Testa Di Sego 4x20 |
| 60 | 2603490024 | Vite Torx A Testa Di Sego 4x25 |
| 61 | 2603490021 | Vite Torx A Testa Di Sego 4x12 |
| 64 | 2609001029 | Segmento Di Commutazione |
| 65 | 2609004394 | Filtro Di Soppressione |
| 684 | 2609001104 | Cuffia Di Protezione NERO |
| 685 | 2609001106 | Ruota |
| 687 | 1605510329 | Protezione Della Catena |
| 689 | 2609007364 | Catena Per Segatrice AKE 35 |
| 690 | 1602317006 | Rotaia Di Guida 350 MM |
| 802 | 2609002728 | Motore |
| 806 | 2609005766 | Beccuccio |
| 808 | 2609002252 | Targhetta |
| 831 | 2609001599 | Serbatoio Dell'olio |
| 831/83 | 2609001040 | Coperchio Di Serbatoio |
| 832 | 2609001100 | Frizione |
| 838 | 2609001597 | Tiranteria |
| 854 | 2609004723 | Ruota |