

Informazioni sulle spedizioni e consegne saranno disponibili a breve.
Ripara la tua Levigatrice Orbitale PSS 200 AC / 230 V /EU - 3603C40102, tutti i pezzi di ricambio sono fornibili a prezzi scontati per la spedizione. I nostri ricambi sono ricambi originali e sono dotati di una garanzia completa.
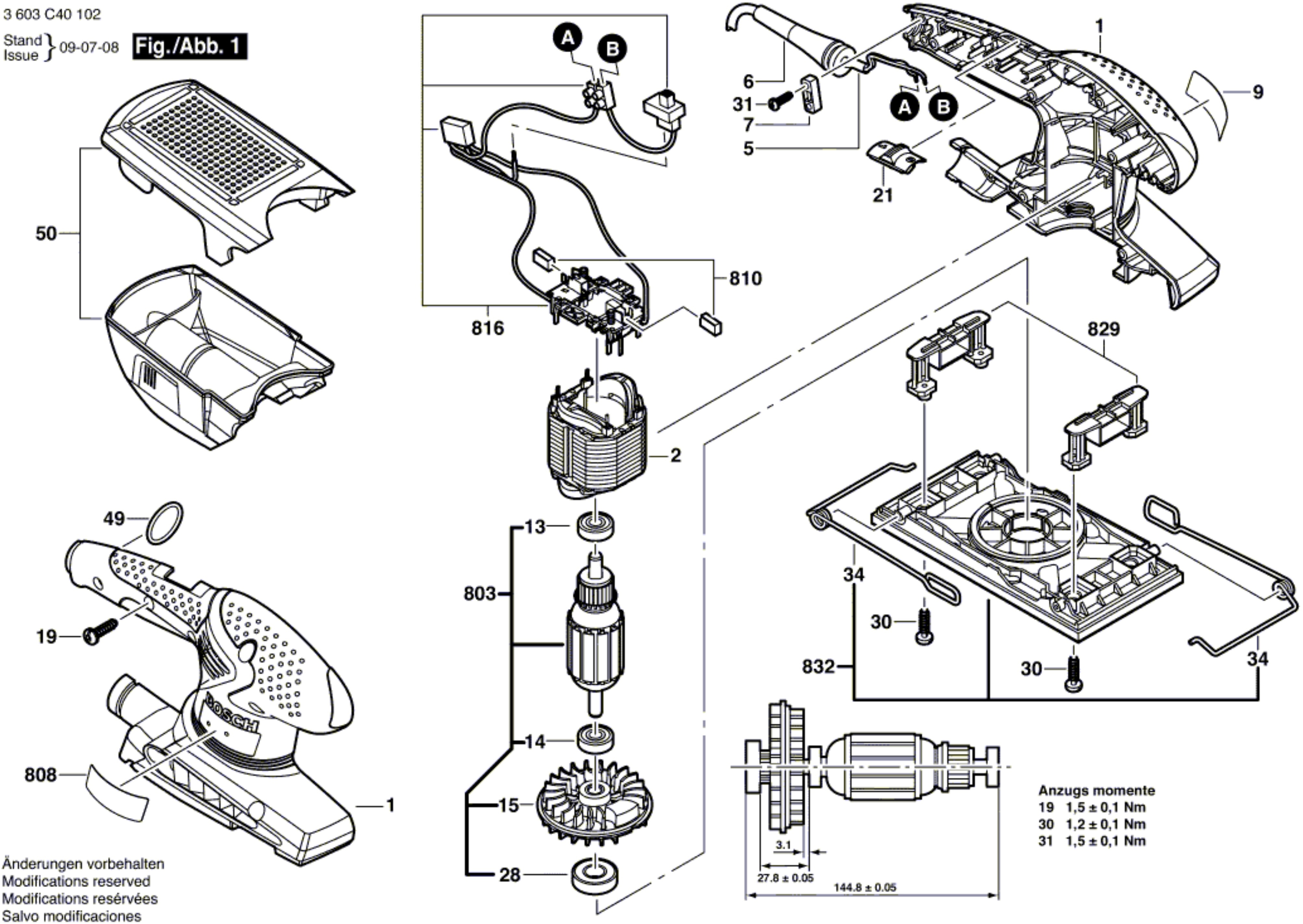
Nella tabella seguente, cercate il modello della Levigatrice ed il rispettivo codice del ricambio.![]()
| Levigatrice Bosch - PSS 200 AC / 230 V /EU - 3603C40102 | ||
| Pos. | Codice | Descrizione |
| 1 | 2609002104 | Guscio Carcassa VERDE |
| 2 | 2609002276 | Espansione Polare 230V |
| 5 | 2604460260 | Linea Di Collegamento EU 2,7m 2 x 0,75mm H05 VV-F |
| 6 | 2609002019 | Beccuccio |
| 7 | 2601035004 | Portacavo |
| 9 | 2609000521 | Targa di fabbricazione PSS 200 AC |
| 13 | 2600905078 | Cuscinetto Rigido A Sfere |
| 14 | 2600905052 | Cuscinetto Rigido A Sfere 8x22x7 |
| 15 | 2609000355 | Ventilatore |
| 19 | 2603490022 | Vite 4x16 |
| 21 | 2609000362 | Cursore Di Collegamento |
| 28 | 2600905045 | Cuscinetto Rigido A Sfere 12x28x8 |
| 30 | 2603490021 | Vite Torx A Testa Di Sego 4x12 |
| 31 | 2603490022 | Vite 4x16 |
| 34 | 2609000376 | Molletta Di Fermo |
| 35 | 2609003061 | Anello Di Feltro |
| 49 | 2609001762 | O-ring |
| 50 | 2609000356 | CONTENITORE POLVERE |
| 803 | 2609004133 | Indotto 230V |
| 808 | 160111A2VU | Targhetta |
| 810 | 2610391290 | Serie Spazzole |
| 816 | 2609000871 | Portaspazola |
| 829 | 2609000874 | Gamba Oscillante |
| 832 | 2609000876 | Piastra abrasiva |