

Informazioni sulle spedizioni e consegne saranno disponibili a breve.
Ricambi originali Bosch per la sostituzione di pezzi rotti o la riparazione della Sega Circolare Bosch 0601568703 - GKS 66 CE/230V/EU.
Ripara la tua Sega Circolare Bosch GKS 66 CE, tutti i pezzi di ricambio sono fornibili a prezzi scontati per la spedizione. I nostri ricambi sono ricambi originali e sono dotati di una garanzia completa.
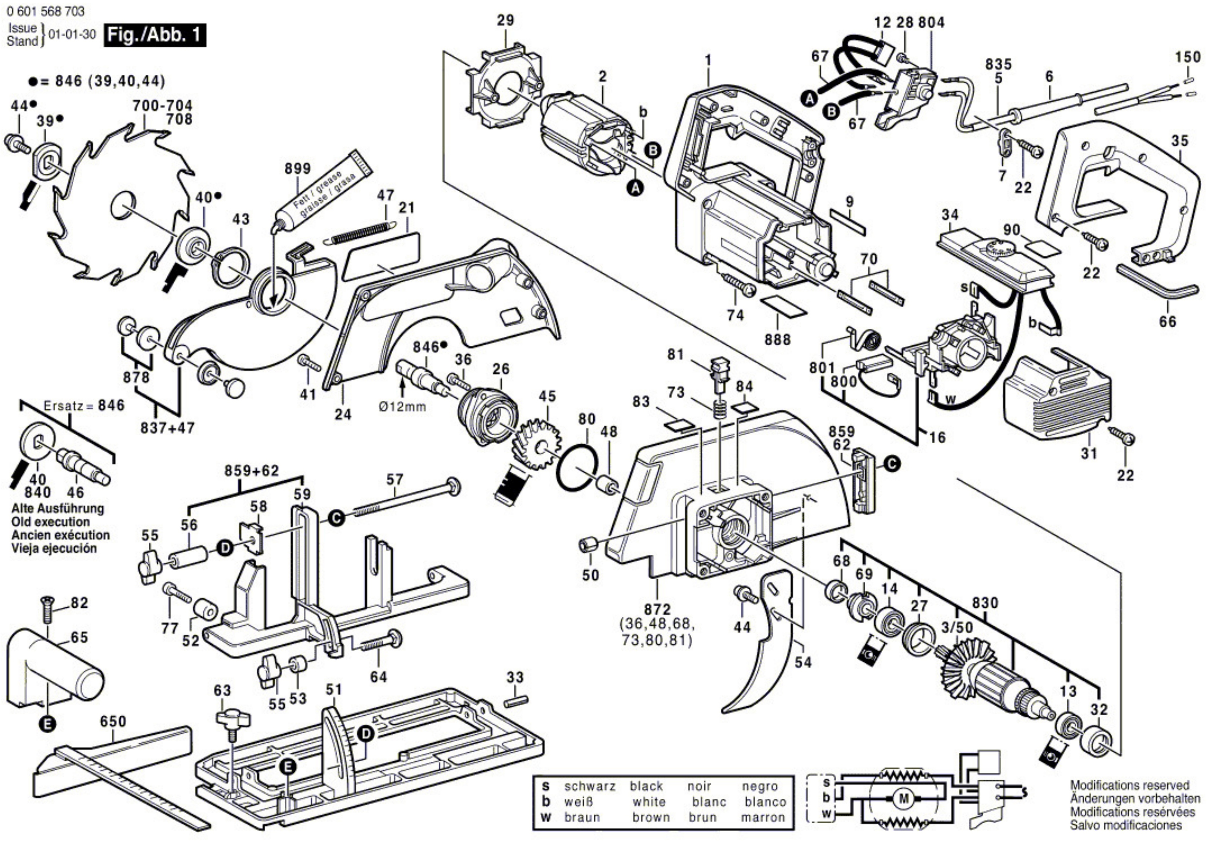
Nella tabella seguente, cercate il modello della Sega Circolare ed il rispettivo codice del ricambio.![]()
| Sega Circolare Bosch 0601568703 - GKS 66 CE/230V/EU | ||
| Pos. | Codice | Descrizione |
| 1 | 1605108152 | Carcassa Del Motore BLU |
| 2 | 1604220357 | Espansione Polare 220-240V |
| 3/50 | 3606610002 | Ventilatore |
| 6 | 1600703024 | Beccuccio Ø8,8-Ø9,0x70 MM |
| 7 | 2601035001 | Portacavo |
| 9 | 1601110483 | Targa di fabbricazione |
| 12 | 1607328028 | Filtro Di Soppressione |
| 13 | 2600905032 | Cuscinetto A Sfere 7x19x6 |
| 14 | 1610905009 | Cuscinetto Rigido A Sfere 9x26x8 |
| 16 | 1604336024 | Portaspazola |
| 21 | 1601110637 | Targa di fabbricazione |
| 22 | 2912401019 | Vite Autofilettante DIN7981-ST3,9x16-C-Z |
| 24 | 1605510157 | Cuffia Di Protezione |
| 26 | 1605808065 | Coperchio-Supporto |
| 27 | 1600221003 | Spessore |
| 28 | 2603410001 | Vite a Testa Cilindrica M3x6,5-4.8 |
| 29 | 3600591002 | De Flettore Arua |
| 31 | 1605500156 | Coperchio NERO |
| 32 | 1600502011 | Spessore |
| 33 | 2917780150 | Boccola Di Collegamento 6x22 DIN7346 |
| 34 | 1607233030 | Regolatore velocità 220-240V |
| 35 | 1605500159 | Guscio Per Maniglia BLU |
| 36 | 2603435042 | Vite Con Filetto Scan. |
| 39 | 1605703107 | Rondella Gola Piatta |
| 40 | 1605703091 | Flangia Montaggio Ø 12x30 MM |
| 41 | 2914491409 | Vite Con Filetto Scan. DIN 7500-M 4x12 |
| 43 | 2916650020 | Anello Di ritenuta DIN 471-40x1,75-FST |
| 44 | 1603414007 | Vite cilindrica esagonal M6x14 MM |
| 45 | 1606320081 | Ruota Dentata Frontale Z=41 |
| 46 | 1603124119 | Albero di trasmissione M6, Ø12 MM |
| 47 | 1604649001 | Molla di trazione |
| 48 | 1600910019 | Boccola X Cuscinetti Rull |
| 50 | 1600309011 | Boccola Di Guida |
| 51 | 1608000107 | Piastra Di Base 358x151 MM |
| 52 | 1600305001 | Parastrappi In Gomma |
| 53 | 1600309012 | Boccola Distanziale |
| 54 | 1600025013 | Coltello Divisore |
| 55 | 1603339006 | Dado Ad Alette M6 |
| 56 | 1600309013 | Boccola Distanziale Ø33xØ6,2xØ14,7 MM |
| 57 | 1603434005 | Vite A Testa Piana M6x170 MM |
| 58 | 1601329015 | Piastra Di Regolazione |
| 59 | 1608190013 | Leva Oscillante |
| 62 | 1608040112 | Pezzo Di Pressione |
| 63 | 1603480022 | Vite Ad Alette |
| 64 | 2910281207 | Vite A Testa Tonda Larga DIN 603-M6x35 |
| 65 | 1605133039 | Appiglio Supplementare NERO |
| 66 | 1907950006 | Cacciavite Ad Angolo DIN 911-SW5 NERO |
| 67 | 1604503014 | Box Antiradiodisturbi |
| 68 | 1600290016 | Guarnizione Tenuta Radiale |
| 69 | 1600390013 | Bussola Di Bloccaggio |
| 70 | 1604477005 | Spina Piatta |
| 73 | 1604611029 | Molla Di Compressione |
| 74 | 1603435022 | Vite Con Filetto Scan. TT M5x30 MM |
| 77 | 2910271120 | Vite A Testa Piana DIN 923-M4x10-5.8 |
| 80 | 3600210124 | O-ring 46,0x1,1 MM ROSSO |
| 81 | 1603231011 | Pezzo Di Fermo |
| 82 | 2910641197 | Vite A Testa Svasata DIN 7985-M6x16-4.8 |
| 83 | 1601110470 | Targhetta Indicatrice |
| 90 | 1601110656 | Targhetta Indicatrice |
| 650 | 2608190002 | Battuta Longitudinale |
| 800 | 1607014129 | Serie Spazzole |
| 801 | 2604652008 | Molla A Spirale |
| 804 | 1607000231 | Interrrutore Apre Chiude |
| 830 | 1604010339 | Indotto 220-240V |
| 835 | 1607000386 | Linea Di Collegamento EU 230V 4,15m 2 x 1,0mm H05 RN-F |
| 837 | 1605510172 | Coperchio Oscillante |
| 840 | 1605703093 | Flangia Montaggio |
| 846 | 1607000225 | Serie Parti Ø 12 MM, M6 |
| 859 | 1607000197 | Serie Parti |
| 872 | 1607000223 | Serie Parti |
| 878 | 1607000205 | Serie Parti |
| 888 | 160111A3H3 | Targhetta |
| 899 | 1605430003 | Tubetto Di Grasso 225 ML |
Tutte le informazioni tecniche dei prodotti in questo catalogo si basano su informazioni tratte da fonti ufficiali, tra cui i siti web del produttore Bosch, che riteniamo affidabili. Purtroppo, anche i documenti ufficiali possono contenere errori o errori di stampa - non siamo in grado di confermare che tutti questi dati sono precisi e rappresentino realmente i fatti. La maggior parte dei produttori si riservano il diritto di modificare le caratteristiche dei prodotti o completare le descizioni senza preavviso. Si consiglia vivamente di utilizzare le informazioni pubblicate come informazioni di base soggette alla revisione del marchio Bosch. Si prega di chiarire i parametri importanti con un assistente alla vendita al momento dell'acquisto. Tutti i contenuti inclusi in questo catalogo sono di proprietà intellettuale di www.bricoutensili.com. E' vietata qualsiasi pubblicazione o riproduzione (totale o parziale) senza un riferimento alla pagina di origine.