- Solo online


| Pos. | Articolo | Prezzo | Acquista | |
|---|---|---|---|---|
|
812
|
photo_cameraImmagine in arrivo | F016F04459 Set Di Guarnizioni | 8,84 € | |
|
813
|
photo_cameraImmagine in arrivo | F016F04460 O-ring | 7,99 € | |
|
840
|
photo_cameraImmagine in arrivo | F016F04440 Unità pompa | 20,60 € | |
|
841
|
photo_cameraImmagine in arrivo | F016F04642 Guida pistone | 33,33 € | |
|
842
|
photo_cameraImmagine in arrivo | F016F04643 Testa pompa | 42,72 € | |
|
844
|
photo_cameraImmagine in arrivo | F016F04644 Elettromotore | 281,65 € | |
|
851
|
photo_cameraImmagine in arrivo | F016F04646 Set Di Cuscinetti | 13,99 € |
| Pos. | Articolo | Prezzo | Acquista | |
|---|---|---|---|---|
|
811
|
|
F016F04458 Set di Guarnizioni per Idropulitrice Bosch AQT 33-10 | 7,41 € | |
|
814
|
|
F016F04462 Lancia per Idropulitrice Bosch AQT 35-12 | 20,01 € | |
|
865
|
|
F016F04667 Tubo Alta Pressione 8 mt per Idropulitrice Bosch AQT 45-14 X | 54,24 € |
Informazioni sulle spedizioni e consegne saranno disponibili a breve.
Distribuiamo Ricambi originali Bosch per Idropulitrice AQT 45-14 X ed effettuiamo la loro riparazione rendendoli nuovamente funzionanti come nuovi.
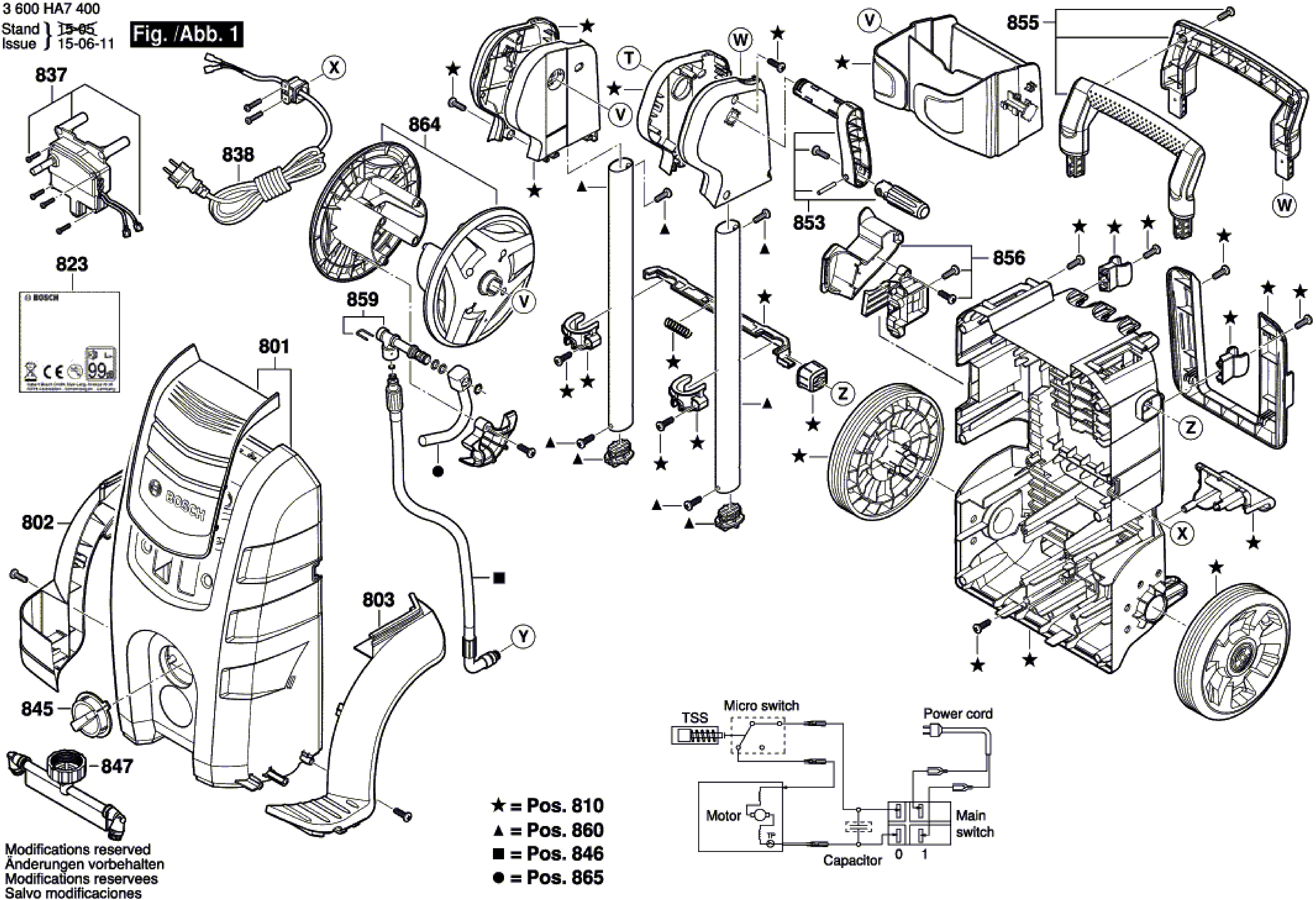
Nella tabella seguente, cercate il modello della Idropulitrice ed il rispettivo codice del ricambio.
| Idropulitrice AQT 45-14 X/3 600 HA7 400 | ||
| Pos. | Codice | Descrizione |
| 801 | F016F04632 | Rivestimento Anteriore |
| 802 | F016F04616 | Rivestimento Anteriore |
| 803 | F016F04617 | Rivestimento Anteriore |
| 810 | F016F04618 | Copertura |
| 811 | F016F04458 | Set Di Guarnizioni |
| 812 | F016F04459 | Set Di Guarnizioni |
| 813 | F016F04460 | O-ring |
| 814 | F016F04462 | Lancia |
| 815 | F016F04633 | Dispositivo Attivazione |
| 823 | F016F04634 | Targhetta |
| 837 | F016F04636 | Quadro Elettrico |
| 838 | F016F04638 | Linea Di Collegamento EU |
| 840 | F016F04440 | Unità pompa |
| 841 | F016F04642 | Guida pistone |
| 842 | F016F04643 | Testa pompa |
| 844 | F016F04644 | Elettromotore |
| 845 | F016F04613 | Spingitore regolazione |
| 846 | F016F04645 | Tubo Alta Pressione 0,4m |
| 847 | F016F04672 | Portapolverizzatore Equip |
| 849 | F016F04652 | Coperchio del motore |
| 850 | F016F04647 | Condensatore Motore |
| 851 | F016F04646 | Set Di Cuscinetti |
| 853 | F016F04649 | Set Appigli |
| 855 | F016F04625 | Maniglia |
| 856 | F016F04626 | Copertura |
| 857 | F016F04627 | Montaggio Centralina |
| 859 | F016F04651 | Portatubo |
| 860 | F016F04630 | Maniglia |
| 864 | F016F04666 | Portatubo |
| 865 | F016F04667 | Tubo Alta Pressione 8m |