

Informazioni sulle spedizioni e consegne saranno disponibili a breve.
. Garantiamo prezzi bassi e un servizio di Assistenza Tecnica con riparazione professionale in grado di consigliarti l'acquisto di pezzi di ricambio per più adatti a risolvere rapidamente ogni problema di manutenzione della Pialla PHO 1 - 0603997989.
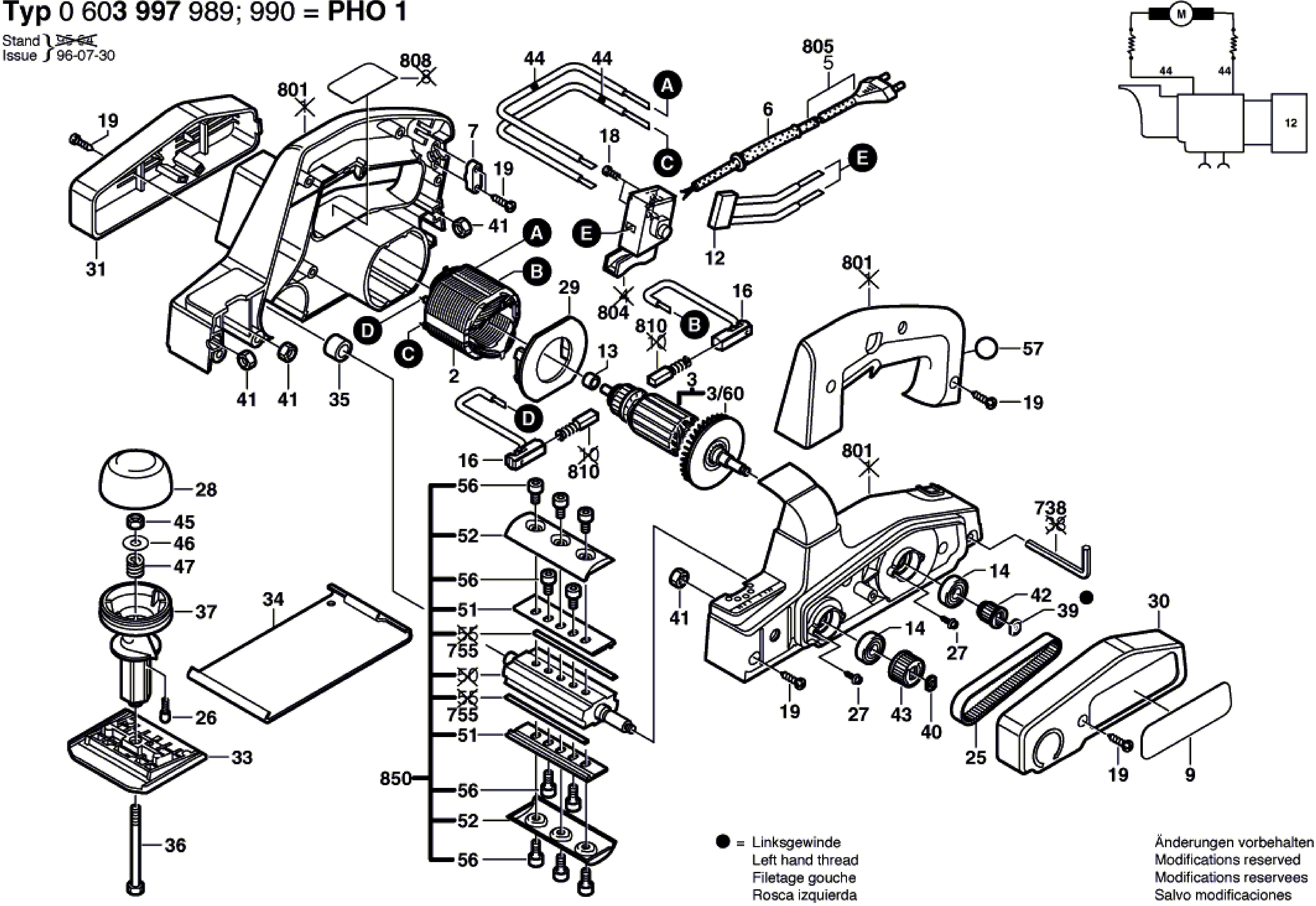
Nella tabella seguente, cercate il modello della Pialla ed il rispettivo codice del ricambio.
| Pialla PHO 1/0 603 997 989 | ||
| Pos. | Codice | Descrizione |
| 2 | 2604220411 | Espansione Polare 240V |
| 3 | 2604010648 | Indotto 220-230V |
| 3/60 | 1606610116 | Ventilatore |
| 6 | 2600703007 | Beccuccio Ø7 MM |
| 7 | 2601035001 | Portacavo |
| 9 | 2601118847 | Targa di fabbricazione |
| 12 | 1607328028 | Filtro Di Soppressione |
| 13 | 2600910005 | Cuscinetto a rullini |
| 14 | 2600905052 | Cuscinetto Rigido A Sfere 2rs608/8x22x7 |
| 16 | 2604449026 | Portaspazola |
| 18 | 2603410001 | Vite a Testa Cilindrica M3x6,5-4.8 |
| 19 | 2910611019 | Vite Autofilettante DIN 7981-ST3,9x16-C-H |
| 25 | 2604736001 | Cinghia Dentata |
| 26 | 2600590006 | Tappo Di Arresto |
| 27 | 2603433000 | Vite Co Rosetta Prigion |
| 28 | 2602026053 | Maniglia |
| 29 | 2600290004 | De Flettore Arua |
| 30 | 2605500163 | Cofano |
| 31 | 2605500078 | Cofano |
| 33 | 2608000133 | Cursore Di Regolazione |
| 34 | 1608000091 | Piastra Di Base |
| 35 | 1610910057 | Cuscinetto a rullini Ø8xØ12x10 MM |
| 36 | 2911061180 | Vite testa esagonale DIN 933-M5x70-8.8 |
| 37 | 2602026052 | Maniglia |
| 39 | 2603342006 | Dado Cilindrico M6 FILETTATURA SINISTRORSA |
| 40 | 2603342010 | Dado M 8 |
| 41 | 2915011007 | Dado Esagonale DIN 934-M6-8-A |
| 42 | 2606625001 | Ingranagg.Cingh.Denta. Z= 18 |
| 43 | 2606625002 | Ingranagg.Cingh.Denta. Z=28 |
| 44 | 2604448062 | Cavo Di Collegamento L = 288 MM BIANCO |
| 45 | 2915061003 | Dado Esagonale DIN 985-M 5-8-A |
| 46 | 2918650007 | Rondella piana DIN 125-A5,3-A2 |
| 47 | 2604611010 | Molla Di Compressione |
| 51 | 2602316000 | Piastra Di Pressione |
| 52 | 2605510007 | Granascia Di Serraggio |
| 56 | 2603414027 | Vite cilindrica esagonal |
| 57 | 2601118306 | Targhetta Indicatrice |
| 738 | 2607950004 | Cacciavite Ad Angolo DIN 911-4 |
| 755 | 2607000096 | Lame per pialletto |
| 801 | 2605104866 | Guscio Carcassa VERDE |
| 804 | 1607000231 | Interrrutore Apre Chiude |
| 805 | 1607000386 | Linea Di Collegamento EU 230V 4,15m 2 x 1,0mm H05 RN-F |
| 808 | 1601106032 | Targhetta 26x52 MM |
| 810 | 2604321905 | Serie Spazzole |
| 850 | 2608584002 | Testa Di Pialla |