

Informazioni sulle spedizioni e consegne saranno disponibili a breve.
Ricambi originali Bosch per la sostituzione di parti o la riparazione della Smerigliatrice Angolare PWS 650 - 0603401902
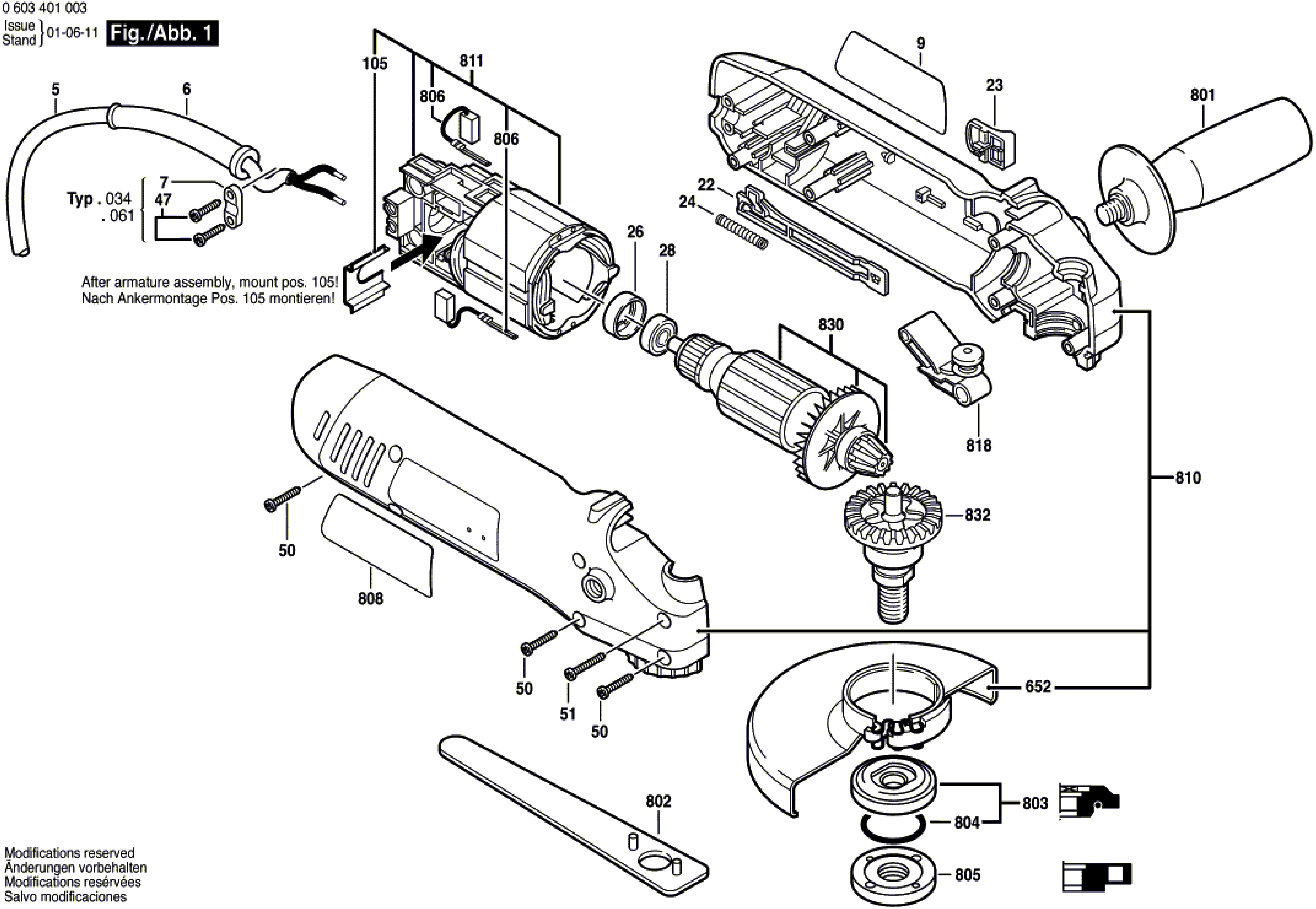
Nella tabella seguente, cercate il modello della Smerigliatrice ed il rispettivo codice del ricambio.![]()
| Smerigliatrice PWS 650/0 603 401 902 | ||
| 5 | 1607000387 | Linea Di Collegamento EU 2,65m 2 x 0,75mm H05VV-F |
| 6 | 2600703012 | Beccuccio Ø6,5-Ø6,9x95 MM |
| 9 | 1601118C14 | Targa di fabbricazione |
| 22 | 1602319014 | Cursore Di Regolazione |
| 23 | 1602026077 | Manico D`Interruttore NERO |
| 24 | 1604611026 | Molla Di Compressione |
| 26 | 1600502020 | Bussola Di Gomma |
| 28 | 1600905021 | Cuscinetto A Sfere |
| 50 | 1619P00105 | Vite Torx A Testa Di Sego 4x20 |
| 51 | 1619P00106 | Vite |
| 105 | 1600591034 | Testata intermedia |
| 652 | 2609000390 | Rivestimento Protezione |
| 801 | 2602025067 | Appiglio Supplementare M10, Ø32,5x105 MM |
| 802 | 1607950052 | Giradadi A Due Fori |
| 803 | 2605703014 | Flangia Montaggio Ø22,3xØ42 MM |
| 804 | 1600210039 | O-ring 20,35x1,78 MM |
| 805 | 1603345043 | Dado Cilindrico M14 |
| 806 | 1607000994 | Serie Spazzole |
| 808 | 1601106032 | Targhetta 26x52 MM |
| 810 | 1607000371 | Carcassa Del Motore |
| 811 | 1607000723 | Espansione Polare 230-240V |
| 818 | 1607000993 | SUPPORTO ALBERINO NERO |
| 830 | 1607000990 | Indotto 230-240V |
| 832 | 1607000992 | Fuso Portamola M14 |
Tutte le informazioni tecniche dei prodotti in questo catalogo si basano su informazioni tratte da fonti ufficiali, tra cui i siti web del produttore BOSCH, che riteniamo affidabili. Purtroppo, anche i documenti ufficiali possono contenere errori o errori di stampa - non siamo in grado di confermare che tutti questi dati sono precisi e rappresentino realmente i fatti. La maggior parte dei produttori si riservano il diritto di modificare le caratteristiche dei prodotti o completare le descizioni senza preavviso. Si consiglia vivamente di utilizzare le informazioni pubblicate come informazioni di base soggette alla revisione del marchio BOSCH. Si prega di chiarire i parametri importanti con un assistente alla vendita al momento dell'acquisto. Tutti i contenuti inclusi in questo catalogo sono di proprietà intellettuale di www.bricoutensili.com. E' vietata qualsiasi pubblicazione o riproduzione (totale o parziale) senza un riferimento alla pagina di origine.