

Informazioni sulle spedizioni e consegne saranno disponibili a breve.
Ricambi originali Bosch, direttamente dal produttore, al miglior prezzo del web, per la Manutenzione o la Sostituzione di parti Rotte del Seghetto Alternativo PST 900 PEL - 3603C53100.
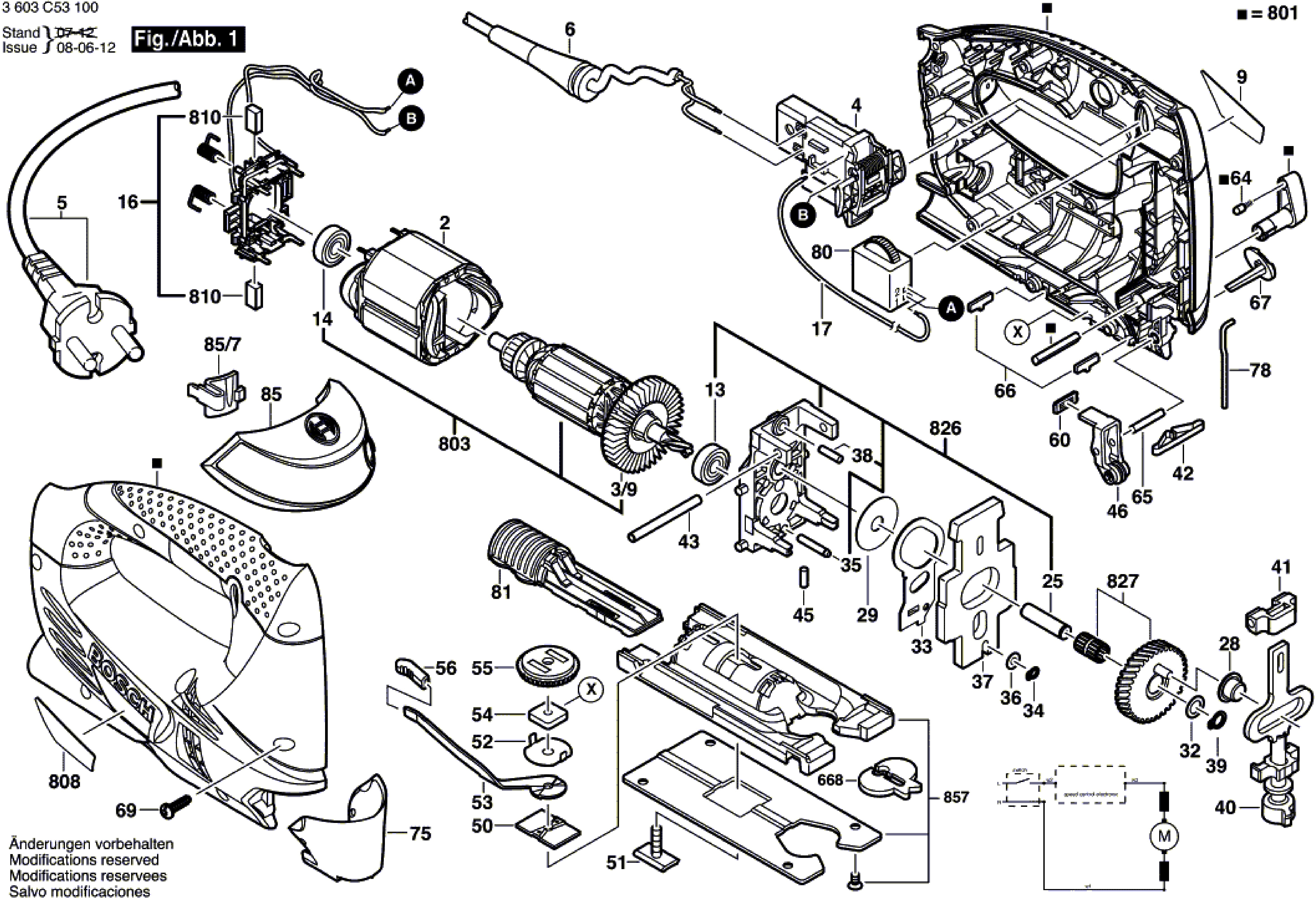
Nella tabella seguente, cercate il modello del Seghetto ed il rispettivo codice del ricambio.
| Seghetto Alternativo PST 900 PEL/3 603 C53 100 | ||
| Pos. | Codice | Descrizione |
| 2 | 2604220682 | Espansione Polare 230-240V |
| 3/9 | 2606610123 | Ventilatore |
| 4 | 2607200637 | Interruttore |
| 5 | 1607000387 | Linea Di Collegamento EU 2,65m 2 x 0,75mm |
| 6 | 2609002019 | Beccuccio |
| 9 | 2601115263 | Targa di fabbricazione PST 900 PEL |
| 13 | 3130900020 | Cuscinetto Rigido A Sfere 8x22x7 608-2Z/C3 |
| 14 | 3130900020 | Cuscinetto Rigido A Sfere 8x22x7 608-2Z/C3 |
| 16 | 2604337111 | Sopporto Di Portaspazzola |
| 17 | 2609001661 | Cavo Di Collegamento |
| 25 | 2603105080 | Bullone Di Regolazione |
| 28 | 2600914022 | Cuscinetto a rullini |
| 29 | 2600101048 | Rondella Di Compensazione 0,5 MM |
| 32 | 2600101077 | Rondella Di Compensazione 0,5 MM |
| 33 | 2601923012 | Leva A Intaglio |
| 34 | 2916640001 | Anello Di ritenuta DIN 471-4x0,4-FSt |
| 35 | 2603105091 | Bullone Di Regolazione |
| 36 | 2600100588 | Rondella Di Compensazione 0,5 MM |
| 37 | 2601098098 | Contrappeso |
| 38 | 1903201055 | Rullino |
| 39 | 2916640905 | Anello Di ritenuta 8x0,8 N31A MR7 |
| 40 | 2600780149 | Asta Di Alzata |
| 41 | 2605801038 | Cuscinetto Radente |
| 42 | 2604613004 | Molla Di Compressione |
| 43 | 2603201089 | Rullino |
| 45 | 2603105084 | Bullone Di Regolazione |
| 46 | 2609001608 | Leva A Rullo |
| 50 | 2601099165 | Pezzo Di Serraggio |
| 51 | 2602317059 | Listello Profilato |
| 52 | 2600101112 | Rosetta Elastica |
| 53 | 2602098022 | Leva Tenditrice |
| 54 | 2600040003 | Piastra Di Fissaggio |
| 55 | 2601901016 | Ruota Di Regolazione |
| 56 | 2600591022 | Cappuccio Maniglia ROSSO |
| 60 | 2601015077 | PIASTRA DI TENUTA |
| 64 | 2600590006 | Tappo Di Arresto |
| 65 | 2609002725 | Spina Cilindrica |
| 66 | 2601030166 | Elemento Scorrevole |
| 67 | 2602026153 | Cursore Di Collegamento ROSSO |
| 69 | 2603490022 | Vite Torx A Testa Di Sego 4x16 |
| 75 | 2605510253 | Cofano |
| 78 | 2603105088 | Perno Di Sicurezza |
| 81 | 2608040231 | Deposito Lame |
| 85 | 2607010486 | Modulo laser |
| 85/7 | 2605510244 | Coperchio Batteria |
| 668 | 2601016065 | DISPOSITIVO ANTISTRAPPO |
| 801 | 2609001933 | Guscio Carcassa |
| 803 | 2609001928 | Indotto 230-240V |
| 808 | 2609001772 | Targhetta |
| 810 | 2610391290 | Serie Spazzole |
| 826 | 2609001930 | Trave Portante |
| 827 | 2609001931 | Ingranaggio D'eccentrico |
| 857 | 2609001934 | Piastra Di Base |