

Informazioni sulle spedizioni e consegne saranno disponibili a breve.
Distribuiamo Ricambi originali BOSCH per Trapano a Percussione PSB 500 RE - 0603337603 ed effettuiamo la loro riparazione rendendoli nuovamente funzionanti come nuovi.
Ripara il tuo Trapano a Percussione PSB 500 RE, tutti i pezzi di ricambio sono fornibili a prezzi scontati per la spedizione. I nostri ricambi sono ricambi originali e sono dotati di una garanzia completa.
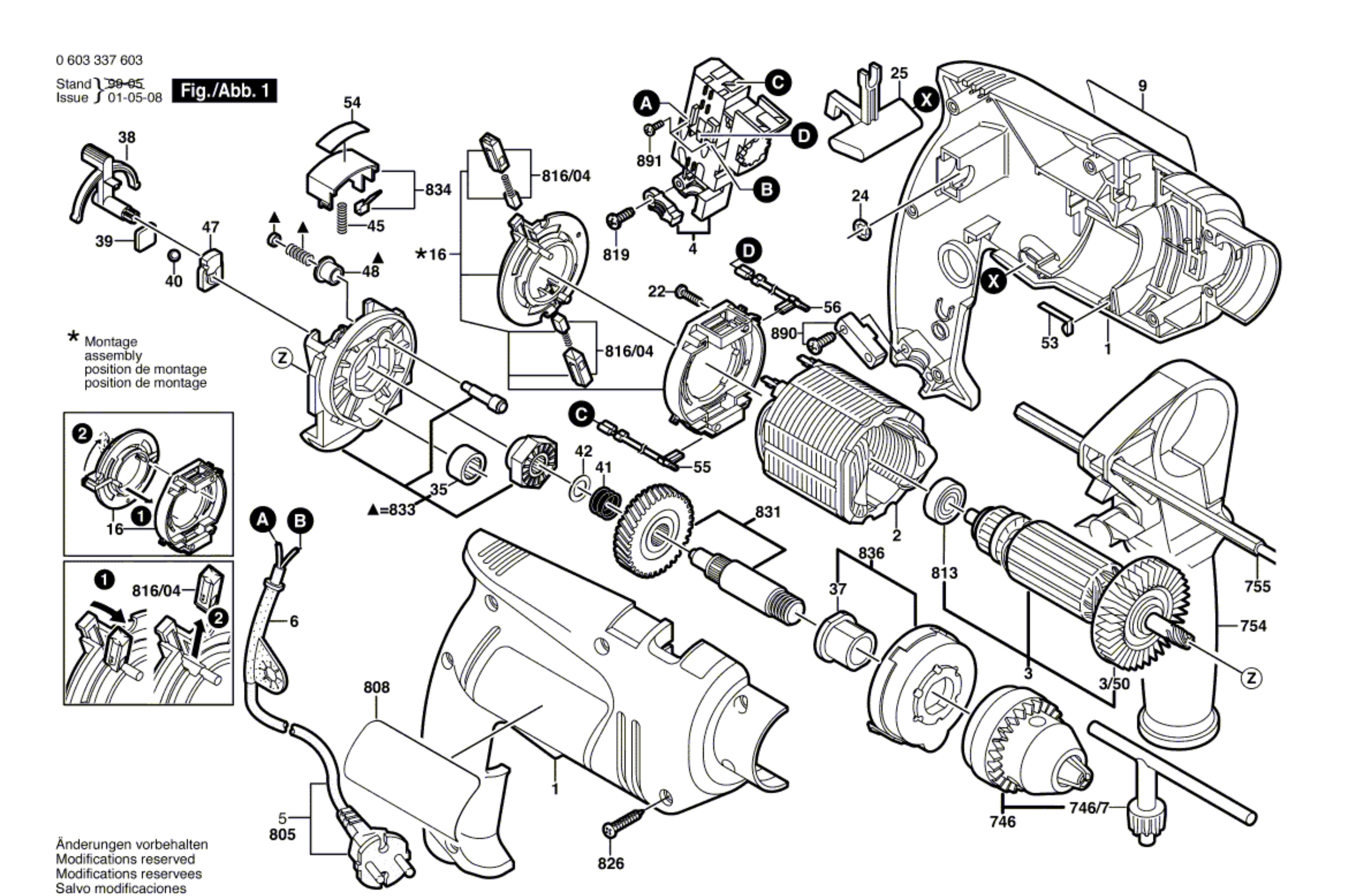
Nella tabella seguente, cercate il modello del Trapano ed il rispettivo codice del ricambio.![]()
| Trapano a Percussione PSB 500 RE/0 603 337 603 | ||
| 1 | 2605104599 | Guscio Carcassa VERDE |
| 2 | 2604220601 | Statore 220-240V |
| 3 | 2604011173 | Indotto 230-240V |
| 3/50 | 1606610116 | Ventilatore |
| 4 | 2607200556 | Interruttore |
| 6 | 2600707059 | Beccuccio Ø6,9 MM |
| 9 | 2601119551 | Targa di fabbricazione |
| 16 | 2604337061 | Sopporto Di Portaspazzola |
| 22 | 2910611002 | Vite Autofilettante DIN 7981-ST2,2x9,5-C-H |
| 24 | 1900210000 | O-ring 5,0x1,5 MM |
| 25 | 2602098008 | Commutatore ROSSO |
| 35 | 2600914019 | Cuscinetto a rullini |
| 37 | 2600301052 | Cuscinetto Sinterizzato |
| 38 | 2601990010 | Elemento Di Commutazione NERO |
| 39 | 2601074004 | Piastra Di Pressione |
| 40 | 1903230009 | Sfera DIN 5401-5 G28 |
| 41 | 2604616006 | Molla Di Compressione |
| 42 | 2600101047 | Rondella Di Compensazione 0,3 MM |
| 45 | 2604610047 | Molla Di Compressione |
| 47 | 2608040120 | Telai Di Supporto |
| 48 | 2600390031 | Bussola |
| 53 | 2601329043 | Staffa Di Contatto |
| 54 | 2601119602 | Targhetta Indicatrice ROSSO |
| 55 | 1614431025 | Linea Elettrica Di Pvc L=95 MM |
| 56 | 2604448228 | Linea Elettrica Di Pvc L=120 MM BLU |
| 746 | 2608571056 | Portapunta Corona Dentata 1/2" |
| 746/7 | 2607950007 | Chiave Pinza Portapunta SG2 |
| 754 | 2602025102 | Appiglio Supplementare 1/2" |
| 755 | 2603001019 | Battuta Di Profondita |
| 805 | 1607000388 | Linea Di Collegamento EU 2 x 1,0mm |
| 808 | 2601119680 | Targhetta |
| 813 | 2600905032 | Cuscinetto Rigido A Sfere 7x19x6 |
| 816/04 | 2607014017 | Serie Spazzole |
| 819 | 2910611006 | Vite Autofilettante DIN 7981-ST2,9x13-C-H |
| 826 | 2912401020 | Vite Autofilettante DIN 7981-3,9x19-C-Z-ST |
| 831 | 2606135929 | Mandrino Portapunta 1/2" |
| 833 | 2605807932 | Trave Portante |
| 834 | 2603231040 | Pulsante NERO |
| 836 | 2605808922 | Coperchio D'ingranaggio VERDE |
| 890 | 2607001305 | Particolari Di Fissaggio |
| 891 | 2603410046 | Vite Con Intaglio A Croce M3x5 |