

Informazioni sulle spedizioni e consegne saranno disponibili a breve.
La nostra idea di riparazione parte da qui, acquista solo ricambi originali Alpina a prezzi incredibili per una corretta manutenzionde del tuo Tagliasiepi a scoppio AHT 60/252961004/A20-2020. Fare manutenzione al tuo Tagliasiepi a miscela Alpina AHT 60 ti permettera di tagliare la siepe in modo sicuro e veloce. Apri il file PDF presente nella pagina per scegliere con attenzione tutti i ricambi di questo attrezzo da giardino Alpina.
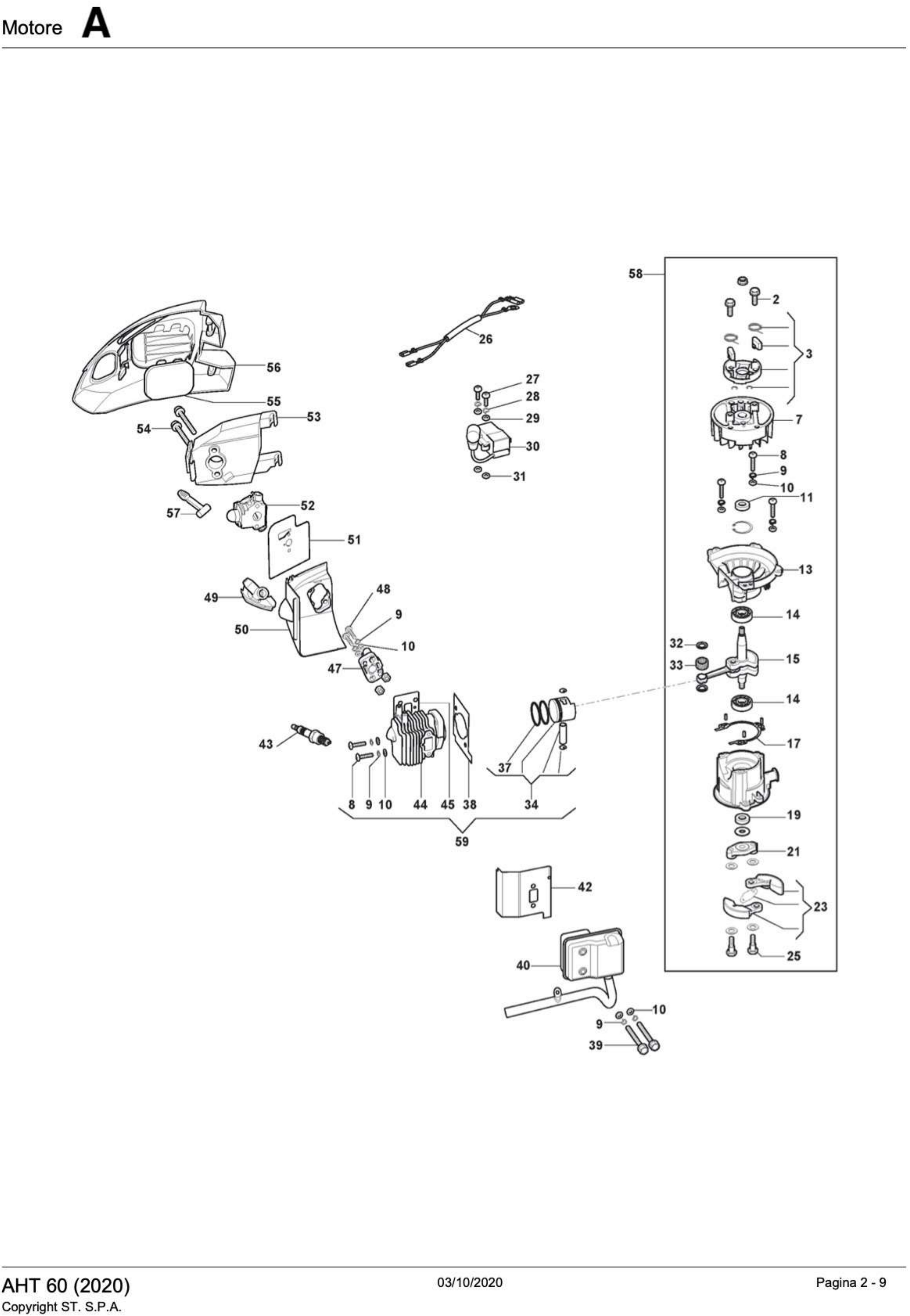
Nella tabella seguente trovate la posizione ed il codice del ricambio scegliendolo dal file PDF presente nella pagina.
| Tagliasiepi a scoppio AHT 60/252961004/A20-2020 | ||
| Motore A Pag.1 | ||
| Pos. | Codice | Descrizione |
| 2 | 123878109/0 | Vite |
| 3 | 183082003/0 | Coppa Avviamento |
| 7 | 118802744/0 | Volano Magnete |
| 8 | 123878081/0 | Vite |
| 9 | 123657017/0 | Rondella |
| 10 | 123657013/0 | Rondella |
| 11 | 119035164/0 | Anello Di Tenuta |
| 13 | 123685020/0 | Carter Motore, Lato Avviatore |
| 14 | 114215222/0 | Cuscinetto A Sfere |
| 15 | 123020033/1 | Albero Motore |
| 17 | 123280077/0 | Guarnizione Carter Motore |
| 19 | 119035165/0 | Anello Di Tenuta |
| 21 | 123445268/0 | Mozzo Portamasse |
| 23 | 183215010/0 | Ass. Frizione |
| 25 | 123878111/0 | Vite |
| 26 | 123065045/0 | Cavo Bobina |
| 27 | 123878081/0 | Vite |
| 28 | 123657013/0 | Rondella |
| 29 | 123657017/0 | Rondella |
| 30 | 118802743/0 | Ass. Bobina Elettronica |
| 31 | 123160063/0 | Distanziale |
| 32 | 123652505/0 | Rondella |
| 33 | 123235008/0 | Astuccio A Rulli |
| 34 | 183590007/0 | Assieme Pistone |
| 37 | 123204016/0 | Fascia Elastica |
| 38 | 123280078/0 | Guarnizione Cilindro |
| 39 | 123878081/0 | Vite |
| 40 | 118802742/0 | Silenziatore |
| 42 | 123600078/0 | Protezione |
| 43 | 3210024 | Candela |
| 44 | 123071023/0 | Cilindro |
| 45 | 123280080/0 | Guarnizione Collettore Cilindro |
| 47 | 118801419/0 | Collettore Aspirazione |
| 48 | 112789195/0 | Vite |
| 49 | 118801420/0 | Cappuccio Candela |
| 50 | 123600080/0 | Copricilindro |
| 51 | 118801421/0 | Guarnizione Carburatore |
| 52 | 118801422/0 | Carburatore |
| 53 | 118801423/0 | Base Filtro Aria |
| 54 | 123878114/0 | Vite |
| 55 | 118801424/0 | Filtro Aria |
| 56 | 118805223/0 | Coperchio Filtro Aria,Grigio |
| 57 | 118802164/0 | Leva Aria, Nera |
| 58 | 118804984/0 | Short Block Motore |
| 59 | 118804985/0 | Ass. Cilindro - Pistone |
| Motore B Pag.2 | ||
| 1 | 123300014/0 | Impugnatura Anteriore |
| 2 | 123878121/0 | Vite |
| 3 | 118805224/0 | Coperchio Silenziatore,Grigio |
| 4 | 123430606/0 | Molla |
| 6 | 123657017/0 | Rondella |
| 8 | 123784008/0 | Carter |
| 9 | 123430607/0 | Molla |
| 10 | 123790023/0 | Tappo Molla Antivibrante, Neo |
| 11 | 123878121/0 | Vite |
| 13 | 118801432/0 | Manopolina |
| 14 | 123700065/0 | Impugnatura Sinistra |
| 15 | 118801433/0 | Molla |
| 16 | 123315099/0 | Leva |
| 17 | 118801434/0 | Leva Di Sicurezza, Nero |
| 18 | 123430609/0 | Molla |
| 19 | 118801436/0 | Leva Acceleratore Nera |
| 20 | 123700066/0 | Impugnatura Destra |
| 21 | 123303007/0 | Interruttore |
| 22 | 123202008/0 | Fermo |
| 23 | 123878115/0 | Vite |
| 24 | 123657023/0 | Gommino |
| 25 | 123044223/0 | Boccola |
| 26 | 123878124/0 | Vite |
| 27 | 118801438/1 | Serbatoio Benzina |
| 28 | 123275031/0 | Gommino |
| 29 | 118801439/0 | Tappo Serbatoio |
| 36 | 183520009/0 | Pescante Miscela |
| 37 | 123867028/0 | Tubo |
| 38 | 1232940080 | Guida Passacavo |
| 40 | 123867029/0 | Tubo Mix |
| 41 | 123275032/0 | Gommino Passatubo |
| 42 | 118801440/0 | Impugnatura Avviamento |
| 43 | 123234007/0 | Fune Avviamento |
| 45 | 118805225/1 | Ass. Avviatore Grigio |
| 46 | 123430610/0 | Molla Avviamento |
| 47 | 123604013/0 | Puleggia Avviamento |
| 48 | 112728445/0 | Vite |
| 49 | 118801443/0 | Cuffia Copricilindro Superiore Grigio |
| 49 | 118805287/0 | Cuffia Copricilindro Superiore Nera |
| 50 | 112735654/0 | Vite |
| 51 | 118801446/0 | Cuffia Copricilindro Frontale Grigia |
| 51 | 118805288/0 | Cuffia Copricilindro Frontale Nera |
| 53 | 118801447/0 | Cavo Acceleratore |
| 54 | 118801448/0 | Fermacavo |
| 55 | 112726389/0 | Vite |
| 56 | 118804986/0 | Ass. Impugnatura |
| 57 | 118804987/0 | Ass. Serbatoio + Tubi Carburante Nero |
| 57 | 118804987/1 | Ass. Serbatoio + Tubi Carburante Nero |
| 57 | 118805247/0 | Ass. Serbatoio + Tubi Carburante Bianco |
| Gruppo Taglio Pag.3 | ||
| 1 | 123050010/0 | Ass. Campana Frizione |
| 2 | 123657013/0 | Rondella |
| 3 | 123657017/0 | Rondella |
| 5 | 123685022/0 | Carter Superiore |
| 6 | 123657013/0 | Rondella |
| 7 | 123657017/0 | Rondella |
| 8 | 123878081/0 | Vite |
| 9 | 123280082/0 | Guarnizione Carter Motore |
| 11 | 112379520/0 | Ingrassatore |
| 12 | 114215222/0 | Cuscinetto A Sfere |
| 15 | 123570052/0 | Pignone |
| 16 | 114215223/0 | Cuscinetto |
| 17 | 123664000/0 | Ruota Dentata |
| 18 | 123041502/0 | Asta Collegamento |
| 21 | 123685023/0 | Carter Inferiore |
| 22 | 123878081/0 | Vite |
| 24 | 123878118/0 | Vite |
| 26 | 123878110/0 | Vite |
| 27 | 123878113/0 | Vite |
| 28 | 123294006/0 | Guida Lama |
| 29 | 123044222/0 | Boccola |
| 30 | 123305004/0 | Lama |
| 31 | 123120014/0 | Dado |
| 32 | 123600081/0 | Protezione Lama |
| 33 | 123294007/0 | Guida Lama |
| 35 | 123085002/0 | Coprilama |
| 36 | 118804982/0 | Ass. Supporto Motore |
| 37 | 118804983/0 | Ass. Lame |