

Informazioni sulle spedizioni e consegne saranno disponibili a breve.
. Garantiamo prezzi bassi e un servizio di Assistenza Tecnica con riparazione professionale in grado di consigliarti l'acquisto del ricambio più adatto a risolvere rapidamente ogni problema di manutenzione del Rasaerba BL 460 SB (2016) - 295492024/A15.
Nella tabella seguente, cercate il modello del Rasaerba ed il rispettivo codice del ricambio.![]()
| Rasaerba ALPINA BL 460 SB (2016) - 295492024/A15 | ||
| Chassis Pag.1 | ||
| Pos. | Codice | Descrizione |
| 1 | 381004051/0 | Chassis Nero |
| 2 | 322108301/0 | Convogliatore Anteriore To 31-August-2011 |
| 2 | 322108301/1 | Convogliatore Anteriore From 01-September-2011 |
| 3 | 112728699/0 | Vite |
| 4 | 322108302/0 | Convogliatore Posteriore |
| 5 | 112728699/0 | Vite |
| 6 | 322545213/0 | Piastrina |
| 7 | 381005139/0 | Staffa Sinistra |
| 8 | 112727801/0 | Vite |
| 9 | 381005137/0 | Staffa Destra |
| 10 | 322060242/0 | Carter Cinghia |
| 11 | 322140239/0 | Mulching Deflector Cruiser 48 |
| 12 | 112728530/0 | Vite |
| Regolazione Altezza di Taglio Pag.2 | ||
| 1 | 322545189/0 | Piastrina |
| 2 | 322735597/0 | Settore Regolazione Altezza Sinistro To 31-August-2011 |
| 2 | 322735597/1 | Settore Regolazione Altezza From 01-September-2011 To S/N 20BA2WBH058855 |
| 2 | 322735611/0 | Settore Regolazione Altezza From S/N 20BA2WBH058856 |
| 3 | 381005141/0 | Supporto Ruota To S/N SK6810777 |
| 3 | 381005159/0 | Supporto Ruota From S/N SK6614968 To S/N 19GA2WBH002978 |
| 3 | 381005253/0 | Supporto Ruota From S/N 20AA2WBH020538 To S/N 20BA2WBH056549 |
| 3 | 381005265/0 | Supporto Ruota From S/N 20BA2WBH056550 |
| 4 | 381003354/0 | Leva Regolazione Altezza |
| 5 | 122519811/0 | Perno |
| 6 | 112521350/0 | Rondella |
| 7 | 112155000/0 | Dado |
| 9 | 322735595/0 | Settore Regolazione Altezza Destro To 31-August-2011 |
| 9 | 322735595/1 | Settore Regolazione Altezza From 01-September-2011 To S/N 20BA2WBH064329 |
| 9 | 322735609/0 | Settore Regolazione Altezza From S/N 20BA2WBH064330 |
| 10 | 322600247/0 | Protezione Ruota As Optional |
| 11 | 112728698/0 | Vite |
| 12 | 322545152/0 | Piastrina |
| 13 | 381302817/0 | Asse Ruote Posteriore To S/N 20BA2WBH061216 |
| 13 | 381302817/1 | Asse Ruote Posteriore From S/N 20BA2WBH061217 |
| 14 | 122534131/0 | Perno |
| 15 | 381003357/0 | Leva Regolazione Altezza To S/N 20BA2WBH076280 |
| 15 | 381003357/1 | Leva Regolazione Altezza From S/N 20BA2WBH076281 |
| 16 | 122446192/0 | Molla |
| 17 | 112154510/0 | Dado |
| 18 | 322600205/0 | Protezione Ruote To 31-August-2014 |
| 18 | 322600205/1 | Protezione Ruota From 01-September-2014 |
| 21 | 112521350/0 | Rondella |
| 22 | 112155000/0 | Dado |
| Manico, Parte Inferiore Pag.3 | ||
| 1 | 381006737/0 | Manico, Parte Inferiore Nero Black |
| 2 | 112819110/0 | Vite |
| 3 | 122671651/0 | Rondella |
| 4 | 322399840/0 | Manopola Gialla Yellow |
| 5 | 112293200/0 | Dado |
| 7 | 112818900/0 | Vite |
| 9 | 322399840/0 | Manopola Gialla Yellow |
| 10 | 112293200/0 | Dado |
| 11 | 112155000/0 | Dado |
| 12 | 112521350/0 | Rondella |
| 13 | 112369500/0 | Disco Elastico |
| 14 | 112760605/0 | Vite |
| 15 | 381008692/0 | Dotazione Viteria Yellow |
| Manico, Parte Superiore Pag.4 | ||
| 1 | 381006740/0 | Manico, Parte Superiore |
| 2 | 112727783/0 | Vite |
| 3 | 322551640/0 | Piastrina Fissaggio Cavi To S/N 20AA2WBH066503 |
| 3 | 322551685/0 | Piastrina Fissaggio Cavi ø22 From S/N 20AA2WBH066504 |
| 4 | 381030085/0 | Cavo Comando Trazione |
| 5 | 181030084/0 | |
| 6 | 112154510/0 | Dado |
| 7 | 112154510/0 | Dado Not used on Electric Start Models |
| 8 | 112521330/0 | Rondella Not used on Electric Start Models |
| 9 | 122430313/0 | Molla Guida Not used on Electric Start Models |
| 10 | 381003394/0 | Leva Freno Motore Gialla Yellow To 31-August-2019 |
| 10 | 381003394/1 | Leva Freno Motore Gialla Yellow From 01-September-2019 |
| 11 | 381003395/0 | Leva Trazione Gialla |
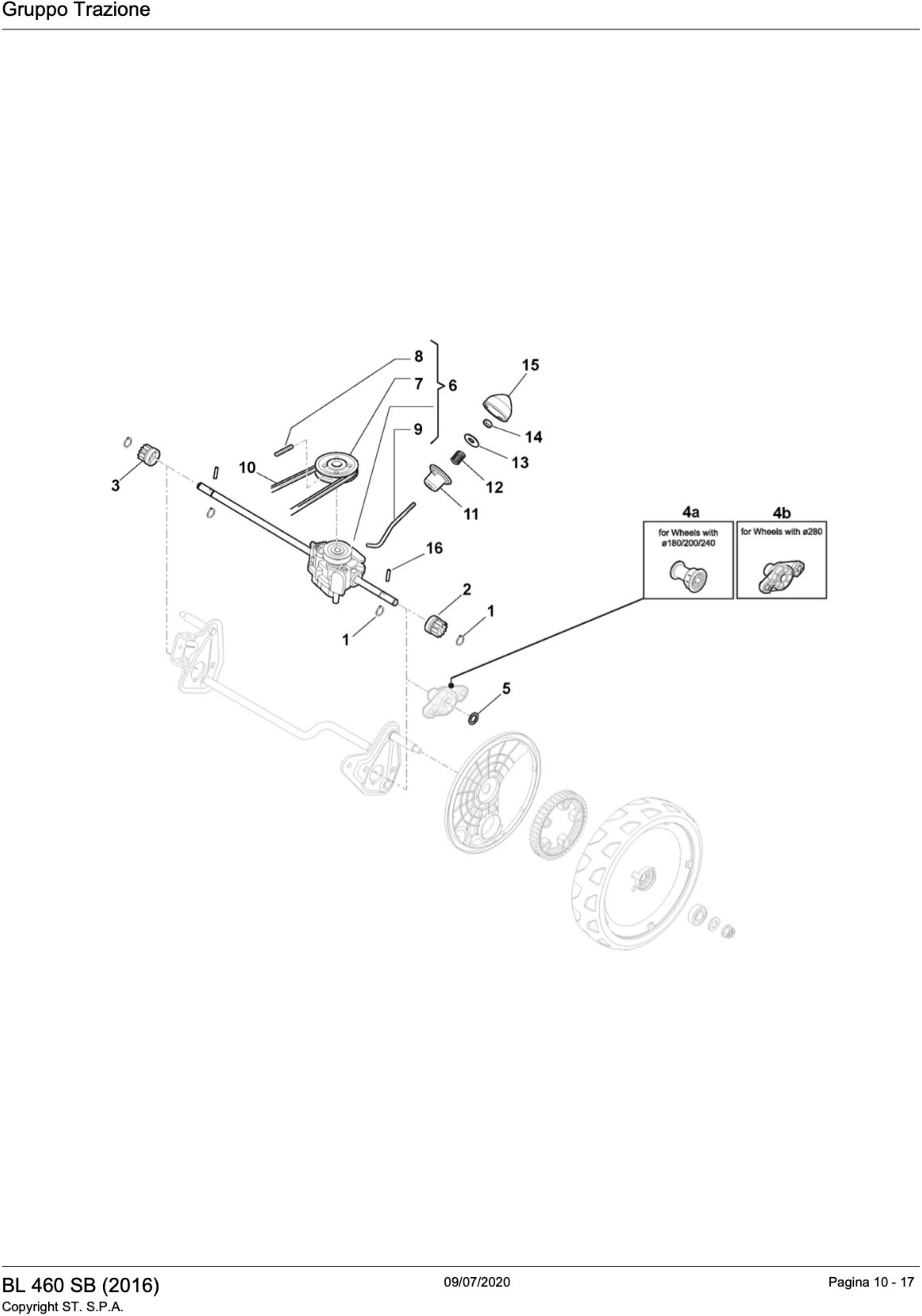
| Gruppo Trazione Pag.5 | ||
| 1 | 112608600/0 | Seeger |
| 2 | 122570120/1 | Pignone Sinistro |
| 3 | 122570110/1 | Pignone Destro |
| 4a | 322042066/0 | Boccola For wheels ø180/200/240 |
| 5 | 112521371/0 | Rondella |
| 6 | 181003092/0 | Gruppo Trazione |
| 7 | 122601904/0 | Puleggia To 31-August-2013 |
| 7 | 122601909/0 | Puleggia From 01-September-2013 |
| 8 | 112645705/0 | Spina Elastica ø5X32 |
| 9 | 122033283/0 | Asta Regolazione |
| 10 | 135063800/0 | Cinghia Trapezoidale |
| 11 | 122041957/1 | Boccola |
| 12 | 122450063/0 | Molla |
| 13 | 322680009/0 | Rondella |
| 14 | 112154510/0 | Dado |
| 15 | 122110230/0 | Coprimozzo |
| 16 | 122753000/0 | Spina |
| Ruote e Coprimozzi Pag.6 | ||
| 1 | 381007442/0 | Ruota - Short Lungo To 31-August-2012 |
| 1 | 381007442/1 | Ruota - Short Lungo From 01-September-2012 |
| 2 | 322042064/0 | Boccola |
| 3 | 322110636/0 | Coprimozzo Grigio |
| 5 | 381007462/0 | Ruota To 31-August-2012 |
| 5 | 381007462/1 | Ruota From 01-September-2012 |
| 6 | 322042064/0 | Boccola |
| 7 | 112728706/0 | Vite |
| 8 | 322120117/0 | Corona Trascinamento |
| 9 | 322110637/0 | Coprimozzo Grigio |
| Coltello (Lama) Pag.7 | ||
| 1 | 112735108/1 | Vite |
| 2 | 122465607/3 | Mozzo Con Puleggia, Albero Motore Ø 22.2 |
| 3 | 181004346/3 | Lama Sinistra Mulching To 31-August-2015 |
| 3 | 181004460/0 | Lama Mulching From 01-September-2015 |
| 4 | 112523080/0 | Rondella To 31-August-2015 |
| 4 | 322680021/0 | Rondella From 01-September-2015 |
| 5 | 112508125/0 | Disco Elastico |
| 6 | 112735698/0 | Vite |
| 7 | 112139100/0 | Linguetta |
| 8 | 112154210/0 | Dado |
| Sacco Di Raccolta Pag.8 | ||
| 1 | 322785331/0 | Supporto Fulcro Parasassi Nero |
| 2 | 122450464/0 | Molla |
| 3 | 322109554/0 | Copertura Parasassi, Nero Black To 31-August-2018 |
| 3 | 322109556/0 | Copertura Parasassi, Giallo Yellow |
| 3 | 322109557/0 | Copertura Parasassi, Grigio Grey |
| 4 | 112728699/0 | Vite |
| 5 | 322600206/1 | Parasassi Nero Black |
| 5 | 322600214/0 | Parasassi Giallo To 31-August-2011 |
| 5 | 322600214/1 | Parasassi Giallo From 01-September-2011 |
| 5 | 322600216/0 | Parasassi Grigio To 31-August-2011 |
| 5 | 322600216/1 | Parasassi Grigio From 01-September-2011 |
| 6 | 181006409/0 | Telaio Sacco |
| 7 | 181002319/0 | Sacco, Tela |