

Informazioni sulle spedizioni e consegne saranno disponibili a breve.
e centro di assistenza autorizzato. Garantiamo prezzi bassi e un servizio di riparazione professionale in grado di consigliarti l'acquisto del ricambio più adatto a risolvere rapidamente ogni problema di manutenzione e riparazione della Motosega P 450 (2004) 224618000/04.
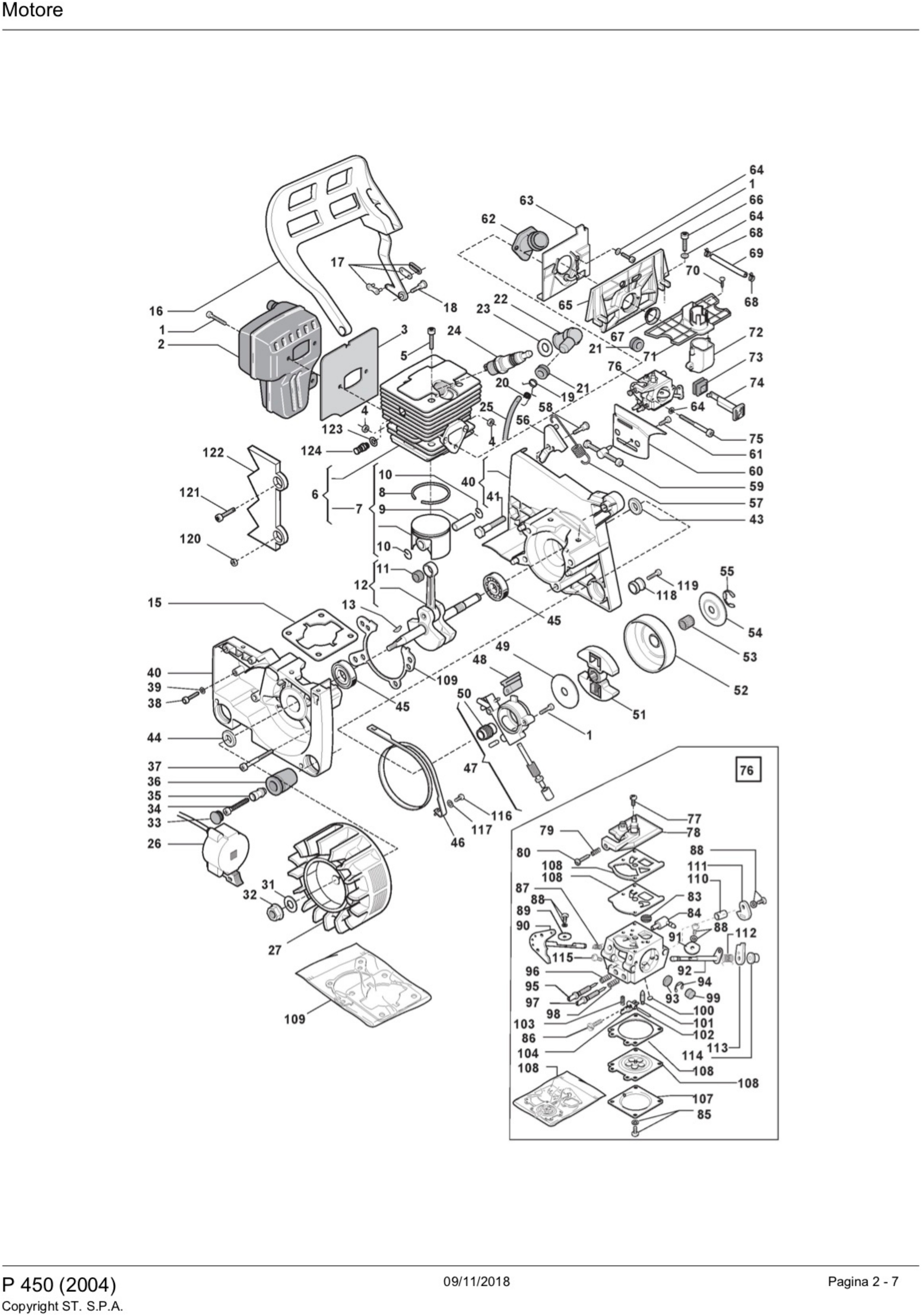
Nella tabella seguente, cercate il modello della Motosega ed il rispettivo codice del ricambio.
| ALPINA P 450 (2004) 224618000/04 pag.1 | ||
| Pos. | Codice | Descrizione |
| 1 | 2135030 | Vite |
| 2 | 4121931 | Ass. Silenziatore |
| 3 | 3615180 | Guarnizione Silenziatore |
| 4 | 2432040 | Dado |
| 5 | 2135060 | Vite |
| 6 | 3L8540970/1 | Ass.Cil-Pist Ø 45 (Incl.49) |
| 7 | 8540960 | Ass. Pistone Ø 45 |
| 8 | 3123110 | Fascia Elastica Ø 45 |
| 9 | 3158080 | Spinotto Pistone |
| 10 | 3356020 | Fermo Spinotto |
| 11 | 3116020 | Gabbia A Rulli |
| 12 | 8251360 | Albero Motore |
| 13 | 3151010 | Linguetta Volano |
| 15 | 3724190 | Guarnizione Cilindro |
| 16 | 4562417 | Paramano |
| 17 | 4250720 | Giunzione Catena |
| 18 | 3630660 | Perno |
| 19 | 3657450 | Fascetta Supp. Filo Bobina |
| 20 | 3657050 | Molla Attacco Candela |
| 21 | 3745130 | Gommino Passacavo |
| 22 | 3748880 | Cappuccio Candela |
| 23 | 3721420 | Rondella |
| 24 | 3210024 | Candela |
| 25 | 3211080 | Cavo Bobina |
| 26 | 3210690 | Bobina Elettronica |
| 27 | 4541220 | Volano Magnete |
| 31 | 2312080 | Rondella |
| 32 | 2432050 | Dado |
| 33 | 3749837 | Tappo |
| 34 | 2123030 | Vite |
| 35 | 3642680 | Boccola |
| 36 | 3744250 | Gommino Antivibrante |
| 37 | 2135130 | Vite |
| 38 | 2132510 | Vite |
| 39 | 2321050 | Rondella |
| 40 | 8520940 | Carter Motore |
| 41 | 2112460 | Vite |
| 43 | 3121120 | Anello Di Tenuta |
| 44 | 3121070 | Anello Di Tenuta |
| 45 | 3112030 | Cuscinetto A Sfere |
| 46 | 3613760 | Nastro Freno |
| 47 | 8251590 | Ass. Pompa Olio |
| 48 | 3744730 | Gommino Mandata Olio |
| 49 | 3613770 | Rondella |
| 50 | 3180310 | Vite Senza Fine |
| 51 | 4251750 | Ass. Frizione |
| 52 | 4121960 | Campana Frizione |
| 53 | 3114080 | Gabbia A Rulli |
| 54 | 3612620 | Rondella - NON FORNIBILE |
| 55 | 3351110 | Fermo Spinotto |
| 56 | 4121970 | Leva Aggancio Freno |
| 57 | 3654200 | Molla Freno |
| 58 | 3630670 | Perno |
| 59 | 4251710 | Ass. Tendicatena |
| 60 | 3613880 | Lamierino Base Barra Esterno |
| 61 | 2132500 | Vite TCEI4x10 |
| 62 | 3744710 | Collettore Aspirazione |
| 63 | 4251730 | Ass. Flangia Collet. Aspiraz. |
| 64 | 2312090 | Rondella |
| 65 | 4520960 | Supporto Carburatore |
| 66 | 2135040 | Vite |
| 67 | 3613900 | Boccola |
| 68 | 3657140 | Fascetta |
| 69 | 3782850 | Tubo Pulse |
| 70 | 2123090 | Vite |
| 71 | 3749840 | Base Per Filtro Aria |
| 72 | 3749850 | Supporto Filtro Aria |
| 73 | 3745650 | Gommino Leva Aria |
| 74 | 3743407 | Leva Aria |
| 75 | 2135110 | Vite M5x45 |
| 76 | 4253650 | Carburatore |
| 77 | 2652440 | Vite coperchio pompa |
| 78 | 3660520 | Coperchio Pompa |
| 79 | 3654140 | Molla |
| 80 | 2653310 | Vite |
| 83 | 3781450 | Filtro Carburante |
| 84 | 3748600 | Raccordo Presa Carburante |
| 85 | 2652430 | Vite |
| 86 | 2652610 | Vite |
| 87 | 3654230 | Molla |
| 88 | 2652390 | Vite |
| 89 | 3613650 | Farfalla Acceleratore |
| 90 | 3642870 | Albero Farfalla Accel. |
| 91 | 3614090 | Farfalla Aria |
| 92 | 3642880 | Albero Farfalla Aria |
| 93 | 3781510 | Filtro |
| 94 | 3356080 | Fermo |
| 95 | 2653291 | Vite |
| 96 | 3654100 | Molla |
| 97 | 2653420 | Vite |
| 98 | 3654110 | Molla |
| 99 | 3613640 | Tappo |
| 100 | 3613630 | Tappo Carburatore |
| 101 | 3630680 | Valvola A Spillo |
| 102 | 3640820 | Perno |
| 103 | 3654130 | Molla |
| 104 | 3612470 | Bilanciere |
| 107 | 3611510 | Coperchio |
| 108 | 8724090 | Kit Membrane-Guarnizioni Carb. |
| 109 | 8724230 | Serie Guarnizioni |
| 110 | 3642860 | Boccola |
| 111 | 3614340 | Leva Albero Farfalla |
| 112 | 3654350 | Molla |
| 113 | 3614350 | Leva |
| 114 | 3750050 | Boccola |
| 115 | 2653450 | Vite |
| 116 | 2125010 | Vite |
| 117 | 2312120 | Rondella |
| 118 | 3749400 | Fermacatena |
| 119 | 2135050 | Vite |
| 120 | 2432040 | Dado autobloccante |
| 121 | 2135010 | Vite |
| 122 | 3L3614510/1 | Chain-Saw Hinge 460/510 |
| 123 | 2360060 | Rondella |
| 124 | 3L4252080/2 | Decompressore |
| ALPINA P 450 (2004) 224618000/04 pag.2 | ||
| 1 | 4562397 | Maniglia |
| 2 | 2312090 | Rondella |
| 3 | 2123030 | Vite |
| 4 | 3744250 | Gommino Antivibrante |
| 5 | 3642680 | Boccola |
| 6 | 2135030 | Vite |
| 7 | 3749837 | Tappo |
| 9 | 2135040 | Vite |
| 10 | 4252177 | Ass. Avviatore Giallo |
| 11 | 2382250 | Boccola |
| 12 | 3749437 | Impugnatura Avviamento |
| 13 | 4611480 | Molla Avviamento |
| 14 | 3623510 | Boccola |
| 15 | 3723640 | Disco Per Molla Avv.To |
| 16 | 4563040 | Puleggia Avviamento |
| 17 | 3784010 | Fune Avviamento |
| 18 | 3613420 | Rondella |
| 19 | 2123030 | Vite |
| 20 | 8211060 | Cavi Stop Con Guaina |
| 21 | 3210970 | Interruttore Stop |
| 22 | 8251600 | Impugnatura |
| 23 | 4250950 | Ass. Tappo Miscela |
| 24 | 3721300 | O-Ring |
| 25 | 4250960 | Ass. Tappo Olio |
| 26 | 3721330 | O-Ring |
| 28 | 4253580 | Tubo Sfiato Miscela |
| 32 | 4253690 | Ass. Tubo Sfiato Olio |
| 33 | 8782880 | Ass. Filtro Olio |
| 34 | 8782870 | Pescante Miscela - NON FORNIBILE |
| 35 | 3655290 | Tirante Acceleratore |
| 36 | 3654180 | Molla |
| 37 | 3314140 | Spina |
| 38 | 3743387 | Leva Acceleratore |
| 39 | 3743397 | Leva Di Sicurezza |
| 40 | 3320170 | Fascetta In Lamella |
| 41 | 2412030 | Dado |
| 42 | 3781470 | Filtro Aria |
| 43 | 2653190 | Vite |
| 44 | 8562300 | Ass. Coprifiltro E Copricilindro Giallo - NON FORNIBILE |
| 45 | 2123060 | Vite |
| 46 | 3613890 | Lamierino Base Barra Esterno |
| 47 | 4251620 | Ass. Carter Frizione Giallo |
| 48 | 2670120 | Dado |
| 49 | 4112490 | Barra Guida 18inch |
| 50 | 4113433 | Catena 18inch |
| 51 | 3750080 | Aggancio Avviamento |
| 52 | 3750090 | Guida Agganci Avviamento |
| 53 | 3654390 | Molla |
| 54 | 3642980 | Boccola |
| 55 | 4181307 | Copribarra 16" |