

Informazioni sulle spedizioni e consegne saranno disponibili a breve.
e centro di assistenza autorizzato. Garantiamo prezzi bassi e un servizio di riparazione professionale post vendita in grado di consigliarti l'acquisto del ricambio più adatto a risolvere rapidamente ogni problema di manutenzione e riparazione del Decespugliatore a scoppio 2 tempi a miscela Alpina BJ 336 (2013) 280220000/ALP.
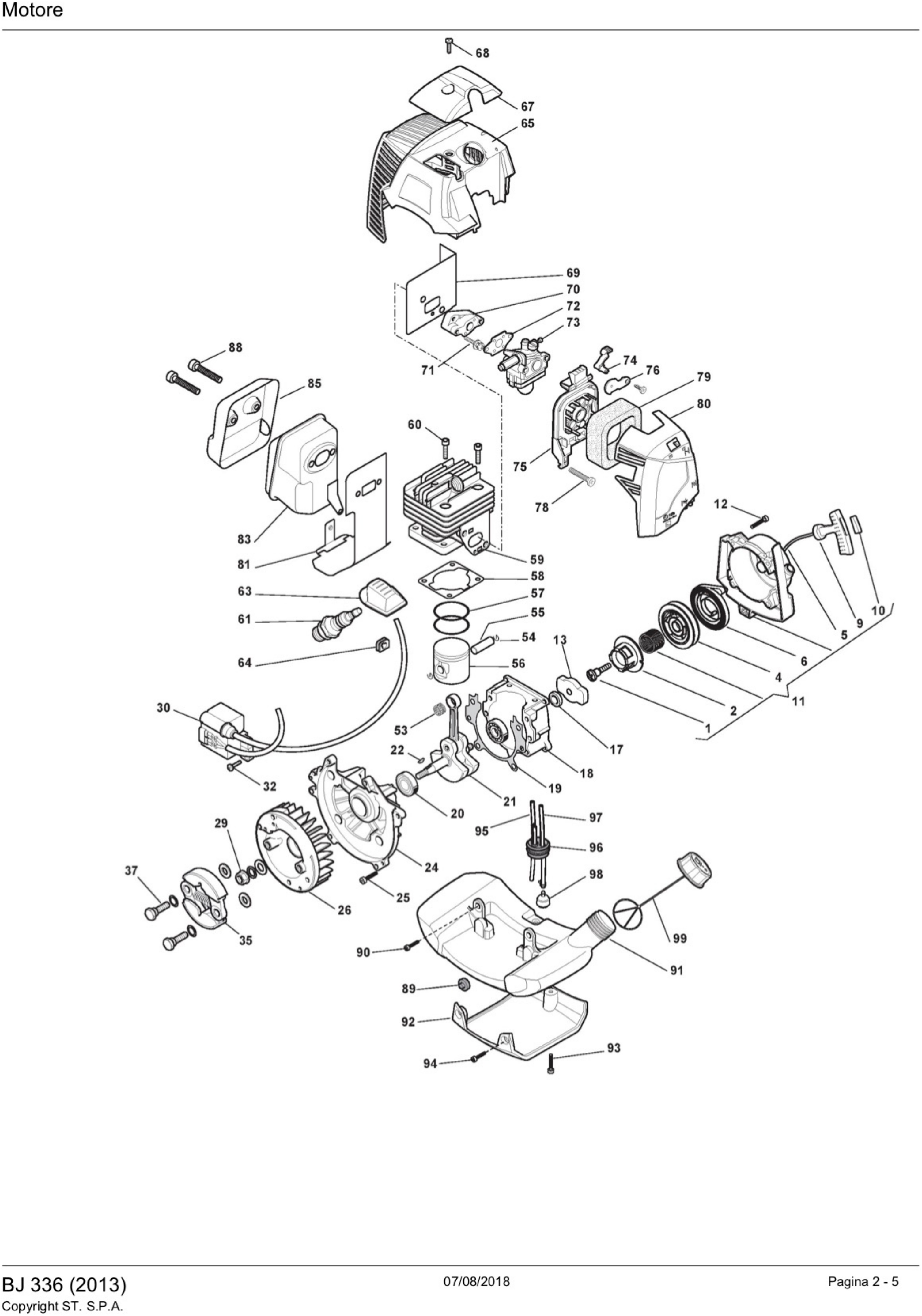
Nella tabella seguente, cercate il modello del Tagliaerba a filo Alpina ed il rispettivo codice del ricambio.![]()
| BJ 336 (2013) 280220000/ALP - Motore Pag.1 | ||
| Pos. | Codice | Descrizione |
| 1 | 118801251/0 | Vite |
| 2 | 118801250/0 | Mozzo |
| 4 | 118801249/0 | Puleggia Avviamento |
| 5 | 118801252/0 | Fune Avviamento |
| 6 | 118801253/0 | Molla |
| 9 | 118801263/0 | Impugnatura Avviamento |
| 10 | 118801264/0 | Fermo |
| 11 | 118801262/0 | Ass. Avviatore Nero |
| 12 | 2135030 | Vite |
| 13 | 118801254/0 | Ass. Coppa Avviamento |
| 17 | 119035159/0 | Anello Di Tenuta |
| 18 | 123685026/0 | Carter Motore, Lato Avviatore |
| 19 | 123280047/0 | Guarnizione Carter Motore |
| 20 | 114215218/0 | Cuscinetto A Sfere |
| 21 | 123020025/0 | Albero Motore |
| 22 | 123072002/0 | Linguetta Volano |
| 24 | 123685027/0 | Carter Motore, Lato Frizione |
| 25 | 2135060 | Vite |
| 26 | 123880018/0 | Volano Magnete SOSTITUITO DA 123880009/0 COMPRARE CON VOLANO |
| 29 | 112154200/0 | Dado |
| 30 | 123044018/0 | Bobina Elettronica SOSTITUITO DA 123044011/0 COMPRARE CON VOLANO |
| 32 | 2135030 | Vite |
| 35 | 123430583/0 | Massa Frizione |
| 37 | 123878058/0 | Vite |
| 53 | 123235007/0 | Gabbia A Rulli |
| 54 | 123202009/0 | Fermo Spinotto |
| 55 | 123760007/0 | Spinotto Pistone |
| 56 | 123590008/0 | Pistone |
| 57 | 123204010/0 | Fascia Elastica |
| 58 | 123280045/0 | Guarnizione Cilindro |
| 59 | 123071024/0 | Cilindro |
| 60 | 112760475/0 | Vite |
| 61 | 3210024 | Candela |
| 63 | 118801258/0 | Cappuccio Candela |
| 64 | 123275023/0 | Gommino Passacavo |
| 65 | 118801460/0 | Copricilindro Giallo |
| 67 | 118801463/0 | Capottina Gialla |
| 68 | 112788910/0 | Vite |
| 69 | 123280041/0 | Guarnizione Collettore Cilindro |
| 70 | 123073509/0 | Collettore Aspirazione |
| 71 | 2135030 | Vite |
| 72 | 118801227/0 | Guarnizione Carburatore - Collettore |
| 73 | 123054025/0 | Carburatore |
| 74 | 118801229/0 | Leva Albero Farfalla |
| 75 | 118801228/0 | Base + Coperchio Filtro Aria |
| 76 | 123190000/0 | Farfalla Aria |
| 78 | 2132160 | Vite |
| 79 | 123220011/0 | Filtro Aria |
| 80 | 118801297/0 | Coprifiltro Giallo |
| 81 | 118801267/0 | Guarnizione Silenziatore |
| 83 | 183740022/0 | Silenziatore |
| 85 | 118801256/0 | Coperchio Bianco |
| 88 | 2122210 | Vite |
| 89 | 123280060/0 | Guarnizione |
| 90 | 112788910/0 | Vite |
| 91 | 118801265/0 | Serbatoio Benzina |
| 92 | 118801266/0 | Protezione Inferiore |
| 93 | 2135030 | Vite |
| 94 | 2135200 | Vite |
| 95 | 118801319/0 | Tubo Ricircolo Miscela |
| 96 | 118801318/0 | Gommino Passatubi |
| 97 | 118801313/0 | Tubo Int. Pescante Miscela |
| 98 | 183520005/0 | Pescante Miscela |
| 99 | 118801243/0 | Assieme Tappo Mix |
| BJ 336 (2013) 280220000/ALP - Impugnatura Trasmissione Pag.2 | ||
| 1 | 123050012/0 | Ass. Campana Frizione |
| 2 | 2122080 | Vite |
| 3 | 118801261/0 | Protezione |
| 4 | 112610800/0 | Anello Elastico |
| 5 | 119216048/0 | Cuscinetto |
| 6 | 112609200/0 | Seeger |
| 7 | 118801259/0 | Carter Frizione |
| 8 | 112760475/0 | Vite |
| 9 | 118801260/0 | Pulsante |
| 10 | 118801316/0 | Riduzione |
| 11 | 118801311/0 | Riduzione |
| 12 | 118801310/0 | Supporto |
| 13 | 118801309/0 | Supporto |
| 14 | 2135020 | Vite |
| 15 | 2135030 | Vite |
| 21 | 183869073/0 | Ass. Tubo Trasmissione E Albero Flex |
| 22 | 123020038/0 | Albero Trasmissione |
| 31 | 118801337/0 | Staffa |
| 32 | 112789000/0 | Vite |
| 33 | 118801335/0 | Leva Di Sicurezza, Rosso |
| 34 | 118801336/0 | Leva Acceleratore, Rosso |
| 35 | 118801334/0 | Molla |
| 36 | 118801372/0 | Impugnatura Destra, Giallo |
| 37 | 112735105/0 | Vite |
| 38 | 118801354/0 | Cavo Acceleratore |
| 40 | 118801333/0 | Molla |
| 41 | 118801329/0 | Pomello Rosso |
| 43 | 118801330/0 | Lamierino Di Stop |
| 44 | 118801338/0 | Molla |
| 45 | 118801328/0 | Cavo Di Stop |
| 46 | 118801374/0 | Impugnatura Sinistra,Giallo |
| 50 | 118801322/0 | Adattatore Cavo Di Stop |
| 51 | 183780002/0 | Supporto Bretelle |
| 52 | 123170004/0 | Distanziale |
| 55 | 118801381/0 | Ass. Impugnatura Ant.,Giallo |
| 71 | 118801327/0 | Bretella |
| BJ 336 (2013) 280220000/ALP - Testina Pag.3 | ||
| 1 | 183820507/0 | Ass.Testina Ingranaggi |
| 6 | 112727801/0 | Vite |
| 7 | 112789000/0 | Vite |
| 8 | 112727794/0 | Vite |
| 10 | 123670002/0 | Protezione |
| 15 | 123250002/0 | Ghiera Superiore |
| 16 | 123250003/0 | Ghiera Inferiore |
| 18 | 123120015/0 | Dado |
| 21 | 123784012/0 | Supporto |
| 22 | 2135050 | Vite |
| 23 | 2135180 | Vite |
| 24 | 118801341/0 | Paraspruzzi, Nero |
| 25 | 112735654/0 | Vite |
| 26 | 118801342/0 | Protezione, Nero |
| 27 | 112728099/1 | Vite |
| 28 | 123311013/0 | Lamierino Tagliafilo |
| 31 | 123155009/0 | Testina 2 Fili |
| 32 | 123155010/0 | Disco 3 Punte |