

Informazioni sulle spedizioni e consegne saranno disponibili a breve.
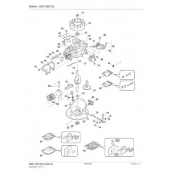
Ricambi originali Alpina per la sostituzione o la riparazione di componenti danneggiati od usurati del Motore RSC 100 OHV 118550736/0_110003RSC100 OHV - 2014.
Nella tabella seguente, cercate il modello del Motore ed il rispettivo codice del ricambio.![]()
| Motore RSC 100 OHV | ||
| 1 | 118550750/0 | Ass. Capottina Avviamento |
| 2 | 118550768/0 | Maniglia Avviatore |
| 3 | 118550766/0 | Fune avviamento |
| 4 | 118550695/0 | Puleggia Avviamento |
| 5 | 118550696/0 | Kit Agganci Avviatore |
| 6 | 118550713/0 | Vite |
| 7 | 118550714/0 | Vite |
| 8 | 112689515/0 | Vite |
| 9 | 118550712/0 | Serbatoio Benzina |
| 10 | 118550747/0 | Tappo Serbatoio |
| 11 | 118550715/0 | Filtro Carburante |
| 12 | 118550716/0 | Tubo Carburante |
| 13 | 118550753/0 | Carburatore |
| 14 | 118550706/0 | Vite |
| 15 | 112292102/0 | Dado |
| 16 | 118550771/0 | Ass. Filtro Aria |
| 17 | 118550748/0 | Filtro Aria |
| 18 | 118550772/0 | Coperchio Filtro Aria |
| 20 | 118550705/0 | Tubo Sfiato |
| 21 | 112292102/0 | Dado |
| 22 | 118550710/0 | Vite |
| 23 | 112735699/0 | Vite |
| 24 | 118550709/0 | Protezione Silenziatore |
| 25 | 118550749/0 | Silenziatore |
| 26 | 118550707/0 | Guarnizione Silenziatore |
| 31 | 118550719/0 | Bobina Elettronica |
| 32 | 112792099/0 | Vite |
| 33 | 118550658/0 | Candela K7RTC |
| 35 | 118550720/0 | Molla |
| 36 | 118550721/0 | Asta Regolatore |
| 37 | 118550751/0 | Molla |
| 38 | 118550736/0 | Motore Completo |
| 39 | 118550728/0 | Ass. Freno |
| 40 | 118550727/0 | Molla |
| 41 | 118550717/0 | Dado |
| 42 | 118550718/0 | Ass. Volano |
| 43 | 118550661/0 | Anello Di Tenuta |
| 44 | 118550729/0 | Ass. Testa Cilindro |
| 45 | 112735699/0 | Vite |
| 46 | 118550659/0 | Coperchio |
| 47 | 118550733/0 | Guarnizione Sfiato Olio |
| 48 | 118550660/0 | Filtro Olio |
| 49 | 118550680/0 | Guarnizione |
| 50 | 118550681/0 | Coperchio Valvole |
| 51 | 112735699/0 | Vite |
| 52 | 112791500/0 | Vite |
| 53 | 118550672/0 | Ass. Carter Motore |
| 54 | 118550668/0 | Anello Di Tenuta |
| 55 | 118550745/0 | Ass. Tappo Olio |
| 56 | 118550670/0 | Anello Or |
| 57 | 118550664/0 | Perno |
| 61 | 118550674/0 | Albero Motore |
| 62 | 118550673/0 | Rondella |
| 63 | 118550675/0 | Asta Collegamento |
| 64 | 118550678/0 | Fermo + Spinotto Pistone |
| 65 | 118550677/0 | Ass. Pistone |
| 66 | 118550679/0 | Ass. Fasce Elastiche |
| 67 | 118550682/0 | Albero Camme |
| 68 | 112735699/0 | Vite |
| 69 | 118550662/0 | Ass. Regolatore |
| 70 | 118550665/0 | Albero Regolatore |
| 71 | 118550666/0 | Rondella |
| 72 | 118550671/0 | Guarnizione |
| 73 | 118550723/0 | Supporto Regolazione |
| 74 | 118550726/0 | Vite |
| 75 | 118550722/0 | Dado |
| 76 | 118550667/0 | Coppiglia |
| 77 | 118550683/0 | Alzavalvole |
| 78 | 118550684/0 | Aste Di Punteria |
| 79 | 118550685/0 | Piastrina |
| 80 | 118550686/0 | Vite |
| 81 | 118550687/0 | Bilanciere Valvole |
| 82 | 118550688/0 | Dado |
| 83 | 118550689/0 | Dado |
| 85 | 118550746/0 | Comando Acceleratore |
| 86 | 112735699/0 | Vite |
| 87 | 118550752/0 | Molla |
| 89 | 112791500/0 | Vite |
| 90 | 112735699/0 | Vite |
| 91 | 118550692/0 | Ass. Valvola Scarico |
| 92 | 118550691/0 | Ass. Valvola Aspirazione |
| 93 | 118550690/0 | Molla |
| 94 | 118550699/0 | Kit Guarnizioni Carburatore |
| 95 | 118550731/0 | Ass. Guarnizioni Testa Cilindro |
| 96 | 118550730/0 | Ass. Guarnizioni Motore |