

Informazioni sulle spedizioni e consegne saranno disponibili a breve.
con i prezzi più competitivi del web, siamo un centro di assistenza autorizzato con servizio di riparazione in grado di consigliarti l'acquisto del ricambio più adatto a risolvere rapidamente ogni problema di manutenzione e riparazione della Motosega A 505 (2018) 205020000.
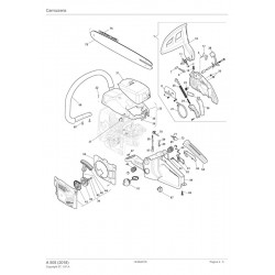
Nella tabella seguente, cercate il modello della Motosega a Scoppio ed il rispettivo codice del ricambio.
| A 505 (2018) 205020000/ALP - Motore Pag.1 | ||
| Pos. | Codice | Descrizione |
| 1 | 118800234/0 | Cilindro Tipo B |
| 1 | 118803935/0 | Cilindro Tipo A |
| 2 | 2432040 | Dado |
| 3 | 123657017/0 | Rondella |
| 4 | 123657013/0 | Rondella |
| 5 | 118550545/0 | Piastra |
| 6 | 118550546/0 | Silenziatore |
| 7 | 118550547/0 | Guarnizione Silenziatore |
| 8 | 118550548/0 | Vite |
| 9 | 2135030 | Vite |
| 10 | 3210024 | Candela |
| 11 | 118550549/0 | Guarnizione Collettore Cilindro |
| 11 | 118804190/0 | Molla |
| 12 | 118550550/0 | Collettore Aspirazione |
| 12 | 118804191/0 | Collettore Aspirazione |
| 13 | 2135180 | Vite |
| 14 | 118801151/0 | Anello Di Tenuta |
| 15 | 118550551/0 | Guarnizione Base Cilindro |
| 16 | 118800159/0 | Fascia Elastica |
| 17 | 118800235/0 | Pistone |
| 18 | 118550553/0 | Fermo Spinotto |
| 19 | 118800236/0 | Spinotto Pistone |
| 20 | 118550555/0 | Gabbia A Rulli |
| 21 | 118550556/0 | Albero Motore |
| 22 | 118550557/0 | Gabbia A Rulli |
| 23 | 118800959/0 | Chiavetta |
| 24 | 118800219/0 | Molla |
| 25 | 118800220/0 | Supporto |
| 26 | 118800189/0 | Vite |
| 27 | 118800221/0 | Fermacatena |
| 28 | 2135180 | Vite |
| 29 | 118800222/0 | Ass. Valvola Sfiato |
| 30 | 118800223/0 | Fermo |
| 31 | 118800224/0 | Tappo |
| 32 | 118550596/0 | Arpione |
| 33 | 2135180 | Vite |
| 34 | 118550558/0 | Ass. Filtro Olio |
| 35 | 118801152/0 | Corpo,Filtro Olio |
| 36 | 118550559/0 | Tubo Pescante Olio |
| 37 | 2135180 | Vite |
| 38 | 118550560/0 | Ass. Pompa Olio |
| 39 | 118801153/0 | Guarnizione In Spugna |
| 40 | 118550561/0 | Tubo Mandata Olio |
| 41 | 118801154/0 | Guida |
| 42 | 118550593/0 | Vite |
| 43 | 118550562/0 | Ass. Frizione |
| 47 | 118550563/0 | Rondella |
| 48 | 118550564/0 | Gabbia A Rulli |
| 49 | 118550565/0 | Ass. Campana Frizione |
| 50 | 118550566/0 | Ruote Dentata 325" |
| 51 | 118550567/0 | Vite Senza Fine |
| 52 | 118800226/0 | Coperchio Pompa Olio |
| 53 | 118550568/0 | Anello Di Tenuta |
| 54 | 3112030 | Cuscinetto A Sfere |
| 55 | 118800227/0 | Gommino |
| 56 | 118800228/0 | Gommino Leva Aria |
| 57 | 118801155/0 | Leva Aria |
| 58 | 118800230/0 | Piastrina |
| 59 | 118550569/0 | Gommino Antivibrante |
| 60 | 118800231/0 | Ass. Collettore Aspirazione |
| 61 | 118800232/0 | Protezione |
| 62 | 118550570/0 | Piastrina |
| 63 | 118550571/0 | Flangia |
| 64 | 118550572/0 | Carburatore |
| 65 | 118550573/0 | Collettore Aspirazione |
| 66 | 118801156/0 | Pomello |
| 67 | 118550574/0 | Filtro Aria Completo |
| 68 | 118801157/0 | Prigioniero |
| 69 | 118800277/0 | Gommino |
| 70 | 2135180 | Vite |
| 71 | 118800272/0 | Carter Motore, Lato Frizione |
| 72 | 118800225/0 | Coperchio Parapolvere |
| 73 | 118801158/0 | Spina |
| 74 | 118801159/0 | Cavo Massa |
| 75 | 118801160/0 | Tappo |
| 76 | 118800273/0 | Piastrina |
| 77 | 2135030 | Vite |
| 78 | 118800276/0 | Piastrina |
| 79 | 123657017/0 | Rondella |
| 80 | 2135180 | Vite |
| 81 | 2135180 | Vite |
| 82 | 118550577/0 | Ass. Volano |
| 83 | 123120004/0 | Dado |
| 84 | 118800762/0 | Tappo Olio |
| 85 | 2135180 | Vite |
| 88 | 118801161/0 | Tubo |
| 89 | 118801162/0 | Ugello Mandata Olio |
| 90 | 118800274/0 | Carter Motore, Lato Avviatore |
| 91 | 112610002/0 | Anello Elastico |
| 92 | 118550578/0 | Anello Di Tenuta |
| 93 | 118550579/0 | Bobina Elettronica |
| 94 | 118801163/0 | Cavo Di Stop |
| 95 | 118801164/0 | Protezione |
| 96 | 118801165/0 | Tappo |
| 97 | 118550581/0 | Guarnizione Carter |
| 98 | 118800275/0 | Lamierino Base Barra |
| A 505 (2018) 205020000/ALP - Alloggiamento Pag.2 | ||
| 1 | 118801131/0 | Carter Giallo Destro |
| 5 | 123753001/0 | Spina |
| 6 | 118801067/0 | Vite |
| 7 | 118801065/0 | Tassello Tendicatena |
| 8 | 118800163/0 | Lamierino Base Barra |
| 9 | 118800189/0 | Vite |
| 10 | 118801132/0 | Paramano |
| 11 | 118800746/0 | Molla Freno |
| 14 | 323670001/0 | Piastrina |
| 15 | 118800745/0 | Molla |
| 17 | 383315051/0 | Leva Sgancio Freno |
| 20 | 118801134/0 | Molla |
| 21 | 118800165/0 | Nastro Freno |
| 23 | 118801066/0 | Pignone |
| 24 | 118801135/0 | Fermacatena |
| 26 | 118801136/0 | Coperchio Parapolvere |
| 28 | 118800748/0 | Contrappeso |
| 29 | 118801167/0 | Molla |
| 30 | 118800186/0 | Dado |
| 31 | 118801133/0 | Coprifiltro Nero |
| 32 | 123878024/0 | Vite |
| 33 | 118801138/0 | Copricilindro Giallo |
| 35 | 118800768/0 | Manopolina |
| 36 | 118800740/0 | Perno |
| 37 | 118801166/0 | Guida |
| 38 | 118801139/0 | Convogliatore Aria |
| 39 | 118801141/0 | Ass. Avviatore Giallo |
| 40 | 118800189/0 | Vite |
| 42 | 118800169/0 | Puleggia Avviamento |
| 43 | 118800280/0 | Molla Avviamento |
| 44 | 118801142/0 | Impugnatura Avviamento |
| 45 | 118801178/0 | Filo |
| 47 | 118800170/0 | Gommino Antivibrante |
| 48 | 118801145/0 | Ass. Impugnatura,Giallo |
| 49 | 118800172/0 | Gommino Antivibrante |
| 51 | 118800761/0 | Ass. Tappo Miscela |
| 55 | 118801146/0 | Tubo Benzina |
| 57 | 118800173/0 | Ass. Pescante Miscela |
| 58 | 118800175/0 | Ass. Valvola Sfiato |
| 59 | 118800744/0 | Gommino |
| 60 | 118800174/0 | Asta Acceleratore |
| 61 | 118800176/0 | Leva Acceleratore |
| 62 | 118800177/0 | Molla |
| 63 | 118801147/0 | Spina |
| 64 | 118801148/0 | Parte Superiore Impugnatura,Nero |
| 65 | 118800179/0 | Leva Di Sicurezza |
| 66 | 118800189/0 | Vite |
| 67 | 118800202/0 | Interruttore |
| 68 | 118801149/0 | Impugnatura-Corrimano |
| 69 | 118800189/0 | Vite |
| 70 | 118801150/0 | Tubo |
| 71 | 118800204/0 | Tubo Pescante |
| 72 | 118800181/0 | Primer |
| 75 | 123900372/0 | Barra Guida 20"-.325"-0,058" |
| 76 | 1519-1003-78 | Catena 20" .325'' .058'' 21BPX0-78X |