

Informazioni sulle spedizioni e consegne saranno disponibili a breve.
Distribuzione di Ricambi originali STIGA-ALPINA-CASTOR-CASTELGARDEN-Mountfield e centro di assistenza autorizzato. Garantiamo prezzi bassi e un servizio di riparazione professionale in grado di consigliarti l'acquisto del ricambio più adatto a risolvere rapidamente ogni problema di manutenzione e riparazione del Decespugliatore ALPINA B 52 D (2018) 287421000/16.
Nella tabella seguente, cercate il modello del Decespugliatore ed il rispettivo codice del ricambio.
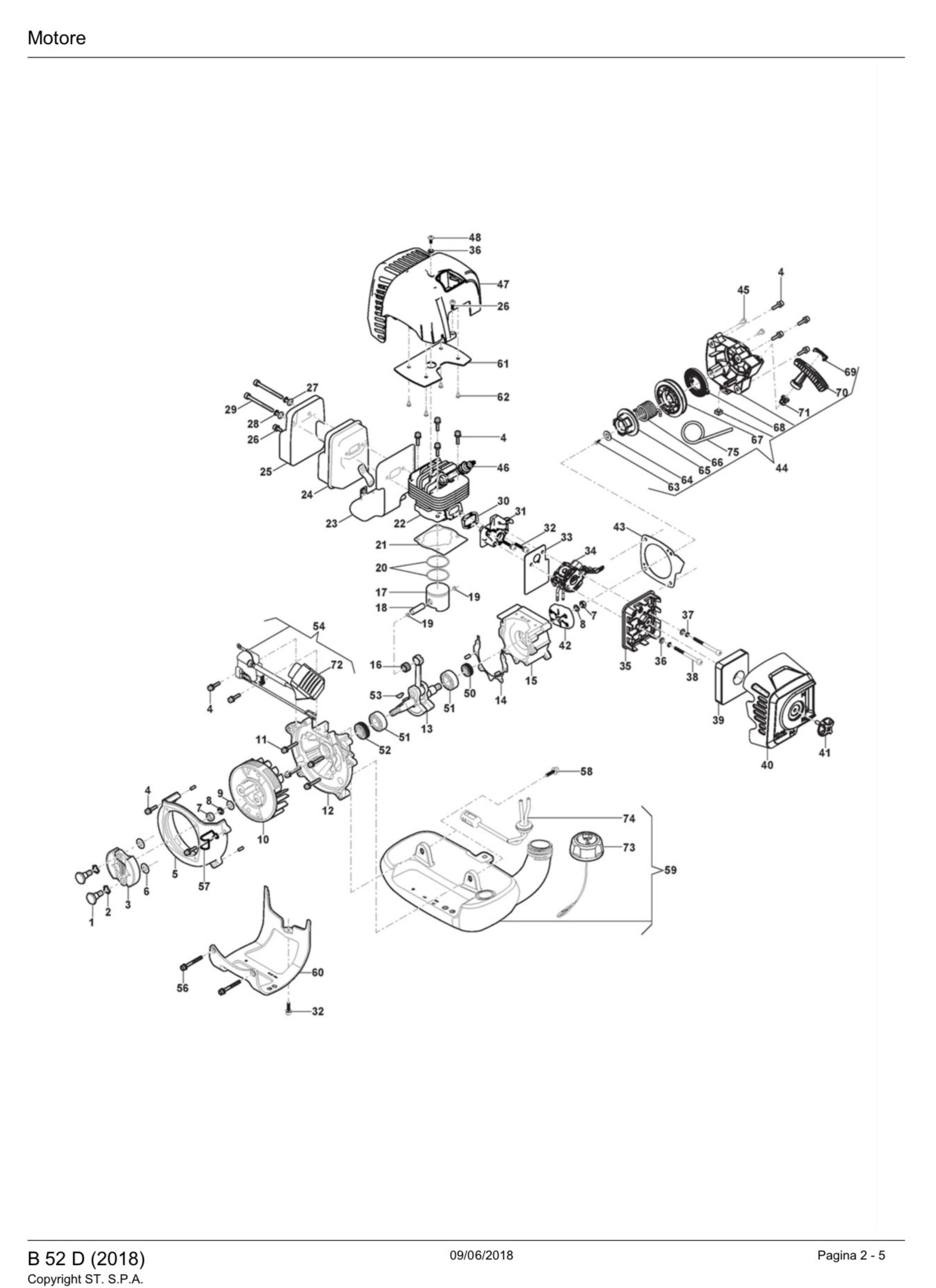
| ALPINA B 52 D (2018) 287421000/16 - Motore Pag.1 | ||
| Pos. | Codice | Descrizione |
| 1 | 118804038/0 | Vite |
| 2 | 118804045/0 | Rondella |
| 3 | 118804000/0 | Frizione |
| 4 | 112789008/0 | Vite |
| 5 | 118804033/0 | Copertura Volano |
| 6 | 118804046/0 | Rondella |
| 7 | 112293200/0 | Dado |
| 8 | 112369500/0 | Disco Elastico |
| 9 | 112521350/0 | Rondella |
| 10 | 118804013/0 | Volano Magnete |
| 11 | 2135130 | Vite |
| 12 | 118804025/0 | Carter Motore, Lato Frizione |
| 13 | 118803990/0 | Albero Motore |
| 14 | 118804079/0 | Guarnizione Carter Motore |
| 15 | 118804027/0 | Carter Motore, Lato Avviatore |
| 16 | 118804019/0 | Gabbia A Rulli |
| 17 | 118804036/0 | Pistone 51.7CC |
| 18 | 118804040/0 | Spinotto Pistone |
| 19 | 118804049/0 | Fermo Spinotto |
| 20 | 118804023/0 | Fascia Elastica |
| 21 | 118804080/0 | Guarnizione Cilindro |
| 22 | 118804035/0 | Cilindro 51.7CC |
| 23 | 118804085/0 | Guarnizione Silenziatore |
| 24 | 118803992/0 | Silenziatore |
| 25 | 118804048/0 | Protezione Silenziatore |
| 26 | 2135180 | Vite |
| 27 | 112521330/0 | Rondella |
| 28 | 112582100/0 | Grower |
| 29 | 118801180/0 | Vite |
| 30 | 118804081/0 | Guarnizione |
| 31 | 118804064/0 | Collettore Aspirazione |
| 32 | 6981102 | Dotazione Viteria |
| 33 | 118804083/0 | Guarnizione Carburatore |
| 34 | 118804009/0 | Carburatore |
| 35 | 118804063/0 | Base Filtro Aria |
| 36 | 112521320/0 | Rondella |
| 37 | 112581500/0 | Grower |
| 38 | 2135250 | Vite |
| 39 | 118804074/0 | Filtro Aria |
| 40 | 118803963/0 | Coprifiltro |
| 41 | 118803174/0 | Manopolina, Grigia |
| 42 | 118803996/0 | Coppa Avviamento |
| 43 | 118804051/0 | Guarnizione |
| 44 | 118803994/0 | Ass. Avviatore |
| 45 | 112727356/0 | Vite |
| 46 | 3210024 | Candela |
| 47 | 322055542/0 | Cuffia Copricilindro Bianco |
| 48 | 112727796/0 | Vite |
| 50 | 118801188/0 | Anello Di Tenuta |
| 51 | 3112040 | Cuscinetto A Sfere |
| 52 | 118804020/0 | Anello Di Tenuta |
| 53 | 123072002/0 | Linguetta Volano |
| 54 | 118804864/0 | Ass. Bobina Elettronica |
| 56 | 2135110 | Vite |
| 57 | 118804055/0 | Aggancio Cavo |
| 58 | 112760475/0 | Vite |
| 59 | 118804004/0 | Ass. Serbatoio |
| 60 | 118803962/0 | Supporto |
| 61 | 118804087/0 | Convogliatore Aria |
| 62 | 112727815/0 | Vite |
| 63 | 112727790/0 | Vite |
| 64 | 112523020/0 | Rondella |
| 65 | 118803975/0 | Camma Avviamento |
| 66 | 118804061/0 | Molla Avviamento |
| 67 | 118803976/0 | Puleggia Avviamento |
| 68 | 118804060/0 | Molla |
| 69 | 118804071/0 | Placca Starter Bianco |
| 70 | 118803984/0 | Maniglia Avviatore |
| 71 | 118804068/0 | Guida Cavo |
| 72 | 118803163/0 | Cappuccio Candela |
| 73 | 322735152/0 | Tappo Serbatoio |
| 74 | 118804005/0 | Tubo Benzina |
| 75 | 118803181/0 | Fune Avviamento |
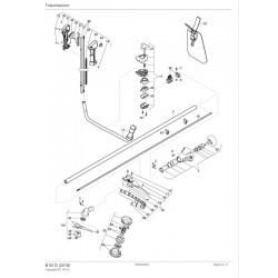
| ALPINA B 52 D (2018) 287421000/16 - Trasmissione Pag.2 | ||
| 1 | 118804002/0 | Ass.Supporto Trasmissione |
| 2 | 118803958/0 | Tubo Trasmissione |
| 3 | 6981145 | Vite |
| 4 | 112727799/0 | Vite |
| 5 | 112727801/0 | Vite |
| 7 | 112760475/0 | Vite |
| 8 | 112291000/0 | Dado |
| 9 | 118803987/0 | Supporto Maniglia |
| 10 | 112727801/0 | Vite |
| 11 | 118803210/0 | Impugnatura Sinistra |
| 13 | 123878017/0 | Vite |
| 14 | 112154330/0 | Dado |
| 15 | 118804042/0 | Albero Trasmissione |
| 16 | 118803999/0 | Ass.Testina Ingranaggi |
| 17 | 118804052/0 | Piastrina |
| 18 | 118803954/0 | Ass. Paraspruzzi |
| 19 | 2132180 | Vite |
| 20 | 118801125/0 | Disco 3 Punte |
| 22 | 1911-9227-01 | Testina A Fili |
| 23 | 118804015/1 | Bretella |
| 24 | 118804066/0 | Aggancio Cavo |
| 25 | 118804037/0 | Campana Frizione |
| 26 | 118804065/0 | Supporto Bretelle |
| 27 | 118804062/0 | Manopolina |
| 28 | 118804072/0 | Supporto Manubrio Superiore |
| 29 | 118804075/0 | Supporto Manubrio Inferiore |
| 30 | 118803974/0 | Impugnatura Sinistra Bianca |
| 31 | 118803964/0 | Impugnatura Destra Bianca |
| 32 | 118803221/0 | Leva Acceleratore |
| 33 | 118803219/0 | Leva Di Sicurezza |
| 34 | 118803213/0 | Interruttore |
| 35 | 118803220/0 | Molla |
| 36 | 112727810/0 | Vite |
| 37 | 118803986/0 | Cavo Acceleratore |
| 38 | 118803217/0 | Cavo Di Stop |
| 39 | 2452090 | Dado |
| 40 | 118804050/0 | Coperchio Parapolvere |
| 41 | 118804043/0 | Ghiera Superiore |
| 42 | 118804044/0 | Ghiera Inferiore |
| 44 | 118804058/0 | Protezione |
| 45 | 112727815/0 | Vite |
| 46 | 118803202/0 | Supporto |
| 47 | 118804056/0 | Lamierino Tagliafilo |
| 48 | 6981149 | Vite |
| 49 | 112728531/0 | Vite |
| 50 | 118804890/0 | Line Retainer |
| 51 | 118804889/0 | Molla |
| 52 | 118804888/0 | Coperchio + Manopola |
| 55 | 118804955/0 | Ass. Impugnatura, Giallo |