

Informazioni sulle spedizioni e consegne saranno disponibili a breve.
We are Dealers of STIGA original spare parts at low at unbeatable prices, we are an authorized service center with repair service able to advise you on the purchase of the most suitable spare part to quickly resolve any maintenance or repair issues for Brushcutter SBC 252 F/287422002/17-2019.
In the following table, look for the model of the Brushcutter and the respective parts of the code.
| STIGA Brushcutter SBC 252 F/287422002/17-2019 | ||
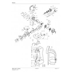
| Engine Pag.1 | ||
| # | Part Num. | Description |
| 1 | 118804038/0 | Screw |
| 2 | 118804045/0 | Washer |
| 3 | 118804000/0 | Clutch Assy |
| 4 | 112789008/0 | Screw |
| 5 | 118804033/0 | Flywheel cover |
| 6 | 118804046/0 | Washer |
| 7 | 112155015/0 | Nut |
| 8 | 112369500/0 | Elastic Disc |
| 9 | 112521350/0 | Washer |
| 10 | 118804013/0 | Flywheel |
| 11 | 9950-0530-16 | Screw |
| 12 | 118804569/0 | Engine Cover, Clutch Side |
| 13 | 118803990/0 | Crankshaft |
| 14 | 118804079/0 | Engine Crankcase Gasket |
| 15 | 118804570/0 | Engine Cover, Starter Side |
| 16 | 118804019/0 | Needle Bearing |
| 17 | 118804036/0 | Piston |
| 18 | 118804040/0 | Piston pin |
| 19 | 118804049/0 | Circlip |
| 20 | 118804023/0 | Piston Ring |
| 21 | 118804080/0 | Cylinder gasket |
| 22 | 118804035/0 | Cylinder 51.7CC |
| 23 | 118804085/0 | Muffler gasket |
| 24 | 118803992/0 | Muffler |
| 25 | 118804048/0 | Muffler protection |
| 26 | 2135040 | Screw |
| 27 | 112521330/0 | Washer |
| 29 | 118801180/0 | Screw |
| 30 | 118804081/0 | Gasket |
| 31 | 118804064/0 | Intake manifold |
| 32 | 118804549/0 | Pin |
| 33 | 118804083/0 | Carburetor gasket |
| 34 | 118804009/0 | Carburetor |
| 35 | 118804063/0 | Air Filter Base |
| 36 | 112521320/0 | Washer |
| 37 | 112581500/0 | Grower |
| 38 | 2135250 | Screw |
| 39 | 118804547/0 | Paper Filter |
| 40 | 118803968/0 | Yellow filter cover |
| 41 | 118803174/0 | Manopolina, Gray |
| 42 | 118803996/0 | Starter Cup |
| 43 | 118804051/0 | Gasket |
| 44 | 118803994/0 | Starter Assy |
| 45 | 123878121/0 | Screw |
| 46 | 3210024 | Spark Plug |
| 47 | 118803970/0 | Yellow cylinder cap |
| 48 | 112727796/0 | Screw |
| 50 | 118801188/0 | Seal ring |
| 51 | 3112040 | Ball bearing |
| 52 | 118804020/0 | Seal ring |
| 53 | 123072002/0 | Woodruff |
| 54 | 118804864/0 | Ignition Coil |
| 56 | 118804430/0 | Screw |
| 57 | 118804055/0 | Cable coupling |
| 58 | 112760475/0 | Screw |
| 59 | 118804004/0 | Fuel Tank Assy |
| 60 | 118804572/0 | Support |
| 61 | 118804087/0 | Air conveyor |
| 62 | 112727815/0 | Screw |
| 63 | 112727796/0 | Screw |
| 64 | 112523020/0 | Washer |
| 65 | 118803975/0 | Starting Cam |
| 66 | 118804061/0 | Starting Spring |
| 67 | 118803976/0 | Starter Pulley |
| 68 | 118804060/0 | Spring |
| 69 | 118804069/0 | Yellow Starter Plate |
| 70 | 118803984/0 | Starter handle |
| 71 | 118804068/0 | Cable Guide |
| 72 | 118803163/0 | Spark Plug cap |
| 73 | 322735152/0 | Tank cap |
| 74 | 118804005/0 | Fuel pipe |
| 75 | 118803181/0 | Starting rope |
| 80 | 118804548/0 | Grommet |
| 81 | 112154330/0 | Nut |
| 82 | 118804550/0 | Grommet |
| 83 | 118804551/0 | Tank bracket |
| 84 | 112728099/1 | Screw |
| 88 | 118804571/0 | Bushing |
| 89 | 118801180/0 | Screw |
| 90 | 118804573/0 | Motor Support Plate |
| 91 | 118804574/0 | Bearing Flange |
| 92 | 119216048/0 | Ball Bearing |
| 93 | 118804575/0 | Spring |
| 94 | 118804576/0 | Frame |
| 95 | 112727791/0 | Screw |
| 96 | 112582100/0 | Grower |
| 97 | 112292102/0 | Nut |
| 98 | 112727795/0 | Screw |
| 99 | 2670280 | Nut |
| 100 | 118804577/0 | Bush |
| 101 | 2132180 | Screw |
| 102 | 112523080/0 | Washer |
| 103 | 112585100/0 | Washer |
| 104 | 112295200/0 | Nut |
| 105 | 118804578/0 | Harness |
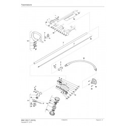
| Trasmission Pag.2 | ||
| 1 | 118804582/0 | Transmission Connecting Pipe |
| 2 | 118804584/0 | Transmission shaft |
| 3 | 118804579/0 | Transmission Tube |
| 4 | 6981145 | Screw |
| 5 | 112728721/0 | Screw |
| 6 | 112727799/0 | Screw |
| 8 | 118801182/0 | Holder Harness |
| 9 | 112727790/0 | Screw |
| 10 | 118803955/0 | Front Yellow Handle Assy |
| 11 | 118801184/0 | Gear Case Assembly |
| 12 | 118804054/0 | Plastic Protection Guard Plate |
| 14 | 2132180 | Screw |
| 15 | 118803954/0 | Safety Cover Assy |
| 16 | 1911-9227-01 | Wire Head |
| 17 | 118801125/0 | Disc 3 Tips |
| 19 | 112154330/0 | Nut |
| 20 | 118804583/0 | Flexible Trasmission Shaft Assy |
| 21 | 118803966/0 | Yellow Left Handle |
| 22 | 118803972/0 | Yellow Right Handle |
| 23 | 118803149/0 | Switch |
| 24 | 118803147/0 | Switch |
| 25 | 118803150/0 | Accelerator Lever, Yellow |
| 26 | 118803146/0 | Bracket |
| 27 | 118804189/0 | Threaded insert |
| 28 | 118803151/0 | Spring |
| 29 | 118803148/0 | Spring |
| 30 | 112727810/0 | Screw |
| 31 | 112726389/0 | Screw |
| 32 | 118804014/0 | Switch |
| 33 | 118804580/0 | Throttle Cable |
| 34 | 118804581/0 | Stop Cable |
| 36 | 2452090 | Nut |
| 37 | 118803206/0 | Dust Cover |
| 38 | 118803205/0 | Lower ring |
| 39 | 118803204/0 | Upper ring |
| 41 | 112727815/0 | Screw |
| 42 | 118803202/0 | Support |
| 43 | 118804056/0 | Thread cutter sheet |
| 44 | 6981149 | Screw |
| 45 | 112728531/0 | Screw |
| 46 | 118804058/0 | Guard |
| 50 | 118804585/0 | Joint |
| 51 | 112582100/0 | Grower |
| 52 | 112521330/0 | Washer |
| 53 | 6981102 | Kit Scres |
| 55 | 112727799/0 | Screw |
| 56 | 118804568/0 | Support Transmission Assy |
| 60 | 118804890/0 | Line Retainer |
| 61 | 118804889/0 | Spring |
| 62 | 118804888/0 | Cap + Knob |
| 65 | 118804956/0 | Handle, Yellow Assy |
| 66 | 118804958/0 | Cables Assy |