- Online only


Informazioni sulle spedizioni e consegne saranno disponibili a breve.
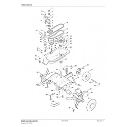
| Stiga Motorhoe SRC 550 RB/212501022-14-2017 | ||
| Trasmission Pag.1 | ||
| Engine 4 T. B&S Series 450 | ||
| # | Part Num. | Description |
| 1 | 9997-1020-16 | Screw |
| 2 | 9699-0105-02 | Washer |
| 3 | 1483-2001-01 | Bushing |
| 4 | 1483-2020-01 | Spacer |
| 5 | 1483-2033-01 | Spring |
| 6 | 9747-1031-02 | Nut |
| 7 | 1483-2076-01 | Screw |
| 8 | 1483-2004-01 | Pulley |
| 9 | 1483-2032-01 | Lever |
| 10 | 9747-1231-02 | Nut |
| 11 | 9799-1031-02 | Nut |
| 12 | 9699-0035-02 | Washer |
| 13 | 1483-2031-01 | Lever |
| 14 | 9599-0052-02 | Cotter Pin |
| 15 | 9699-0035-02 | Washer |
| 16 | 1483-2003-01 | Roll |
| 17 | 1483-2030-01 | Guard |
| 18 | 9997-1025-16 | Screw |
| 19 | 9747-0831-02 | Nut |
| 20 | 9699-0028-02 | Washer |
| 21 | 9997-0835-12 | Screw |
| 22 | 1483-2036-01 | Belt |
| 23 | 1483-2034-01 | Belt |
| 24 | 112139100/0 | Woodruff Key |
| 25 | 1483-2065-01 | Pulley |
| 26 | 9699-0035-02 | Washer |
| 27 | 9987-5225-16 | Screw |
| 28 | 9799-1231-02 | Nut |
| 29 | 1483-2025-01 | Pulley |
| 30 | 9959-0816-16 | Screw |
| 31 | 9699-0122-02 | Washer |
| 32 | 118803000/0 | Cable Holder |
| 33 | 118803001/0 | Transm.Housing-Grey |
| 34 | 1483-2071-01 | Ball Bearing |
| 35 | 1483-2011-01 | Screw |
| 36 | 118803002/0 | Gear Housing-Grey |
| 37 | 1483-2027-01 | Spacer |
| 41 | 9997-0825-16 | Screw |
| 42 | 1483-2045-01 | Knob |
| 43 | 9747-0831-02 | Nut |
| 44 | 1483-2063-01 | Lever |
| 45 | 1483-2077-01 | Screw |
| 46 | 1483-2056-01 | Support |
| 47 | 1483-2058-01 | Wheel |
| 48 | 1483-2057-01 | Axle, Wheels |
| 49 | 1483-2074-01 | Fastener |
| 51 | 118803009/0 | Rotor Assy-Lh |
| 52 | 118803010/0 | Rotor Assy-Rh |
| 53 | 1483-2069-01 | Oil Seal |
| 54 | 1483-2012-01 | Dust Cover |
| 55 | 9747-0831-02 | Nut |
| 56 | 9997-0835-12 | Screw |
| 57 | 118803011/0 | Side Disc |
| 58 | 1483-2013-01 | Right Tine |
| 59 | 1483-2014-01 | Left Tine |
| 61 | 1483-2075-01 | Cap |
| Handle Pag.2 | ||
| 1 | 118802984/0 | Clutch Handle |
| 2 | 118803007/0 | Clutch Cable |
| 3 | 1483-2213-01 | Handgrip |
| 4 | 118802979/0 | Handlebar Tube |
| 5 | 118803008/0 | Clutch Lever-Reverse |
| 6 | 118803006/0 | Clutch Cable-Reverse |
| 7 | 1483-2019-01 | Spring |
| 8 | 9948-0655-16 | Screw |
| 9 | 1483-2016-01 | Accelerator |
| 10 | 1483-2109-01 | Wire |
| 11 | 9747-0631-02 | Nut |
| 12 | 1483-2279-01 | Knob |
| 13 | 1483-2044-01 | Lever |
| 14 | 1483-2073-01 | Washer |
| 15 | 9699-0121-02 | Washer |
| 16 | 9747-1231-02 | Nut |
| 17 | 118802980/0 | Handle Reinforcement |
| 18 | 9997-0865-12 | Screw |
| 19 | 1483-2021-01 | Support |
| 20 | 112155000/0 | Nut |
| 21 | 9997-0830-16 | Screw |
| 22 | 118803004/0 | Lever Knob |
| 23 | 9699-0122-02 | Washer |
| 24 | 1483-2166-01 | Cap |
| 25 | 118803005/0 | Handlebar Support-Grey |
| 26 | 1483-2191-01 | Nut |
| 27 | 118803003/0 | Panel-Yellow |
| 28 | 112789350/0 | Screw |
| 29 | 9747-0531-02 | Nut |
| 30 | 9959-0820-16 | Screw |
| 31 | 118802999/0 | Plate-Yellow |
| 32 | 9699-0028-02 | Washer |
| 33 | 9747-0831-02 | Nut |
| 34 | 118802977/0 | Panel-Yellow |