- Online only


Informazioni sulle spedizioni e consegne saranno disponibili a breve.
| Tiller SILEX 103 B/210310022-10-2017 | ||
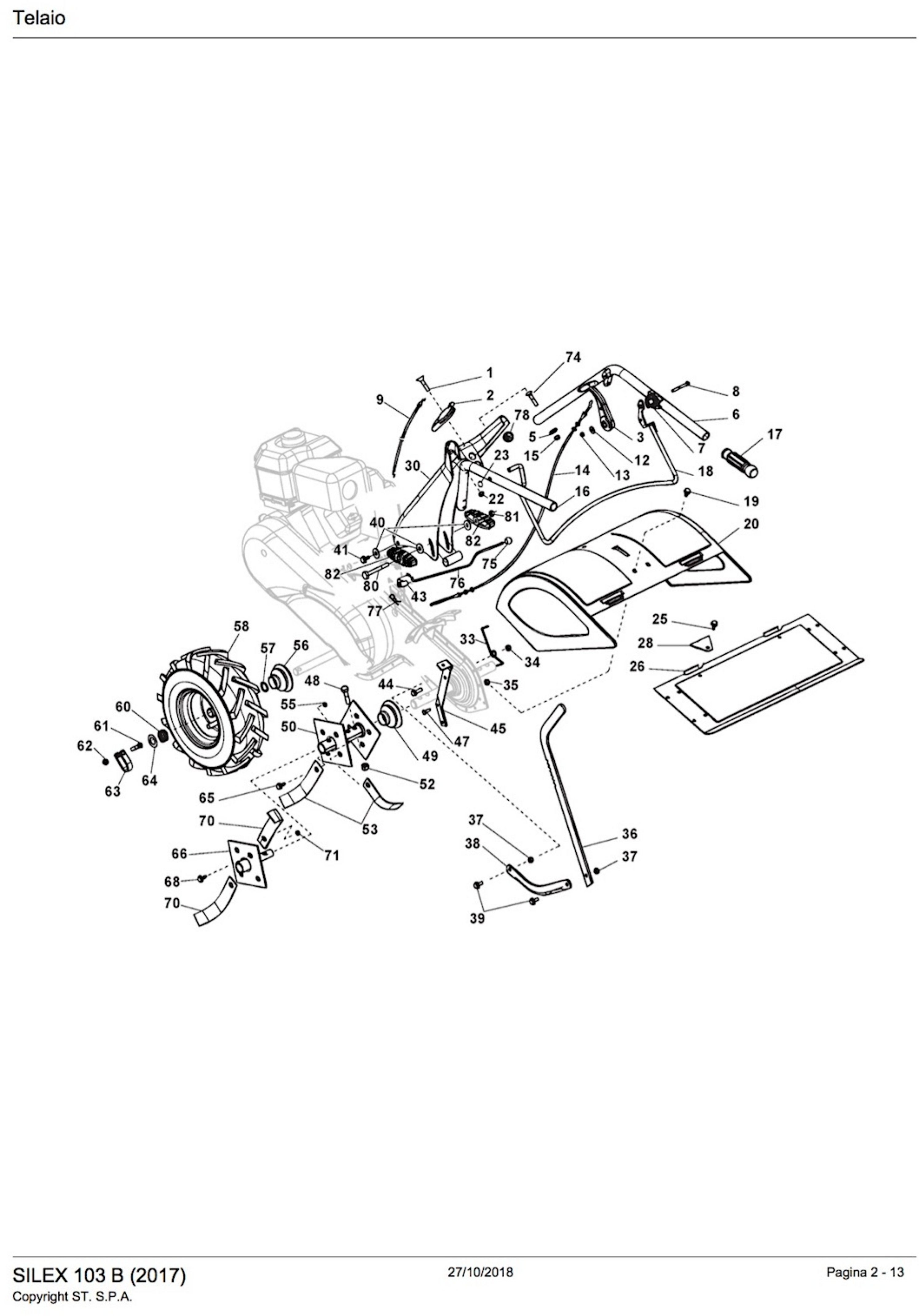
| Frame Pag.1 | ||
| # | Part NUm. | Description |
| 1 | 9948-0655-16 | Screw |
| 2 | 1483-2016-01 | Accelerator |
| 3 | 1483-2017-01 | Lever |
| 5 | 9699-0056-02 | Washer |
| 6 | 118800090/0 | Right Black Handle |
| 7 | 1483-2018-01 | Support |
| 8 | 9997-0660-12 | Screw |
| 9 | 1483-2142-01 | Throttle Cable |
| 12 | 9699-0100-02 | Flat washer |
| 13 | 9747-0631-02 | Nut |
| 14 | 118800031/0 | Transmission Unit |
| 15 | 9747-0631-02 | Nut |
| 16 | 118800091/0 | Left Black Handle |
| 17 | 1483-2213-01 | Handgrip |
| 18 | 118800094/0 | Clutch Lever Black |
| 19 | 9959-0816-16 | Screw |
| 20 | 118800096/0 | Yellow Carter |
| 22 | 9747-0631-02 | Nut |
| 23 | 9672-0004-02 | Starlock |
| 25 | 9959-0816-16 | Screw |
| 26 | 118800101/0 | Yellow Strip |
| 28 | 118800098/0 | Plate Yellow |
| 30 | 118800093/0 | Yellow Handle Support |
| 33 | 118800099/0 | Spring Spur Cutter |
| 34 | 9747-0631-02 | Nut |
| 35 | 9747-0631-02 | Nut |
| 36 | 118800102/0 | Spur |
| 37 | 9747-0631-02 | Nut |
| 38 | 118800103/0 | Black Blade |
| 39 | 9959-0825-16 | Screw |
| 40 | 9699-0122-02 | Washer |
| 41 | 112800815/0 | Screw |
| 43 | 118800032/0 | Joint |
| 44 | 9959-0825-16 | Screw |
| 45 | 118800104/0 | Right Bracket Support |
| 45 | 118800105/0 | Left Bracket Support |
| 47 | 9997-0620-16 | Screw |
| 48 | 9997-1050-16 | Screw |
| 49 | 1483-2173-01 | Dust cover |
| 50 | 118800110/1 | Right Star Sleeve |
| 50 | 118800111/1 | Complete Left Sleeve |
| 52 | 9747-1031-02 | Nut |
| 53 | 118800037/0 | Right Bracket Support |
| 53 | 118800038/0 | Left Bracket Support |
| 55 | 9747-0631-02 | Nut |
| 56 | 1483-2173-01 | Dust cover |
| 57 | 1483-2117-01 | Spacer |
| 58 | 118800106/0 | Right wheel |
| 58 | 118800107/0 | Left Wheel |
| 60 | 118800034/0 | Spring |
| 61 | 118800036/0 | Screw |
| 62 | 9747-0631-02 | Nut |
| 63 | 118800033/0 | Bbracket |
| 64 | 118800035/0 | Spacer |
| 65 | 9997-0825-16 | Screw |
| 66 | 118800108/0 | Right Star |
| 66 | 118800109/0 | Left Star |
| 68 | 112793101/0 | Screw |
| 70 | 118800037/0 | Right Bracket Support |
| 70 | 118800038/0 | Left Bracket Support |
| 71 | 9747-0831-02 | Nut |
| 74 | 112691115/0 | Screw |
| 75 | 118800079/0 | Knob |
| 76 | 118800354/0 | Lever |
| 77 | 118800087/0 | Safety Pin |
| 78 | 118800493/0 | Pass Wire |
| 80 | 112692080/0 | Screw |
| 81 | 112293200/0 | Nut |
| 82 | 1483-2045-01 | Knob |
| Trasmission Pag.2 | ||
| 1 | 118550544/0 | Double engine pulley Pinion |
| 2 | 118800040/0 | Pinion |
| 3 | 118800379/0 | Pin |
| 3 | 9699-0122-02 | Washer |
| 4 | 9699-0028-02 | Washer |
| 5 | 1483-2283-01 | Screw |
| 6 | 1483-2216-01 | Washer |
| 7 | 9699-0122-02 | Washer |
| 8 | 9699-0028-02 | Washer |
| 9 | 1483-2283-01 | Screw |
| 14 | 118800039/0 | Belt |
| 15 | 9549-0001-00 | Ball Bearing |
| 16 | 9959-0816-16 | Screw |
| 17 | 118800041/0 | Pulley |
| 20 | 118800120/0 | Cap |
| 21 | 118800119/0 | Left Hood |
| 22 | 118800117/0 | Lever |
| 23 | 1483-2020-01 | Spacer |
| 24 | 9747-1031-02 | Nut |
| 25 | 1483-2215-01 | Spacer |
| 26 | 118800042/0 | Pulley |
| 27 | 9747-1231-02 | Nut |
| 28 | 9650-0017-04 | Retainer ring |
| 30 | 1483-2153-01 | Spacer |
| 32 | 118800115/0 | Support |
| 33 | 1483-2217-01 | Spacer |
| 34 | 9959-0816-16 | Screw |
| 35 | 118800118/0 | Pulley |
| 36 | 1483-2157-01 | Spring |
| 37 | 1483-2207-01 | Spring |
| 38 | 9915-0610-15 | Screw |
| 39 | 1483-2149-01 | Belt |
| 40 | 118550543/0 | Yellow Engine Support |
| 42 | 9747-0831-02 | Nut |
| 43 | 9699-0028-02 | Washer |
| 44 | 9997-0835-12 | Screw |
| 44 | 9997-0835-12 | Screw |
| 45 | 9959-0816-16 | Screw |
| 46 | 118800114/0 | Yellow Side Hood |
| 48 | 1483-2075-01 | Cap |
| 50 | 118800112/0 | Right Hood |
| 51 | 9959-0816-16 | Screw |
| 52 | 9959-0816-16 | Screw |
| 60 | 118800317/0 | Spacer |
| 61 | 118800520/0 | Spacer |
| 62 | 118800526/0 | Grease Dispenser |
| 63 | 118800521/0 | Spacer |
| 64 | 118800523/0 | Washer |
| 65 | 118800362/0 | Snap Ring |
| 66 | 118800116/0 | Needle Bearing |
| 67 | 118800533/0 | Screw |
| 68 | 118800379/0 | Pin |
| Trasmission Pag.3 | ||
| 1 | 118800121/0 | Control Wheel Shaft |
| 2 | 1483-2187-01 | Oil Seal |
| 3 | 118800379/0 | Pin |
| 4 | 1483-2212-01 | Cap |
| 5 | 1483-2070-01 | Oil Seal |
| 6 | 9959-0612-16 | Screw |
| 7 | 118800373/0 | Bearing |
| 10 | 1483-2194-01 | Washer |
| 11 | 9747-0631-02 | Nut |
| 12 | 118800123/0 | Shaft Tine Command |
| 13 | 118800124/0 | Gear |
| 14 | 118800125/0 | Chain |
| 22 | 118800126/0 | Cams Control Cutter |
| 23 | 1483-2201-01 | Spring |
| 24 | 118800050/0 | Bearing |
| 26 | 118800349/0 | Ring Gear |
| 27 | 1483-2281-01 | Dowel |
| 28 | 118800348/0 | Ring Gear |
| 29 | 118800046/0 | Gasket |
| 30 | 9747-0631-02 | Nut |
| 31 | 118800373/0 | Bearing |
| 32 | 118800050/0 | Bearing |
| 33 | 118800337/0 | Case, Yellow R. |
| 35 | 1483-2117-01 | Spacer |
| 36 | 118800035/0 | Yellow Spacer |
| 37 | 118800345/0 | Selector |
| 39 | 118800344/0 | Shaft |
| 40 | 9747-0631-02 | Nut |
| 42 | 1483-2069-01 | Oil Seal |
| 43 | 1483-2275-01 | O Ring |
| 45 | 118800347/0 | Lever |
| 46 | 118800346/0 | Lever |
| 48 | 118800122/0 | Bearing |
| 51 | 118800350/0 | Ring Gear |
| 58 | 118800043/0 | Ring Gear Z40 |
| 59 | 118800045/0 | Joint Chair Assy |
| 60 | 118800044/0 | Joint Chair Assy |
| 62 | 118800351/0 | Drive Gear Z41 |
| 63 | 118800122/0 | Bearing |
| 64 | 118800336/0 | Case, Yellow L. |
| 71 | 118800377/0 | Pin |
| 72 | 118800518/0 | Belt Guide |
| 73 | 118800519/0 | Tube |
| 74 | 118800379/0 | Pin |
| 75 | 118800527/0 | Pin |
| 76 | 118800517/0 | Lever |
| 77 | 118800341/0 | Spring, Right |
| 77 | 118800342/0 | Spring, Left |
| 78 | 118800340/0 | Pin |
| 79 | 112521360/0 | Washer |
| 80 | 118800497/0 | Cotter Pin |
| 81 | 118800358/0 | Seeger |
| 82 | 118800371/0 | Needle Bearing |
| 83 | 118800361/0 | Snap Ring |
| 84 | 118800370/0 | Needle Bearing |
| 85 | 118800360/0 | Snap Ring |
| 86 | 118800352/0 | Spacer |
| 87 | 118800353/0 | Spacer |
| 88 | 118800355/0 | Spacer |
| 89 | 118800357/0 | Seeger |
| 90 | 118800383/0 | Screw |
| 91 | 112154330/0 | Nut |