

Informazioni sulle spedizioni e consegne saranno disponibili a breve.
Fix Your Brushcutter SBC 252 D (2017) - 287421002/17 - Season 2017. All Spares are Ready For Quick Delivery. Our Spares are Genuine Parts and Come with a Full Guarantee.
In the following table, look for the model of the Brushcutter and the respective parts of the code.
| Stiga SBC 252 D (2017) - 287421002/17 - Engine Pag.1 | ||
| # | Part Num. | Description |
| 1 | 118804038/0 | Screw |
| 2 | 118804045/0 | Washer |
| 3 | 118804000/0 | Clutch |
| 4 | 112789008/0 | Screw |
| 5 | 118804033/0 | Flywheel cover |
| 6 | 118804046/0 | Washer |
| 7 | 112155015/0 | Nut |
| 8 | 112369500/0 | Elastic Washer |
| 9 | 112521350/0 | Washer |
| 10 | 118804013/0 | Flywheel |
| 11 | 2135130 | Screw |
| 12 | 118804025/0 | Crankcase, Clutch Side |
| 13 | 118803990/0 | Crankshaft |
| 14 | 118804079/0 | Crankcase Gasket |
| 15 | 118804027/0 | Crank Case, starter side |
| 16 | 118804019/0 | Needle Bearing |
| 17 | 118804036/0 | Piston 51.7CC |
| 18 | 118804040/0 | Piston pin |
| 19 | 118804049/0 | Circlip |
| 20 | 118804023/0 | Piston Ring |
| 21 | 118804080/0 | Cylinder gasket |
| 22 | 118804035/0 | Cylinder 51.7CC |
| 23 | 118804085/0 | Muffler gasket |
| 24 | 118803992/0 | Muffler |
| 25 | 118804048/0 | Muffler Guard |
| 26 | 2135040 | Screw |
| 27 | 112521330/0 | Washer |
| 29 | 118801180/0 | Screw |
| 30 | 118804081/0 | Gasket |
| 31 | 118804064/0 | Intake Manifold |
| 32 | 118804549/0 | Threaded Pin |
| 33 | 118804083/0 | Carburetor Gasket |
| 34 | 118804009/0 | Carburetor |
| 35 | 118804063/0 | Air Cleaner Base |
| 36 | 112521320/0 | Washer |
| 37 | 112581500/0 | Grower |
| 38 | 2135250 | Screw |
| 39 | 118804547/0 | Paper Air Filter |
| 40 | 118803968/0 | Filter Cover Yellow |
| 41 | 118803174/0 | Knob, Gray |
| 42 | 118803996/0 | Starter Cup |
| 43 | 118804051/0 | Gasket |
| 44 | 118803994/0 | Starter Assy |
| 45 | 123878121/0 | Screw |
| 46 | 3210024 | Spark Plug |
| 47 | 118803970/0 | Yellow Cylinder Cover |
| 48 | 112727796/0 | Screw |
| 50 | 118801188/0 | Seal ring |
| 51 | 3112040 | Ball bearing |
| 52 | 118804020/0 | Seal ring |
| 53 | 123072002/0 | Flywheel Key |
| 54 | 118804864/0 | Electronic Ignition Coil Ass'y |
| 56 | 2135110 | Screw |
| 57 | 118804055/0 | Cable hooking |
| 58 | 112760475/0 | Screw |
| 59 | 118804004/0 | Fuel Tank Assembly |
| 60 | 118803962/0 | Support |
| 61 | 118804087/0 | Air Conveyor |
| 62 | 112727815/0 | Screw |
| 63 | 112727796/0 | Screw |
| 64 | 112523020/0 | Washer |
| 65 | 118803975/0 | Starter Cam |
| 66 | 118804061/0 | Starter Spring |
| 67 | 118803976/0 | Starter Pulley |
| 68 | 118804060/0 | Spring |
| 69 | 118804069/0 | Yellow Starter plate |
| 70 | 118803984/0 | Starter Handle |
| 71 | 118804068/0 | Cable Guide |
| 72 | 118803163/0 | Spark Plug cap |
| 73 | 322735152/0 | Tank cap |
| 74 | 118804005/0 | Petrol tube |
| 75 | 118803181/0 | Starter cable |
| 80 | 118804548/0 | Grommet |
| 81 | 112154330/0 | Nut |
| 82 | 118804550/0 | grommet |
| 83 | 118804551/0 | Tank Bracket |
| 84 | 112728099/1 | Screw |
| 85 | 6981102 | Outfit, Screw |
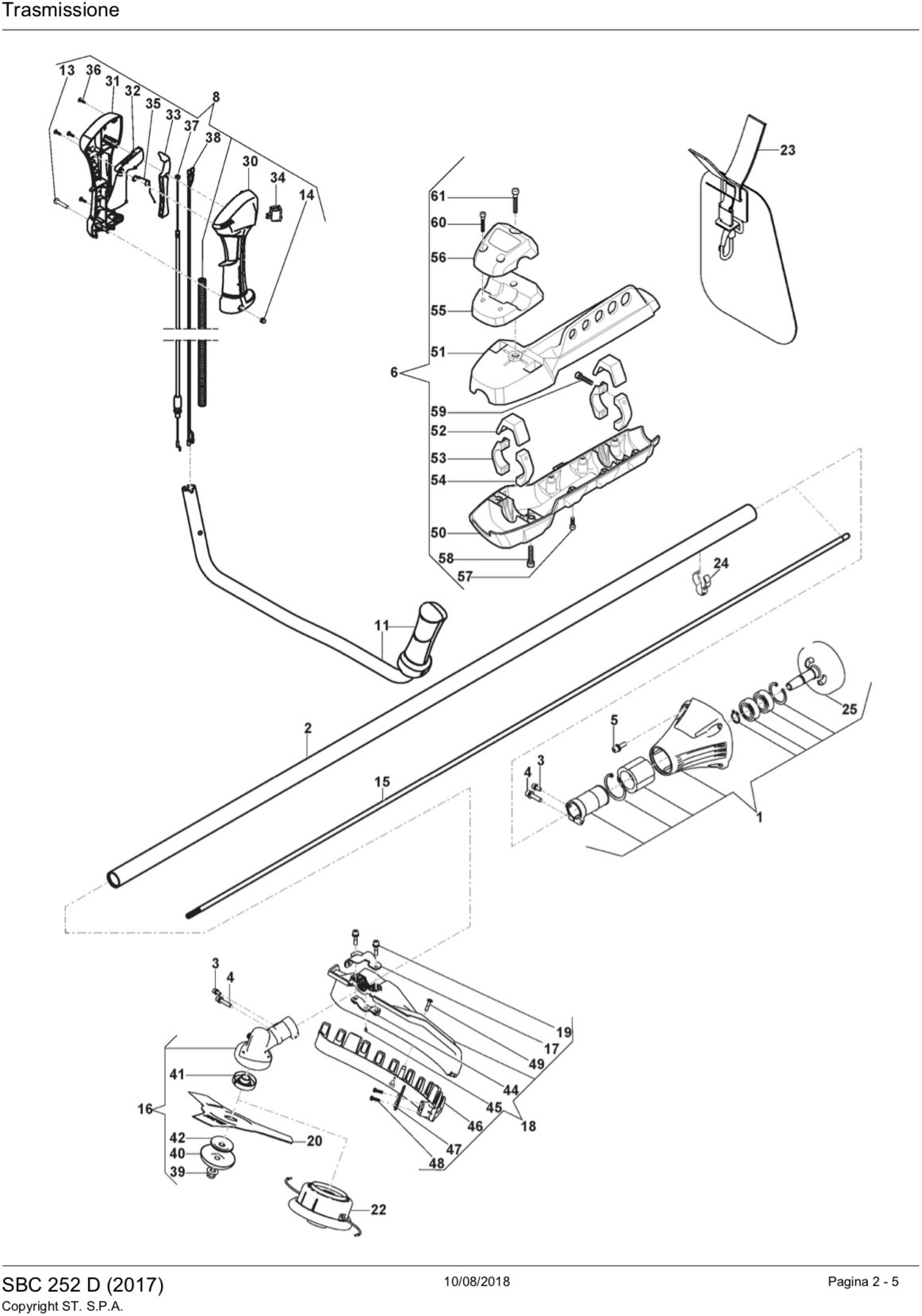
| SBC 252 D (2017) 287421002/17 - Trasmission Pag.2 | ||
| 1 | 118804002/0 | Support Transmission Assy |
| 2 | 118803958/0 | Transmission Pipe |
| 3 | 6981145 | Screw |
| 4 | 112727799/0 | Screw |
| 5 | 112727801/0 | Screw |
| 6 | 118804962/0 | Transmission Carter Kit |
| 8 | 118804955/0 | Handlegrip Assy, Yellow |
| 11 | 118803210/0 | Left grip |
| 13 | 123878017/0 | Screw |
| 14 | 112154330/0 | Nut |
| 15 | 118804042/0 | Drive shaft |
| 16 | 118803999/0 | Gear Case Assy |
| 17 | 118804052/0 | Plate |
| 18 | 118803954/0 | Safety cover Assy |
| 19 | 2132180 | Screw |
| 20 | 118801125/0 | 3 Teeth Disc |
| 22 | 1911-9218-01 | Nylon Head |
| 23 | 118804015/1 | Harness |
| 24 | 118804066/0 | Wire Clamp |
| 25 | 118804037/0 | Clutch Drum |
| 30 | 118803971/0 | Yellow Left Handgrip |
| 31 | 118803965/0 | Yellow Right Handgrip |
| 32 | 118803221/0 | Trigger |
| 33 | 118803219/0 | Safety Lever |
| 34 | 118803213/0 | Switch |
| 35 | 118803220/0 | Spring |
| 36 | 112727810/0 | Screw |
| 37 | 118803986/0 | Throttle cable |
| 38 | 118803217/0 | Stop Wire |
| 39 | 2452090 | Nut |
| 40 | 118804050/0 | Case Dust Cover |
| 41 | 118804043/0 | Upper ring |
| 42 | 118804044/0 | Lower Ring |
| 44 | 118804058/0 | Guard |
| 45 | 112727815/0 | Screw |
| 46 | 118803202/0 | Support |
| 47 | 118804056/0 | Line Cutter Blade |
| 48 | 6981149 | Screw |
| 49 | 112728531/0 | Screw |
| 50 | 118801357/0 | Transmission Housing |
| 51 | 118801353/1 | Transmission Housing |
| 52 | 118801358/0 | Shok Absorber |
| 53 | 118801359/0 | bracket |
| 54 | 118801360/0 | bracket |
| 55 | 118801356/1 | Lower Handgrip Support |
| 56 | 118801355/0 | Upper Handgrip Support |
| 57 | 2135030 | Screw |
| 58 | 118810711/0 | Screw |
| 59 | 112727796/0 | Screw |
| 60 | 2135030 | Screw |
| 61 | 112760520/0 | Screw |