

Informazioni sulle spedizioni e consegne saranno disponibili a breve.
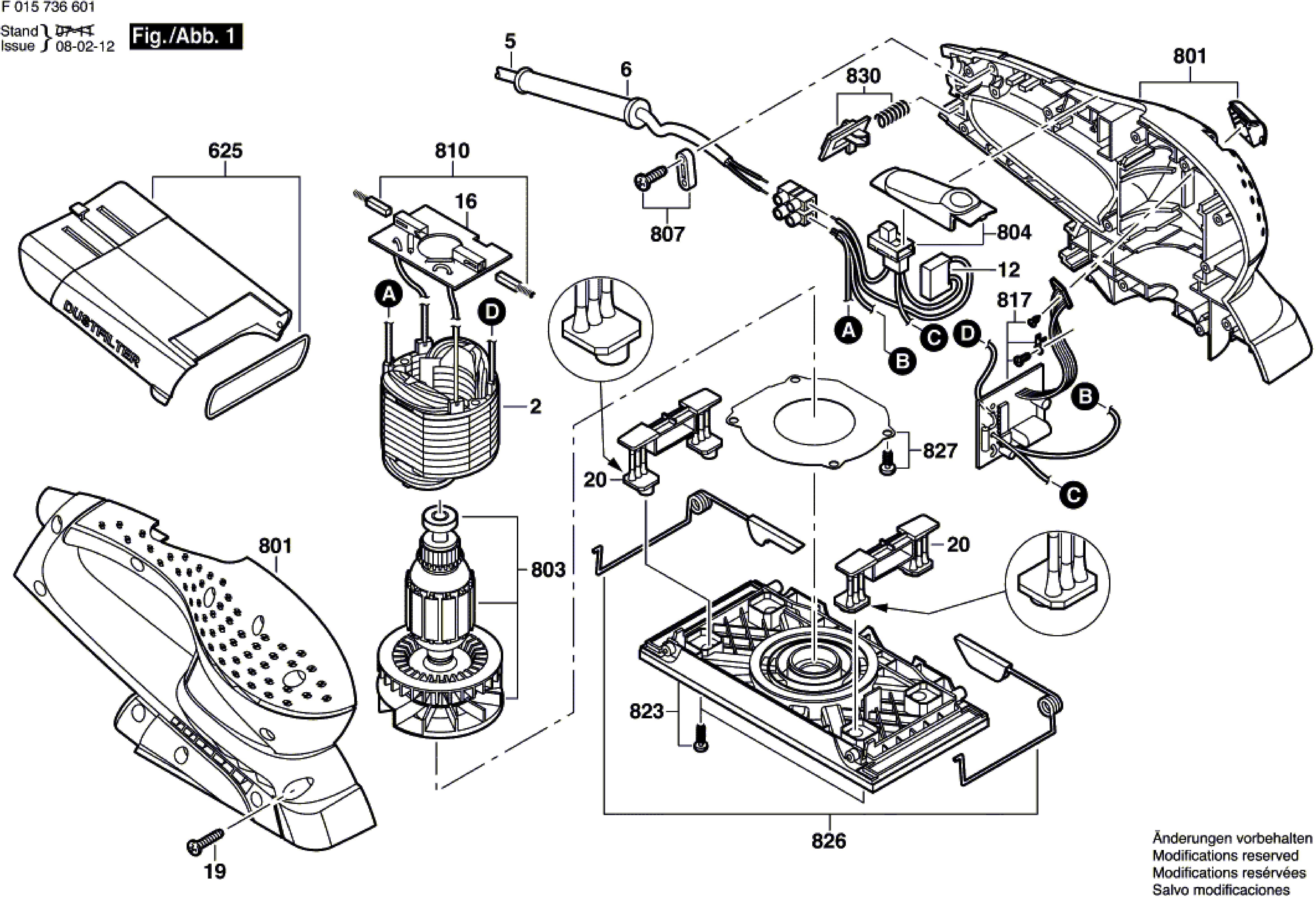
Skil genuine spare parts for replacing or to fix Orbital Sander 7366 - F015736601.
Fix Your Orbital Sander 7366. All Spares are original and can be supplied at Low and discounted prices For Shipping. Our Spares are Genuine Parts and Come with a Full Guarantee.
In the following table, look for the model of the Orbital Sander and the respective parts of the code.
| Orbital Sander 7366/F 015 736 601 | ||
| # | Part Num. | Description |
| 2 | 2610398580 | Field 220V |
| 5 | 2604460259 | Power supply cord EU 230V 2,7m 2 x 0,75mm H05 VV-F |
| 6 | 2610372883 | Grommet |
| 12 | 2610396570 | Suppressor |
| 16 | 2610398591 | Brush Plate |
| 19 | 2610398585 | Set of screws |
| 20 | 2610398583 | Swivel Element |
| 625 | 2610398586 | Dust container |
| 801 | 2610398590 | Housing Set |
| 803 | 2610398581 | Armature 220V |
| 804 | 2610398578 | On-Off Switch |
| 807 | 2610396574 | Cable Clip |
| 810 | 2610398588 | Carbon-Brush Set |
| 817 | 2610398589 | Printed Circuit Board |
| 826 | 2610398582 | Clamp Spring |
| 827 | 2610398587 | Baffle Plate |
| 823 | 2610398584 | Base Plate |
| 830 | 2610398579 | Button Set |