

Informazioni sulle spedizioni e consegne saranno disponibili a breve.
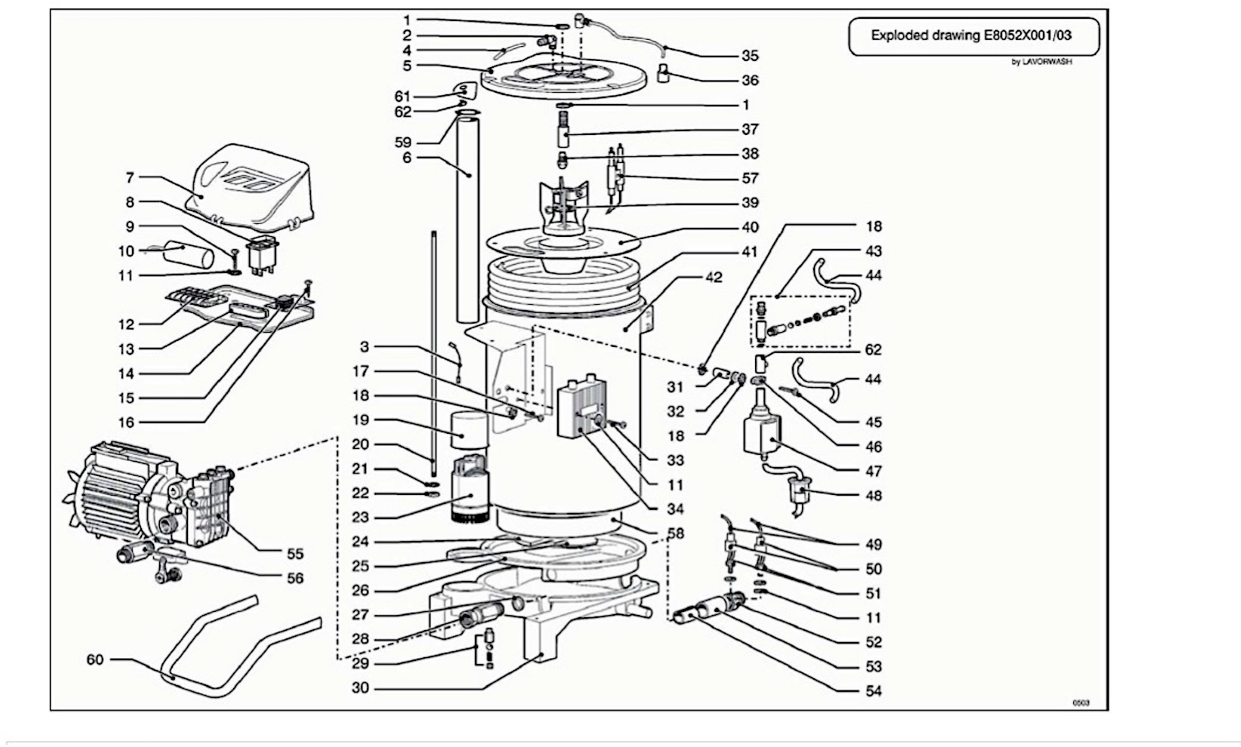
Lavor original spare parts for to replace broken parts for to fix Hot Water High Pressure Cleaner FKX 1018 230/50 TS -R- (VAPORNOVA) WITHOUT ACCESSORIES - 80520001.
In the following tables, look for the spare part and its respective code.
| IDRO FKX 1018 230/50 TS -R- (VAPORNOVA) WITHOUT ACCESSORIES - 8052001 Pag.1 | ||
| # | Part Num. | Description |
| 1 | 3.002.0147 | SCREW TC-TC M6X35 ZNT UNI 7687 |
| 2 | 4.013.0297 | FKX UPPER CASING -R-INIEZ.RAL 3020 |
| 3 | 3.002.0101 | SCREW TCEI M6X25 UNI 5931 ZNT |
| 4 | 3.004.0007 | FLAT WASHER D.6X18 Sp.2 UNI6593 ZNT |
| 5 | 4.008.0536 | DETERGENT LOWER TANK -GAS. FKX BLACK |
| 6 | 5.013.0028 | FINISHED HANDLE COVERED X JETFIRE '98 |
| 7 | 4.008.0458 | SHELF ACCESSORY X HANDLE JET FIRE '98 |
| 8 | 5.011.0046 | HANDLE ASSY + SHELF X JET FIRE '98 |
| 9 | 3.002.0028 | SCREW TC-TC M4X12 UNI 7687 ZNT |
| 10 | 4.008.0277 | FIXED WALL CABLE (LWS) ESP.00 |
| 11 | 4.008.0751 | FUEL TANK CAP FKX 1 "1/4 G ESP.00 |
| 12 | 4.012.0149 | CABLE H05VV-F 3X1 MT.5.4 SP.SCHUKO F / F |
| 13 | 4.008.0296 | WHEEL D.200 HAB D.15 SPI200 STRAIGHT TREAD |
| 14 | 3.099.0020 | WHEEL LOCKING DIAMETER 150 D.15 |
| 15 | 3.099.0101 | WHEEL STUD X SP200 -NERA- |
| 16 | 3.099.0120 | PLASTIC PLUG X FKX DETERGENT TANK |
| 17 | 6.001.0053 | Substituited By 3.700.0036 Pistola S'02 3/8" M22 |
| 18 | 4.618.0049 | HOSE R1 1/4 8MT 3/8F-M22 (MAX 21MPa) |
| 19 | 3.701.0015 | LANCE INOX L.700 +PL4/1+WASHER+ QUICK CONN.M22 |
| 20 | 5.012.0046 | KIT SCREWS HANDLE FKX + NOZZLE 1503 |
| 21 | 4.008.0444 | TRANSPARENT TUBE X CLEANER 6X9 L340mm ESP.01 |
| 22 | 4.008.0006 | DETERGENT FILTER |
| MOTOP.PARTNER'96 230-240/50 110 H90 VALV.COMP.IN.1,8 X FKX Pag.2 | ||
| 7 | 4.008.0583 | FAN COVER X MOTOR '96 WITHOUT GRILL ESP.02 |
| 8 | 3.099.0049 | LOCK RING D.23 FAN FB 80 |
| 9 | 4.008.0092 | FB80 FAN WITH HOLE D.16,5 (PARTNER) ESP.03 |
| 10 | 5.002.0106 | HOUSING 96 D.110 H90 230-240 / 50 2P (ENGINE |
| 11 | 3.001.0020 | RADIAL BALL BEARING 6203 2RS |
| 12 | 5.005.0040 | ROTOR SHAFT 110 D.55 h90 CIL. (RICOTTO + SHOCK) |
| 13 | 3.002.0115 | SCREW TCEI M5X35 TRILOBATA ZNT |
| 14 | 4.005.0099 | ENGINE FRONT FLANGE 110'96 PARTESP.11 |
| 15 | 3.201.0008 | OIL SEAL RING D.17X35X7 |
| 16 | 3.001.0030 | BALL BEARING 6303 |
| 17 | 4.005.0078 | PLATE INCL.6.45 CYLINDER HOLE. ESP.08 |
| 18 | 3.001.0003 | AS4565 AXIAL BEARING BEARING |
| 19 | 3.001.0004 | NEEDLE BEARING TYPE AXK4565 PLASTIC |
| 20 | 4.007.0001 | THRUST SHOE D.65X30X6 (C10PB) FINISHED |
| 21 | 5.009.0090 | ASSEMBLY STOP / PISTON D.14 RECTIFIED |
| 22 | 3.200.0014 | GASKET OR 85 X 2.5 NITRILE |
| 23 | 4.007.0025 | SPRING RECALL X PISTON D.14-12 ESP.07 |
| 30 | 5.009.0277 | ASSEMBLY OF ADJUSTMENT ROD OF COMPENSATION VALVE X TS D.11 - NEW 6.005.0078 |
| 31 | 5.009.0263 | MICRO ASSEMBLY + CABLE X TS BEST |
| 32 | 4.006.0170 | SEATED DISTANCE SPACER FOR OMNIA'97 HEADER |
| 33 | 5.609.0061 | SEAT VALVE L2 COMPLETE WITH OR |
| 34 | 3.200.0013 | GASKET OR 11.1 X 1.78 REF.114 |
| 35 | 3.005.0002 | BALL 11/32 "INOX 420 B |
| 36 | 4.607.0095 | SPRING D.8X16 WIRE 0.8 ESP.00 |
| 37 | 3.002.0148 | CONICAL SCREW STEI M6X6 DIN 906 SCREW |
| 41 | 5.009.0164 | HOSE DETERGENT COMPLETE WITH OR |
| 42 | 3.005.0001 | BALL INOX 420 DIAM.5 (accuracy grade G 500) |
| 43 | 4.007.0014 | VALVE SPRING DETERGENT CHECK De4,5 / 6 L = 7 WIRE D.0,3 |
| 44 | 4.005.0192 | GUIDE BODY D.14 X WORKED GEAR COMPENSATION VALVE |
| 45 | 5.609.0041 | SET OF CHECK VALVE + OR |
| 46 | 4.607.0105 | VALVE SPRING CHECK D.4.8-6 L = 20 WIRE 0.6 STAINLESS STEEL |
| 47 | 5.009.0334 | INJECTOR FITTING D.1,8 PERTESTED IN |
| 48 | 5.009.0336 | OUTPUT FITTING X PARTNER - OMNIA WITH OR |
| 50 | 3.201.0004 | OIL SEALING RING D.14X22X5 / 7 |
| 51 | 3.002.0094 | SCREW TCEI M6X30 ZNT TRILOBATA |
| 53 | 4.006.0109 | CAP 1/8 "CONICO ESP. 01 |
| 54 | 3.200.0018 | GASKET OR 9.92X2.62 SHORE90 |
| 55 | 3.200.0019 | GASKET OR 12.4X1.78 SHORE90 |
| 56 | 5.009.0101 | SUCTION / DELIVERY VALVE CAP WITH MOUNTING |
| 57 | 5.009.0005 | LAVOR DELIVERY SUCTION VALVE 1 |
| 58 | 4.008.0031 | SUCTION FILTER H2O D.16 CONICAL ESP.00 |
| 62 | 4.008.0348 | OIL SEAL SPACER D.14ESP.02 |
| 63 | 4.006.0036 | SEALING SUPPORT RING D.14 HIGH ESP.10 |
| 65 | 3.201.0009 | WATER SEAL N 14-12 D.14X22X6 |
| 66 | 5.009.0015 | COMPLETE SUCTION VALVE TOP |
| 67 | 4.005.0077 | PARTNER HEADS '93 IMPREGNATED DEPTHS |
| 68 | 3.002.0093 | SCREWS TCEI M6x70 ZNT TRILOBATA |
| 83 | 5.008.0048 | PARTNER HEAD '93 WITHOUT INDICATOR (SEALS |
| 84 | 5.007.0088 | GUIDE BODY PISTON D.14 ACCESSORIES IN.1.8 WITHOUT ADJUSTMENT |
| 85 | 5.006.0144 | MOTOR '96 D.110 H.90 230-240 / 50 RICOTTO X FKX |
| IDRO FKX 1018 230/50 TS -G- Pag.3 | ||
| 1 | 4.007.0183 | NUT FOR PIN HOLDER X JET FIRE '98 |
| 2 | 3.100.0075 | FITTING M 1/8 CONICAL F D.4 CURVED |
| 3 | 4.012.0102 | MOTOR - BRUSHES WIRE W = 850 SECTION 0,75 IEC227-3 / 1979 |
| 4 | 4.608.0145 | PARANA GAS OIL DELIVERY HOSE L = 540 |
| 5 | 4.005.0194 | COVER X FKX BOILER (DIE CAST) ESP.05 |
| 6 | 4.007.0216 | TUBE D.40 L = 318 FE 37 PREZINCATO ESP.01 |
| 7 | 4.008.0447 | ELECTRIC BOX COVER X JET FIRE '98 |
| 8 | 5.009.0213 | ASSEMBLY SWITCH + TRANSPARENT PROTECTION 12 (10) |
| 9 | 3.002.0106 | SELF-TAPPING SCREW TC-TC 3.9X16 UNI 6954 ZNT |
| 10 | 3.404.0017 | CAPACITOR 25mF 450V WITHOUT FASTON M.39X94 CABLE |
| 11 | 3.004.0002 | FLAT WASHER 4.3X9sp.0,8 UNI6592 ZNT |
| 12 | 3.405.0011 | TERMINAL BLOCK PA 32/6 |
| 13 | 4.008.0127 | MULTIPLE THROTTLE CASSETTE FIRE ESP.04 |
| 14 | 4.008.0446 | ELECTRIC BOX BASE FKX ESP.03 |
| 15 | 3.403.0012 | ELECTRIC BOARD 230/50 FKX |
| 16 | 3.002.0132 | SELF-TAPPING SCREW TC-TC 3,5X9,5 UNI6954 ZNT |
| 17 | 3.002.0080 | SCREW T.C. M4X12 TRILOBATA CROSS CUT ZNT |
| 18 | 3.004.0003 | PINK WASHER EX.D.4X8 Sp0,5 DIN6798A ZNT |
| 19 | 4.008.0470 | VENTILATION MOTOR COVER FKX ESP.00 |
| 20 | 4.007.0180 | TIE ROD FOR BOILER FIRE '98M6X352 FIL.12-12 ZNT |
| 021 | 3.004.0010 | PINK WASHER EX.D6X11 Sp0,7 DIN6798A ZNT |
| 022 | 3.003.0011 | HEXAGONAL NUT M6 MEDIUM UNI 5588 CL8ZNT |
| 023 | 3.304.0005 | MOTOR X BURNER 230/50 COMPLETE WITH |
| 024 | 4.008.0658 | THERMAL RESISTANT BOTTOM IN FELT |
| 025 | 4.008.0450 | THERMORESISTENT BOTTOM HARD FKX ESP.00 |
| 026 | 4.007.0158 | BOILER BOTTOM FOR NEW FIRE ESP.02 |
| 027 | 4.007.0200 | WASHER 20.2X26X3 Fe37 ESP.00 |
| 028 | 4.007.0181 | SWIVEL CONNECTOR X SERPENTINA FKX ESP.01 |
| 029 | 3.106.0004 | SAFETY VALVE G1 / 8 "M D6200BAR MTM |
| 030 | 4.005.0186 | BOILER BASE FKX (DIE CAST) ESP.00 |
| 031 | 4.007.0185 | DISTANCE PIECE FASTENING FOR JET PUMP |
| 032 | 3.004.0026 | FLAT WASHER D.4,3X12 UNI 6593 ZNT |
| 033 | 3.002.0179 | SELF-TAPPING SCREW TC-TC 3.9X50 ZNT. |
| 034 | 3.400.0016 | TRANSFORMER IGNITION 230-240 / 50-60 ELECTRIC COFI |
| 035 | 5.611.0077 | HIGH VOLTAGE WIRE L = 280 WITH PROTECTION X |
| 036 | 4.008.0459 | RUBBER HOOD FOR FKX TRANSFORMER |
| 037 | 4.006.0187 | NOZZLE PIN X FKX BOILER ESP.07 |
| 038 | 3.104.0008 | DIESEL NOZZLE 0.60 60 H MONEL FILTER (HAGO) |
| 039 | 3.099.0296 | DEFLECTOR COMPLETE WITH ELECTRODE D.2 FKX |
| 040 | 5.013.0027 | LUGGAGE DISC X FKXESP.02 |
| 041 | 4.604.0011 | SERPENTINA D.202 X NEW FIRE ESP.04 |
| 042 | 5.013.0026 | BOILER BODY WITH SHELF X X FIRE'98 PAINTED |
| 043 | 5.009.0304 | VALVE ADJUSTMENT PRESSURE REGULATION X PUMP ULKA (Spring L=20) |
| 044 | 4.008.0465 | BLACK ANTI-BENCH PVC TUBE D.9X6 L = 280 ESP.00 |
| 045 | 3.002.0146 | SCREW TCEI 4X35 TRILOBATA ZNT |
| 046 | 3.099.0110 | CLAMP D.12 CLAMP PAS 012X GAS PUMP FIXING. |
| 047 | 3.551.0014 | DIESEL PUMP ULKA EP 5 48W 230/50 C / OR R4 |
| 048 | 5.011.0043 | DIESEL FILTER GROUP FKX (CARD 30 micron) |
| 049 | 3.411.0001 | ELECTRIC GLASS TUBE Di.4 (VSM040) |
| 050 | 4.608.0038 | RUBBER PROTECTION FOR THERMAL FIRE |
| 051 | 3.403.0003 | THERMAL PROTECTOR L01.080.05.1000 CABLES * UL * |
| 052 | 4.606.0002 | DELIVERY FITTING WITH HOLE FOR THERMAL ESP.03 |
| 053 | 4.007.0184 | TUBE X PARANA DISCHARGE SLEEVE L = 47 |
| 054 | 4.008.0449 | SOFT THERMORESISTENT SLEEVE 31X56 sp.3 |
| 055 | 5.001.0327 | MOTORPUMP PARTNER'96 230-240 / 50 110 H90 - NEW 6.005.0656 Kit + 6.005.0319 |
| 056 | 4.006.0181 | FKX / PARANA WATER INLET SPACER ESP.02 |
| 058 | 4.008.0503 | THERMORESISTANT HEAD OF CERAMIC FIBER |
| 059 | 3.099.0124 | SEEGER RING X TREE D.42UNI 7435 |
| 060 | 4.007.0256 | SHAPED FOOT SUPPORT FKXESP.01 |
| 061 | 4.008.0691 | FKX BOILER CLOSING COVER (SOST.D |