

Informazioni sulle spedizioni e consegne saranno disponibili a breve.
We supply original Mountfield spare parts on offer at unbeatable prices, we are an authorized service center with repair service able to advise you on the purchase of the most suitable spare part to quickly solve any maintenance or repair issues for Petrol Hedgetrimmer MHJ 2424 - 252900023/M14-2020. Open PDF Technical drawing to chose all spare parts.
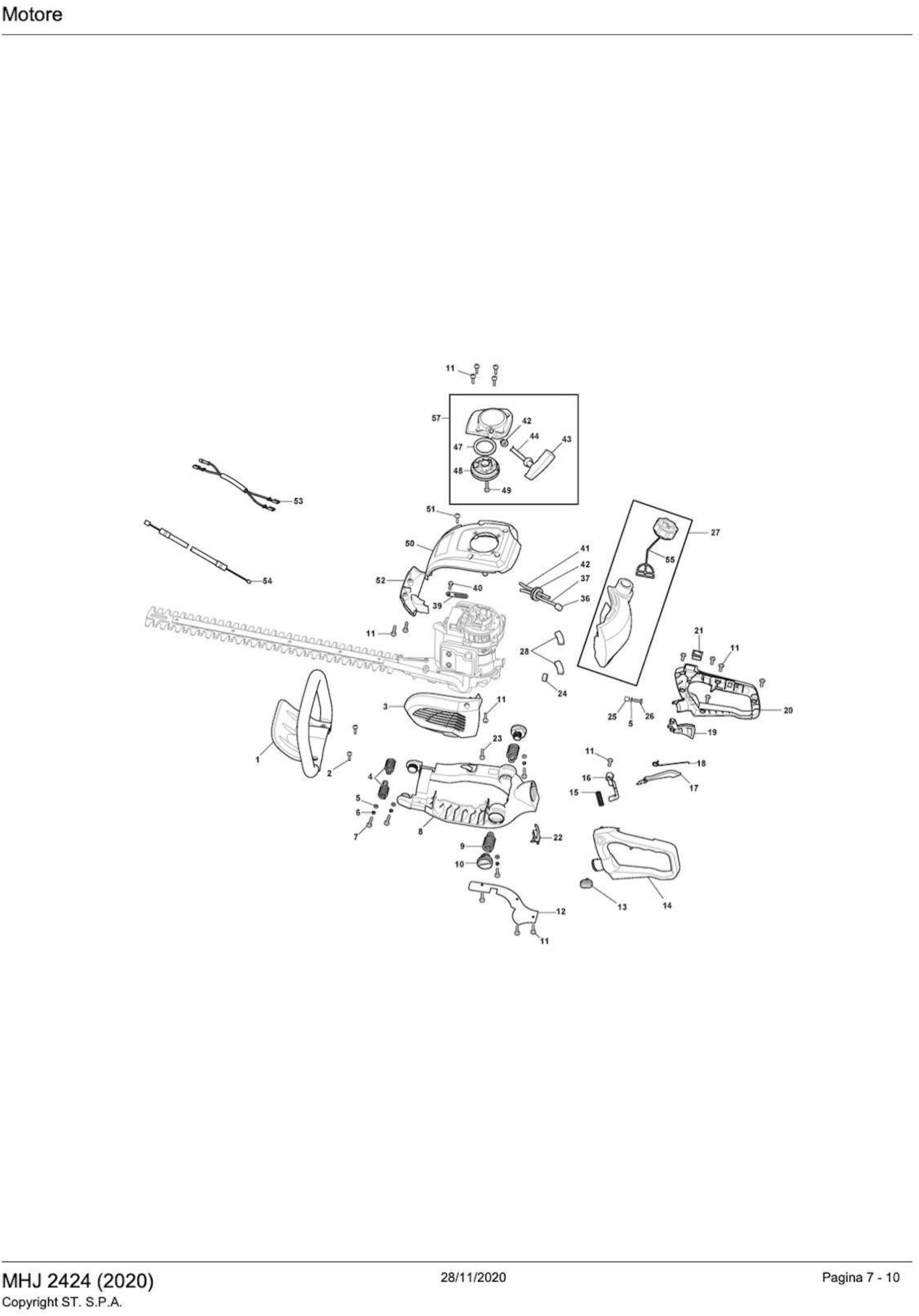
In the following table, look for the model of the Petrol Hedgetrimmer and the respective parts of the code.
| Petrol Hedgetrimmer MHJ 2424 - 252900023/M14-2020 | ||
| Engine Pag.1 | ||
| Pos. | Code | Descrition |
| 1 | 123120012/0 | Nut |
| 2 | 123878109/0 | Screw |
| 5 | 183082003/0 | Starter Cup |
| 7 | 118802744/0 | Flywheel Magnet |
| 8 | 123878124/0 | Screw |
| 9 | 123657017/0 | Washer |
| 10 | 123657013/0 | Washer |
| 11 | 119035164/0 | Oil seal |
| 12 | 112610095/0 | Circlip |
| 13 | 123685020/0 | Crankcase |
| 14 | 114215221/0 | Ball bearing |
| 15 | 123020033/1 | Crankshaft |
| 16 | 123665004/0 | Roll |
| 17 | 123280077/0 | Crankcase Gasket |
| 18 | 123685021/0 | Cranckase |
| 19 | 119035165/0 | Oil seal |
| 20 | 123657019/0 | Washer |
| 21 | 123445268/0 | Clutch hub |
| 22 | 123657020/0 | Washer |
| 26 | 123878111/0 | Screw |
| 27 | 123065045/0 | Spark plug cable |
| 29 | 2312090 | Washer |
| 30 | 2321050 | Washer |
| 31 | 118802743/0 | Ignition coil assy |
| 32 | 123160063/0 | Spacer |
| 33 | 118800959/0 | Wooddruff |
| 34 | 123652505/0 | Washer |
| 35 | 123235008/0 | Needle bearing |
| 36 | 123202006/0 | Circlip |
| 37 | 123590012/0 | Piston |
| 38 | 123760006/0 | Piston pin |
| 39 | 123204016/0 | Piston ring |
| 40 | 123280078/0 | Cylinder gasket |
| 41 | 123878112/0 | Screw |
| 43 | 118802742/0 | Muffler |
| 44 | 123600078/0 | Heat guard |
| 45 | 3210024 | Spark plug |
| 46 | 123071023/0 | Cylinder |
| 47 | 123280080/0 | Intake Manifold Gasket |
| 48 | 123120013/0 | Nut |
| 49 | 123073518/0 | Intake manifold |
| 50 | 123600079/0 | Rubber |
| 51 | 123600080/0 | Cylinder cover |
| 53 | 123878113/0 | Screw |
| 54 | 123280081/0 | Carburetor gasket |
| 55 | 123054036/0 | Carburetor |
| 57 | 123878077/0 | Screw |
| 58 | 123220011/0 | Air filter |
| 58 | 123220017/0 | Air filter |
| 59 | 123090033/0 | Filter cover |
| 60 | 123593508/0 | Knob |
| 62 | 183215010/0 | Clutch assembly |
| 63 | 123040005/0 | Air Filter Base |
| 64 | 183590007/0 | Piston assembly |
| Engine Pag.2 | ||
| 1 | 123300014/0 | Front handle |
| 2 | 123878121/0 | Screw |
| 3 | 123600085/0 | Muffler cover |
| 4 | 123430606/0 | Spring |
| 5 | 123657022/0 | Washer |
| 6 | 123657017/0 | Washer |
| 7 | 123878120/0 | Screw |
| 8 | 123784008/0 | Handle support case |
| 9 | 123430607/0 | Spring |
| 10 | 123790023/0 | Spring cap, Black |
| 11 | 123878121/0 | Screw |
| 12 | 123109588/0 | Cover |
| 13 | 118801432/0 | Knob |
| 14 | 123700065/0 | Left Handle |
| 15 | 123430608/0 | Spring |
| 16 | 123315099/0 | Lever |
| 17 | 123315100/0 | Safety Lever |
| 18 | 123430609/0 | Spring |
| 19 | 123315101/0 | Throttle lever |
| 20 | 123700066/0 | Right handle |
| 21 | 123303007/0 | Switch |
| 22 | 123202008/0 | Stop |
| 23 | 123878115/0 | Screw |
| 24 | 123657023/0 | Rubber |
| 25 | 123044223/0 | Bush |
| 26 | 123878124/0 | Screw |
| 27 | 123733006/0 | Tank |
| 28 | 123275031/0 | Rubber |
| 36 | 183520009/0 | Intake filter |
| 37 | 123867028/0 | Fuel pipe |
| 39 | 1232940080 | Wire guide plate |
| 40 | 123878122/0 | Screw |
| 41 | 123867029/0 | Fuel pipe |
| 42 | 123275032/0 | Rubber Grommet |
| 43 | 118801440/0 | Starting handle |
| 44 | 123234007/0 | Starting rope |
| 47 | 123430610/0 | Starter spring |
| 48 | 123604013/0 | Starter Pulley |
| 49 | 112728445/0 | Screw |
| 50 | 118801443/0 | Cylinder cober grey |
| 51 | 6995181 | Screw |
| 52 | 118801446/0 | Engine cover grey |
| 52 | 123106040/0 | Front cylinder casing |
| 53 | 183065030/0 | Spark plug cable |
| 54 | 123066024/0 | Throttle cable |
| 55 | 118801439/0 | Tank cap |
| 57 | 183058040/0 | Starter assembly |
| Blade Pag.3 | ||
| 1 | 123050010/0 | Clutch drum |
| 3 | 123657013/0 | Washer |
| 4 | 123657017/0 | Washer |
| 5 | 123878115/0 | Screw |
| 6 | 123685022/0 | Engine Support Assembly new code 118804982/0 |
| 7 | 123657020/0 | Washer |
| 8 | 123657021/0 | Washer |
| 9 | 123878116/0 | Screw |
| 10 | 123280082/0 | Crankcase Gasket |
| 11 | 123208418/0 | Flange - DISCONTINUED |
| 12 | 112379520/0 | Greaser |
| 13 | 114215222/0 | Ball bearing |
| 14 | 123878020/0 | Screw |
| 15 | 112610003/0 | Circlip |
| 16 | 123570052/0 | Pinion |
| 17 | 114215223/0 | Bearing |
| 18 | 123664000/0 | Sproket |
| 19 | 123041502/0 | Connecting rod |
| 20 | 123753003/0 | Pin |
| 21 | 123665004/0 | Roller |
| 22 | 123685023/0 | Engine Support Assembly new code 118804982/0 |
| 23 | 123878081/0 | Screw |
| 24 | 123280083/0 | Gasket |
| 25 | 123878118/0 | Screw |
| 26 | 123208419/0 | Plate |
| 27 | 123878113/0 | Screw |
| 28 | 123294006/0 | Lower blade guide |
| 29 | 123044222/0 | Bush |
| 30 | 123305004/0 | Blade |
| 31 | 123120014/0 | Nut |
| 32 | 123600081/0 | Blade protection |
| 33 | 123294007/0 | Upper blade guide |
| 34 | 123208420/0 | Blade guide Bracket |
| 35 | 123085002/0 | Blade cover |
| 36 | 118804982/0 | Engine Support Assembly |