Hitachi Spare Parts for Ion Battery Chain Saw CS36DL
Hitachi Genuine spare parts or replacement parts for to fix Ion Litium Battery Chain Saw CS36DL.
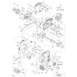
In the following table, look for the model of the Ion Battery Chain Saw and their spare part.

| Ion Battery Chain Saw CS36DL |
| # |
Paert Num. |
Description |
| 1 |
335134 |
BRAKE LINK COVER |
| 2 |
6696782 |
BRAKE SUPPORT PLATE |
| 3 |
6696783 |
BRAKE LEVER SPRING |
| 4 |
335135 |
BRAKE LINK HOLDER |
| 5 |
6699013 |
BRAKE BAND |
| 7 |
6685388 |
BRAKE LINK |
| 8 |
6685389 |
BRAKE SPRING |
| 9 |
335192 |
LOCK NUT (LEFT HAND) M8 |
| 11 |
335139 |
SIDE PLATE |
| 12 |
6685403 |
CLUTCH HOUSING |
| 13 |
335151 |
KNOB |
| 14 |
335150 |
TENSION DIAL |
| 16 |
335152 |
TENSION GEAR |
| 17A |
336347 |
CHAIN SIDE COVER |
| 18 |
335156 |
BEVEL GEAR (A) |
| 19 |
696352 |
TAPPING SCREW D3X6 |
| 21 |
335688 |
DUST SHEET |
| 22 |
939543 |
RETAINING RING FOR D14 SHAFT |
| 23 |
996407 |
O-RING (1AP-12) |
| 24 |
335153 |
CHAIN PULLER |
| 25 |
335154 |
GUIDE PLATE |
| 26 |
781122 |
SAW CHAIN(3/8X12")91PX-45XJ |
| 27 |
781232 |
CHAIN BAR 12 INCH 3/8 SPROCKET PRC |
| 28 |
335142 |
SPIKE |
| 30 |
335155 |
CHAIN CATCHER |
| 31A |
336573 |
BATTERY BSL 3625 (EUROPE,AUS,NZL) |
| 32A |
336348 |
HOUSING.HANDLE COVER SET |
| 33 |
332668 |
RUBBER CUSHION |
| 35 |
335690 |
LINK SLEEVE |
| 37 |
335137 |
SPINDLE |
| 38 |
6001VV |
BALL BEARING 6001VV |
| 39 |
939542 |
RETAINING RING FOR D12 SHAFT |
| 40 |
335138 |
GEAR |
| 41 |
6696886 |
WORM |
| 42 |
606ZZM |
BALL BEARING 606VV |
| 43 |
335140 |
FAN GUIDE |
| 44 |
323156 |
MAGNET |
| 45 |
335148 |
URETHANE TUBE 130L |
| 46 |
335147 |
NOZZLE |
| 47 |
301653 |
TAPPING SCREW (W/FLANGE) D4X20 (BLACK) |
| 48 |
6696887 |
OIL PUMP |
| 49 |
335136 |
INNER COVER |
| 50 |
360948 |
ARMATURE AND PINION SET |
| 51 |
335124 |
SWITCH |
| 54 |
335128 |
CONTROLLER TERMINAL SET |
| 55 |
335132 |
BRAKE LEVER |
| 56 |
314429 |
SPRING |
| 57 |
331682 |
LOCK BUTTON |
| 60 |
335133 |
SWITCH LEVER |
| 61 |
335146 |
OIL PIPE |
| 64 |
335125 |
TRIGGER |
| 68 |
335689 |
DIODE |
| 69 |
335145 |
URETHANE TUBE 95L |
| 70 |
335143 |
OIL TANK |
| 72 |
335692 |
CAUTION LABEL (EX) |
| 74 |
335699 |
BRUSH HOLDER |
| 75 |
999068 |
CARBON BRUSH (1 PAIR) |
| 76 |
319847 |
BRUSH CAP |
| 77 |
335141 |
TAIL COVER |
| 78 |
335691 |
TANK CAP PACKING |
| 79 |
335144 |
TANK CAP |
| 80 |
335698 |
BRUSH HOLDER |
| 81 |
335130 |
FRONT HANDLE |
| 82 |
335131 |
BRAKE HANDLE |
| 84 |
334379 |
FERRITE CORE |
| 85 |
335867 |
SPONGE (A) |
| 87 |
336350 |
SPECIAL NUT M5 |
| 501 |
6699116 |
CHAIN COVER |
| 504 |
UC36YSL |
CHARGER (MODEL UC 36YRSL) |
All product specifications in this catalog are based on information taken from official sources, including the official manufacturer’s Hitachi websites, which we consider as reliable. Unfortunately, even the official documents may contain mistakes and printing errors – we are not able to confirm that all of these data are precise and represent the facts. Most of the manufacturers reserve the right to change the product characteristics or complement without notice. We strongly recommend using the published information as a basic information subject to hitachi brand review. Please refine the important parameters by the selling assistant when making a purchase. All content included in this catalog is the intellectual property of www.bricoutensili.com. Any publication or copying (full or partial) without a reference to the source page is prohibited.