

Informazioni sulle spedizioni e consegne saranno disponibili a breve.
Bosch Original spare parts sourced directly from the manufacturer, with after-sales service at the lowest price on the web for to make maintenance or repair damaged parts for Angle Grinder PWS Universal - 3603CA2002.
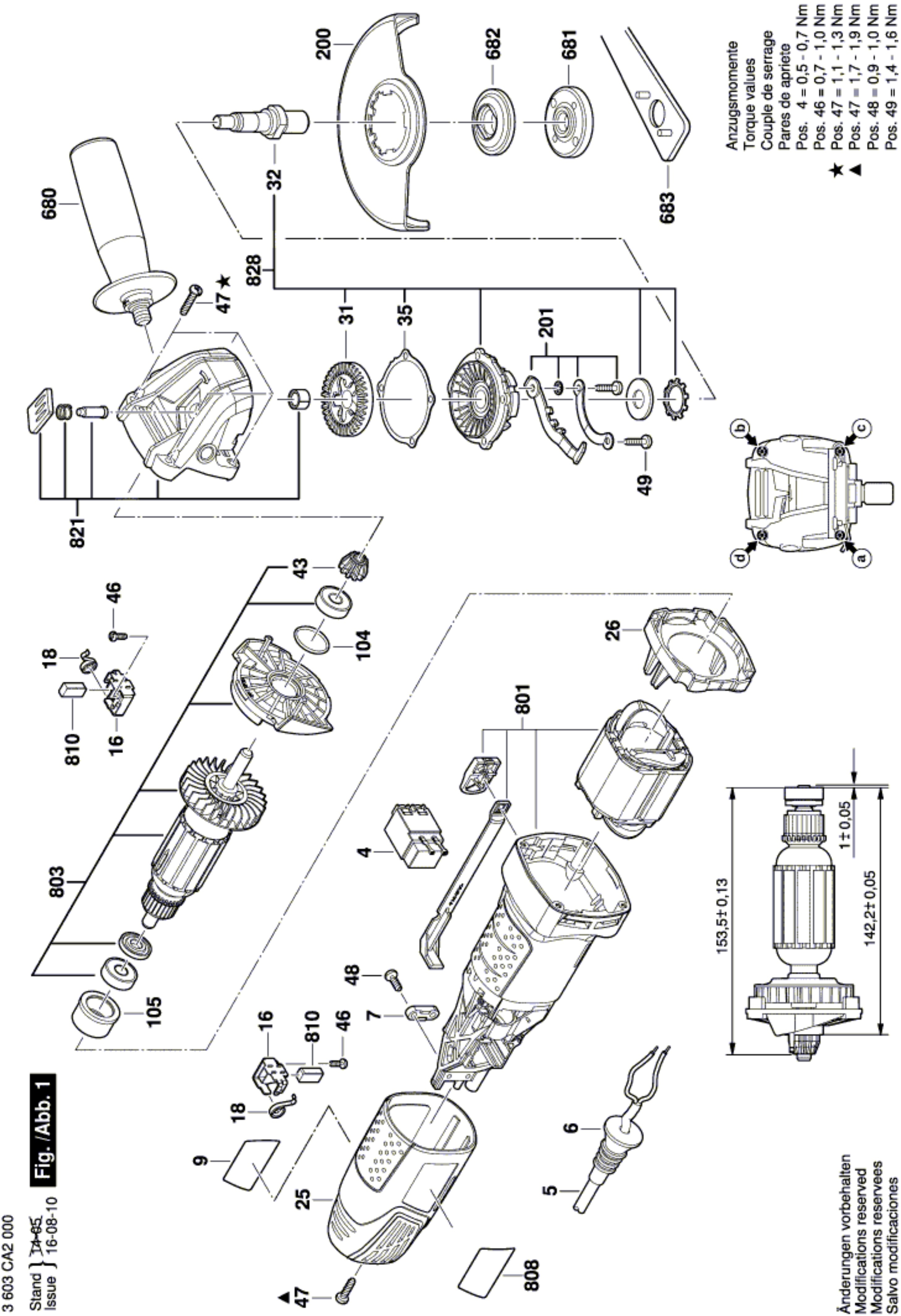
In the following table, look for the model of the Angle Grinder and the respective parts of the code.![]()
| Smerigliatrice Angolare PWS Universal/3 603 CA2 002 | ||
| # | Part Num. | Description |
| 4 | 1607200325 | Switch |
| 5 | 2609002907 | Power supply cord EU 2,65m 2x0,75 H05 VV-F |
| 6 | 2609005829 | Grommet |
| 7 | 2609005869 | Cable Clip |
| 9 | 161111C04G | Manufacturer's nameplate X70 WS |
| 16 | 1604336035 | Brush Holder |
| 18 | 1604652013 | Spiral Spring |
| 25 | 2609005833 | Housing Cover BLACK |
| 26 | 2609005835 | Air-Deflector Ring |
| 31 | 1606333624 | Crown Gear |
| 32 | 1603523110 | Grinding Spindle M14, SW17 |
| ** | 2609002208 | Shim 0,1 MM |
| ** | 2609002209 | Shim 0,2 MM |
| ** | 2609002210 | Shim 0,3 MM |
| ** | 1600A00RE3 | Shim 1,5 MM |
| 43 | 2609000116 | Pinion |
| 46 | 2603490017 | Torx Oval-Head Screw 3x10 |
| 47 | 2603490023 | Torx Oval-Head Screw 4x20 |
| 48 | 2603490021 | Torx Oval-Head Screw 4x12 |
| 49 | 2610386516 | Torx Oval-Head Screw M4x12 |
| 104 | 3600210127 | O-Ring 21,0x1,0 MM |
| 105 | 2609004785 | Rubber Bushing |
| 200 | 2609002203 | Protective Cover Ø115 MM |
| 201 | 2609006441 | Leaf Spring |
| 680 | 2609006332 | Handle |
| 681 | 1603345043 | Round Nut M14 |
| 682 | 2605703014 | Clamping-Flange Ø22,3xØ42 MM |
| 683 | 1619P08927 | Pin-Type Face-Wrench |
| 801 | 2609006892 | Housing GREEN |
| 803 | 2609005840 | Armature assembly 230V |
| 808 | 160111A209 | Nameplate |
| 810 | 1607014145 | Carbon-Brush Set |
| 821 | 2609006425 | Gear Housing |
| 828 | 2609002444 | Bearing Flange |