

| Pos. | Item | Price | Buy | |
|---|---|---|---|---|
|
822/124
|
photo_cameraImage coming soon | 1611316006 Clamping Band Ø43 MM | €3.22 | |
|
822/120
|
photo_cameraImage coming soon | 1612025019 Auxiliary Handle M8 | €8.15 | |
|
822/125
|
photo_cameraImage coming soon | 1613490002 T-Head Bolt M8x40 MM | €6.32 | |
|
822
|
photo_cameraImage coming soon | 2602025118 Auxiliary Handle Ø43 MM | €20.04 | |
|
822/802
|
photo_cameraImage coming soon | 2608040176 index turning toolholder Ø43 MM | €8.15 | |
|
879
|
photo_cameraImage coming soon | 1613001009 Depth-Gauge SW 6x210 MM | €9.00 |
Informazioni sulle spedizioni e consegne saranno disponibili a breve.
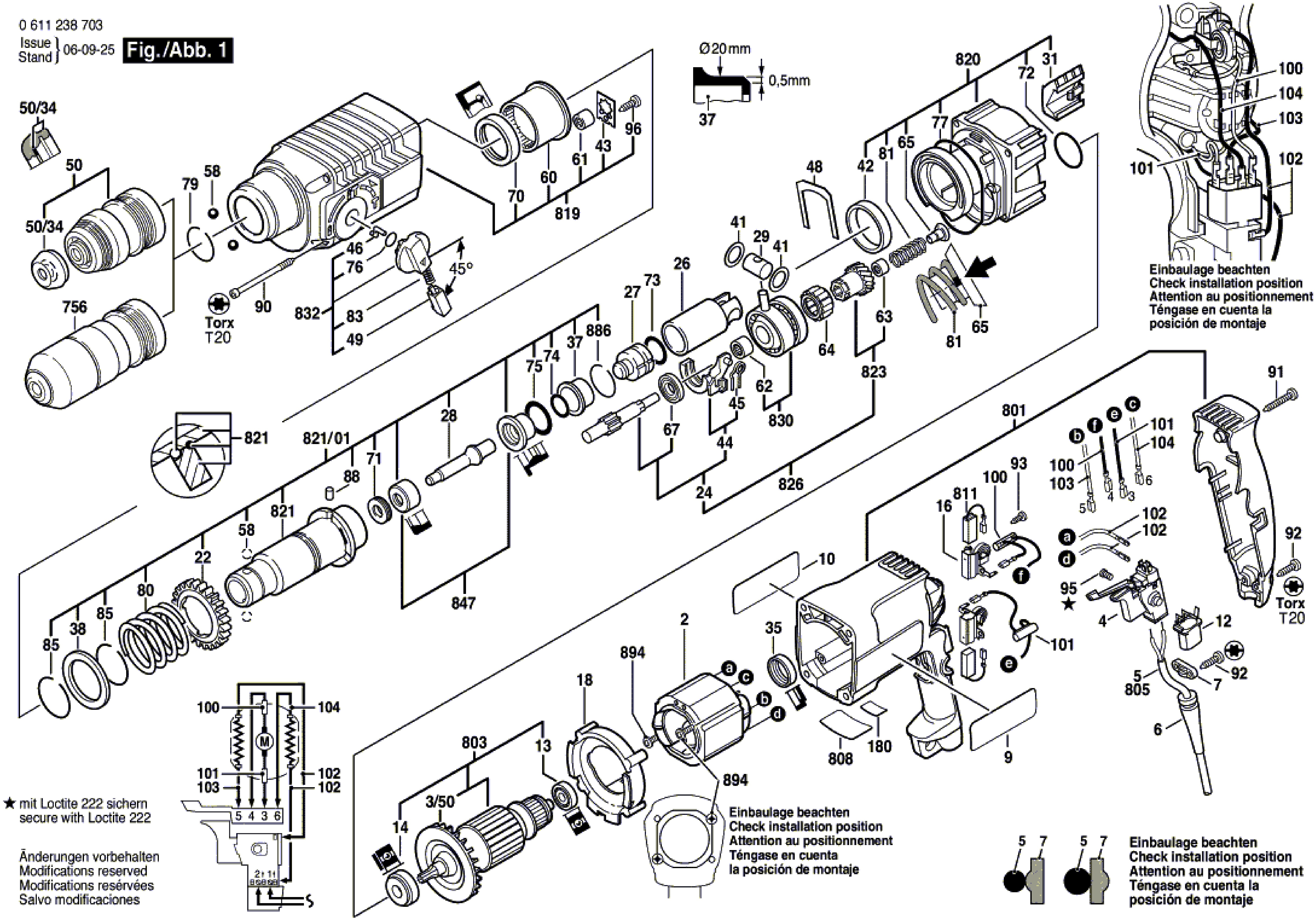
Fix Your Rotary Hammer GBH 2-24 DFR - 0611238703. All Spares are original and can be supplied at Low and discounted prices For Shipping. Our Spares are Genuine Parts and Come with a Full Guarantee.
In the following table, look for the model of the Hammer and the respective parts of the code.![]()
| Rotary Hammer GBH 2-24 DFR/0 611 238 703 | ||
| # | Part Num. | Description |
| 2 | 1614220172 | Field 220-230V |
| 3/50 | 1616610095 | Fan GRAY |
| 4 | 1617200077 | Switch BLACK |
| 6 | 2600703018 | Grommet Ø7,3-Ø8,6x76 MM |
| 7 | 1611035005 | Cable Clip |
| 9 | 1611110852 | Manufacturer's nameplate |
| 10 | 1611110853 | Manufacturer's nameplate |
| 12 | 1617328026 | Suppression Filter |
| 13 | 1610905025 | groove ball bearing 7x19x6 |
| 14 | 1610905048 | groove ball bearing 9x24x7 |
| 16 | 1617000343 | Brush Holder |
| 18 | 1610522009 | Air-Deflector Ring |
| 22 | 1616317602 | Cylindrical Gear Z=50 |
| 24 | 1617000518 | Toothed Shaft Z=3/9 |
| 26 | 1618700062 | Hammer Piston |
| 27 | 1618710057 | Striker |
| 28 | 1613124052 | Striker Pin |
| 29 | 1613105012 | Piston Pin |
| 31 | 1615510003 | Protective Grille |
| 35 | 1610206021 | Rubber Ring |
| 37 | 1610390017 | Damping Bushing |
| 38 | 1610102026 | Supporting Disc |
| 41 | 1610101011 | Shim washer 1,2 MM THICK |
| 42 | 1610202015 | Plain bearing |
| 43 | 1611098005 | Tab Washer |
| 44 | 1615820092 | Switching Element |
| 45 | 1614651014 | Switch Spring |
| 46 | 1614690002 | Driver Pin |
| 48 | 1611016003 | Holding Plate |
| 49 | 1612026035 | Switch Button RED |
| 50 | 1617000327 | Quick-Change Collet Chuck SDS-PLUS |
| 50/34 | 1610508047 | Protective Cap |
| 58 | 1903230010 | Ball DIN 5401-5,5MM-III-ST |
| 60 | 1610910073 | Needle-Roller Bearing |
| 61 | 1610910098 | Needle bearing |
| 62 | 1610910074 | Needle bearing |
| 63 | 1610910064 | Needle bearing |
| 64 | 1610913010 | Needle-Roller Assembly |
| 65 | 1610591016 | Plain bearing |
| 67 | 1610905016 | groove ball bearing |
| 70 | 1610283019 | Shaft Seal |
| 71 | 1610290029 | Scraper |
| 72 | 1610210068 | O-Ring 24,0x2,5 MM |
| 73 | 1610210187 | O-Ring |
| 74 | 1610210104 | O-Ring 11,0x3,5 MM |
| 75 | 1610210105 | O-Ring 18,0x3,5 MM |
| 76 | 1610210046 | O-Ring 10,5x2,7 MM |
| 77 | 1610210106 | O-Ring 60,0x3,0 MM |
| 79 | 1614601026 | Retaining ring |
| 80 | 1614634005 | Compression Spring |
| 81 | 1614611009 | Compression Spring |
| 83 | 1614611006 | Compression Spring |
| 85 | 1614601011 | Retaining ring |
| 88 | 1613200007 | Roller |
| 90 | 1603435036 | Tapping Screw 4,8x78 MM, TORX T-20 |
| 91 | 2603490026 | Lens Head Screw 4x32 |
| 92 | 2603490023 | Torx Oval-Head Screw 4x20 |
| 93 | 2910211005 | Tapping Screw DIN 7971-ST2,9x9,5-F |
| 95 | 2603410001 | Socket head cap screw M3x6,5-4.8 |
| 96 | 2912401018 | Tapping Screw DIN7981-ST3,9x13-C-Z |
| 100 | 2604465086 | Suppression Filter L=148 MM BLACK |
| 101 | 2604465097 | Suppression Filter L=126 MM WHITE |
| 102 | 2604448005 | Cable L=130 MM WHITE |
| 103 | 1614448017 | Connecting Cable L=55 MM WHITE |
| 104 | 2604448137 | Connecting Cable L=78 MM WHITE |
| 756 | 1617000328 | Keyless Chuck Ø 1,5-13 MM |
| 801 | 1617000477 | Motor Housing |
| 803 | 1614010227 | Armature With Fan 220-230V |
| 805 | 1614460026 | Power supply cord EU 4,15m 2 x 1,0mm H07 RN-F |
| 808 | 1601106035 | Nameplate 26x42 MM |
| 811 | 1617014134 | Carbon-Brush Set |
| 819 | 1615806093 | Gear Housing BLACK |
| 820 | 1617000981 | Intermediate Flange |
| 821 | 1617000325 | Tool Holding Fixture |
| 821/01 | 1617000326 | Tool Holding Fixture |
| 822 | 2602025118 | Auxiliary Handle Ø43 MM |
| 822/120 | 1612025019 | Auxiliary Handle M8 |
| 822/124 | 1611316006 | Clamping Band Ø43 MM |
| 822/125 | 1613490002 | T-Head Bolt M8x40 MM |
| 822/802 | 2608040176 | index turning toolholder Ø43 MM |
| 823 | 1616328042 | Gear Sleeve Z=26/6 |
| 826 | 1617000517 | Toothed Shaft Z=3/9 |
| 830 | 1615819018 | Drive bearing |
| 832 | 1612026037 | Clamp Handle BLACK |
| 847 | 1617000348 | Guide Ring |
| 879 | 1613001009 | Depth-Gauge SW 6x210 MM |
| 886 | 1614601024 | Retaining ring |
| 894 | 2603435015 | Recessed-Head Screw DIN 7981-ST3,5x9,5-F |