- Online only


Informazioni sulle spedizioni e consegne saranno disponibili a breve.
Bosch genuine replacement parts for to replace broken parts for to fix Agitator GRW 9 - 0601968050.
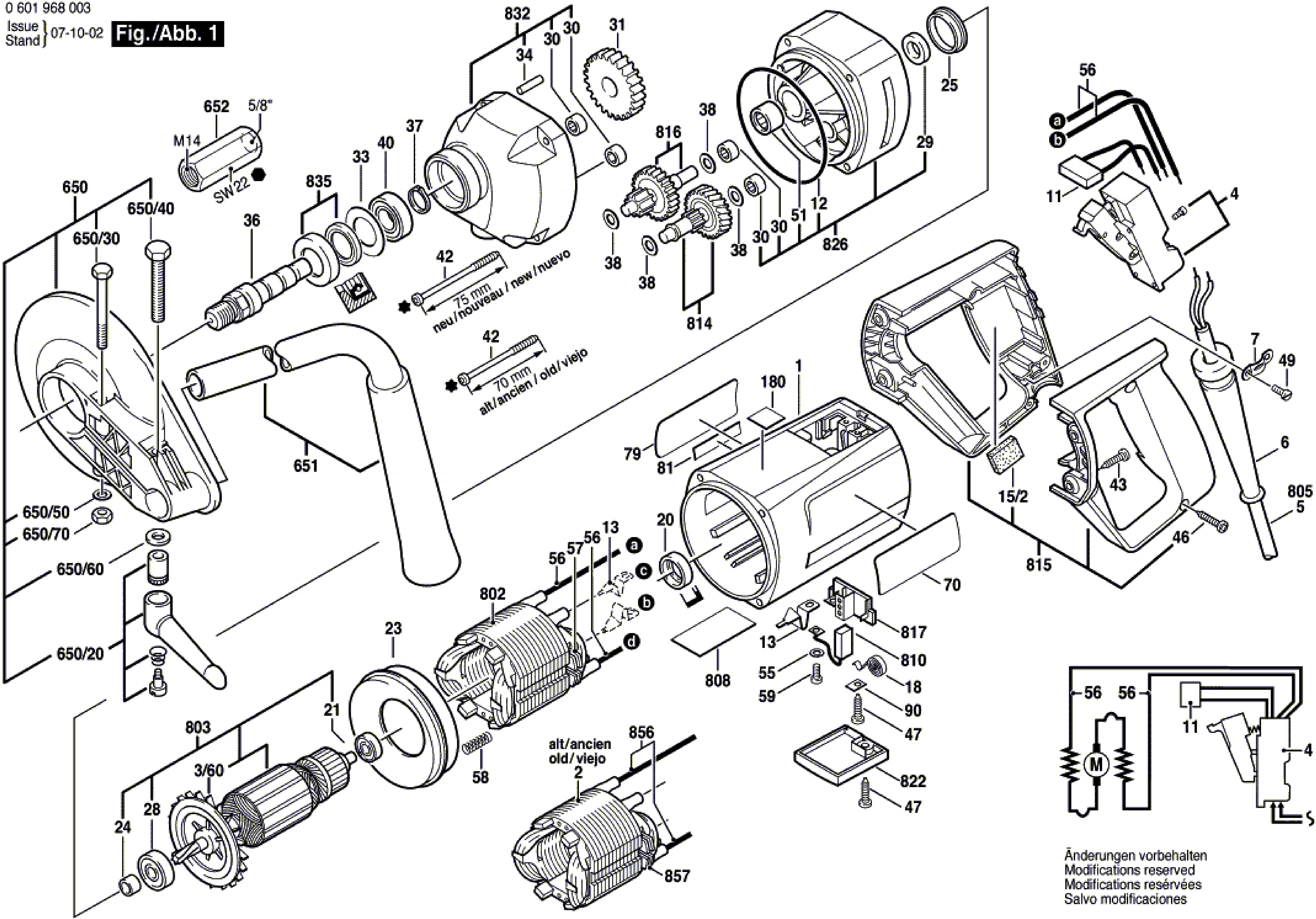
In the following table, look for the model of the Agitator and the respective parts of the code.![]()
| Agitator GRW 9/0 601 968 050 | ||
| # | PArt NUm. | Description |
| 1 | 3605108145 | Motor Housing BLUE |
| 3/60 | 1606610122 | Fan |
| 4 | 1607200078 | Switch |
| 5 | 1614460039 | Power supply cord I 4,15m 2 x 1,0mm H07 RN-F |
| 6 | 3600703011 | Grommet Ø9,2-Ø12x120 MM |
| 7 | 1601302014 | Fastening Clamp |
| 11 | 1607328028 | Suppression Filter |
| 12 | 1600210030 | O-Ring 74,0x1,5 MM |
| 13 | 1604477001 | Blade terminal |
| 42415 | 1602381006 | Insulating Plate 20x20x50 MM |
| 18 | 1604652006 | Spiral Spring |
| 20 | 1600502011 | Intermediate Ring |
| 21 | 2600905032 | groove ball bearing 7x19x6 |
| 23 | 1600502019 | Air-Deflector Ring |
| 24 | 1600300090 | Intermediate Ring |
| 25 | 1600221003 | Intermediate Ring |
| 28 | 3600905131 | groove ball bearing 9x26x8 |
| 29 | 1600290016 | Rotary shaft lip seal |
| 30 | 1600200029 | Plain bearing |
| 31 | 3606317041 | Cylindrical Gear Z=36 |
| 33 | 1600102003 | Shim 0,5 MM THICK |
| 34 | 2917500121 | Straight Pin 5 H 8x18 DIN 7 |
| 36 | 3603523028 | Spindle 5/8" |
| 37 | 2916650006 | Spring retaining ring DIN 471-15x1-FSt |
| 38 | 3600100064 | Shim |
| 40 | 1900905162 | groove ball bearing 15x32x9 |
| 42 | 3603435040 | Lens Head Screw |
| 43 | 1603435010 | Tapping Screw B4,8x22 MM |
| 46 | 2914201507 | Torx Oval-Head Screw |
| 47 | 2910211019 | Tapping Screw DIN 7971-ST3,9x16-F |
| 49 | 2910211018 | Tapping Screw DIN 7971-ST3,9x13-F |
| 51 | 3600917019 | Needle bearing |
| 56 | 3604460027 | Connecting Cable L=360 MM WHITE |
| 57 | 3601025003 | Wire Guide |
| 58 | 1604613006 | Compression Spring |
| 59 | 2910021118 | Socket head cap screw DIN 84-AM4x8-8.8 |
| 70 | 3601110266 | Company Logo |
| 79 | 3601110267 | Reference Plate |
| 90 | 1601030022 | Tab Washer |
| 650 | 3605510037 | Splash Guard BLACK |
| 650/20 | 3602001005 | Clamping Lever |
| 650/30 | 2911011215 | Hex Screw M 6x55 DIN 931-8.8 |
| 650/40 | 2911011254 | Hex Screw DIN 931-M8x50-8.8 |
| 650/50 | 2916011014 | Plain Washer DIN 125-A 6,4-ST |
| 650/60 | 2916011016 | Plain Washer DIN 125-A 8,4-ST |
| 650/70 | 3603435044 | Hex Nut |
| 651 | 3601923013 | Auxiliary Handle BLACK |
| 652 | 3609201354 | Threaded Fitting SW22, M14, 5/8" |
| 802 | 3604220109 | Field 230-240V |
| 803 | 3607031338 | Armature 230-240V |
| 808 | 1601106032 | Nameplate 26x52 MM |
| 810 | 1607014126 | Carbon-Brush Set |
| 814 | 3606309046 | Spindle With Gear Z=11/33 |
| 815 | 3605133012 | Handle DARK BLUE |
| 816 | 3606309048 | Spindle With Gear Z=11/35 |
| 817 | 1604336017 | Brush Holder |
| 822 | 3605500063 | Sealing cap BLUE |
| 826 | 3607031539 | Intermediate Flange |
| 832 | 3607031540 | Spindle Bearing |
| 835 | 3607030355 | Retaining snap ring |
| 856 | 1604438012 | Connecting Cable L=330 MM WHITE |
| 857 | 1601025001 | Wire Guide |