

Informazioni sulle spedizioni e consegne saranno disponibili a breve.
We are BOSCH original spare parts and Accessories Worldwide Dealers at low at unbeatable prices and a service center with professional repair service able to advise you on the purchase of the most suitable spare part to quickly resolve any maintenance or repair issues for Cordless Hammer Drill GBH 36 VF-LI - 3611J01R00.
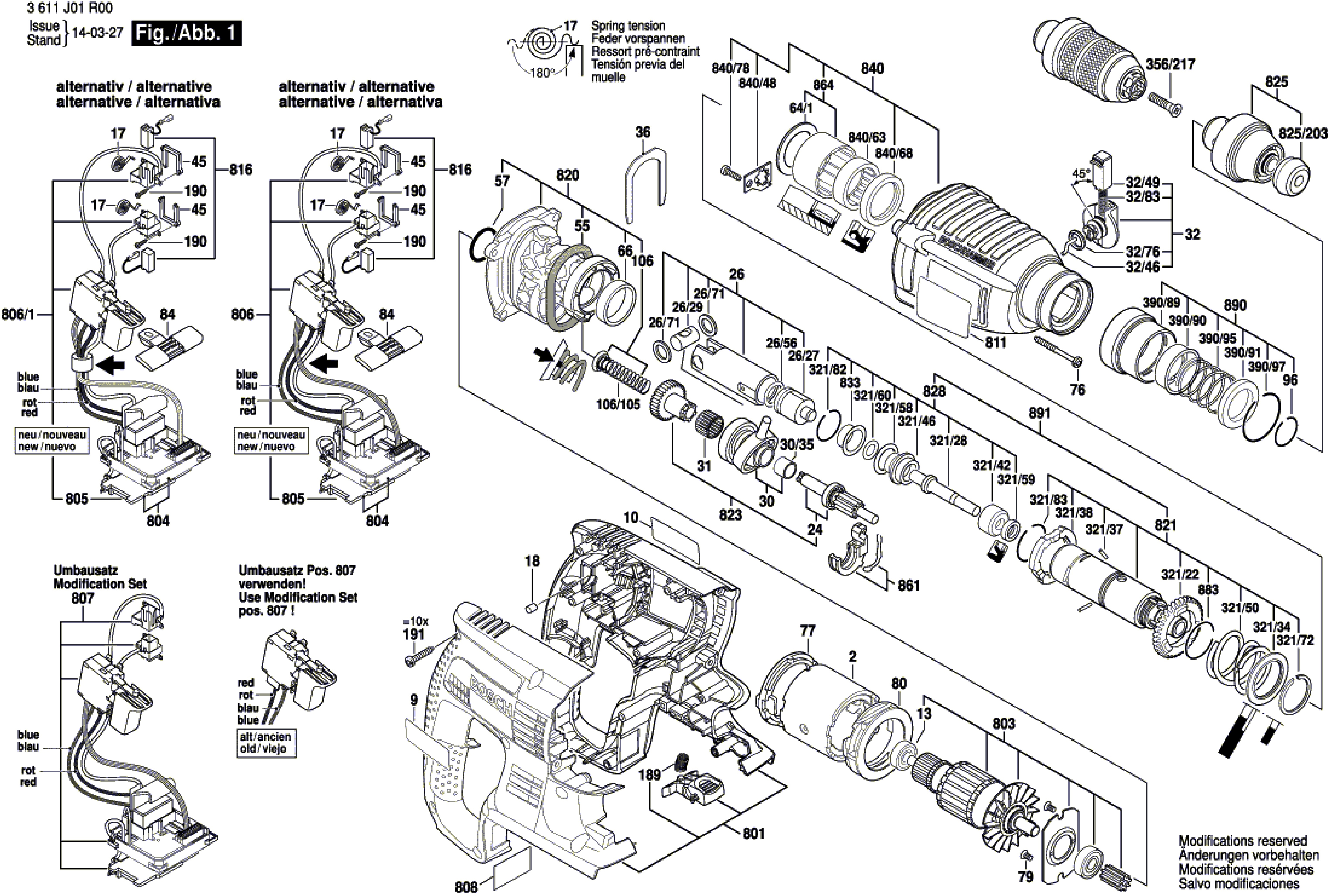
In the following table, look for the model of the Hammer Drill and the respective parts of the code.![]()
| Cordless Hammer Drill GBH 36 VF-LI/3611J01R00 | ||
| # | Part Num. | Description |
| 2 | 2610942109 | Pole housing 14;4-24V |
| 9 | 1611110Z57 | Manufacturer's nameplate |
| 1611110Z60 | Manufacturer's nameplate | |
| 10 | 1611110Z58 | Manufacturer's nameplate |
| 13 | 2600905052 | Deep-Groove Ball Bearing 8x22x7 |
| 17 | 1614652006 | Spiral Spring |
| 18 | 2603100056 | Rubber Buffer |
| 24 | 16170006EJ | Toothed Shaft |
| 26 | 1617000557 | Hammer Piston |
| 26/27 | 1610311018 | Striker |
| 26/29 | 1613105012 | Piston Pin |
| 26/56 | 1610210187 | O-Ring |
| 26/71 | 1610101011 | Shim washer 1,2 MM THICK |
| 30 | 1615819028 | Drive end shield |
| 30/35 | 1610202024 | Plain bearing |
| 31 | 1610913016 | Needle-Roller Assembly |
| 32 | 1612026037 | Clamp Handle BLACK |
| 32/46 | 1614690002 | Driver Pin |
| 32/49 | 1612026035 | Switch Button RED |
| 32/76 | 1610210046 | O-Ring 10,5x2,7 MM |
| 32/83 | 1614611006 | Compression Spring |
| 36 | 1611016003 | Holding Plate |
| 45 | 1601010058 | Insulating Plate |
| 55 | 1610290226 | Seal ring 53,0x7,0 MM |
| 57 | 1610210068 | O-Ring 24,0x2,5 MM |
| 64/1 | 1610190060 | Supporting Disc |
| 66 | 1610202021 | Plain bearing |
| 76 | 1613435022 | Thread-forming tap. Screw |
| 77 | 1610290043 | Locating Ring |
| 79 | 1613435023 | Thread-forming tap. Screw |
| 80 | 1610290084 | Locating Ring |
| 84 | 1613231017 | Switch Slide |
| 96 | 1614601046 | Retaining ring |
| 106 | 1614611022 | Plain bearing |
| 106/105 | 1614611021 | Compression Spring |
| 189 | 1614610015 | Compression Spring |
| 190 | 2603490017 | Torx Oval-Head Screw 3x10 |
| 191 | 2603490023 | Torx Oval-Head Screw 4x20 |
| 321/22 | 1616312004 | Cylindrical Gear |
| 321/28 | 1613124082 | Striker Pin |
| 321/34 | 1610190049 | Supporting Disc |
| 321/37 | 1613100019 | Straight Pin DIN6325-2,5x12-RIKO |
| 321/38 | 1610190065 | Catch Disk |
| 321/42 | 1610290099 | Thrust Ring |
| 321/46 | 1610390066 | Guide Bushing |
| 321/50 | 1614611020 | Compression Spring |
| 321/58 | 1610210178 | O-Ring |
| 321/59 | 1610283039 | Rotary shaft lip seal |
| 321/60 | 1610210176 | O-Ring 9,0x3,5 MM |
| 321/72 | 1604601027 | Retaining ring |
| 321/82 | 1614601034 | Retaining ring |
| 321/83 | 1604601028 | Retaining ring A22 DIN 7993 |
| 356/217 | 2603421229 | Countersunk-Head Screw M6x23 |
| 390/89 | 1610499059 | Guide Sleeve |
| 390/90 | 1610590016 | Collar Sleeve |
| 390/91 | 1610200033 | Thrust ring |
| 390/95 | 1614643016 | Compression Spring |
| 390/97 | 1614601047 | Retaining ring |
| 650 | 1612025057 | Auxiliary Handle BLACK |
| 650/120 | 1612025058 | Auxiliary Handle M8 BLACK |
| 650/124 | 1611316021 | Clamping Band Ø50 MM |
| 650/125 | 1613490002 | T-Head Bolt M8x40 MM |
| 650/802 | 1617000475 | index turning toolholder |
| 651 | 1613001009 | Depth-Gauge SW 6x210 MM |
| 653 | 2607336003 | Battery Pack 36V, 2,0Ah, LI |
| 653 | 2607336711 | Slide-In Accu Package J 36V. 2,6Ah, LI |
| 653 | 2607336173 | Battery Pack 36V, 2,6Ah, LI, XL |
| 653 | 2607336915 | Slide-In Accu Package 36V, 4,0Ah, LI |
| 653 | 1600A001T4 | Slide-In Accu Package J 36V, 4,0Ah. LI |
| 653 | 2607336893 | Slide-In Accu Package J 36V,4;0Ah, LI |
| 654 | 2607225099 | Fast Charger EU 230/18-36V, 1h |
| 654 | 2607225101 | Fast Charger GB 230/18-36V, 1h |
| 654 | 2607225103 | Fast Charger AUS 240/18-36V, 1h |
| 654 | 2607225109 | Fast Charger J 100/18-36V, 1h |
| 654 | 2607225111 | Fast Charger ROK 220/18-36V, 1h |
| 654 | 2607225113 | Fast Charger BR 220/18-36V, 1h |
| 801 | 1617000A4W | Motor Housing |
| 803 | 1617000473 | Armature With Fan |
| 804 | 1617000890 | Electronics Module |
| 805 | 1609280425 | Contact retainer |
| 806 | 1617000889 | On-Off Switch |
| 806/1 | 1600A00175 | On-Off Switch |
| 807 | 1607233209 | Electronics Module |
| 808 | 1601106040 | Nameplate 26x42 MM |
| 811 | 1611110Y46 | Reference Plate |
| 816 | 1617014142 | Carbon-Brush Set |
| 816 | 1607000496 | Carbon-Brush Set 10 x 1 617 014 142 |
| 820 | 1617000883 | Intermediate Flange |
| 821 | 1617000V42 | Pipe |
| 823 | 1617000884 | Toothed Shaft |
| 825 | 1617000895 | Tool Holding Fixture |
| 825/203 | 1610508047 | Protective Cap |
| 828 | 1617000V43 | Striker Pin |
| 833 | 1610590018 | Holding Jacket |
| 840 | 1617000V55 | Gear Housing BLACK |
| 840/48 | 1611098008 | Tab Washer |
| 840/63 | 1610910063 | Needle bearing Ø30xØ37x12 MM |
| 840/68 | 1610283036 | Rotary shaft lip seal |
| 840/78 | 2603490022 | Torx Oval-Head Screw 4x16 |
| 861 | 1615820097 | Switching Element |
| 864 | 1617000A07 | Supporting Disc |
| 883 | 1604601028 | Retaining ring A22 DIN 7993 |
| 890 | 1617000V41 | Guide Sleeve |
| 891 | 1617000876 | Hammer Pipe |
| 895 | 1615430001 | Grease Tube 225 ML |
| 896 | 1615430020 | Grease Tube 225 ML |