

Informazioni sulle spedizioni e consegne saranno disponibili a breve.
We have the original Spares BOSCH for Cordless Circular Saw GKS 18 V-LI - 3601F6H000, the diagram, parts list and tool repair that help you need to get your tools running like new again.
Fix Your Cordless Circular Saw GKS 18 V-LI. All Spares are original and can be supplied at Low and discounted prices For Shipping. Our Spares are Genuine Parts and Come with a Full Guarantee.
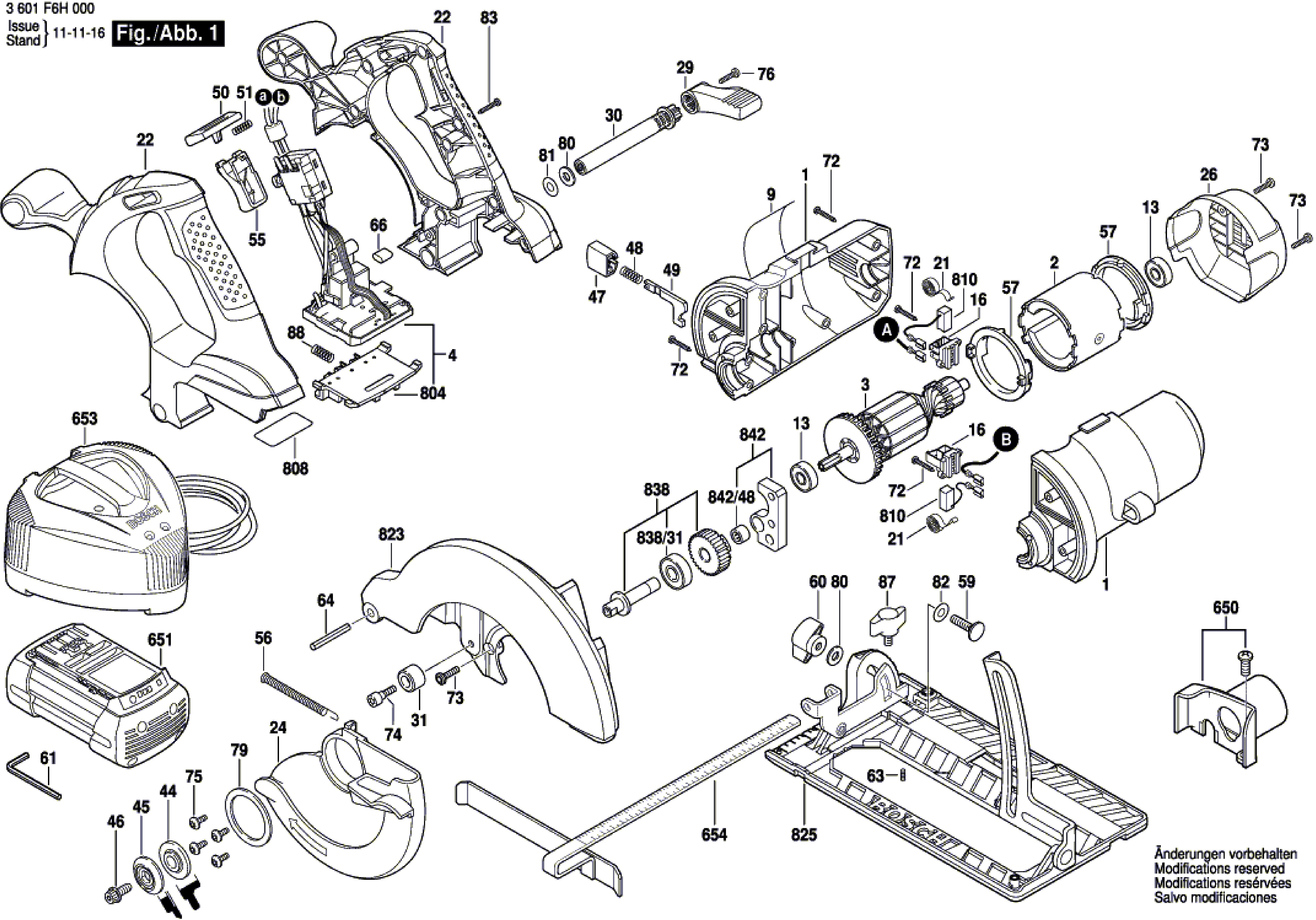
In the following table, look for the model of the Cordless Circular Saw and the respective parts of the code.![]()
| Cordless Circular Saw GKS 18 V-LI/3 601 F6H 000 | ||
| # | Part Num. | Description |
| 1 | 2610930648 | Motor Housing BLUE |
| 2 | 2610942109 | Pole housing 14;4-24V |
| 3 | 1619P01902 | Armature 7/35 DC 18V-RECHTSLAUF |
| 4 | 1607233334 | Electronics Module |
| 13 | 2610351861 | Ball Bearing |
| 16 | 2610934990 | Brush Holder |
| 21 | 2610907388 | Spiral Spring |
| 22 | 2610955160 | Handle BLUE |
| 24 | 2610930652 | Lower guard BLACK |
| 26 | 2610955162 | End cap BLACK |
| 29 | 2610935249 | Adjusting Lever |
| 30 | 2610955158 | Adjustment rod |
| 31 | 1619P01532 | End stop |
| 44 | 2610946075 | Guide Bushing |
| 45 | 2610959533 | Special Washer |
| 46 | 2610935247 | Flange Bolt |
| 47 | 2610935245 | Push-Button |
| 48 | 2610936576 | Compression Spring |
| 49 | 2610935246 | Locking Pin |
| 50 | 2610955167 | Locking Slide |
| 51 | 2610935251 | Compression Spring |
| 55 | 2610942930 | Trigger |
| 56 | 2610947075 | Extension Spring |
| 57 | 2610942931 | Locating Ring |
| 59 | 2910281203 | Round-Head Bolt DIN 603-M6x25 |
| 60 | 2610936575 | Knob BLACK |
| 61 | 2610937464 | Hexagon Socket Wrench |
| 63 | 2610001398 | Adjusting Screw |
| 64 | 2917761253 | Slotted Spring Pin ISO 8752-6x36-A-ST |
| 66 | 2610937452 | Set ring |
| 72 | 2603490018 | Torx Oval-Head Screw 3x18 |
| 73 | 2603490022 | Torx Oval-Head Screw 4x16 |
| 74 | 2610937508 | Shoulder Screw |
| 75 | 2914201503 | Oval-Head Screw A 4x12-10,9-D |
| 76 | 2610957469 | Hex Socket Head Cap Screw |
| 79 | 2610386556 | Washer |
| 80 | 2916011111 | Plain Washer |
| 81 | 2916190012 | Shim ring DIN 988-6x12x0,5 |
| 82 | 2610945804 | Washer |
| 83 | 2610315386 | Screw ST3,9x19 |
| 87 | 2610990806 | Adjustment Knob |
| 88 | 2604690055 | Compression Spring |
| 650 | 2610953099 | Dust Extraction |
| 651 | 2607336091 | Slide-In Accu Package 18V, 2,6Ah, LI, MS |
| 653 | 2607225321 | Charger EU 230/10,8-18V, 30 MIN |
| 654 | 2610955166 | Edge Guide |
| 804 | 1609280478 | Contact retainer |
| 808 | 2610956320 | Nameplate |
| 810 | 2610943623 | Carbon-Brush Set |
| 823 | 2610957974 | Protective Guard |
| 825 | 2610957994 | Base Plate |
| 838 | 2610000765 | Spindle Assembly |
| 838/31 | 1900905173 | Deep-Groove Ball Bearing 6000-2RS DIN 625 |
| 842 | 2610997509 | Pivot Plate |
| 842/48 | 1600910018 | Needle bearing Ø8xØ12x8 MM |
All product specifications in this catalog are based on information taken from official sources, including the official manufacturer’s BOSCH websites, which we consider as reliable. Unfortunately, even the official documents may contain mistakes and printing errors – we are not able to confirm that all of these data are precise and represent the facts. Most of the manufacturers reserve the right to change the product characteristics or complement without notice. We strongly recommend using the published information as a basic information subject to BOSCH brand review. Please refine the important parameters by the selling assistant when making a purchase. All content included in this catalog is the intellectual property of www.bricoutensili.com. Any publication or copying (full or partial) without a reference to the source page is prohibited.