

Informazioni sulle spedizioni e consegne saranno disponibili a breve.
Bosch genuine spare parts or replacement parts for to repair Jig Saw Compact Easy PST 650 500W /230V/EU - 3603CA0700.
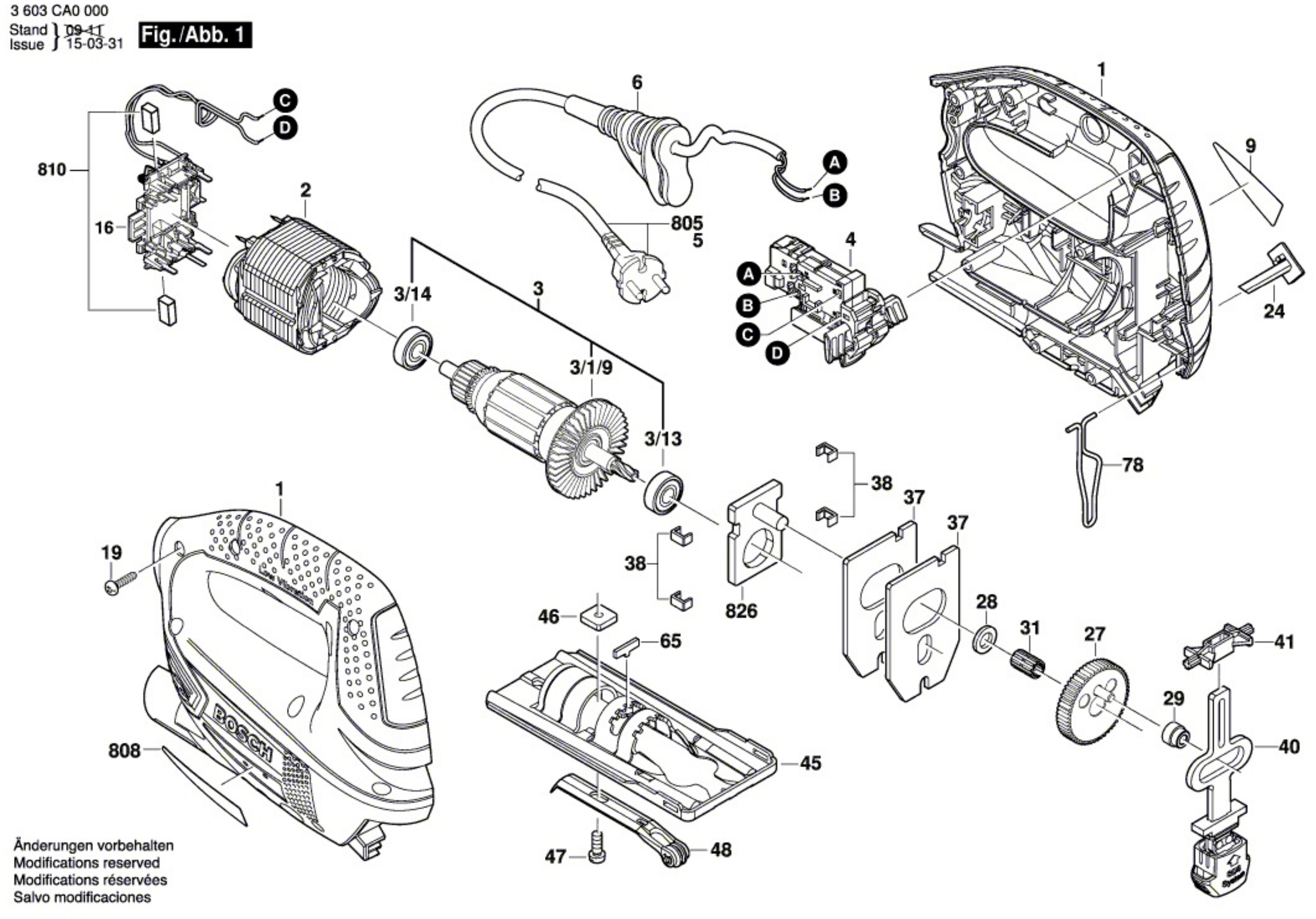
In the following table, look for the model of the Jig Saw and the respective parts of the code.![]()
| Jig Saw PST 650 /230V/EU - 3603CA0700 Compact Easy PST 650 500W |
||
| # | Part Num. | Description |
| 1 | 2609003335 | Housing Section GREEN |
| 2 | 2609002875 | Field 220-240V |
| 3 | 2609003266 | Armature 220-240V |
| 3/1/9 | 2609002159 | Fan |
| 3/13 | 2609000639 | groove ball bearing 8x22x7 608-2Z/C5 |
| 3/14 | 2600905110 | groove ball bearing 8x22x7 |
| 4 | 1607200242 | Switch |
| 5 | 2604460259 | Power supply cord EU 230V 2,7m 2 x 0,75mm H05 VV-F |
| 6 | 2609003080 | Grommet Ø6,4-Ø7,2x76 MM |
| 9 | 2609005731 | Manufacturer's nameplate PST 650 |
| 9 | 2609005773 | Manufacturer's nameplate PST 670 |
| 9 | 161111C04A | Manufacturer's nameplate PST Easy |
| 16 | 2609006437 | Brush Holder |
| 19 | 2603490022 | Screw 4x16 |
| 24 | 2609003337 | Switch Slide RED |
| 27 | 2609003443 | Eccentric Cog Wheel |
| 28 | 2609003341 | Plain Washer |
| 29 | 2609003636 | Plain bearing |
| 31 | 2600913040 | Needle-Roller Assembly |
| 37 | 2609002128 | Counterweight |
| 38 | 2609002125 | Guide Component |
| 40 | 2609003489 | Lifting Rod |
| 41 | 2605801053 | Guide Bearing |
| 45 | 2609003347 | Base Plate |
| 46 | 2600040003 | fixing plate |
| 47 | 2603413034 | Socket head cap screw |
| 48 | 160804011G | Retaining Bracket |
| 65 | 2609003349 | Adjustment Element |
| 78 | 2609003350 | Protecting Cover BLACK |
| 808 | 160111A2JT | Nameplate |
| 810 | 2610391290 | Carbon-Brush Set |
| 826 | 2609003863 | Bearing Bracket |