Bosch Spare Parts for Planer PHO 3100

SKU: Bosch PHO 3100 - 3603B71100
€3.79
VAT included

Bosch Spare Parts for Planer PHO 3100

We have the original Spares for BOSCH Planer PHO 3100 - 3603B71100, the diagram, parts list and tool repair that help you need to get your tools running like new again.

Fix Your Planer PHO 3100. All Spares are original and can be supplied at Low and discounted prices For Shipping. Our Spares are Genuine Parts and Come with a Full Guarantee.
Bosch Spare Parts for Planer PHO 3100
  • Bosch Spare Parts for Planer PHO 3100
  • Bosch Spare Parts for Planer PHO 3100

Bosch Spare Parts for Planer PHO 3100

SKU: Bosch PHO 3100 - 3603B71100 Condition: New
€3.79
VAT included

Bosch Spare Parts for Planer PHO 3100

We have the original Spares for BOSCH Planer PHO 3100 - 3603B71100, the diagram, parts list and tool repair that help you need to get your tools running like new again.

Fix Your Planer PHO 3100. All Spares are original and can be supplied at Low and discounted prices For Shipping. Our Spares are Genuine Parts and Come with a Full Guarantee.
settings 48 spare parts
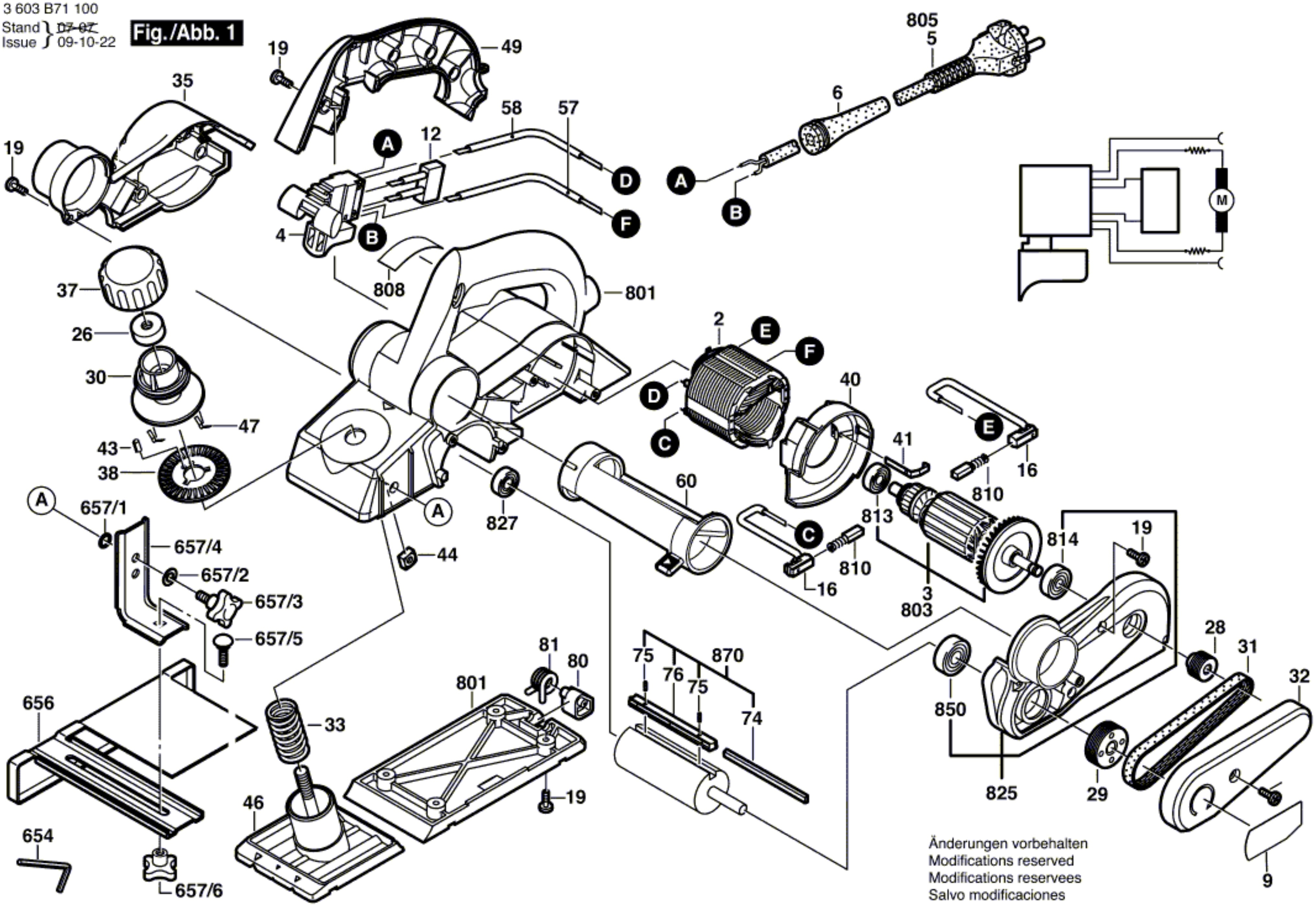
description 1 exploded view
picture_as_pdf Download Exploded PDF
ITEM CODE
Quantity
AVAILABLE

SHIPPING IN:: Usually Ships in: 10 BUSYNESS DAYS
CHECK ITEM CODE OR S/N:: CHECK YOUR TOOL CODE OR S/N BEFORE CHECKOUT
CHECK S/N BOSCH:: BOSCH S/N START WITH (0) or (3) AND HAVE 10 DIGITS
verified_user
Original Product Manufacturer warranty included
support_agent
Technical Support Our team helps you choose
Secure and guaranteed payments
Visa Mastercard PayPal Bonifico Cash on delivery
Share this product

Know someone who might need this product? Share it!

48 spare parts
Page 1 zoom_in View exploded local_shipping Usually Ships in: 10 BUSYNESS DAYS
Pos. Item Price Buy
2
photo_cameraImage coming soon 2604220480 Field 230-240V €26.96
4
photo_cameraImage coming soon 1607200158 Switch €9.92
6
photo_cameraImage coming soon 2600703017 Grommet Ø6,4-Ø7,2x76 MM €2.58
9
photo_cameraImage coming soon 2609131526 Manufacturer's nameplate PHO 3100 €1.94
12
photo_cameraImage coming soon 2609120049 Suppression Filter €2.41
16
photo_cameraImage coming soon 2609120334 Brush Holder €1.66
19
photo_cameraImage coming soon 2603490022 Torx Oval-Head Screw 4x16 €1.66
26
photo_cameraImage coming soon 2609110728 Adjusting Nut €2.29
28
photo_cameraImage coming soon 2609110268 Pulley €2.92
29
photo_cameraImage coming soon 2609110267 Pulley €4.71
30
photo_cameraImage coming soon 2609100589 Handle €4.32
31
Micro Poli-V Belt for Planer Bosch GHO 15-82 2609100410 Micro Poli-V Belt for Planer Bosch GHO 15-82 €10.86
32
photo_cameraImage coming soon 2609100585 Cover €4.18
33
photo_cameraImage coming soon 2609110077 Compression Spring €2.41
35
photo_cameraImage coming soon 2609100583 Brush-Cover €5.37
37
photo_cameraImage coming soon 2609100140 Cap-Handle €3.61
38
photo_cameraImage coming soon 2609110162 Ratchet Disc €2.92
40
photo_cameraImage coming soon 2609100028 Air-Deflector Ring €2.41
41
photo_cameraImage coming soon 2601329053 Contact Strap €1.72
44
photo_cameraImage coming soon 2603320004 Square Nut M6 €1.63
46
photo_cameraImage coming soon 2609110729 Adjusting Slide €22.52
47
photo_cameraImage coming soon 2601254000 Ratchet Spring €1.68
49
photo_cameraImage coming soon 2609100582 Handle Cover €8.52
57
photo_cameraImage coming soon 2604448181 Connecting Cable L=233 MM WHITE €2.02
58
photo_cameraImage coming soon 2604448118 Connecting Cable L=213 MM BLUE €1.46
60
photo_cameraImage coming soon 2609100086 Deflector Pipe RED €4.32
74
Carbide Planing Knife for Planer Bosch GHO 15-82 2608635341 Carbide Planing Knife for Planer Bosch GHO 15-82 €18.86
75
photo_cameraImage coming soon 2603400016 Set screw €1.63
76
photo_cameraImage coming soon 2603111001 Gripping Wedge €13.78
80
photo_cameraImage coming soon 2609100088 Knife Guard €2.92
81
photo_cameraImage coming soon 2609110109 Spring €2.02
654
photo_cameraImage coming soon 1907950003 Offset Screwdriver DIN 911 SW2,5 €2.41
656
photo_cameraImage coming soon 2608005015 Stop Bracket €11.03
657/4
photo_cameraImage coming soon 1601332018 Stop Bracket €3.58
657/1
photo_cameraImage coming soon 1610210043 O-Ring 4,0x1,5 MM €1.63
657/3
photo_cameraImage coming soon 2603480003 Wing Screw M 6x16 MM €2.51
657/6
photo_cameraImage coming soon 2609199008 Wing Nut €1.46
657/5
photo_cameraImage coming soon 2910281201 Round-Head Bolt DIN 603-M6x20  €1.34
801
photo_cameraImage coming soon 2609100620 Housing GREEN €40.23
803
photo_cameraImage coming soon 2609199269 Armature 230-240V €50.65
805
photo_cameraImage coming soon 1607000387 Power supply cord EU 2,65m 2 x 0,75mm €10.76
808
photo_cameraImage coming soon 2609131568 Nameplate €1.94
810
photo_cameraImage coming soon 2604321933 Carbon-Brush Set €10.62
813
photo_cameraImage coming soon 2600905051 groove ball bearing 7x19x6 €8.33
814
photo_cameraImage coming soon 2600905052 Deep-Groove Ball Bearing 8x22x7 €7.36
825
photo_cameraImage coming soon 2609100622 Bearing Flange €17.55
827
photo_cameraImage coming soon 2600905051 groove ball bearing 7x19x6 €8.33
850
photo_cameraImage coming soon 2600905064 groove ball bearing 10x26x8 €11.03
870
photo_cameraImage coming soon 2609110193 Planer Head €85.18

Informazioni sulle spedizioni e consegne saranno disponibili a breve.

Bosch Spare Parts for Planer PHO 3100

We have the original Spares for BOSCH Planer PHO 3100 - 3603B71100, the diagram, parts list and tool repair that help you need to get your tools running like new again.

Fix Your Planer PHO 3100. All Spares are original and can be supplied at Low and discounted prices For Shipping. Our Spares are Genuine Parts and Come with a Full Guarantee..

In the following table, look for the model of the Planer and the respective parts of the code.
Bosch PHO 3100 - 3603B71100

Planer PHO 3100/3 603 B71 100
# Part Num. Description
2 2604220480 Field 230-240V
4 1607200158 Switch
6 2600703017 Grommet Ø6,4-Ø7,2x76 MM
9 2609131526 Manufacturer's nameplate PHO 3100
12 2609120049 Suppression Filter
16 2609120334 Brush Holder
19 2603490022 Screw 4x16
26 2609110728 Adjusting Nut
28 2609110268 Pulley
29 2609110267 Pulley
30 2609100589 Handle
31 2609100410 Micro Poli-V-Belt 5PH271
32 2609100585 Cover
33 2609110077 Compression Spring
35 2609100583 Brush-Cover
37 2609100140 Cap-Handle
38 2609110162 Ratchet Disc
40 2609100028 Air-Deflector Ring
41 2601329053 Contact Strap
43 2917800053 Coiled Spring Pin DIN 7343-5x2,5
44 2603320004 Square Nut M6
46 2609110729 Adjusting Slide
47 2601254000 Ratchet Spring
49 2609100582 Handle Cover
57 2604448181 Connecting Cable L=233 MM WHITE
58 2604448118 Connecting Cable L=213 MM BLUE
60 2609100086 Deflector Pipe RED
74 2608635341 Planing Knife
75 2603400016 Set screw
76 2603111001 Gripping Wedge
80 2609100088 Knife Guard
81 2609110109 Spring
654 1907950003 Offset Screwdriver DIN 911 SW2,5
656 2608005015 Stop Bracket
657/1 1610210043 O-Ring 4,0x1,5 MM
657/2 2916011014 Plain Washer DIN 125-A 6,4-ST
657/3 2603480003 Wing Screw M 6x16 MM
657/4 1601332018 Stop Bracket
657/5 2910281201 Round-Head Bolt DIN 603-M6x20
657/6 2609199008 Wing Nut
801 2609100620 Housing GREEN
803 2609199269 Armature 230-240V
805 1607000387 Power supply cord CN 2,65m 2 x 0,75mm H05 W-F
808 2609131568 Nameplate
810 2604321933 Carbon-Brush Set
813 2600905051 groove ball bearing 7x19x6
814 2600905052 groove ball bearing 8x22x7
825 2609100622 Bearing Flange
827 2600905051 groove ball bearing 7x19x6
850 2600905064 groove ball bearing 10x26x8
870 2609110193 Planer Head

All product specifications in this catalog are based on information taken from official sources, including the official manufacturer’s Bosch websites, which we consider as reliable. Unfortunately, even the official documents may contain mistakes and printing errors – we are not able to confirm that all of these data are precise and represent the facts. Most of the manufacturers reserve the right to change the product characteristics or complement without notice. We strongly recommend using the published information as a basic information subject to Bosch brand review. Please refine the important parameters by the selling assistant when making a purchase. All content included in this catalog is the intellectual property of www.bricoutensili.com. Any publication or copying (full or partial) without a reference to the source page is prohibited.
Bosch PHO 3100 - 3603B71100
12 Items

Data sheet

SHIPPING IN:
Usually Ships in: 10 BUSYNESS DAYS
CHECK ITEM CODE OR S/N:
CHECK YOUR TOOL CODE OR S/N BEFORE CHECKOUT
CHECK S/N BOSCH:
BOSCH S/N START WITH (0) or (3) AND HAVE 10 DIGITS

Specific References

New

Download

Diagram PHO 3100

Diagram PHO 3100

Download (165.69KB)

You might also like

Bosch SKU: 2608635341
Carbide Planing Knife for Planer Bosch GHO 15-82 Bosch original part, Carbide Planing Knife for Planers GHO 15-82 - GHO 26-82 - GHO 40-82 C - PHO 3100. Part for the following products: -  Planer GHO 40-82 C - 060159A703 -  Planer GHO...
AVAILABLE €18.86
Bosch SKU: 2609100410
Micro Poli-V Belt for Planer Bosch GHO 15-82 Bosch original part, Micro Poli-V Belt 5PH271 for Planers GHO 15-82 - GHO 26-82 - GHO 40-82 C - PHO 3100. Part for the following products: -  Planer GHO 15-82 - 3601E94003 -  Planer GHO...
AVAILABLE €10.86
Comments (0)