

Informazioni sulle spedizioni e consegne saranno disponibili a breve.
Bosch Original spare parts at attractive prices never seen on the web, we are an service center with after-sales service able to quickly solve any maintenance or repair problem for Percussion Drill PSB 650 RE - 3603A28000.
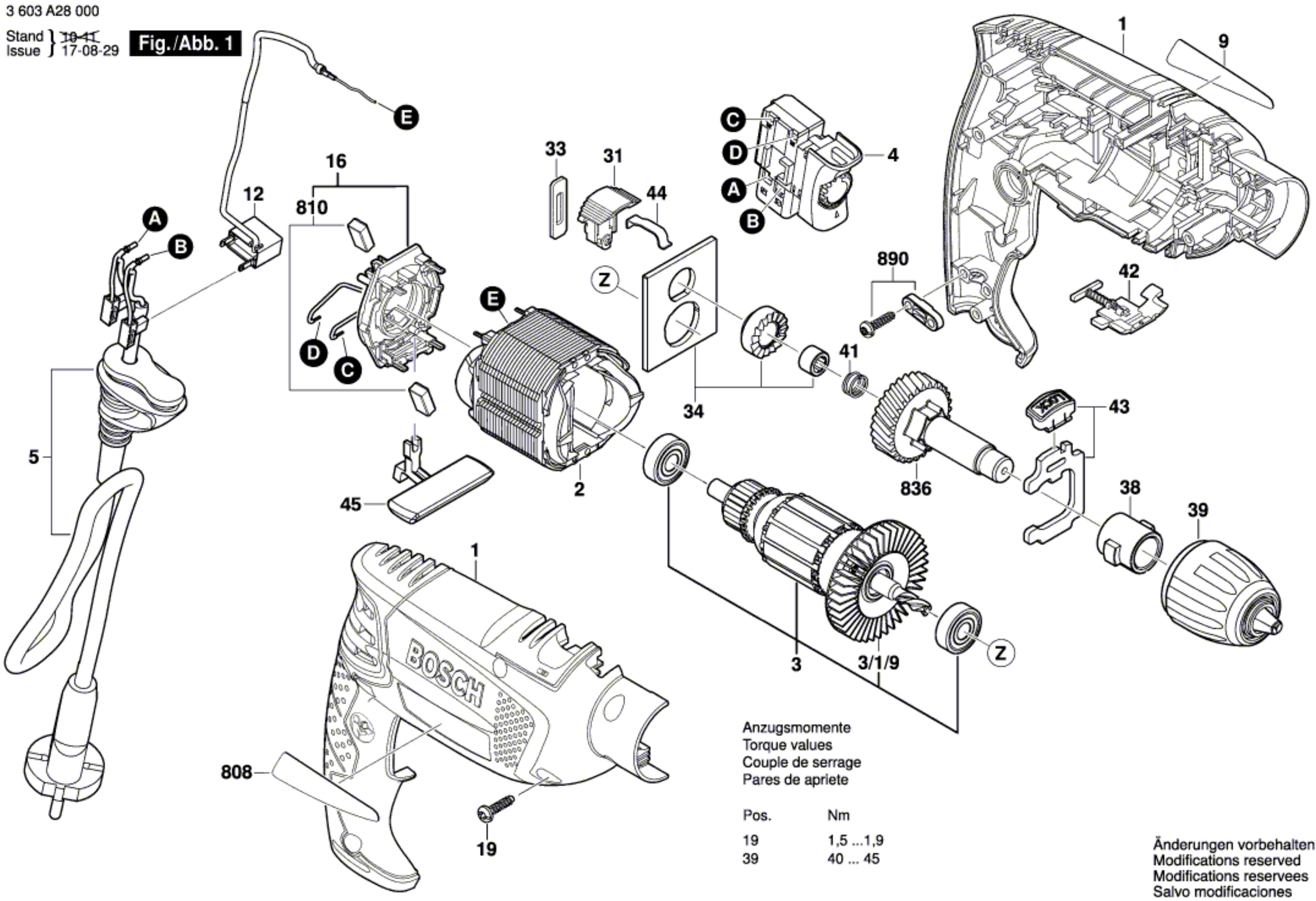
In the following table, look for the model of the Percussion Drill and the respective parts of the code.![]()
| Percussion Drill 3603A28000 - PSB 650 RE / 230 V /EU | ||
| # | Part Num. | Description |
| 1 | 2609003128 | Housing Section |
| 2 | 2609003024 | Field 220-240V |
| 3 | 2609003185 | Armature 220-240V |
| 3/1/9 | 2609003274 | Fan |
| 4 | 1607200503 | Switch |
| 5 | 2609004003 | Power supply cord |
| 9 | 2609003259 | Manufacturer's nameplate PSB 650 RE |
| 9 | 2609003864 | Manufacturer's nameplate PSB 6500 RE |
| 9 | 2609004110 | Manufacturer's nameplate PSB 650 RA |
| 9 | 2609004111 | Manufacturer's nameplate PSB 6200 RE |
| 9 | 161111C047 | Manufacturer's nameplate PSB Universal |
| 12 | 2609001375 | Suppression Filter |
| 16 | 2609003181 | Brush Holder |
| 19 | 2603490022 | Screw 4x16 |
| 31 | 2609003170 | Change-Over Switch |
| 33 | 2609003579 | Guiding Plate |
| 34 | 2609003168 | Bearing Bracket |
| 38 | 2609003165 | Porous Bearing |
| 39 | 2609003164 | Keyless Chuck |
| 41 | 2604616006 | Compression Spring |
| 42 | 2609003177 | Shut-off Valve |
| 43 | 2609003173 | Knob |
| 44 | 2609003176 | Leaf Spring |
| 45 | 2609003180 | Change-Over Switch |
| 654 | 2602025125 | Auxiliary Handle BLACK |
| 655 | 2609005615 | Depth-Gauge |
| 656/9 | 2609002929 | Filter |
| 656/14 | 2609003805 | Lock |
| 656/810 | 2609004108 | Dust container |
| 656/812 | 2600206003 | Friction Ring |
| 808 | 160111A2HB | Nameplate |
| 810 | 2609004163 | Carbon-Brush Set |
| 836 | 2609003645 | Spindle |
| 890 | 2607001305 | Fastening parts kit |