

Informazioni sulle spedizioni e consegne saranno disponibili a breve.
Fix Your Planer PHO 20-82 - 0603258450. All Spares are original and can be supplied at Low and discounted prices For Shipping. Our Spares are Genuine Parts and Come with a Full Guarantee.
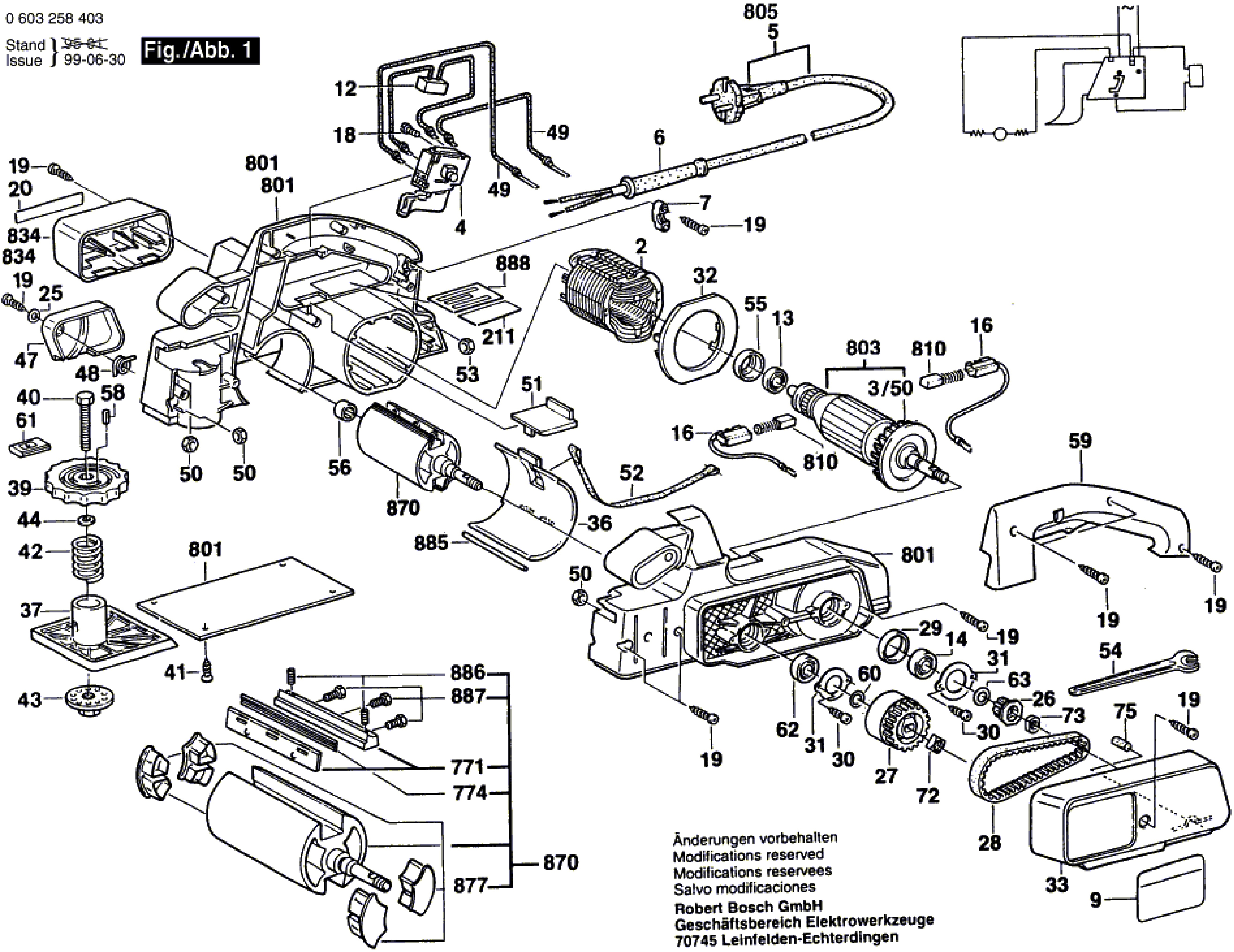
In the following table, look for the model of the Planer and the respective parts of the code.![]()
| Planer PHO 20-82/0 603 258 450 | ||
| # | Part Num. | Description |
| 2 | 2604220480 | Field 230-240V |
| 3/50 | 2606610049 | Fan |
| 4 | 2607200261 | On-Off Switch |
| 5 | 2604460102 | Power supply cord I 4,15m 2 x 1,0mm H05VV-F |
| 6 | 2600703007 | Grommet Ø7 MM |
| 7 | 2601035001 | Cable Clip |
| 9 | 2601110803 | Sticker SUNNY SIDE |
| 12 | 1607328028 | Suppression Filter |
| 13 | 2600905051 | Deep-Groove Ball Bearing 7x19x6 |
| 14 | 2600905052 | Deep-Groove Ball Bearing 8x22x7 |
| 16 | 2604449027 | Brush Holder |
| 18 | 2603410001 | Socket head cap screw M3x6,5-4.8 |
| 19 | 2603490022 | Torx Oval-Head Screw 4x16 |
| 20 | 1601110481 | Manufacturer's nameplate SHADOW SIDE |
| 25 | 2600100588 | Shim 0,5 MM |
| 26 | 2600324009 | Toothed Belt Wheel Z=19 |
| 27 | 2606625009 | Toothed Belt Wheel Z=43 |
| 28 | 1604736004 | Toothed Belt 14 MM |
| 29 | 1600206025 | Rubber Ring |
| 30 | 2603490017 | Torx Oval-Head Screw 3x10 |
| 31 | 1600190016 | Tab Washer |
| 32 | 1600591006 | Air-Deflector Ring |
| 33 | 1605510140 | Gear Cover BLACK |
| 36 | 1605510142 | Protective Cover |
| 37 | 2608000059 | Adjusting Disc |
| 39 | 2606621001 | Graduated Dial |
| 40 | 3603450005 | Hex Screw |
| 41 | 2910601320 | Rec ct-sunk tapping screw DIN7982-ST3,9x19-C-H |
| 42 | 1604619017 | Compression Spring |
| 43 | 3603342003 | Adjusting Nut |
| 44 | 3600100005 | Shim 0,5 MM THICK |
| 47 | 1605510139 | Protective Cover |
| 48 | 1604651007 | Compression Spring |
| 49 | 2604448062 | Connecting Cable L = 288 MM WHITE |
| 50 | 2915011007 | Hex Nut DIN 934-M6-8-A |
| 51 | 1601099011 | Adjusting Slide BLACK |
| 52 | 1601006006 | Rubber band |
| 53 | 2603320004 | Square Nut M6 |
| 54 | 2607950504 | Single-Head Eng. Wrench |
| 55 | 1600502011 | Intermediate Ring |
| 56 | 2600910001 | Needle bearing Ø14 MM |
| 58 | 2917760073 | Slotted Spring Pin 3x5 DIN 1481 |
| 59 | 2605500086 | Handle Plate GREEN |
| * | 2605500087 | Handle Cover BLUE |
| 60 | 1610100605 | Shim 0,8 MM THICK |
| 61 | 1601099010 | Scale Window |
| 62 | 2600905052 | Deep-Groove Ball Bearing 8x22x7 |
| 63 | 1600100632 | Shim 0,2 MM THICK |
| 72 | 2603320003 | Square Nut M8 |
| 73 | 2603342006 | Round Nut M6 LEFTHAND THREADS |
| 75 | 1603100036 | Rubber Buffer |
| 211 | 1601110058 | Reference Plate DOUBLE INSULATION |
| 771 | 2608040039 | Grip-Spring Tensioning E |
| 774 | 2607000096 | Planing Knife |
| 801 | 2605104888 | Housing Section GREEN |
| 803 | 2604010763 | Armature 230V |
| 810 | 2604321905 | Carbon-Brush Set |
| 834 | 1605510141 | Covering hood BLACK |
| 870 | 2603204903 | Planer Head |
| 877 | 2605510036 | Cover |
| 885 | 1600410003 | Slotted Spring Pin |
| 886 | 2603400014 | Set screw |
| 887 | 2603450005 | Hex Screw |
| 888 | 1601106032 | Nameplate 26x52 MM |