

| Pos. | Item | Price | Buy | |
|---|---|---|---|---|
|
20
|
photo_cameraImage coming soon | 3220120 PISTON GUIDE | €13.04 | |
|
23
|
photo_cameraImage coming soon | 1780080 Piston | €25.49 | |
|
33
|
photo_cameraImage coming soon | 3220030 COVER | €17.03 | |
|
40
|
photo_cameraImage coming soon | 3220080 Level gauge | €17.02 | |
|
41
|
photo_cameraImage coming soon | 3200090 Disk | €1.88 | |
|
45
|
photo_cameraImage coming soon | 1080550 Ring | €5.42 | |
|
46
|
photo_cameraImage coming soon | 3229200 Head assembly | €163.32 | |
|
47
|
photo_cameraImage coming soon | 23772 PUMP SA | €507.59 | |
|
48
|
photo_cameraImage coming soon | 3220310 Shaft | €84.66 |
Informazioni sulle spedizioni e consegne saranno disponibili a breve.
Genuine Parts Annovi & Reverberi for repair or replacement of Pressure Washer Blue Clean 1010N - 25282.
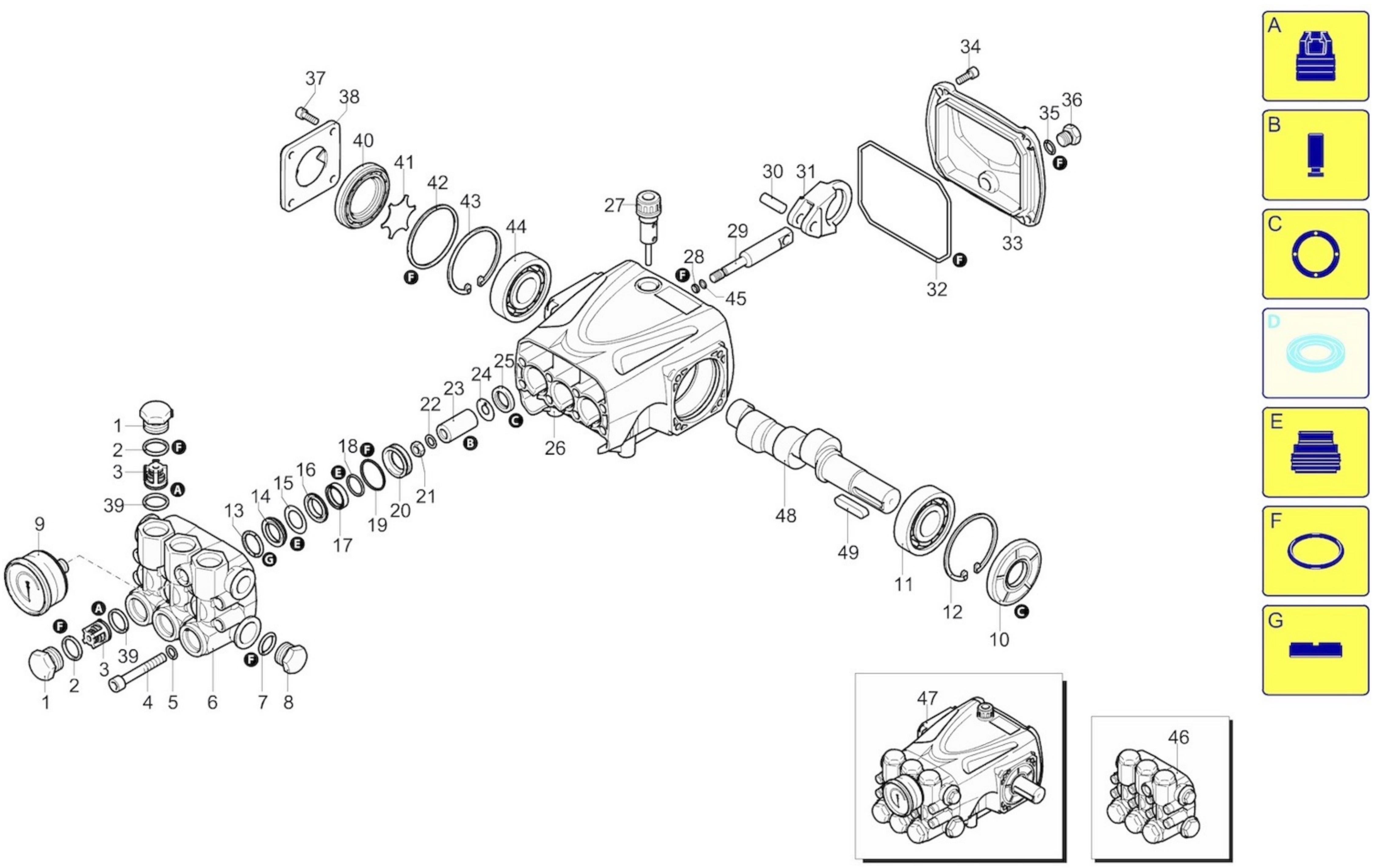
In the following tables, look for the spare part and its respective code.![]()
| Pressure Washer AR Blue Clean 1010N - 25282 | ||
| Casing | ||
| # | Part Num. | Description |
| 1 | 50601 | Gasket |
| 2 | 51387 | Casing |
| 3 | 1262790 | Detergent hose |
| 4 | 1341030 | Filter |
| 5 | 50531 | Fitting |
| 6 | 1122260 | Fitting |
| 7 | 51219 | Pressure switch |
| 8 | 50641 | Frame |
| 9 | 50447 | Spring |
| 10 | 50627 | Wheel |
| 11 | 50628 | Guard |
| 12 | 3260170 | Fitting |
| 13 | 51220 | Fitting |
| Pump | ||
| 1 | 960090 | Plug |
| 2 | 960160 | O-ring |
| 3 | 1389051 | Complete valve |
| 4 | 800860 | Screw |
| 5 | 1381850 | Washer |
| 6 | 3220020 | Head |
| 7 | 180101 | O-ring |
| 8 | 820361 | Plug |
| 9 | 1381580 | Pressure gauge |
| 10 | 3220280 | Ring |
| 11 | 1981210 | Bearing |
| 12 | 200390 | Ring |
| 13 | 1780140 | Ring |
| 14 | 1780720 | Water seal |
| 15 | 3200250 | Ring |
| 16 | 3220130 | Piston guide |
| 17 | 3200142 | Gasket |
| 18 | 3200260 | Ring |
| 19 | 770260 | O-ring |
| 20 | 3220120 | Piston guide |
| 21 | 1260110 | Nut |
| 22 | 1260100 | Washer |
| 23 | 1780080 | Piston |
| 24 | 1260091 | Plate |
| 25 | 1260460 | Oil seal |
| 26 | 3220010 | Pump body |
| 27 | 880130 | Plug |
| 28 | 480480 | O-ring |
| 29 | 3220060 | Piston |
| 30 | 3220070 | Pin |
| 31 | 3220040 | Connecting-rod |
| 32 | 651540 | O-ring |
| 33 | 3220030 | Cover |
| 34 | 3200220 | Screw |
| 35 | 820510 | O-ring |
| 36 | 880581 | Plug |
| 37 | 1200430 | Screw |
| 38 | 3200070 | Support |
| 39 | 880830 | O-ring |
| 40 | 3220080 | Level gauge |
| 41 | 3200090 | Plate |
| 42 | 650560 | O-ring |
| 43 | 200390 | Ring |
| 44 | 1981210 | Bearing |
| 45 | 1080550 | Ring |
| 46 | 3229200 | Head assembly |
| 47 | 23772 | Pump |
| 48 | 3220310 | Shaft |
| 49 | 3200230 | Key |
| A | 2864 | Valve kit |
| B | 2746 | Piston kit |
| C | 42547 | Oil seal kit |
| E | 42549 | Water seal kit |
| F | 42550 | Gasket kit |
| G | 2745 | Support ring kit |
| Valve | ||
| 1 | 1560580 | Plug |
| 2 | 540290 | Screw |
| 3 | 1660210 | Nut |
| 4 | 1560400 | Knob |
| 5 | 1080070 | Pin |
| 6 | 1560420 | Screw |
| 7 | 1560410 | Guide |
| 8 | 1560440 | Wobble plate |
| 9 | 1560350 | Spring |
| 10 | 1080610 | Wobble plate |
| 11 | 1080660 | Pin |
| 12 | 1080540 | Piston |
| 13 | 391000 | O-ring |
| 14 | 1080640 | Ring |
| 15 | 1560150 | O-ring |
| 16 | 1560100 | Shutter |
| 17 | 1560140 | Spring |
| 18 | 180101 | O-ring |
| 19 | 1540272 | Screw |
| 21 | 1560010 | Valve body |
| 22 | 1080550 | Ring |
| 23 | 480480 | O-ring |
| 24 | 1560280 | Washer |
| 25 | 1560320 | Piston |
| 26 | 880270 | O-ring |
| 27 | 1560051 | Fitting |
| 28 | 390080 | O-ring |
| 29 | 1560510 | Nut |
| 30 | 1560530 | Fitting |
| 31 | 1560520 | Spring |
| 32 | 1250280 | Ball |
| 33 | 480480 | O-ring |
| 34 | 1560490 | Hose tail |
| 35 | 1540020 | Suction fitting |
| 36 | 1540120 | Washer |
| 37 | 1540090 | Fitting |
| 38 | 1560290 | Washer |
| 39 | 20082 | Complete valve |
| F | 2611 | Gasket kit |
| Motor | ||
| 1 | 50068 | Gasket |
| 2 | 1700080 | Plate |
| 3 | 1940410 | O-ring |
| 4 | 2360950 | Mini-contactor |
| 5 | 1261570 | Screw |
| 6 | 2360590 | Board |
| 7 | 1460460 | Screw |
| 8 | 1700590 | Nut |
| 9 | 2021480 | Gland |
| 10 | 51219 | Pressure switch |
| 11 | 1341140 | Gasket |
| 12 | 2360730 | Switch |
| 13 | 880270 | O-ring |
| 14 | 1382380 | Cable gland |
| 15 | 1261560 | Screw |
| 16 | 1080190 | O-ring |
| 17 | 1701070 | Box |
| 18 | 1700640 | Cable |
| 19 | 44752 | Motor |
| Accessories | ||
| 1 | 41847 | Gun |
| 2 | 3160170 | High pressure hose |
| 3 | 40826 | Lance |
| 4 | 3095 | Nozzle |