

Informazioni sulle spedizioni e consegne saranno disponibili a breve.
We are ALPINA authorized service center and original spare parts Distributors. We offer low prices and a professional repair service able to advise you for to purchase the most suitable spare part to quickly solve any maintenance and repair problem for Brushcutter B 26 J - 287120100-15-2017.
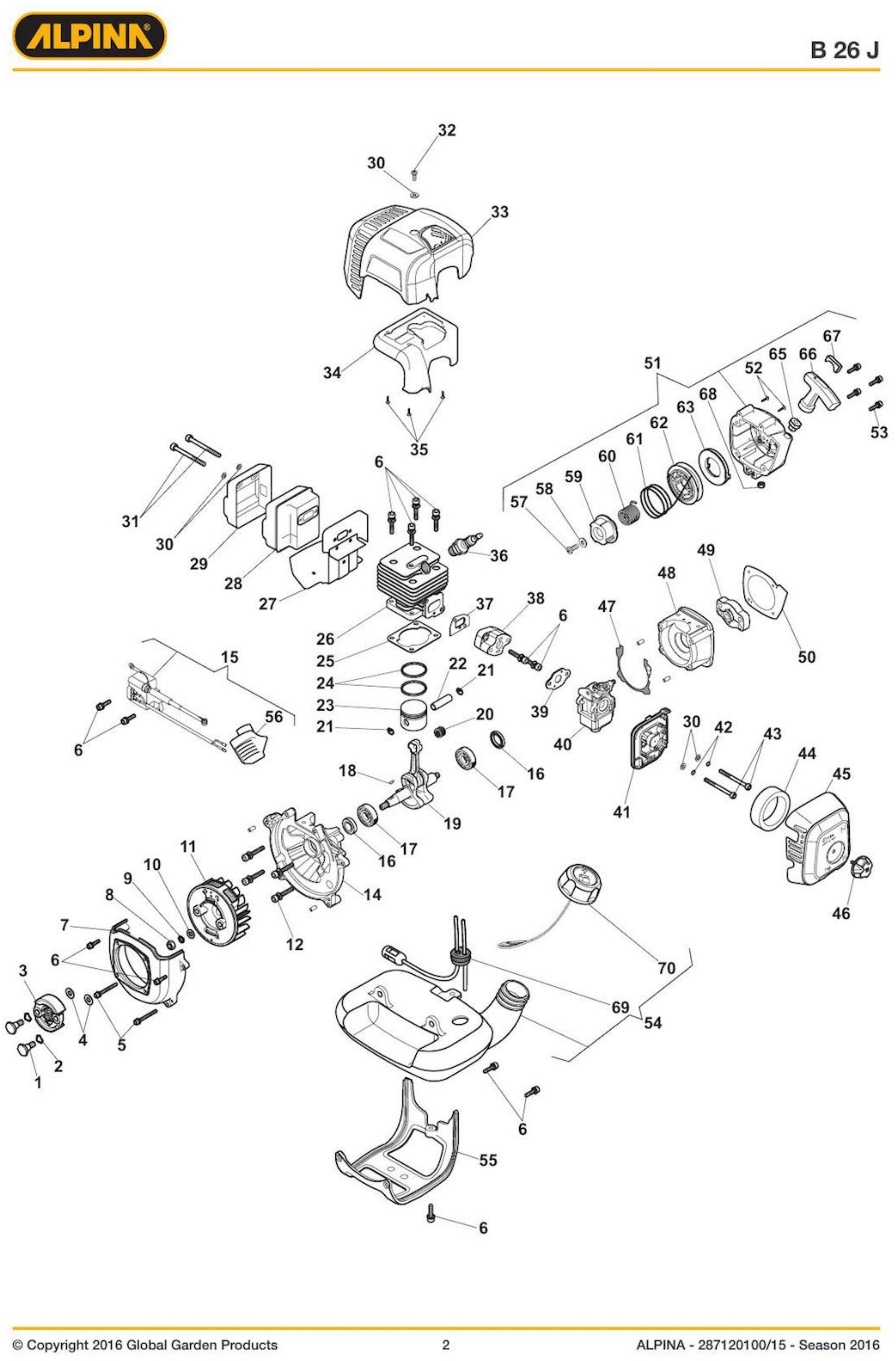
In the following table, look for the model of the Brushcutter and the respective parts of the code.
| Brushcutter B 26 J/287120100-15-2017 Engine Pag.1 | ||
| # | Part Num. | Description |
| 1 | 118801189/0 | Screw |
| 3 | 118802113/0 | Clutch Ass'y |
| 4 | 2312010 | Flat washer |
| 5 | 2135120 | Screw |
| 6 | 2135030 | Screw |
| 7 | 118803161/0 | Flywheel Cover |
| 8 | 112293200/0 | Nut |
| 9 | 112583500/0 | Grower |
| 10 | 6981128 | Washer |
| 11 | 118802073/0 | Flywheel |
| 12 | 2135050 | Screw |
| 14 | 118802078/0 | Crank Case |
| 15 | 118803162/0 | Electronic Ignition Coil |
| 16 | 118801188/0 | Seal Ring |
| 17 | 119216035/0 | Bearing |
| 18 | 123072002/0 | Flywheel Key |
| 19 | 118802066/0 | Crankshaft |
| 20 | 118803164/0 | Needle Bearing |
| 21 | 118802084/0 | Circlip |
| 22 | 118802081/0 | Piston Pin |
| 23 | 118802076/0 | Piston |
| 24 | 118802077/0 | Piston Ring |
| 25 | 118803165/0 | Cylinder Gasket |
| 26 | 118802074/0 | Cylinder |
| 27 | 118803166/0 | Muffler Gasket |
| 28 | 118803167/0 | Muffler |
| 29 | 118803168/0 | Muffler Guard |
| 30 | 112521320/0 | Washer |
| 31 | 2122210 | Screw |
| 32 | 112727790/0 | Screw |
| 33 | 322055532/0 | White Cylinder Cover |
| 34 | 118803169/0 | Air Cleaner Cover |
| 35 | 1126-1049-01 | Screw |
| 37 | 118803170/0 | Gasket |
| 38 | 118802086/0 | Intake Manifold |
| 39 | 118803171/0 | Carburetor Gasket |
| 40 | 118803172/0 | Carburetor |
| 41 | 118803173/0 | Air Filter Base |
| 42 | 112581500/0 | Grower |
| 43 | 2135250 | Screw |
| 44 | 118801526/0 | Air Filter Sponge Element |
| 45 | 322055533/0 | Filter Cover White |
| 46 | 118803174/0 | Knob, Grey |
| 47 | 118803175/0 | Crankcase Gasket |
| 48 | 118802079/0 | Crank Case |
| 49 | 118802069/0 | Starter Cup |
| 50 | 118803176/0 | Gasket |
| 51 | 118803178/0 | Starter Assy |
| 52 | 112727810/0 | Screw |
| 53 | 6981149 | Screw |
| 54 | 118803189/0 | Fuel Tank Assy |
| 55 | 118803191/0 | Support |
| 56 | 118803163/0 | Spark Plug Cap |
| 57 | 2135180 | Screw |
| 58 | 2312150 | Washer |
| 59 | 118803179/0 | Cap |
| 60 | 118803180/0 | Spring |
| 61 | 118803181/0 | Starter Cord |
| 62 | 118803182/0 | Starter Pulley |
| 63 | 118803183/0 | Spring |
| 65 | 118803185/0 | Rope Guide |
| 66 | 118803186/0 | Starter Handle |
| 67 | 118803188/0 | White Starter Plate |
| 68 | 112291000/0 | Nut |
| 69 | 118803190/0 | Fuel Hose |
| 70 | 322735152/0 | Oil Cap |
| Brushcutter B 26 J/287120100-15-2017 Trasmission Pag.2 | ||
| 1 | 118803136/0 | Transmission Hub Assembly |
| 2 | 118803192/0 | Transmission Pipe Assy |
| 3 | 2135040 | Screw |
| 4 | 2132550 | Screw |
| 5 | 118803141/0 | Long Transmission Drive Shaft |
| 6 | 118803142/0 | Shaft Connector |
| 7 | 2135150 | Screw |
| 8 | 118802099/0 | Connector Assy |
| 9 | 2135180 | Screw |
| 10 | 118803194/0 | Front Handle |
| 11 | 118801182/0 | Harness Support |
| 12 | 2135020 | Screw |
| 13 | 112154330/0 | Nut |
| 14 | 118803144/0 | Handle Assy |
| 15 | 118803195/0 | Short Transmission Pipe Assy |
| 16 | 118803197/0 | Short Transmission Drive Shaft |
| 17 | 118803198/0 | Safety Cover Ass.Y |
| 18 | 118801184/0 | Gear Case Assy |
| 19 | 118801125/0 | 3 Teeth Disc |
| 20 | 118801124/0 | 2 Hedges Nylon Head |
| 22 | 118803137/0 | Support |
| 23 | 118803138/0 | Support |
| 24 | 118803139/0 | Soft Shaft Connector |
| 25 | 322055257/0 | Transmission Hub |
| 26 | 112609200/0 | Seeger |
| 27 | 118802094/0 | Clutch Drum |
| 29 | 118803145/0 | Switch |
| 30 | 118803146/0 | Clamp |
| 31 | 6981269 | Screw |
| 32 | 118803147/0 | Switch |
| 33 | 118803148/0 | Spring |
| 34 | 118803149/0 | Switch |
| 35 | 118803150/0 | Throttle Lever, Yellow |
| 36 | 118803151/0 | Spring |
| 37 | 118803152/0 | Spring - DISCONTINUED |
| 38 | 2123060 | Screw |
| 39 | 112727810/0 | Screw |
| 40 | 118803153/0 | Switch Part |
| 41 | 118803154/0 | Throttle Cable |
| 42 | 118803155/0 | Stop Wire |
| 43 | 118803199/0 | Safety Cover, Grey |
| 44 | 2123050 | Screw |
| 45 | 118803200/0 | Plate |
| 46 | 112727799/0 | Screw |
| 47 | 2122260 | Screw |
| 48 | 118803201/0 | Line Cutter Blade |
| 49 | 118803202/0 | Support |
| 50 | 118803203/0 | Spacer - Substituited by 118804043/0 |
| 51 | 118803204/0 | Upper Ring Nut |
| 52 | 118803205/0 | Lower Ring Nut |
| 53 | 118803206/0 | Case Dust Cover |
| 54 | 112156602/0 | Nut |